【化学】黑龙江省齐齐哈尔市八中2019-2020学年高一9月月考试卷
展开
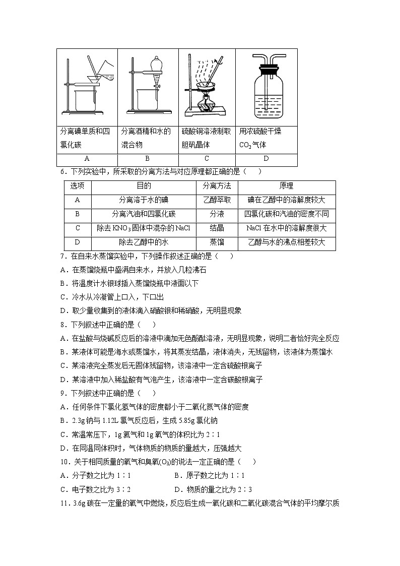
黑龙江省齐齐哈尔市八中2019-2020学年高一9月月考试卷相对原子质量:H-1 He-4 C-12 N-14 O-16 Na-23 Mg-24 S-32 Cl-35.5 Ne-20 Ca-40 Fe-56第Ⅰ卷(选择题 满分48分)一、选择题(本题包括16小题,每小题3分,共48分。每小题只有一个选项符合题意)1.许多装有化学物质的瓶子上贴有危险警告标志,下面是一些危险警告标志,其中标志贴错的是( )选项ABCD物质浓硝酸汽油纯碱氯酸钾危险警告标志2.下列有关化学实验安全问题的叙述中,不正确的是( )A.少量的浓硫酸沾到皮肤上时,迅速用大量水冲洗B.取用化学药品时,应特别注意观察药品包装容器上的安全警示标志C.凡是给玻璃仪器加热,都要加垫石棉网,以防止仪器炸裂D.闻任何化学药品的气味都不能使鼻子凑近药品3.下图中实验操作不正确的是( )4.《茶疏》中对泡茶过程有如下记载:“治壶、投茶、出浴、淋壶、烫杯、酾茶、品茶……”文中未涉及下列操作原理的是( )A.溶解 B.萃取 C.蒸馏 D.过滤5.下列实验中,所选装置或实验设计合理的是( )分离碘单质和四氯化碳分离酒精和水的混合物硫酸铜溶液制取胆矾晶体用浓硫酸干燥CO2气体ABCD6.下列实验中,所采取的分离方法与对应原理都正确的是( )选项目的分离方法原理A分离溶于水的碘乙醇萃取碘在乙醇中的溶解度较大B分离汽油和四氯化碳分液四氯化碳和汽油的密度不同C除去KNO3固体中混杂的NaCl结晶NaCl在水中的溶解度很大D除去乙醇中的水蒸馏乙醇与水的沸点相差较大7.在自来水蒸馏实验中,下列操作叙述正确的是( )A.在蒸馏烧瓶中盛满自来水,并放入几粒沸石B.将温度计水银球插入蒸馏烧瓶中液面以下C.冷水从冷凝管上口入,下口出D.取少量收集到的液体滴入硝酸银和稀硝酸,无明显现象8.下列叙述中正确的是( )A.在盐酸与烧碱反应后的溶液中滴加无色酚酞溶液,无明显现象,说明二者恰好完全反应B.某液体可能是海水或蒸馏水,将其蒸发结晶,液体消失,无残留物,该液体为蒸馏水C.某溶液完全蒸发后无固体残留物,该溶液中一定含硫酸根离子D.某溶液中加入稀盐酸有气泡产生,该溶液中一定含碳酸根离子9.下列叙述中正确的是( )A.任何条件下氯化氢气体的密度都小于二氧化氮气体的密度B.2.3g钠与1.12L氯气反应后,生成5.85g氯化钠C.常温常压下,1g氦气和1g氧气的体积比为2∶1D.在同温同体积时,气体物质的物质的量越大,压强越大10.关于相同质量的氧气和臭氧(O3)的说法一定正确的是( )A.分子数之比为1∶1 B.原子数之比为1∶1C.电子数之比为3∶2 D.物质的量之比为2∶311.3.6g碳在一定量的氧气中燃烧,反应后生成一氧化碳和二氧化碳混合气体的平均摩尔质量是32g·mol-1,则生成的一氧化碳的质量是( )A.3.3 B.6.3g C.8.4g D.13.2g12.同温同压下,等物质的量的一氧化氮和二氧化氮气体具有相同的( )A.氧原子数 B.原子数C.质量 D.体积13.设NA为阿伏加德罗常数的值,下列说法中正确的是( )A.含0.1molBaCl2的溶液中Cl-数为0.1NAB.22gCO2所含有的分子数为0.5NAC.11.2LCO2所含有的分子数为0.5NAD.常温下NA个Cl2分子所占有的体积为22.4L14.将4g氢氧化钠溶解在10mL水中,再稀释成1L,从中取出10mL,这10mL溶液的物质的量浓度是( )A.10mol·L-1 B.1mol·L-1C.0.1mol·L-1 D.0.01mol·L-115.某溶液中含有0.2 mol·L-1的NH、0.25 mol·L-1的Fe2+、0.4mol·L-1的Cl-及一定量的SO,则SO的物质的量浓度为( )A.0.15mol·L-1 B.0.3mol·L-1C.0.5mol·L-1 D.0.1mol·L-116.用NA表示阿伏加德罗常数的值。下列叙述中正确的是( )A.分子总数为NA的二氧化硫和二氧化碳混合气体中含有的原子数为3NAB.任何条件下,20L氧气含有的分子数都不可能为NAC.在标准状况下,2g氖气含有NA个氖原子D.物质的量相等的任何气体中都含有相同的原子数第Ⅱ卷(非选择题 满分52分)二、非选择题(本题包括4小题,共52分)17.(12分)计算填空:(1)标准状况下,密度为0.75g·L-1的氨气与甲烷组成的混合气体中,氨气的体积分数为________,该混合气体对氢气的相对密度为________。(2)质量分数为36.5%浓盐酸(密度为1.25g·mL-1) 的物质的量浓度为________,若配制250mL0.1mol·L-1的盐酸,需要量取浓盐酸的体积为______。(3)已知agA和bgB恰好完全反应生成0.2molC和dgD,则C的摩尔质量为__________。18.(12分)已知A、B、C、D四种物质的一些物理性质如表所示。 ABCD分散到水中悬浊液无色溶液液体分层,且下层为无色油状液体无色溶液熔点/℃1452-21.3-11.5801沸点/℃170378.91171210根据上述信息,回答下列问题:(1)若已知A与D不发生反应,且均不与水反应。①欲从A、D的混合物中分离提纯D,需进行的操作:a溶解;b________(填操作名称,下同);c________。②上述a、b、c操作过程中均需用到的一种玻璃仪器为__________。(2)从B的水溶液中分离出B的操作名称为__________________。(3)从C与水的混合物中分离提纯C,所需的玻璃仪器有____________________。19.(12分)已知某“84消毒液”瓶体部分标签如图所示,该“84消毒液”通常稀释100倍(体积之比)后使用。请回答下列问题:84消毒液有效成分 NaClO规格 1 000 mL质量分数 25%密度 1.19 g·cm-3(1)该“84消毒液”的物质的量浓度约为________mol·L-1。(保留两位有效数字)(2)某同学取100mL该“84消毒液”,稀释后用于消毒,稀释后的溶液中c(Na+)=________。(3)该同学参阅该“84消毒液”的配方,欲用NaClO固体配制250mL含NaClO质量分数为25%的消毒液。下列说法不正确的是________(填字母)。a.如图所示的仪器中,有三种是不需要的,还需要其他玻璃仪器b.容量瓶用蒸馏水洗净后,应烘干后才能用于溶液配制c.配制过程中,未用蒸馏水洗涤烧杯和玻璃棒可能导致结果偏低(4)“84消毒液”与稀硫酸混合使用可增强消毒能力,某消毒小组人员用98%(密度为1.84g·cm-3)的浓硫酸配制2L2.3mol·L-1的稀硫酸用于增强“84消毒液”的消毒能力。需用浓硫酸的体积为________mL。20.(16分)Ⅰ.从海水得到的粗食盐水中常含Ca2+、Mg2+、SO,需要分离提纯。现有含少量CaCl2、MgSO4的粗食盐水,在除去悬浮物和泥沙之后,要用4种试剂①盐酸、②Na2CO3、③NaOH、④BaCl2来除去食盐水中Ca2+、Mg2+、SO。提纯的操作步骤和加入试剂的情况如图1:图中a、b、c、d分别表示上述4种试剂中的一种,试回答:(1)生成沉淀A的化学方程式:__________________________________________________。(2)试剂d是________;判断试剂d已经足量的简单方法为________________________;如果在加入d试剂前没有过滤,引起的后果是______________________________________。(3)沉淀B、C、D的化学式分别为(不讲顺序)________,________,________。(4)现有如图2仪器,过滤出沉淀A、B、C、D时必须用到________(填序号)。Ⅱ.海水蒸馏是由海水获得淡水的常用方法之一,在实验室里组成一套蒸馏装置肯定需要上述仪器中的________(填序号);实验时③中除加入适量海水外,还需加入________,其作用是________________________________________________________________________。Ⅲ.海带等藻类物质经过处理后,可以得到碘水,欲从碘水中提取碘,需要上述中的仪器,该仪器名称为____________。为了使该仪器中液体可以顺利流下,应进行的具体操作是________________________________________________________________________。向该碘水中加入四氯化碳以提取碘单质的实验操作为____________。
【参考答案】1C 2C 3A 4C 5D 6D 7D 8B 9D 10B 11B 12D 13B 14C 15A 16A17前四个空每个2分第五个空4分(1) 80% 8.4 (2)12.5mol·L-1 2.0mL (3)5(a+b-d) g·mol-118每空2分(1)①过滤 蒸发结晶 ②玻璃棒 (2)蒸馏 (3)分液漏斗、烧杯19每空3分(1)4.0 (2)0.04mol·L-1 (3)ab (4)25020不标的给1分Ⅰ.(1)MgSO4+BaCl2===BaSO4↓+MgCl2 (2分)(2)盐酸(HCl) 溶液中不再产生气体 生成的沉淀与酸反应,不能除去杂质离子(答案意思相近即可)(3)CaCO3 BaCO3 Mg(OH)2 (4)④ Ⅱ.②③⑤(2分) 沸石(或碎瓷片) 防止暴沸 Ⅲ.分液漏斗 打开分液漏斗上端活塞或使凹槽对准小孔 萃取(分液)

