云南省2020届高三4月高中毕业生复习统一检测物理试题
展开秘密★启用前 [考试时间: 4月16日9:00- 11 :30]
2020年云南省高中毕业生复习统一检测
理科综合能力测试物理部分试卷
二、选择题:本题共8小题,每小题6分,共48分。每小题给出的四个选项中,第14~17题,只有一项符合题目要求,第18~21题有多项符合题目要求。全部选对的得6分,选对但不全的得3分,有选错的得0分。
14. 下列说法正确的是
A.电子的发现说明原子具有核式结构
B.β衰变现象说明电子是原子核的组成部分
C.某金属在光照射下发生光电效应,入射光频率越高,该金属的逸出功越大
D.某金属在光照射下发生光电效应,入射光频率越高,逸出光电子的最大初动能越大
15. 如图所示,用不可伸长的轻质细线a、b悬挂-一小球,小球静止时,绳a、绳b与水平方向的夹角均为300,绳b的拉力大小为F1。现将绳a剪断,剪断后瞬间绳b的拉力大小为F2,则F1:F2为
A. 1:1 B. 1:2
C. 2:1 D.
16. 汽车在平直公路上以108km/h的速度匀速行驶,司机看到前面有突发情况,紧急利车,从看到突发情况到刹车的反应时间内汽车做匀速运动,刹车后汽车做匀减速直线运动,从看到突发情况到汽车停下,汽车行驶的距离为90m,所花时间为5.5s,则汽车匀减速过程中所受阻力约为汽车所受重力的
A. 0.3倍 B. 0.5倍 C. 0.6倍 D. 0.8倍
17. 如图甲所示,金属细圆环固定,圆环的左半部分处于随时间均匀变化的匀强磁场中。该圆环电阻为R、半径为r,从t=0时刻开始,该圆环所受安培力大小随时间变化的规律如图乙所示,则磁感应强度的变化率为
A. B.
C. D.
18. 如图所示,理想变压器的原线圈接在稳压交流电源上,R1、R2、R3是阻值相等的定值电阻,电表A为理想电流表,调节滑片P可以改变原线圈匝数。初始时,开关K处于断开状态,下列说法正确的是
A. 只把滑片P向上滑动,电流表示数将增大
B. 只把滑片P向下滑动,电阻R1消耗的功率将增大
C. 只闭合开关K,电阻R2消耗的功率将增大
D. 只闭合开关K,电流表示数将变大
19. 下面是有关地球和月球的一些信息:(1)月球轨道半径约为地球半径的60倍;(2)月球密度约为地球密度的;(3)月球半径约为地球半径的。地球和月球均可视为质量均匀分布的球体且忽略自转,根据以上信息可得
A. 月球表面的重力加速度约为地球表面重力加速度的
B. 月球表面的重力加速度约为地球表面重力加速度的
C. 月球绕地球运行的加速度约为地球表面重力加速度的
D. 月球绕地球运行的速率约为第一宇宙速度的
20. 如图所示,质量为m的托盘P(包括框架)悬挂在轻质弹簧的下端处于静止状态,托盘的上表面水平。t=0时刻,将质量也为m的物块Q轻轻放到托盘上,t1时刻P、Q速度第一次达到最大,t2时刻,P、Q第一次下降到最低点,下列说法正确的是
A. Q刚放上P瞬间它们的加速度大小为
B. 0~t1时间内弹簧弹力的冲量大于2mgt1
C. 0~t1时间内P对Q的支持力不断增大
D. 0~t2时间内P、Q的重力势能和弹簧弹性势能的总和不断减小
21. 如图所示,半径为R的光滑绝缘圆环固定于竖直平面內,a为圆环的最低点,c为圆环的最高点,b点与圆心O等高,该空间存在与圆环平面平行的匀强电场。质量为m、带电量为+q的小球P套在圆环上,沿环做圆周运动,通过a、b、c三点时的速度大小分别为、、。下列说法正确的是
A. 匀强电场方向水平向右
B. 匀强电场场强大小为
C. 小球运动过程中对圆环的最大压力为7.5mg
D. 小球运动过程中对圆环的最小压力为1.25mg
22. (6分)
某实验小组测量重力加速度的实验装置,如图所示,图中D为铁架台,E为固定在铁架台上的定滑轮(质量和摩擦可忽略), F为光电门,C为固定在重物上的宽度为d=0.48cm的遮光条(质量不计)。让质量为3.0kg的重物A拉着质量为1.0kg的物块B从静止开始下落。某次实验,测得A静止时遮光条到光电门的距离h=60.0cm,测出遮光条C经过光电门的时间,根据以上数据,可得该次实验重物A经过光电门的速度为 m/s, 重力加速度为 m/s2(计算结果均保留两位有效数字)。本次实验重力加速度的测量值比实际值 (填偏小、偏大成不变)。
23. (9分)
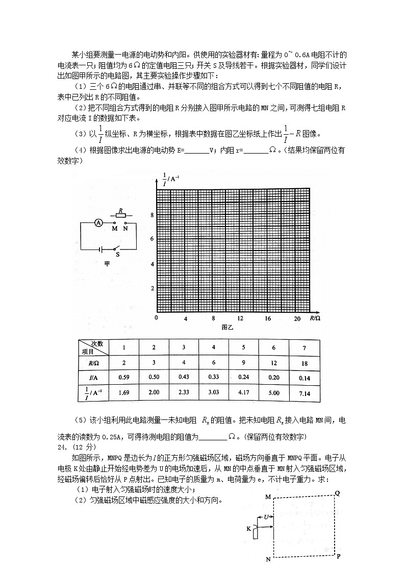
某小组要测量一电源的电动势和内阳。供使用的实验器材有:量程为0~ 0.6A电阻不计的电流表一只;阻值均为6的定值电阻三只;开关S及导线若干。根据实验器材,同学们设计出如图甲所示的电路图,其主要实验操作步骤如下:
(1)三个6的电阻通过串、并联等不同的组合方式可以得到七个不同阻值的电阻R,表中已列出R的不同阻值。
(2)把不同组合方式得到的电阻R分别接入图甲所示电路的MN之间,可测得七组电阻R对应电流I的数据如下表。
(3)以纵坐标、R为横坐标,根据表中数据在图乙坐标纸上作出图像。
(4)根据图像求出电源的电动势E= V;内阻r= 。(结果均保留两位有效数字)
(5)该小组利用此电路测量一未知电阻 的阻值。把未知电阻接入电路MN间,电流表的读数为0.25A,可得待测电阻的阻值为 。(保留两位有效数字)
24. (12 分)
如图所示,MNPQ是边长为的正方形匀强磁场区域,磁场方向垂直于MNPQ平面。电子从电极K处由静止开始经电势差为U的电场加速后,从MN的中点垂直于MN射入匀强磁场区域,经磁场偏转后恰好从P点射出。已知电子的质量为m、电荷量为e,不计电子重力。求:
(1)电子射入匀强磁场时的速度大小;
(2)匀强磁场区域中磁感应强度的大小和方向。
25. (20 分)
如图所示,半径为的光滑圆弧轨道,与半径为的半圆光滑空心管轨道平滑连接并固定在竖直面内,粗糙水平地面上紧靠管口有一长度为L=2.5m、质量为M=0.1 kg的静止木板,木板上表面正好与管口底部相切,处在同-水平线上。质量为m2= 0.05 kg的物块静止于B处,质量为m1=0.15kg的物块从光滑圆弧轨道项部的A处由静止释放,物块m1下滑至B处和m2碰撞后合为一个整体。两物块一起从空心管底部C处滑上木板,两物块恰好没从木板左端滑下。物块与木板之间的动摩擦因素μ=0.3,两物块均可视为质点,空心管粗细不计,重力加速度取g=10m/s2。求:
(1)物块m1滑到圆弧轨道底端B处未与物块m2碰撞前瞬间受到的支持力大小;
(2)物块m1和m2碰撞过程中损失的机械能;
(3)木板在地面上滑行的距高。
33. [物理—选修3-3] (15分)
(1)(5分)下列说法正确的是 。(填正确答案标号。 选对1个得2分,选对2个得4分,选对3个得5分。每选错1个扣3分,最低得分为0分)
A. 一定质量的理想气体,压强变小时,分子间的平均距离可能变小
B. 晶体的物理性质表现为各向异性,是由于组成晶体的微粒在空间排列不规则
C. 物体内能改变时,其温度一定变化
D. 机械能可通过做功全部转化为内能,但内能一定不能通过做功全部转化为机械能而不引起其它的变化
- 将0.05mL浓度为0.02%的油酸酒精溶液滴入水中,测得油膜面积为20cm2,则可测得
油酸分子的直径为5×10-9m
(2)(10分)如图所示,导热良好的细直玻璃管内用长度为10cm的水银封闭了一段空气柱(可视为理想气体),水银柱可沿玻璃管无摩擦滑动。现使水银柱随玻璃管共同沿倾角为30°的光滑斜面下滑,两者保持相对静止时,空气柱长度为8cm。某时刻玻璃管突然停止运动,一段时间后水银柱静止,此过程中环境温度恒为300K,整个过程水银未从收璃管口溢出。已知大气压强为P0=75cm水银柱高。求:
Ⅰ、水银柱静止后的空气柱长度;
Ⅱ、水银柱静止后缓慢加热气体,直到空气柱长度变回8cm,求此时气体的温度。
34. [物理—选修3-4] (15分)
(1)(5分)下列说法中正确的是 。(填正确答案标号。 选对1个得2分,选对2个得4分,选对3个得5分。每选错1个扣3分,最低得分为0分)
A. 物体做受迫振动,驱动力频率越高,物体振幅越大
B. 机械波从一种介质进入另一种介质传播时,其频率保持不变
C. 质点做简谐运动,在半个周期的时间内,合外力对其做功一定为零
D. 用单摆测重力加速度的实验时,在几个体积相同的小球中,应选择质量大的小球
E. 交通警察向远离警车的车辆发送频率为的超声波,测得返回警车的超声波频率为,则
(2)(10分)如图所示,等腰三角形ABC为一透明材料做成的三棱镜的横截面示意图,,AC边长为,M、N分别为AC、BC的中点。一平行AB的细光束从M点射入棱镜,经AB面反射一次后从N点射出,光在真空中的传播速度用表示,求光在透明材料内传播所用的时间。

