四川省泸县第四中学2020届高三下学期高考适应性考试理综-物理试题
展开14.下列说法正确的是
A. 氢原子的核外电子从低能级跃迁到高能级时,吸收光子,电子的轨道半径增大
B. 是核裂変方程,当铀块体积大于临界体积时,才能发生链式反应
C. 从金属表面逸出的光电子的最大初动能与照射光的强度无关,与照射光的频率成正比
D. 射线是高速运动的氦原子核,能够穿透几厘米厚的铅板
15.从离水平地面高H处以速度v0水平抛出一个小球A,同时在其正下方地面上斜抛另一个小球B,两球同时落到地面上同一位置,小球B在最高点时,距地面的高度为h,速度为v,则以下关系正确的是
A. h=H, v=v0 B. h= C. h= D. h=
16.物体的运动情况或所受合外力的情况如图所示,四幅图的图线都是直线,从图中可以判断这四个质量一定的物体的某些运动特征。下列说法正确的是
A. 甲物体受到不为零且恒定的合外力 B. 乙物体受到的合外力越来越大
C. 丙物体受到的合外力为零 D. 丁物体的加速度越来越大
17.如图所示,在光滑水平面上,用弹簧水平连接一斜面,弹簧的另一端固定在墙上,一玩具遥控小车放在斜面上,系统静止不动.用遥控器启动小车,小车沿斜面加速上升,则
A.系统静止时弹簧被压缩 B.小车加速时弹簧处于原长
C.小车加速时弹簧被压缩 D.小车加速时可将弹簧换成细绳
18.2019年1月3日,嫦娥四号探测器登陆月球,实现人类探测器首次月球背面软着陆。为给嫦娥四号探测器提供通信支持,我国早在2018年5月21日就成功发射嫦娥四号中继卫星——鹊桥号,如图所示。鹊桥号一边绕拉格朗日点L2点做圆周运动,一边随月球同步绕地球做圆周运动,且其绕点的半径远小于点与地球间距离。(已知位于地、月拉格朗日L1、L2点处的小物体能够在地、月的引力作用下,几乎不消耗燃料,便可与月球同步绕地球做圆周运动)则下列说法正确的是
A. “鹊桥号”的发射速度大于11.2km/s
B. “鹊桥号”绕地球运动的周期约等于月球绕地球运动的周期
C. 同一卫星在L2点受地月引力的合力与在L1点受地月引力的合力相等
D. 若技术允许,使“鹊桥号”刚好位于拉格朗日L2点,能够更好地为嫦娥四号探测器提供通信支持
19.一含有理想变压器的电路如图甲所示,图中理想变压器原、副线圈匝数之比为2:1,电阻R1和R2的阻值分别为3Ω和1Ω,电流表、电压表都是理想交流电表,a、b输入端输入的电流如图乙所示,下列说法正确的是
A. 电流表的示数为 B. 电压表的示数为
C. 0~0.04s内,电阻R1产生的焦耳热为0.24J D. 0.03s时,通过电阻R1的电流为
20.如图所示,表面光滑的斜面固定在水平地面,顶端安装有定滑轮,小物块A、B通过绕过定滑轮的绝缘轻绳连接,轻绳平行于斜面,空间有平行于斜面向下的匀强电场。开始时,带正电的小物块A在斜面底端,在外力作用下静止,B离地面一定高度,撤去外力,B竖直向下运动。B不带电,不计滑轮摩擦。则从A和B开始运动到B着地的过程中
A. A的电势能增加
B. A和B系统的机械能守恒
C. A和B系统减少的重力势能等于A增加的电势能
D. 轻绳拉力对A做的功大于A的电势能增加量和动能增加量之和
21.在倾角为θ足够长的光滑斜面上,存在着两个磁感应强度大小相等的匀强磁场,磁场方向一个垂直斜面向上,另一个垂直斜面向下,宽度均为L,如图所示.一个质量为m、电阻为R、边长也为L的正方形线框,在t=0时刻以速度v0进入磁场,恰好做匀速直线运动,若经过时间t0,线框ab边到达gg′与ff′中间位置时,线框又恰好做匀速运动,则下列说法正确的是
A. 当ab边刚越过ff′时,线框加速度的大小为gsin θ
B. t0时刻线框匀速运动的速度为
C. t0时间内线框中产生的焦耳热为
D. 离开磁场的过程中线框将做匀速直线运动
第II卷 非选择题(174分)
三、非选择题:共174分。第22~32题为必考题,每个试题考生都必须作答。第33~38题为选题,考生根据要求作答。
(一)必考题(共129分)
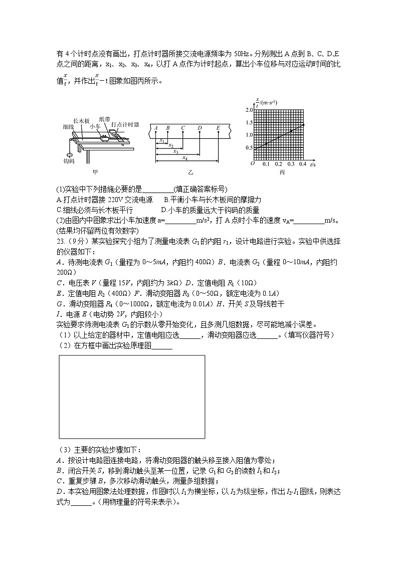
22.(6分)某冋学利用如图甲所示装置研究匀变速直线运动规律。某次实验通过电磁打点计时器打出纸带的一部分如图乙所示,图中A、B、C、D、E为相邻的计数点,每两个相邻计数点间有4个计时点没有画出,打点计时器所接交流电源频率为50Hz。分别测出A点到B、C、D、E点之间的距离,x1、x2、x3、x4,以打A点作为计时起点,算出小车位移与对应运动时间的比值,并作出-t图象如图丙所示。
(1)实验中下列措施必要的是_________(填正确答案标号)
A.打点计时器接220V交流电源 B.平衡小车与长木板间的摩擦力
C.细线必须与长木板平行 D.小车的质量远大于钩码的质量
(2)由图内中图象求出小车加速度a=_________m/s2,打A点时小车的速度vA=_________m/s。(结果均伓留两位有效数字)
23.(9分)某实验探究小组为了测量电流表G1的内阻r1,设计电路进行实验。实验中供选择的仪器如下:
A.待测电流表G1(量程为0~5mA,内阻约400Ω)B.电流表G2(量程0~10mA,内阻约200Ω)
C.电压表V(量程15V,内阻约为3kΩ)D.定值电阻R1(10Ω)
E.定值电阻R2(400Ω)F.滑动变阻器R3(0~50Ω,额定电流为0.1A)
G.滑动变阻器R4(0~1000Ω,额定电流为0.01A)H.开关S及导线若干
I.电源E(电动势2V,内阻较小)
实验要求待测电流表G1的示数从零开始变化,且多测几组数据,尽可能地减小误差。
(1)以上给定的器材中,定值电阻应选______,滑动变阻器应选______。(填写仪器符号)
(2)在方框中画出实验原理图______
(3)主要的实验步骤如下:
A.按设计电路图连接电路,将滑动变阻器的触头移至接入阻值为零处;
B.闭合开关S,移到滑动触头至某一位置,记录G1和G2的读数I1和I2;
C.重复步骒B,多次移动滑动触头,测量多组数据;
D.本实验用图象法处理数据,作图时以I1为横坐标,以I2为纵坐标,作出I2-I1图线,则表达式为______。(用物理量的符号来表示)。
(4)根据图线的斜率k及定值电阻,写出待测电流表内阻的表达式r1=______。(用k和定值电阻的符号来表示)。
24.(12分)如图所示两个半径分别为RA=1m、RB=2m的金属圆环处在竖直向下、磁感应强度B1=1T的环形匀强磁场中,一根长L=2m、阻值为2Ω的均匀金属棒OB跨放在两金属圆环上,且O点位于两环的圆心处。另有两根间距l=1m、足够长的“L”形光滑金属导轨与水平面成θ=30°角倾斜放置,在导轨下端的挡板上,静放着一根长l=lm、质量m=0.1kg、阻值R=1Ω的金属棒CD,倾斜导轨的上端通过两根导线分别与A、B两环相连,两导轨处在与导轨平面垂直斜向上、B2=1T的匀强磁场中,除两根金属样的电阻外,其余电阻均不计。t=0时金属OB在外作用下以角速度ω=2rad/s绕O点逆时针匀速转动,t=2s时金属棒CD刚好达到最大速度,若取g=10m/s2。
(1)求金属棒CD达到的最大速度;
(2)若t=2s时,因故障金属棒OB停止转动,金属棒CD继续上滑,现测得金属棒CD由t=0时刻至上滑到最高点的过程中通过的电量为1.3C,求故障后金属棒CD在上滑过程中产生的焦耳热。
25.(20分)如图所示,绝缘轨道MNPQ位于同一竖直面内,其中MN段是长度为L的水平轨道,PQ段为足够长的光滑竖直轨道,NP段为光滑的四分之一圆弧,圆心为O,直线NN′右侧有方向水平向左的电场(图中未画出),电场强度E=,在包含圆弧轨道NP的ONO′P区域内有方向垂直纸面向外、磁感应强度为B的匀强磁场(边界处无磁场).轨道MN最左端M点处静止一质量为m、电荷量为q的带负电的物块A,一质量为3m为物块C从左侧的光滑轨道上以速度v0撞向物块A.A、C之间只发生一次弹性碰撞,且最终刚好挨在一起停在轨道MN上,A、C均可视为质点,且与轨道MN的动摩擦因数相同,重力加速度为g.A在运动过程中所带电荷量保持不变且始终没有脱离轨道.A第一次到达N点时,对轨道的压力为2mg.求:
(1)碰撞后A、C的速度大小;
(2)A、C与水平轨道MN的动摩擦因数μ;
(3)A对轨道NP的最大压力的大小.
33.如图为充气泵气室的工作原理图。气室通过阀S1、S2与空气导管相连接。以下选项中正确的是(5分)
A. 当橡皮碗迅速向右时,S1关闭,S2开通
B. 当橡皮碗迅速向左时,S1关闭,S2开通
C. 当橡皮碗迅速向左时,气室内空气温度升高
D. 当橡皮碗迅速向右时,气室内空气分子的平均动能减小
E. 用此充气泵给气球充气时,要将上空气导管与气球相连接
33(2)(10分).如图所示为一种测量粉末状物质实际体积的装置,其中A容器的容积为VA=300cm3,k是连通大气的阀门,C为一水银槽,通过橡皮管与容器B相通,连通A、B的管道很细,其容积可忽略。下面是测量某种粉末体积的操作过程:①打开K,移动C,使B中水银面降低到与标记M相平;②关闭K,缓慢提升C,使B中水银面升到与标记N相平,量出C的水银面比标记N高h1=25cm;③打开K,装入待测粉末,移动C,使B内水银面降到M标记处;④关闭K,提升C,使B内水银面升到与N标记相平,量出C中水银面比标记N高h2=75cm;⑤从气压计上读得当时大气压为p0=75cmHg.试根据以上数据求:
(i)标记M、N之间B容器体积;
(ii)A中待测粉末的实际体积(设整个过程中温度不变)。
34.(1)下列说法中正确的是(5分)。
A. 对于同一障碍物,波长越长的光衍射现象越明显
B. 白光通过三棱镜在屏上出现彩色条纹是光的干涉现象
C. 红光由空气进入水中,波长变长,颜色不变
D. 用透明的标准样板和单色光检查平面的平整度是利用了光的干涉
E. 无论光源与观察者是否存在相对运动,观察者观测到的光速都是不变的
34(2)(10分).如图所示一半径为R、由透明介质制成的球体,左侧有一沿竖直方向且与球体相切的墙面,图中过圆心的水平线段为球体的直径,在该直径的最右侧S点沿不同的方向发射出两束光,其中射到A点的光经折射后垂直于墙面到达M点,而射到B点的光恰好在球体的表面发生全反射,∠OSA=30°.求:
(ⅰ)该透明介质的折射率;
(ⅱ)S点发出的光在传播过程中,经过SA与AM所用的时间的比值;
(ⅲ)B点到SO的距离.
物理答案
14-18:ADDDB 19.AC 20.AD 21.BC
22.C 5.0 0.40
23..R2 R3 I2=(1+)I1 (k-1)R2
24.(1)金属棒OB匀速转动时切割磁感线产生感应电动势
又,,故E=3V且A环电势高,
金属棒OB切割磁感线对金属棒CD供电,金属棒CD向上做加速运动有
由于金属棒CD切割磁感线也产生电动势,回路中的有效电阻为2R=2 故
当金属棒CD的加速度减小到0时有最大速度 代入数据解得:;
(2)金属棒CD加速上滑过程中由:
解得:
金属棒CD减速上滑过程中通过的电量为
由知金属棒CD沿导轨减速上滑的距离为
金属棒CD减速上滑过程中由能量守恒定律得:
代入数据解得:.
25.(1)A、C发生弹性碰撞,满足动量守恒和动能守恒,列式联立求解碰后A、C的速度;
(2)A在NN′右侧运动过程中,电场力和重力做功之和为0。根据动能定理列式求解A、C与水平轨道MN的动摩擦因数;
(3)将重力和电场力进行等效合成,找到A对轨道NP有最大压力的位置,根据动能定理求解此位置的速度,根据牛顿第二定律求解最大压力.
(1)A、C发生弹性碰撞后的速度分别为vA、vC,则有:
3mv0=mvA+3mvC①
=+②联立①②解得:③④
(2)设A、C最后静止时与M点的距离为l1,A在NN′右侧运动过程中,电场力和重力做功之和为0。有
μmg(2L-l1)=⑤ μ∙3mgl1=⑥ 联立解得③④⑤⑥μ⑦
(3)设A在N点的速度为,A从M到N的过程中,由动能定理得
⑧ 设圆弧NP的半径为a
因为A在N点时对轨道的压力为2mg,⑨
A在NN′右侧受到的电场力F=qE=mg⑩
重力和电场力的合力大小为F合=2mg,方向与OP夹角为。过O点沿合力方向作直线与圆弧相交于K点,当A经P点返回N点的过程中到达K点时,达到最大速度,此时A对轨道的压力最大。
A从M点到K点过程中,由动能定理可得:
⑪
返回K点时:FN-F合-⑫
由③⑦⑧⑨⑩⑪⑫得:FN
由牛顿第三定律得A对轨道NP的最大压力为:
33.BCD
33.(2)(i)设标记M、N之间B容器体积为VB ,以容器A、B中气体为研究对象。
初态时,P1=P0 , V1=VA+VB
关闭K,缓慢提升C后,P2=(75+ h1)cmHg, V2=VA
整个过程温度保持不变,根据玻意耳定律得P1V1=P2V2解得VB=100 cm3
(ii)设A容器中待测粉末的实际体积为V,
初态时,P3=P0,V3=VA+VB-V
关闭K,缓慢提升C后,P4=(75+ h2)cmHg, V4= VA-V
根据玻意耳定律得P3V3=P4V4, 解得V=200 cm3
- ADE
34(2).(1)已知,由几何关系知光在A点的入射角,折射角
则该透明介质的折射率
(2)光在球体中的传播速度
光由S点传到A点的时间
光由A点传到M点的时间 解得
(3)由题意可知临界角,又,则
B点到SO的距离

