四川省宜宾市第四中学2020届高三物理三诊模拟考试试题
展开四川省宜宾市第四中学2020届高三物理三诊模拟考试试题
14.在光电效应实验中,某实验小组用同种频率的单色光,先后照射锌和银的表面,都能产生光电效应。对这两个过程,下列四个物理量中,可能相同的是
A.饱和光电流 B.遏止电压 C.光电子的最大初动能 D.逸出功
15.一质点做匀加速直线运动时,速度变化时发生位移,紧接着速度变化同样的时发生位移,则该质点的加速度为
A. B. C. D.
16.如图,在固定斜面上的一物块受到一外力F的作用,F平行于斜面向上。若要物块在斜面上保持静止,F的取值应有一定的范围,已知其最大值和最小值分别为F1和F2(F1和F2的方向均沿斜面向上)。由此可求出物块与斜面间的最大静摩擦力为
A. B. C. D.
17.如图所示,一理想变压器的原副线圈匝数分别为n1和n2,原线圈输入电压保持不变,副线圈输出端通过开关S接电阻R1和滑动变阻器R,电流表为理想电表,下列说法正确的是
A.若S断开,则副线圈输出端电压为零
B.若S闭合,滑动片P向上滑动,则两电流表示数都变小
C.若S闭合,滑动片P向上滑动,则电流表A1示数变大,A2示数变小
D.若S闭合,滑动片P向上滑动,则电流表A1示数不变,A2示数变小
18.如图甲所示,倾角θ=30°的足够长固定光滑斜面上,用平行于斜面的轻弹簧拉着质量m=1 kg的物体沿斜面向上运动。已知物体在t=1 s到t=3 s这段时间的v-t图象如图乙所示,弹簧的劲度系数k=200 N/m,重力加速度g取10 m/s2。则在该段时间内
A.物体的加速度大小为2 m/s2 B.弹簧的伸长量为3 cm
C.弹簧的弹力做功为30 J D.物体的重力势能增加36 J
19.如图所示,电路中R1和R2均为可变电阻,平行板电容器C的极板水平放置。闭合开关S,电路达到稳定时,一带电油滴恰好悬浮在两板之间。下列说法正确的是
A.仅增大的R2阻值,油滴仍然静止 B.仅增大R1的阻值,油滴向上运动
C.增大两板间的距离,油滴仍然静止 D.断开开关S,油滴将向下运动
20.如图所示,在光滑绝缘水平面上,A、B和C为等边三角形ABC的顶点,A、B固定正点电荷+Q,C固定负点电荷-Q,D、E是A、B连线上的两点,且AD=DE=EB。则
A.D点和E点的电场强度大小相等 B.D点和E点的电场强度方向相同
C.D点和E点的电势相等 D.将负电荷从D点移到E点,电势能增加
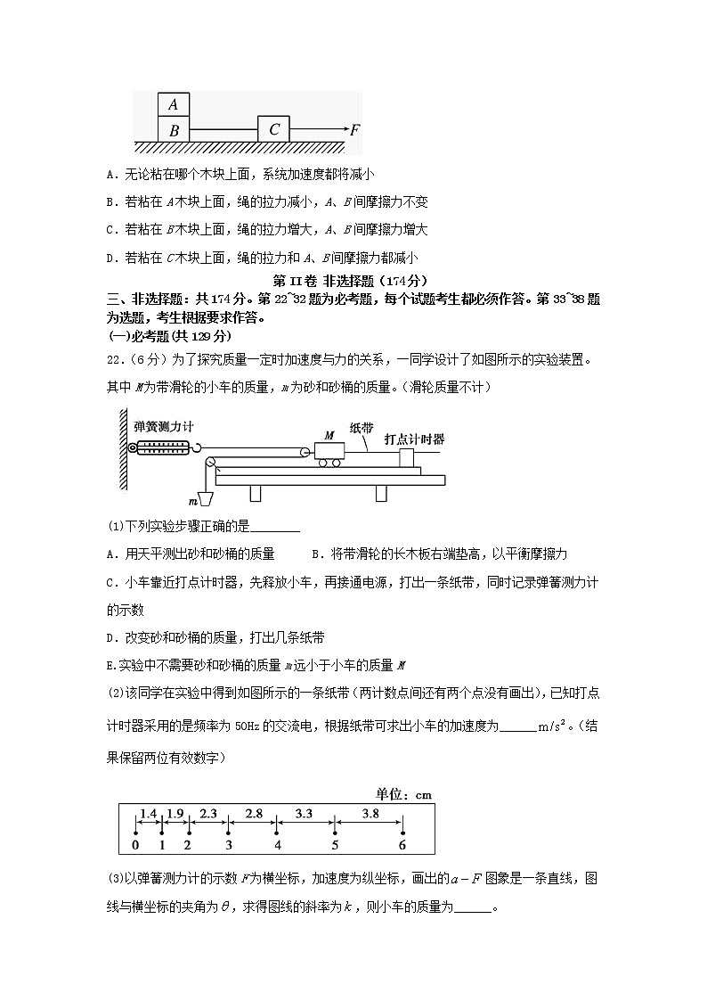
21.如图所示,粗糙的水平地面上有三块材料完全相同的木块A、B、C,质量均为m,B、C之间用轻质细绳连接.现用一水平恒力F作用在C上,三者开始一起做匀加速运动,运动过程中把一块橡皮泥粘在某一块上面,系统仍加速运动,且始终没有相对滑动.则在粘上橡皮泥并达到稳定后,下列说法正确的是
A.无论粘在哪个木块上面,系统加速度都将减小
B.若粘在A木块上面,绳的拉力减小,A、B间摩擦力不变
C.若粘在B木块上面,绳的拉力增大,A、B间摩擦力增大
D.若粘在C木块上面,绳的拉力和A、B间摩擦力都减小
第II卷 非选择题(174分)
三、非选择题:共174分。第22~32题为必考题,每个试题考生都必须作答。第33~38题为选题,考生根据要求作答。
(一)必考题(共129分)
22.(6分)为了探究质量一定时加速度与力的关系,一同学设计了如图所示的实验装置。其中M为带滑轮的小车的质量,m为砂和砂桶的质量。(滑轮质量不计)
(1)下列实验步骤正确的是________
A.用天平测出砂和砂桶的质量 B.将带滑轮的长木板右端垫高,以平衡摩擦力
C.小车靠近打点计时器,先释放小车,再接通电源,打出一条纸带,同时记录弹簧测力计的示数
D.改变砂和砂桶的质量,打出几条纸带
E.实验中不需要砂和砂桶的质量m远小于小车的质量M
(2)该同学在实验中得到如图所示的一条纸带(两计数点间还有两个点没有画出),已知打点计时器采用的是频率为50Hz的交流电,根据纸带可求出小车的加速度为______。(结果保留两位有效数字)
(3)以弹簧测力计的示数F为横坐标,加速度为纵坐标,画出的图象是一条直线,图线与横坐标的夹角为,求得图线的斜率为,则小车的质量为______。
A. B. C. D.
23.(9分)现有一电池,电动势E约为5V,内阻r 约为50Ω,允许通过的最大电流为50mA.为测定该电池的电动势和内阻,某同学利用如图甲所示的电路进行实验.图中R为电阻箱,阻值范围为0~999.9Ω,R.为定值电阻 V 为理想电压表.
(1)可供选用的R.有以下几种规格,本实验应选用的R.的规格为______ (填选项序号字母)
A.15Ω 1.0W B.50Ω 0.01W C.60Ω 1.0W D.1500Ω 6.0W
(2)按照图甲所示的电路图,在答题卡上将图乙所示的实物连接成实验电路________.
(3)连接好电路,闭合开关S,调节电阻箱的阻值,记录阻值R 和相应的电压表示数U,测得多组实验数据,并作出如图丙所示的1/U-1/R关系图像,则电动势E=____V,内阻r=____Ω.(结果均保留两位有效数字)
24.(12分)如图甲所示,水平台面AB与水平地面间的高度差,一质量的小钢球静止在台面右角B处。一小钢块在水平向右的推力F作用下从A点由静止开始做向右直线运动,力F的大小随时间变化的规律如图乙所示,当时立即撤去力F,此时钢块恰好与钢球发生弹性正碰,碰后钢块和钢球水平飞离台面,分别落到地面上的C点和D点。已知B、D两点间的水平距离是B、C两点间的水平距离的3倍,钢块与台面间的动摩擦因数,取。求:
(1)钢块的质量m1;
(2)B、C两点间的水平距离x1。
25.(20分)如图,AB是长L=lm的绝缘水平面,BD段为半径R=0.2m的绝缘光滑半圆轨道,两段轨道相切于B点,轨道AB处于在竖直向下的匀强电场中,场强大小E=4.0×102V/m. 一质量为m=2.0×10-2kg,所带电荷量q=+5.0×10-4C的小球,以v0=4.0m/s的速度从A点沿水平轨道向右运动,进入半圆轨道后, 恰能通过最高点D,g取10m/s2(小球可视为质点,整个运动过程无电荷转移),求:
(1)滑块通过D点时的速度大小;
(2)滑块在B点时,滑块对轨道压力大小;
(3)轨道AB与小球的动摩擦因数.
33.(i)如图所示,将甲分子固定于坐标原点O处,乙分子放置于r轴上距离O点很远的r4处,r1、r2、r3为r轴上的三个特殊的位置,甲、乙两分子间的分子力F和分子势能Ep随两分子间距离r的变化关系分别如图中两条曲线所示,设两分子间距离很远时,Ep=0。现把乙分子从r4处由静止释放,下列说法中正确的是(5分)
A.虚线1为Ep-r图线、实线2为F-r图线
B.当分子间距离r<r2时,甲乙两分子间只有分子斥力,且分子斥力随r减小而增大
C.乙分子从r4到r2做加速度先增大后减小的加速运动,从r2到r1做加速度增大的减速运动
D.乙分子从r4到r1的过程中,分子势能先增大后减小,在r1位置时分子势能最小
E.乙分子的运动范围为r4≥r≥r1
(ii).(10分)如图所示,竖直放置的均匀细U型试管,左侧管长30cm,右管足够长且管口开口,底管长度AB=20cm,初始时左右两管水银面等高,且水银柱高为10cm,左管内被水银封闭的空气柱气体温度为27℃,已知大气压强为75cmHg.
①现对左侧封闭气体加热,直至两侧水银面形成5cm长的高度差.则此时气体的温度为多少摄氏度?
②若封闭的空气柱气体温度为27℃不变,使U型管竖直面内沿水平方向做匀加速直线运动,则当左管的水银恰好全部进入AB管内时,加速度为多少?
34.(i)如图所示为一列沿轴正方向传播的简谐横波时刻波形图,该时刻点开始振动,再过,点开始振动。下列判断正确的是(5分)
A.波的传播速度
B.质点的振动方程
C.质点相位相差是
D.时刻,处质点在波峰
E.时刻,质点与各自平衡位置的距离相等
(ii).(10分)如图所示,为折射率的扇形玻璃砖截面,一束单色光照射到面上的点,在点折射后的光线平行于。已知点是的中点,点是延长线上一点,°。
①求入射光在点的入射角;
②通过计算判断光射到弧能否从弧射出。
物理参考答案
14.A 15.D 16.C 17.B 18.B 19.ABD 20.AC 21.AD
22.BDE 1.3 C
23.C 5.0 53
24.(1)设碰前钢块的速度大小为v,碰后,钢块、钢球的速度大小分别为和,钢块、钢球均做平抛运动,根据水平位移关系可知:
钢块与钢球发生弹性正碰,由动量守恒可知:
由机械能守恒可知: 联立解得:
(2)根据图乙图像,图线与t轴所包围的面积表示冲量,则时间内,推力冲量大小为
根据动量定理: 解得:
在根据第一问碰撞过程,可以求得: 碰撞后,钢块做平抛运动,则:
解得:
25.(1)由题可知,小球恰能通过最高点D,此时重力提供向心力,则由向心力公式:
解得:
(2)从B到D由动能定理可知:解得:
在B点,由重力和支持力的合力提供向心力,则有:解得:
所以轨道对小球的支持力为1.2N。
(3)由题可知,小球在AB段做匀减速运动,由受力分析可知:
解得:
33.(1)ACE
(2)(1)p2=p0+ρgh=80 cmHg L2=L1+=32.5cm
从状态1到状态2由理想气体状态方程代入数据
得T2=360K 即t2=87℃
(2)当水银全部进入AB管内时,气体的压强
此时对AB部分水银,根据牛顿定律: 解得a=0.8g
34.(1)ACE
(2)①光在介质中传播的光路图如图所示:
设入射光在C点的入射角为i,折射角为r,由于在C点折射后的光线平行于OB,所以∠OCP=∠AOD=60°,r=30°,根据折射定律有:
代入数据解得:i=60°;
②在C点折射后的光线射到AB弧上P点,连接O、P,OP是法线,过O点做CP的垂线交CP于Q,则折射光线在AB弧的入射角为i1,玻璃砖临界角为C,扇形半径为L,则:,
根据几何知识有∠COQ=30°,LOQ=LOC•cos∠COQ=根据
可得:,则:i1<C,所以光射到AB弧能从AB弧射出。

