2018年安徽省中考化学试卷
展开2018年安徽省初中学业水平考试
化 学
可能用到的相对原子质量:H—1 C—12 N—14 O—16 Na—23 S—32 Cl—35.5
Ca—40 Ba—137
一、本大题包括10小题,每小题2分,共20分。每小题的4个选项中只有1个符合题意。
1.陶瓷是中华民族在人类科技史上的伟大发明。下列陶瓷制作工艺中发生化学变化的是( )
2.为建设天蓝地绿水净的美丽中国,下列做法不合理的是( )
A.寻找新能源减少使用化石燃料
B.施用大量农药减少植物病虫害
C.使用新型洗涤剂减少氮磷排放
D.研发易降解材料减少白色污染
3.硼是作物生长必需的微量营养元素,硼元素的相关信息如图所示。下列有关硼的说法正确的是( )
A.相对原子质量是10.81 g
B.属于金属元素
C.原子的核电荷数为5
D.原子核外有6个电子
4.实验室可通过加热高锰酸钾固体制取氧气,下列实验操作正确的是( )
A组装好装置后,检查装置气密性
B.加入药品后,直接将酒精灯火焰对准药品加热
C水槽中有气泡冒出时,立即收集气体
- 实验结束时,先移走酒精灯再从水槽移出导管
5.化学与人类健康密切相关。下列说法正确的是( )
A硬水经过滤后可软化
B.食用碘盐可预防骨质疏松
C霉变大米经淘洗后可食用
D.控制油脂摄入可减少肥胖的发生
6.归纳法是学习化学的重要方法之一,下列图示正确的是( )
7.科学家研制出一种代号为DEPA的安全驱蚊剂,其化学式为C12H17NO。下列有关该物质的说法正确的是( )
A.属于无机物
B.碳、氢元素的质量比为12∶17
C.由4种元素组成
D.由31个原子构成
8.为实现二氧化碳的绿色利用,科学家用固碳酶作催化剂设计了如下转化过程。下列说法正确的是( )
A.反应①的化学方程式为CO2+CCO
B.固碳酶在反应前后化学性质发生变化
C.X的化学式为CH2
D.该过程实现了无机物向有机物的转化
9.对比实验是实验探究的重要方法,下列对比实验设计能实现相应实验目的的是( )
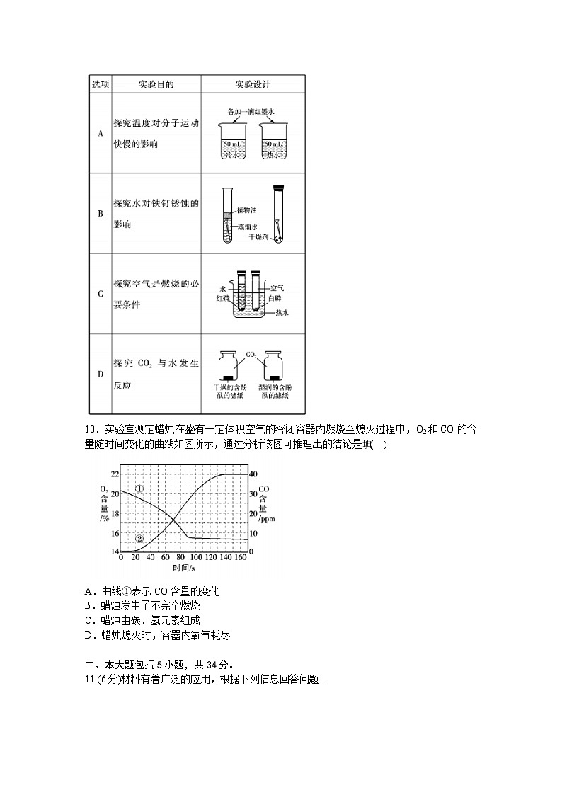
10.实验室测定蜡烛在盛有一定体积空气的密闭容器内燃烧至熄灭过程中,O2和CO的含量随时间变化的曲线如图所示,通过分析该图可推理出的结论是( )
A.曲线①表示CO含量的变化
B.蜡烛发生了不完全燃烧
C.蜡烛由碳、氢元素组成
D.蜡烛熄灭时,容器内氧气耗尽
二、本大题包括5小题,共34分。
11.(6分)材料有着广泛的应用,根据下列信息回答问题。
(1)上述材料中属于有机合成材料的是 ;属于合金的是 。
(2)纳米铁粉能吸附废水中的某些污染物,吸附后经沉降、 (填操作名称)可去除污染物。下列物质也能因吸附而具有净水作用的是 (填字母序号)。
a.生石灰 b.活性炭 c.纯碱
(3)纳米铁粉还能去除废水中的重金属离子(如铜离子),写出铁粉与含硫酸铜的废水反应的化学方程式 。
12.(7分)下图是实验室中常见装置,回答下列问题。
查阅资料:常温下,CO2难溶于饱和NaHCO3溶液。
(1)仪器X的名称是 。
(2)实验室制取CO2应选用的发生装置是 (填字母序号),反应的化学方程式是 ,该反应属于 (填基本反应类型)。
(3)常温下,下列收集CO2的方法中不可行的是 (填字母序号)。
a.向上排空气法
b.向下排空气法
c.排饱和NaHCO3溶液法
(4)某同学进行图D所示的操作时,观察到高的蜡烛先熄灭,其原因可能是 。
13.(6分)废旧电路板中主要含有塑料、铜和锡(Sn)等,为实现对其中锡的绿色回收,某工艺流程如下。
已知:Sn+SnCl4==2SnCl2
(1)SnCl4中锡元素的化合价是 。
(2)铜的金属活动性比锡的 (填“强”或“弱”),固体A中一定含有的金属元素是 。
(3)写出步骤②发生反应的化学方程式 。
(4)相比于直接焚烧废旧电路板回收金属,该工艺的主要优点是 (回答一点即可)。
14.(7分)“蓝瓶子”实验是一个有趣的化学振荡实验:盛有氢氧化钠、葡萄糖、亚甲蓝
(C16H18N3SCl)混合液的试管,经振荡、静置会出现溶液颜色反复变化(如图1)。某兴趣小组开展如下探究,回答下列问题。
(1)混合液中属于人类基本营养物质的有水和 。
(2)小明对振荡后溶液变蓝的原因进行如下猜想:①溶液中溶入CO2;②溶液中溶入O2;③溶液中溶入 (填化学式)。
(3)小红利用图2装置,从A端吹入呼出的气体,混合液由无色变蓝色,由此 (填“能”或“不能”)得出猜想①正确,原因是 。
(4)为探究猜想②,利用图2装置设计实验方案: 。
15.(8分)某兴趣小组在相同条件下,将10.00 g下列物质分别置于相同规格的烧杯中,并敞口存放于空气中,烧杯中物质的质量随时间变化如下表,回答下列问题。
(1)下列图示能反映水在空气中放置时发生变化的微观示意图的是 (填字母序号)。
(2)石灰水在空气中久置后有浑浊现象,写出该反应的化学方程式 。
(3)为研制一种安全、环保的除湿剂,可选择上表中的 (填溶质的化学式)。
(4)将10.00 g氯化钠浓溶液敞口久置后,最终得到2.26 g 晶体,则该溶液是 (填“饱和”或“不饱和”)溶液。(已知该温度下氯化钠的溶解度为36.1 g)
(5)为进一步研究稀盐酸敞口久置后浓度的变化,该小组开展如下探究。
①甲同学猜想浓度可能会变大,理由是 。
②为验证甲同学的猜想是否正确,设计实验方案: 。
注意:若答对第(6)小题奖励4分,化学试卷总分不超过60分。
(6) 乙同学取20%的氢氧化钠溶液20.00 g,敞口放置一段时间后部分变质,得到18.80 g溶液,由此能否计算所得溶液中溶质组成?若能,请计算其组成;若不能,请补充完成实验方案设计,同时说明需要测定的数据(用a表示),并计算a的取值范围。(不要求写出计算过程)
三、本大题共6分。
16.(6分)尿素[CO(NH2)2]是一种常见的氮肥,工业上制备反应如下:
请计算:
(1)尿素中氮元素的质量分数。
(2)生产6 t尿素,理论上需要氨气的质量是多少?

