2020届中考物理一轮复习专题强化:光现象 练习题
展开光现象
考点一:光的反射
1.小明想利用一块平面镜使射向井口的太阳光竖直射入井中,如图所示,图中的数字序号表示的是确定平面镜位置时作图的先后次序,其中作图过程正确的是( )
2.生活中一些光现象:①阳光下树的影子②水面波光粼粼③交警身上穿的警用背心在灯光照射下很亮④站在岸边能看到水里的鱼。其中能用光的反射知识解释的是_____(填序号)。
3.一些大厦的外部安装了平板玻璃幕墙,人们可以通过它看到自己清晰的 (选填“虚”或“实”)像。人靠近幕墙时像的大小 (选填“变大”、“小”或“不变”)。我国已经对玻璃幕墙的安装制定了限制性法规,因为玻璃幕墙会发生 (选填“镜面”或“漫”)反射,造成光污染。
4.如图所示是一种称为“角反射器” 的光学装置, 有一束激光沿a、b方向入射到平面镜S1上。试在图中作出经平面镜S1、S2反射后的光路(保留必要的作图痕迹)。
5.为了“探究光反射时的规律”,实验小组的同学选用了平面镜、纸板、激光器和几种不同颜色的笔,依据教材设计了如图所示的实验。
(1)实验中还需要的器材是_____。
(2)实验中为了使光线能在纸板上显示出来,方便实验研究,你该采取的操作是__。
A.向纸板喷烟或雾B.使光束垂直纸板射到O点C.使光束贴着纸板射到O点
(3)改变光束入射的角度,多做几次,换用不同颜色的笔记录每次光的径迹。取下纸板,测量ON两侧的∠i和∠r,将数据记录在上表中,根据数据得出的结论是____________;
(4)若将一束光贴着纸板沿FO方向射到O点,光将沿图中的OE方向射出,因为在反射现象中,_______。
考点二:光的直线传播
1.中国的诗词歌赋蕴含丰富的光学知识,下列说法正确的是( )
A.“明月几时有?把酒问青天”,酒中明月倒影是光的折射
B.“起舞弄清影,何似在人间”,影子的形成是由于光沿直线传播
C.“人有悲欢离合,月有阴晴圆缺”,阴晴圆缺的月亮是自然光源
D.“但愿人长久,千里共婵娟”,共赏的天上明月是平面镜所成的像
2.下列关于光现象的说法正确的是( )
A.桥在水中的倒影是光的折射现象
B.影子的形成说明了光在均匀介质中沿直线传播
C.红外线最显著的性质是能使荧光物质发光
D.镜面反射遵循光的反射定律,漫反射不遵循光的反射定律
3.入夏后,江南进入多雨季节,应注意防汛防雷。下雨时常伴随着打雷和闪电发生,但我们总是先看到闪电后听到雷声,这说明光比声音传播的_____(选填“快”或“慢”)。
4.如图所示,把正在响铃的闹钟放在玻璃罩内,逐渐抽出其中的空气,声音会逐渐地变小,直至消失,说明声音________(选填“能”或“不能”)在真空中传播.同时一直能看到闹钟的秒针在不停地转动,说明光________(选填“能”或“不能”)在真空中传播.
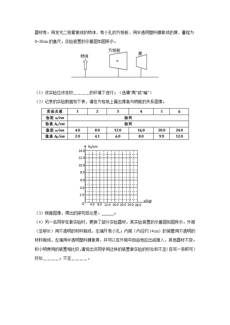
5.小明在探究“物距和物高一定时,物体经小孔所成像的高度和像距的关系”时,所用的实验器材有:用发光二极管做成的物体、有小孔的方纸板、用半透明塑料膜做成的屏、量程为0~30cm的直尺。实验装置的示意图如图所示。
(1)该实验应该在较____的环境下进行;(选填“亮”或“暗”)
(2)记录的实验数据如下表,请在方格纸上画出像高与物距的关系图像;
(3)根据图像,得出的探究结论是:______;
(4)另一名同学在做实验时,更换了部分实验器材,其实验装置的示意图如图所示。外筒(足够长)用不透明的材料制成,左端开有小孔;内筒(内径约14cm)的筒壁用不透明的材料制成,左端用半透明塑料膜做屏,并可以在外筒中自由地拉出或推入,其他器材不变。和小明使用的装置相比较,请说出该同学用这样的装置做实验的好处和不足(各写一条即可)好处____;不足____。
考点三:平面镜成像
1.如图是小明春游时在水边看到的美景,下图中能正确反映他看到水中“树木”的光路图是( )
2.“猴子捞月”的寓言故事说,猴子看到水中有个月亮,以为月亮掉水中了,大叫起来“不得了啦,不得了啦,月亮掉水里了!”。关于水中的月亮,以下说法正确的是( )
A.水中的月亮比天上的月亮小
B.水中出现月亮是光的折射现象
C.水中出现月亮是光的反射现象
D.水中月亮到水面的距离比天上月亮到水面的距离远
3.下列光现象与日食的形成原因不同的是( )
4.“小荷才露尖尖角,早有蜻蜓立上头”。现有一蜻蜓立于距水面0.6m处的荷尖上,池中水深2m,则蜻蜓在水中的像距水面( )
A.2m B.1.4m C.0.6m D.2.6m
5.如图所示,在研究平面镜成像的特点实验时,小明同学没有把薄玻璃板竖直放置.在水平桌面上,无论如何移动蜡烛B,发现( )
A.蜡烛A的像总是与蜡烛B完全重合
B.蜡烛A的像总偏向蜡烛B的上方
C.蜡烛A的像总偏向蜡烛B的下方
D.蜡烛A的像与蜡烛B的像总在同一水平面上
6.图中现象中属于光的反射的是( )
A.水中倒影 B.铅笔“折断” C.鸽子的影子 D.日食形成
7.人从平面镜内看到台钟钟面上的指针位置如图所示,则实际时间是( )
A.6:00 B.5:45 C.6:15 D.6:30
8.小华同学身高1.80m,家里装修时要在墙上安装一个竖直的平面镜,为了能从平面镜中看到自己的全身像,平面镜的最小长度应为( )
A.30cm B.60cm C.90cm D.120cm
9.小明从汽车的后视镜里看见驾驶员,此时驾驶员通过车内后视镜___(选填“一定”、“不一定”或“一定不”)能看见小明;小明在后视镜里看到的驾驶员的像是___(选填“虚”或“实”)像.
10.小红距离平面镜1m,她沿着垂直于镜面的方向以0.5m/s的速度远离平面镜,经过2s,她与镜中的像相距__m,镜中像的大小____(选填“变大”、“变小”或“不变”).
11.如图,面镜在各行各业中都有广泛的应用,利用____面镜制成的太阳灶可以用来会聚太阳光烧水;而牙医利用口腔内窥镜,可以看到牙齿在镜中所成的___像(填“实”或“虚”)
12.检查视力的时候,视力表放在被测者头部的后上方,被测者识别对面墙上镜子里的像(如图所示).视力表在镜中的像与被测者相距____m.
13.如图所示,A′B′是物体AB在平面镜中所成的像,根据平面镜成像的特点在图中画出平面镜(保留作图痕迹)。
14.如图所示,光源Q发出一束光经平面镜反射在墙上显示出一个光点。
(1)作出光源Q在平面镜中的像
(2)画出平面镜发射的光线并标出墙上光点的位置
15.如图所示,在某房间的天花板上装有平面镜M,S为一灯泡,P为不透明的墙,请画出灯泡发出的光经平面镜反射后,能够照亮P墙右侧区域的光路图.
16.小华用两个完全相同的棋子A和棋子B,在水平桌面上探究平面镜成像的特点,实验装置如图。
(1)无论怎样在桌面上移动棋子B,都无法使它与棋子A的像完全重合,出现这种情况的原因是___.排除问题后,移动棋子B,使它与棋子A的像完全重合,这样做的目的除了能确定棋子A经平面镜所成像的位置,同时还能比较___大小关系.
(2)用铅笔画出平面镜及棋子A和棋子B的位置,并画出棋子A和棋子B位置的连线,经测量发现:两棋子的连线与镜面___,两棋子到镜面的距离相等。
(3)移去棋子B,将一张白卡片竖直放在棋子B所在的位置,直接观察白卡片,观察白卡片上没有棋子A的像,说明棋子A经平面镜所成的是___像。
(4)用木板紧贴玻璃板背面,挡住玻璃板后的光,人眼在玻璃板前___(选填“能”或“不能”)看见棋子A的像。
考点四:光的色散 不可见光
1.如图所示,一束太阳光通过三棱镜后,下列说法正确的是( )
A.光仍按原来方向传播 B.光将向斜上方偏转
C.在光屏上呈现各种色光 D.光屏上只呈现红、绿、蓝三种色光
2如图所示,一束太阳光通过三梭镜折射后,被分解成七种颜色的光,在白色光屏上形成一条七彩光带,这个现象叫____________;如果在白色光屏前放置一块红色玻璃,我们在白屏上能看到____________;如果将白色光屏换成绿色纸板.我们能看到____________。
3.电视机的遥控器能发射一种不可见光,即___,以实现对电视的控制;对于流入市场的假币,人们常借助验钞机发出的___来辨别真伪;彩色电视机画面上的色彩是由红、___、蓝三种色光混合而成.
4.多媒体教室中的投影银幕是用粗糙的白布做成的,其一是利用光的____使教室里每位同学都能看到画面;其二是白布能反射____颜色的光,使同学们能看到色彩正常的画面.
参考答案
考点一:光的反射
1.小明想利用一块平面镜使射向井口的太阳光竖直射入井中,如图所示,图中的数字序号表示的是确定平面镜位置时作图的先后次序,其中作图过程正确的是( )
【答案】 B
2.生活中一些光现象:①阳光下树的影子②水面波光粼粼③交警身上穿的警用背心在灯光照射下很亮④站在岸边能看到水里的鱼。其中能用光的反射知识解释的是_____(填序号)。
【答案】②③
3.一些大厦的外部安装了平板玻璃幕墙,人们可以通过它看到自己清晰的 (选填“虚”或“实”)像。人靠近幕墙时像的大小 (选填“变大”、“小”或“不变”)。我国已经对玻璃幕墙的安装制定了限制性法规,因为玻璃幕墙会发生 (选填“镜面”或“漫”)反射,造成光污染。
【答案】虚像 不变 镜面
4.如图所示是一种称为“角反射器” 的光学装置, 有一束激光沿a、b方向入射到平面镜S1上。试在图中作出经平面镜S1、S2反射后的光路(保留必要的作图痕迹)。
【答案】
5.为了“探究光反射时的规律”,实验小组的同学选用了平面镜、纸板、激光器和几种不同颜色的笔,依据教材设计了如图所示的实验。
(1)实验中还需要的器材是_____。
(2)实验中为了使光线能在纸板上显示出来,方便实验研究,你该采取的操作是__。
A.向纸板喷烟或雾B.使光束垂直纸板射到O点C.使光束贴着纸板射到O点
(3)改变光束入射的角度,多做几次,换用不同颜色的笔记录每次光的径迹。取下纸板,测量ON两侧的∠i和∠r,将数据记录在上表中,根据数据得出的结论是____________;
(4)若将一束光贴着纸板沿FO方向射到O点,光将沿图中的OE方向射出,因为在反射现象中,_______。
【答案】(1)量角器(2)C(3)反射角等于入射角(4)光路可逆
考点二:光的直线传播
1.中国的诗词歌赋蕴含丰富的光学知识,下列说法正确的是( )
A.“明月几时有?把酒问青天”,酒中明月倒影是光的折射
B.“起舞弄清影,何似在人间”,影子的形成是由于光沿直线传播
C.“人有悲欢离合,月有阴晴圆缺”,阴晴圆缺的月亮是自然光源
D.“但愿人长久,千里共婵娟”,共赏的天上明月是平面镜所成的像
【答案】B
2.下列关于光现象的说法正确的是( )
A.桥在水中的倒影是光的折射现象
B.影子的形成说明了光在均匀介质中沿直线传播
C.红外线最显著的性质是能使荧光物质发光
D.镜面反射遵循光的反射定律,漫反射不遵循光的反射定律
【答案】B
3.入夏后,江南进入多雨季节,应注意防汛防雷。下雨时常伴随着打雷和闪电发生,但我们总是先看到闪电后听到雷声,这说明光比声音传播的_____(选填“快”或“慢”)。
【答案】快
4.如图所示,把正在响铃的闹钟放在玻璃罩内,逐渐抽出其中的空气,声音会逐渐地变小,直至消失,说明声音________(选填“能”或“不能”)在真空中传播.同时一直能看到闹钟的秒针在不停地转动,说明光________(选填“能”或“不能”)在真空中传播.
【答案】不能 能
5.小明在探究“物距和物高一定时,物体经小孔所成像的高度和像距的关系”时,所用的实验器材有:用发光二极管做成的物体、有小孔的方纸板、用半透明塑料膜做成的屏、量程为0~30cm的直尺。实验装置的示意图如图所示。
(1)该实验应该在较____的环境下进行;(选填“亮”或“暗”)
(2)记录的实验数据如下表,请在方格纸上画出像高与物距的关系图像;
(3)根据图像,得出的探究结论是:______;
(4)另一名同学在做实验时,更换了部分实验器材,其实验装置的示意图如图所示。外筒(足够长)用不透明的材料制成,左端开有小孔;内筒(内径约14cm)的筒壁用不透明的材料制成,左端用半透明塑料膜做屏,并可以在外筒中自由地拉出或推入,其他器材不变。和小明使用的装置相比较,请说出该同学用这样的装置做实验的好处和不足(各写一条即可)好处____;不足____。
【答案】(1)暗
(2)
(3)物距和物高一定时,物体经小孔所成像的高度和像距成正比
(4)方便改变像距像高 不方便测量
考点三:平面镜成像
1.如图是小明春游时在水边看到的美景,下图中能正确反映他看到水中“树木”的光路图是( )
【答案】B
2.“猴子捞月”的寓言故事说,猴子看到水中有个月亮,以为月亮掉水中了,大叫起来“不得了啦,不得了啦,月亮掉水里了!”。关于水中的月亮,以下说法正确的是( )
A.水中的月亮比天上的月亮小
B.水中出现月亮是光的折射现象
C.水中出现月亮是光的反射现象
D.水中月亮到水面的距离比天上月亮到水面的距离远
【答案】C
3.下列光现象与日食的形成原因不同的是( )
【答案】 B
4.“小荷才露尖尖角,早有蜻蜓立上头”。现有一蜻蜓立于距水面0.6m处的荷尖上,池中水深2m,则蜻蜓在水中的像距水面( )
A.2m B.1.4m C.0.6m D.2.6m
【答案】C
5.如图所示,在研究平面镜成像的特点实验时,小明同学没有把薄玻璃板竖直放置.在水平桌面上,无论如何移动蜡烛B,发现( )
A.蜡烛A的像总是与蜡烛B完全重合
B.蜡烛A的像总偏向蜡烛B的上方
C.蜡烛A的像总偏向蜡烛B的下方
D.蜡烛A的像与蜡烛B的像总在同一水平面上
【答案】 B
6.图中现象中属于光的反射的是( )
A.水中倒影 B.铅笔“折断” C.鸽子的影子 D.日食形成
【答案】A
7.人从平面镜内看到台钟钟面上的指针位置如图所示,则实际时间是( )
A.6:00 B.5:45 C.6:15 D.6:30
【答案】B
8.小华同学身高1.80m,家里装修时要在墙上安装一个竖直的平面镜,为了能从平面镜中看到自己的全身像,平面镜的最小长度应为( )
A.30cm B.60cm C.90cm D.120cm
【答案】C
9.小明从汽车的后视镜里看见驾驶员,此时驾驶员通过车内后视镜___(选填“一定”、“不一定”或“一定不”)能看见小明;小明在后视镜里看到的驾驶员的像是___(选填“虚”或“实”)像.
【答案】一定 虚
10.小红距离平面镜1m,她沿着垂直于镜面的方向以0.5m/s的速度远离平面镜,经过2s,她与镜中的像相距__m,镜中像的大小____(选填“变大”、“变小”或“不变”).
【答案】4 不变
11.如图,面镜在各行各业中都有广泛的应用,利用____面镜制成的太阳灶可以用来会聚太阳光烧水;而牙医利用口腔内窥镜,可以看到牙齿在镜中所成的___像(填“实”或“虚”)
【答案】凹 虚
12.检查视力的时候,视力表放在被测者头部的后上方,被测者识别对面墙上镜子里的像(如图所示).视力表在镜中的像与被测者相距____m.
【答案】4.2
13.如图所示,A′B′是物体AB在平面镜中所成的像,根据平面镜成像的特点在图中画出平面镜(保留作图痕迹)。
【答案】
14.如图所示,光源Q发出一束光经平面镜反射在墙上显示出一个光点。
(1)作出光源Q在平面镜中的像
(2)画出平面镜发射的光线并标出墙上光点的位置
【答案】
15.如图所示,在某房间的天花板上装有平面镜M,S为一灯泡,P为不透明的墙,请画出灯泡发出的光经平面镜反射后,能够照亮P墙右侧区域的光路图.
【答案】
16.小华用两个完全相同的棋子A和棋子B,在水平桌面上探究平面镜成像的特点,实验装置如图。
(1)无论怎样在桌面上移动棋子B,都无法使它与棋子A的像完全重合,出现这种情况的原因是___.排除问题后,移动棋子B,使它与棋子A的像完全重合,这样做的目的除了能确定棋子A经平面镜所成像的位置,同时还能比较___大小关系.
(2)用铅笔画出平面镜及棋子A和棋子B的位置,并画出棋子A和棋子B位置的连线,经测量发现:两棋子的连线与镜面___,两棋子到镜面的距离相等。
(3)移去棋子B,将一张白卡片竖直放在棋子B所在的位置,直接观察白卡片,观察白卡片上没有棋子A的像,说明棋子A经平面镜所成的是___像。
(4)用木板紧贴玻璃板背面,挡住玻璃板后的光,人眼在玻璃板前___(选填“能”或“不能”)看见棋子A的像。
【答案】(1)玻璃板没有与桌面垂直放置 像与物(2)垂直(3)虚(4)能
考点四:光的色散 不可见光
1.如图所示,一束太阳光通过三棱镜后,下列说法正确的是( )
A.光仍按原来方向传播 B.光将向斜上方偏转
C.在光屏上呈现各种色光 D.光屏上只呈现红、绿、蓝三种色光
【答案】C
2如图所示,一束太阳光通过三梭镜折射后,被分解成七种颜色的光,在白色光屏上形成一条七彩光带,这个现象叫____________;如果在白色光屏前放置一块红色玻璃,我们在白屏上能看到____________;如果将白色光屏换成绿色纸板.我们能看到____________。
【答案】光的色散 红光 只有绿色光照射的地方是亮的
3.电视机的遥控器能发射一种不可见光,即___,以实现对电视的控制;对于流入市场的假币,人们常借助验钞机发出的___来辨别真伪;彩色电视机画面上的色彩是由红、___、蓝三种色光混合而成.
【答案】红外线 紫外线 绿
4.多媒体教室中的投影银幕是用粗糙的白布做成的,其一是利用光的____使教室里每位同学都能看到画面;其二是白布能反射____颜色的光,使同学们能看到色彩正常的画面.
【答案】漫反射 所有

