2017-2018学年福建省长泰县第一中学高二上学期期末考试 地理 Word版
展开长泰一中2017/2018学年上学期期末考试
高二年地理试卷
(满分:100分;考试时间90分钟)
一、选择题(每小题1.5分,共32题,满分48分)
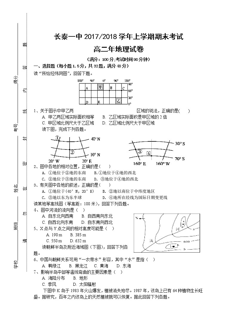
读“所给经纬网图”,回答下题。
1、关于图示中甲乙两区域的说法,正确的是( )
A. 甲乙两区域实际面积相等 B. 乙区域实际面积是甲区域的2倍
C. 甲区域比例尺大于乙区域 D. 乙区域比例尺大于甲区域
读下图,完成下列各题。
2、图中各地的相对位置,正确的是( )
A. ①地位于②地的东南 B.①地位于④地的西北
C. ②地位于③地的东南 D. ③地位于④地的西北
3、有关图中各地的叙述,正确的是( )
A. ①地位于(40°N,20°E) B. ②地以南位于中纬度地区
C. ③地以东为东半球 D. ④地所在经线为国际日期变更线
读某地等高线图(等高距:100米),回答下列各题。
4、图中河流的流向是( )
A. 自东北向西南 B. 自西南向东北
C. 自西北向东南 D. 自东南向西北
5、X点与Y点之间的相对高度可能是( )
A. 190 m B. 385 m
C. 550 m D. 632 m
读朝鲜半岛及附近海域图(下图),回答下列各题。
6、中国与朝鲜关系可用“一衣带水”形容,其中“水”是指( )
A. 鸭绿江 B. 黑龙江 C. 黄海 D. 东海
7、影响半岛中部等温线弯曲的主要因素是( )
A. 海陆分布 B. 地形
C. 季风 D. 太阳辐射
下图中K岛于1983年火山爆发,植被消失殆尽。1987年,该岛上已有64种植物生长旺盛。据研究,百年之内该岛上的天然植被就可以恢复。据此回答下列各题。
8、K岛天然植被类型属于( )
A.热带雨林 B. 亚热带常绿阔叶林 C. 亚热带常绿硬叶林 D. 热带草原
9、K岛处于( )
A. 印度洋板块与太平洋板块界线的东测 B. 印度洋板块与太平洋板块界线的西测
C. 亚欧板块与印度洋板块界线的南测 D. 亚欧板块与印度洋板块界线的北测
萨那是世界最不发达国家之一也门的首都,位于平均海拔约2000m的山地区。该国水资源极度匮乏,粮食基本依赖进口。读图,完成下题。
10萨那的气候特征为( ),亚丁最为适宜发展的工业部门是 ( )
A. 降水丰富,水源充足; 飞机制造 B. 土壤肥沃,植被茂盛; 港口物流
C.气候温和,阳光充足; 棉纺工业 D. 地形平坦,周围耕地辽阔; 食品工业
白令海峡是连接北美洲和亚欧大陆的交通要道,俄罗斯计划出巨资修建白令海峡海底隧道,打通俄罗斯至美国阿拉斯加的铁路。结合下图回答下列各题。
11、下列关于隧道所在地区自然环境的叙述,正确的是 ( )
A. 气候寒冷 B. 喀斯特地貌广布,地下溶洞、暗河众多
C. 落叶阔叶林广布 D. 地势平坦,沃野千里
12、下列关于图中A、B两地的叙述,正确的是 ( )
A. A地纬度比B地低,所以冬季A地气温比B地高
B. 冬季A地气温比B地低,洋流是其主要影响因素之一
C. 两地主要以温带落叶阔叶林为主
D. 气温年较差A地与B地相同
读大西洋局部海域示意图,回答13~14题。
13、甲洋流由赤道南侧流向赤道北侧是( )
A.随太阳直射点北移越过赤道而形成的 B.受大陆轮廓的影响
C.由亚马孙河大量淡水流入海洋而形成的 D.受地转偏向力的影响
14、乙地多大雾天气的主要原因是( )
A.地处低纬地区,又受沿岸寒流影响,水汽易冷凝
B.地处低纬地区,空气对流强烈,水汽上升冷凝
C.受沿岸暖流影响,空气湿度大
D.位于沙漠地区和盛行西风的迎风坡,水汽中尘粒多,水汽易凝结
甘蔗是多年生作物,收获时仅收割甘蔗茎,将根仍留在土壤内,即宿根,来年宿根重新分枝生茎。世界食糖生产原料以甘蔗为主。读1996年-2005年世界食糖产量增速前四国产量变化对比图,回答下列各题。
15、 关于图中四国食糖生产叙述正确的是( )
A.1996年以来印度产量变化最大 B.2002年增长量最大的是巴西
C.巴基斯坦制糖以甜菜为原料 D.2004年泰国食糖产量居世界第三位
16、我国四川盆地有大面积的甘蔗种植,而同纬度的长江中下游平原却不适合种植,因为四川盆地( )
A.光照较充足 B.土壤较肥沃
C.冬季较温暖 D.地势较低,热量较充足
读北半球亚热带同纬度大陆东、西两岸沿海两地年降水量逐月累计曲线图,据图完成下列各题。
17、①地区降水( )
A.冬季多雨 B.秋冬多雨 C.夏季多雨 D.全年多雨
18、②地区利用当地典型农产品,可发展( )
A.葡萄酿酒 B.橡胶加工 C.甜菜制糖 D.玉米制乙醇
一般情况下,海水中的浮游植物数量与营养盐、光照、水温呈正相关,但在不同的季节、海域,影响浮游植物生长繁殖的主导因素不同。下图示意长江口附近海域某年8月浮游植物密度的水平分布,据此完成19~20题。
19、 导致夏季图示海域浮游植物密度水平分布的主导因素是 ( )
A. 水体营养盐 B. 水体含沙量 C.太阳辐射 D. 洋流流向
20、与夏季相比,冬季图示海域浮游植物 ( )
A.总数量减少,密度高值区向陆地方向移动
B.总数量增多,密度高值区向陆地方向移动
C.总数量减少,密度高值区向外海方向移动
D.总数量增多,密度高值区向外海方向移动
乌江是长江上游最大支流,贵州第一大河,干流全长1037公里,流域面积8.792万平方公里,以流急、滩多、谷狭而闻名于世,号称“天险”。据此完成下列各题。
21、对乌江干流水能资源开发条件评价的说法错误的是( )
A. 地势起伏大,河流落差大 B. 降水丰富,河流径流量大
C. 距长江经济带近,靠近电能消耗市场 D. 煤炭火电会对水能开发造成竞争
22、对乌江干流水能资源开发对下游地区的最主要影响是( )
A. 改善大气环境质量 B. 改变以煤为主的能源消费结构
C. 满足用电需求的增长 D. 拦截上游泥沙,河流泥沙含量减少
下左图为某区域简图,下右图为丙湖泊水位及甲河与乙河连接处水位的变化曲线图。读图完成下列问题。
23、图中 ( )
A. 6月份甲河由东流向西 B. 全年甲河水位变化小于乙河
C. 甲河段平均流速最慢的月份是6-9月 D. 乙河由东南流向西北
24、若丙湖大面积萎缩,则 ( )
A. 使湖泊物种更丰富 B. 可增加耕地面积
C. 使湖泊陆风减弱 D. 使水循环更加活跃
上海绿化部门计划从与上海气候相似的澳大利亚某气候区引进园林植物。读“澳大利亚气候类型分布图”,回答25~26题。
25、澳大利亚与上海最相似的气候区是( )
A.① B.② C.③ D.④
26、引种的园林植物在上海生长的不利因素是 ( )
A.寒潮 B.干旱
C.太阳辐射弱 D.土壤贫瘠
“旗云”为珠穆朗玛峰上的一种奇观,因出现时其形如旗,故称为“旗云”。云沿着山顶飘向一边,仿佛一面迎风招展的旗帜。珠穆朗玛峰7500米以下被冰雪覆盖,7500米以上由于高空风大,山坡陡峭,降雪不易堆积,多为碎石坡面。读“旗云”示意图,完成27~28题。
27、“旗云”多在( )
A.阴雨天出现
B.日出前后出现
C.晴朗白天出现
D.晴朗夜间出现
28、图中峰顶对流运动的直接热源是( )
A.阳坡冰雪带 B.阳坡岩石裸露带
C.阴坡冰雪带 D.阴坡岩石裸露带
读某半球30°~40°纬度带海陆分布示意图,回答下面各题。
29、关于图中甲、乙、丙三个大陆,叙述正确的是( )
A. 甲大陆是世界上面积最大的大陆
B. 乙大陆是海拔最高的大陆
C. 丙大陆是世界上面积最小的大陆
D. 丙大陆位于太平洋板块上
30、关于图中①、②、③三个大洋,叙述正确的是( )
A. ①是跨面积最小的大洋
B. ②是经度最广的大洋
C. ②大洋全部在西半球
D. ③大洋面积将不断扩大
极地涡旋(简称“极涡”)是指通常盘踞在极地高空的冷性大型涡旋,其位置、强度、移动对极地及高纬地区的天气影响明显。2015年12月底,一个位于冰岛的强大风暴将北大西洋热量带向北极,迫使北极“极涡”离开极地,携带冷空气南下,造成我国大部分地区1月中下旬爆发极其罕见的超强寒潮。图1是2016年1月23日北极“极涡”位置示意图。据此,完成31-32题。
31、图示时刻,甲地高空的风向是 ( )
A、东北风 B、东南风 C、西北风 D、西南风
32、此次“极涡"南下 ( )
A、说明了全球气候变暖减缓 B、扩大了北半球寒带的范围
C、带来了华南地区的极端天气 D、对我国生态环境的破坏严重
二、综合题(4大题,共52分)
33.(10分)下图所示国家人口稠密,经济以传统农牧业为主,森林覆盖率为29%。
完成下列要求。
(1)简述该国地形、地势特点。 (2分)
(2)推测该国降水特点及成因。(4分)
(3)说明该国面临的主要生态环境问题及人为原因。(4分)
34、(13分)阅读图文资料,完成下列要求。
卡拉库姆运河位于土库曼斯坦南部,是世界最大的灌溉及通航运河之一,全长1450公里,东起靠近阿富汗边境的山区,引来阿姆河上游的水,向西穿过卡拉库姆沙漠的南部。运河修通后,不仅解决了沿河居民的生活用水,还可灌溉60多万公顷耕地和牧场。下图为“土库曼斯坦及附近区域图”。
(1)分析土库曼斯坦铁路线主要沿河分布的原因。(4分)
(2) 推断该地湖泊萎缩可能给当地气候带来的影响。(6分)
(3)简述修建卡拉库姆运河对当地社会经济发展的有利影响。(3分)
35、(15分)根据下列材料,完成(1)-(3)题。
材料一 上图为世界某区域略图。下图为上图中甲地气候统计图和河流水位年变化图。下右图为上图中乙地的气候统计图。上图中丙地广泛栽植可作为优良造纸原料的辐射松,生产纸浆出口。
材料二 我国新疆吐鲁番出产的甜瓜深受市场欢迎。某企业欲在乙地开辟海外甜瓜生产基地,开拓国际市场。
(1)简述甲地河流水位特征。(6分)
(2)简析乙地种植甜瓜有利的自然条件。(4分)
(3)简述丙地栽植辐射松和发展纸浆出口的自然优势。(5分)
36. 阅读图文资料,完成下列要求。(14分)
白斑狗鱼肉质细嫩,营养丰富,有“鱼中软黄金”之称,白斑狗鱼是肉食性鱼,适宜在16℃以下的水域产卵繁殖,分布于亚洲、欧洲和北美洲的北部冷水水域,栖息环境多为水质清澈、水草丛生的河流,在我国仅见于新疆的额尔齐斯河流域(下图)。额尔齐斯河是我国唯一属于北冰洋水系的河流。
(1)根据支流的分布特征,分析图示额尔齐斯河流域降水分布特点及成因。(4分)
(2)分析图示额尔齐斯河流域适合白斑狗鱼生长繁殖的自然条件。(4分)
(4)说明白斑狗鱼产量低的原因。(6分)
参考答案
一、选择题(每小题1.5分,共32题,满分48分)
1-5 CDDCB 6-10 ABADC 11-15 ACBAB
16-20 CCABA 21-25 DABCC 26-32 ACBCDDC
33、(1)(绝大部分为)高山地区(山地),北高南低,地表高差悬殊(山高坡陡) (2分)
(2)特点:(除北部高山地区外,)年降水丰富(降水量多),集中于夏(雨)季,成因:夏(雨)季,西南季风从印度洋带的丰沛水汽,受地形抬升(降水丰富)。(冬季受东北季风影响,降水较少。) (4分)
(3)主要生态环境问题:森林破坏和水土流失,人为原因:人多地少(人均耕地少),(经济落后,)传统农牧业发展,生活能源需求,(对生态环境的压力很大)。(4分)
34、(13分)
(1)原因:该国人口、城市等主要集中在水资源较好的河流沿岸地区,交通需求大;河流沿岸地区地形起伏小,利于工程建设(或河流沿岸地区水源充足,植被较好,利于铁路线维护)(4分)
(2)影响:(由于湖泊的调节作用消失),当地气温年较差变大(气温日较差增大);年降水量减少,气候愈发干旱;风暴、沙尘暴等恶劣气象灾害频率增大。(6分)
(3)扩大了农业灌溉面积,使农业气候资源得到合理利用 ;为居民提供生活和工业用水,促进了沿线工业和城市的发展 ;沟通了东西交通,东西之间有了航运方式 。(3分)
35、(1)全年水位高(全年水位在3m以上);高水位在冬季(6-7月),低水位在夏季(12月-次年1月);水位年内变化较为和缓。(6分)
(2)海拔较高,昼夜温差大,有利于糖分积累;冬季温度低,农作物病虫害少;气候干旱(降水量少),光照充足;有高山冰雪融水,灌溉水源稳定。(4分)
(3)温带海洋性气候有利于辐射松生长;宜林山地广;人口较少,土地资源充裕。水资源丰富;距海较近,出口便利。(5分)
36、(1)分布特点:该流域降水北多南少。
原因:地处大陆内部,气候干旱;但北部山地为(西风)迎风坡,山体高大,能拦截水汽,形成地形雨,降水增多。(4分)
(2)支流发源于高山地区,水质好;纬度高,受高山溶雪影响,水温低;干流流速较缓,水草丛生;河流下游冷水鱼可逆流而上(可构成统一种群)。(4分)
(3)生长繁殖的环境要求特殊,适宜生长繁殖的水域少;水中生物量低,饵料少;水温低,生长缓慢。(6分)

