2021届高考物理一轮复习第8章恒定电流实验10长度的测量及其测量工具的选用教案(含解析)
展开实验十 长度的测量及其测量工具的选用
一、实验目的
1.正确使用刻度尺、游标卡尺和螺旋测微器。
2.掌握误差和有效数字的概念,能够对各种长度测量仪器进行准确读数。
二、测量工具的原理及使用
1.刻度尺的构造、原理及使用
(1)仪器构造。
在木板、塑料或金属上每隔1 mm等间隔地刻一条线,如图所示。
(2)设计原理。
常用的刻度尺的最小分度一般为1 mm,使用时估读到毫米的下一位。
(3)刻度尺的使用
①使用前要观察刻度尺的零刻度线、量程及最小刻度值,根据待测物的大小和所需达到的测量准确度,选择合适的刻度尺。
②测量物体的长度时,刻度尺要放正,尺面沿着所测物体的长度放置,刻度线紧贴被测物体。
③通常测量时,将刻度尺的零刻度线与被测长度的起始端对齐;使用零刻度线已被磨损的刻度尺时,则可以让某一整数刻度线与被测长度的起始端对齐。
④观察示数时,视线应与刻度尺垂直,并与刻度线正对。
⑤读数时,应估读到最小刻度的下一位。
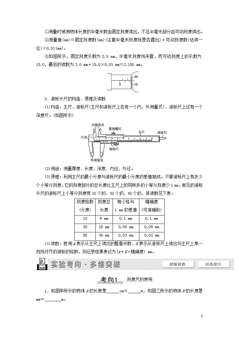
2.螺旋测微器(千分尺)的构造、原理及读数
(1)构造:如图所示,B为固定刻度,E为可动刻度。
(2)原理:测微螺杆F与固定刻度B之间的精密螺纹的螺距为0.5 mm,即旋钮D每旋转一周,F前进或后退0.5 mm,而可动刻度E上的刻度为50等份,每转动一小格,F前进或后退0.01 mm,即螺旋测微器的精确度为0.01 mm。
(3)读数
①测量时被测物体长度的半毫米数由固定刻度读出,不足半毫米部分由可动刻度读出。
②测量值(mm)=固定刻度数(mm)(注意半毫米刻度线是否露出)+可动刻度数(估读一位)×0.01(mm)。
③如图所示,固定刻度示数为2.0 mm,半毫米刻度线未露,而可动刻度上的示数为15.0,最后的读数为2.0 mm+15.0×0.01 mm=2.150 mm。
3.游标卡尺的构造、原理及读数
(1)构造:主尺、游标尺(主尺和游标尺上各有一个内、外测量爪)、游标尺上还有一个深度尺。(如图所示)
(2)用途:测量厚度、长度、深度、内径、外径。
(3)原理:利用主尺的最小分度与游标尺的最小分度的差值制成。不管游标尺上有多少个小等分刻度,它的刻度部分的总长度比主尺上的同样多的小等分刻度少1 mm。常见的游标卡尺的游标尺上小等分刻度有10个的、20个的、50个的,其读数见下表:
刻度格数 (分度) | 刻度总 长度 | 每小格与 1 mm的差值 | 精确度 (可准确到) |
10 | 9 mm | 0.1 mm | 0.1 mm |
20 | 19 mm | 0.05 mm | 0.05 mm |
50 | 49 mm | 0.02 mm | 0.02 mm |
(4)读数:若用x表示从主尺上读出的整毫米数,K表示从游标尺上读出与主尺上某一刻线对齐的游标的格数,则记录结果表达为(x+K×精确度) mm。
刻度尺的使用
1.如图甲所示的物体A的长度是 cm= m,如图乙所示的物体B的长度是 mm= m。
甲 乙
[解析] LA=(14.0-10.0)cm=4.0 cm=4.0×10-2 m,
LB=(14.40-11.00)cm=3.40 cm=34.0 mm=3.40×10-2 m。
[答案] 4.0 4.0×10-2 34.0 3.40×10-2
2.现用最小分度为1 mm的米尺测量金属丝长度,如图所示,图中箭头所指位置是拉直的金属丝两端在米尺上相对应的位置,测得的金属丝长度为 mm。
在测量金属丝直径时,如果受条件限制,身边只有米尺1把和圆柱形铅笔1支。如何较准确地测量金属丝的直径?请简述测量方法。
[解析] 观察本题图示,注意金属丝的起点不在“0”处,所以测得金属丝的长度为982.0 mm-10.0 mm=972.0 mm。由于一根金属丝的直径太小,用mm刻度尺不易测量,故采用放大法测量:在铅笔上紧密排绕N匝金属丝,用毫米刻度尺测出该N匝金属丝的宽度D。由此可以算出金属丝的平均直径为。
[答案] 972.0 测量方法见解析
螺旋测微器的使用
1.用螺旋测微器测得与导线圈导线同种规格的导线的直径d如图所示,则d= mm。
[解析] 螺旋测微器的读数:d=0.01 mm×15.5=0.155 mm。
[答案] 0.155(0.154~0.156均可)
2.使用螺旋测微器测量金属丝的直径,示数如图所示,则金属丝的直径是 mm。
[解析] 固定刻度示数为1.0 mm,不足半毫米的从可动刻度上读,其示数为15.0,最后的读数为1.0 mm+15.0×0.01 mm=1.150 mm。
[答案] 1.150(1.149~1.151均可)
3.螺旋测微器测量圆柱体的直径,某次测量的示数分别如图所示,直径为 mm。
[解析] 直径d=5 mm+31.5×0.01 mm=5.315 mm。
[答案] 5.315 (5.314~5.316均可)
4.某同学利用螺旋测微器测量一金属板的厚度。该螺旋测微器校零时的示数如图(a)所示,测量金属板厚度时的示数如图(b)所示。图(a)所示读数为 mm,图(b)所示读数为 mm,所测金属板的厚度为 mm。
(a) (b)
[解析] 题图(a)的读数为1.0×0.01 mm=0.010 mm。题图(b)的读数为6.5 mm+37.0×0.01 mm=6.870 mm,故金属板的厚度d=6.870 mm-0.010 mm=6.860 mm。
[答案] 0.010 6.870 6.860
游标卡尺的使用
1.图甲为一游标卡尺的结构示意图,当测量一钢笔帽的内径时,应该用游标卡尺的 (选填“A”“B”或“C”)进行测量;示数如图乙所示,该钢笔帽的内径为 mm。
甲 乙
[解析] 测量内径时应该用游标卡尺上的内测量爪A。游标卡尺的读数=主尺上的读数+游标尺上的读数。本题主尺上读数为11 mm,游标尺上读数为6×0.05 mm=0.30 mm,故读数为11.30 mm。
[答案] A 11.30
2.如图所示的三把游标卡尺,它们的游标尺从上至下分别为9 mm长10等分、19 mm长20等分、49 mm长50等分,它们的读数依次为 mm、 mm、 mm。
[解析] 最上面图读数:整毫米是17,不足1毫米数是2×0.1 mm=0.2 mm,最后结果是17 mm+0.2 mm=17.2 mm。
中间图读数:整毫米是23,不足1毫米数是17×0.05 mm=0.85 mm,最后结果是23 mm+0.85 mm=23.85 mm。
最下面图读数:整毫米是3,不足1毫米数是7×0.02 mm=0.14 mm,最后结果是3 mm+0.14 mm=3.14 mm。
[答案] 17.2 23.85 3.14
3.有一种新式游标卡尺,它的刻度与传统的游标卡尺明显不同。新式游标卡尺的刻线看起来很“稀疏”,使得读数显得清晰明了,便于使用者正确读取数据。通常游标卡尺的刻度有10分度、20分度、50分度三种规格;新式游标卡尺也有相应的三种,但刻度却是:19 mm等分成10份,39 mm等分成20份,99 mm等分成50份,以“39 mm等分成20份”的新式游标卡尺为例,如图所示。
(1)它的准确度是 mm。
(2)用它测量某物体的厚度,示数如图所示,正确的读数是 cm。
[解析](1)39 mm等分成20份的新式游标卡尺,其每一小格的长度为1.95 mm,故准确度为2.00 mm-1.95 mm=0.05 mm。
(2)主尺刻度为31 mm,游尺刻度为0.05×6=0.30 mm,故物体的厚度为31 mm+0.30 mm=31.30 mm=3.130 cm。
[答案](1)0.05 (2)3.130

