(福建专版)2020中考物理复习方案第01篇教材复习第四单元电磁学第22课时磁与电试题
展开课时训练(二十二) 磁与电
(限时:25分钟)
一、选择题
1. 图K22-1是我国早期的指南针——司南,它是把天然磁石磨成勺子的形状,放在水平光滑的“地盘”上制成的。东汉学者王充在《论衡》中记载:“司南之杓,投之于地,其柢指南”。“柢”指的是司南的长柄,下列说法中正确的是 ( )
图K22-1
①司南指南北是由于它受到地磁场的作用;②司南长柄指的是地磁场的北极;③地磁场的南极在地球地理的南极附近;④司南长柄一端是磁石的北极。
A. 只有①②正确 B. 只有①④正确
C. 只有②③正确 D. 只有③④正确
2. [2019·泰安]如图K22-2所示,小磁针静止在螺线管附近,闭合开关后,下列判断正确的是 ( )
图K22-2
A. 通电螺线管的左端为N极
B. 通电螺线管外A点磁场的方向向右
C. 小磁针N极指向左
D. 小磁针S极指向左
3. [2019·德阳]在如图K22-3所示的自动控制电路中,当控制电路的开关S闭合时,工作电路的情况是 ( )
图K22-3
A. 灯不亮,电铃响
B. 灯不亮,电铃不响
C. 灯亮,电铃不响
D. 灯亮,电铃响
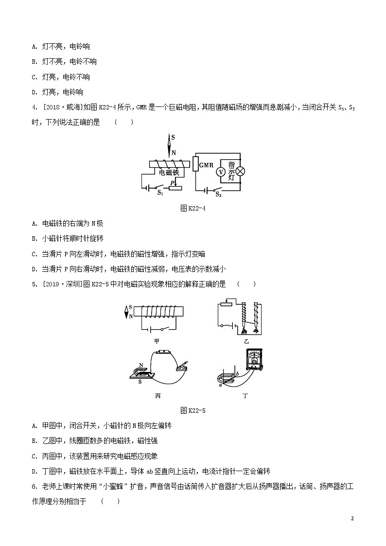
4. [2018·威海]如图K22-4所示,GMR是一个巨磁电阻,其阻值随磁场的增强而急剧减小,当闭合开关S1、S2时,下列说法正确的是 ( )
图K22-4
A. 电磁铁的右端为N极
B. 小磁针将顺时针旋转
C. 当滑片P向左滑动时,电磁铁的磁性增强,指示灯变暗
D. 当滑片P向右滑动时,电磁铁的磁性减弱,电压表的示数减小
5. [2019·深圳]图K22-5中对电磁实验现象相应的解释正确的是 ( )
图K22-5
A. 甲图中,闭合开关,小磁针的N极向左偏转
B. 乙图中,线圈匝数多的电磁铁,磁性强
C. 丙图中,该装置用来研究电磁感应现象
D. 丁图中,磁铁放在水平面上,导体ab竖直向上运动,电流计指针一定会偏转
6. 老师上课时常使用“小蜜蜂”扩音,声音信号由话筒传入扩音器扩大后从扬声器播出,话筒、扬声器的工作原理分别相当于 ( )
A. 发电机、电动机 B. 电动机、发电机
C. 发电机、发电机 D. 电动机、电动机
7. [2018·毕节]图K22-6中的a表示垂直于纸面的一根导线,它是闭合电路的一部分,它在磁场中按箭头方向运动时,下列哪种情况不会产生感应电流 ( )
图K22-6
二、填空题
8. [2018·沈阳]如图K22-7所示,闭合开关S,当滑片P向a端移动时,电磁铁的磁性 (选填“增强”或“减弱”),条形磁体对水平地面的压强 (选填“增大”或“减小”)。
图K22-7
9. [2019·广东]如图K22-8所示,闭合开关,静止的导体棒ab在轨道上向右运动,说明了通电导体在磁场中受到 的作用。若只将电源的正、负极对调,则导体棒ab将向 (选填“左”或“右”)运动;若只将蹄形磁铁的N、S极对调,则导体棒ab将向 (选填“左”或“右”)运动。
图K22-8
10. [2019·盐城] 图K22-9为某电磁继电器的工作原理图,开关S闭合时,电磁铁 (选填“有”或“无”)磁性, (选填“电灯”或“电铃”)通电工作。
图K22-9
三、作图题
11. [2019·岳阳]请标出图K22-10中通电螺线管外部磁感线的方向,小磁针的N极和电源的“+”极。
图K22-10
四、简答题
12. [原创]图K22-11是某同学设计的汽车启动电路,试说明该装置的工作原理。
图K22-11
五、实验题
13. [2018·福建]图K22-12是“探究导体在磁场中运动时产生感应电流的条件”的实验装置,闭合开关后,导体棒、灵敏电流计、开关、导线组成闭合电路。实验观察到的现象如下表。
图K22-12
实验序号 | 磁场方向 | 导体棒ab运动方向 | 灵敏电流计指针偏转情况 |
1 | 向下 | 向上 | 不偏转 |
2 | 向下 | 不偏转 | |
3 | 向左 | 向右偏 | |
4 | 向右 | 向左偏 | |
5 | 向上 | 向上 | 不偏转 |
6 | 向下 | 不偏转 | |
7 | 向左 | 向左偏 | |
8 | 向右 | 向右偏 |
(1)实验时通过观察 来判断电路中是否产生感应电流。
(2)由实验可知,闭合电路中的部分导体在磁场中做 运动时,电路中产生感应电流。
(3)比较第4次和第 次实验可知,导体棒运动方向相同时,感应电流的方向与磁场的方向有关。
(4)比较第7次和第8次实验可知,
。
【参考答案】
1. A
2. D
3. A [解析]由图可知,当控制电路的开关S闭合时,左边控制电路中有电流,电磁铁具有磁性,吸引衔铁,使动触头与下面电路接通,与上面的电路断开,所以,电铃工作,灯不亮,即只有A正确。
4. D [解析]当闭合开关S1、S2时,由安培定则可知电磁铁的左端为N极,小磁针将逆时针旋转,故A、B错误。当滑片P向左滑动时,电路中电阻变小,电流变大,电磁铁的磁性增强,则GMR阻值减小,指示灯变亮,故C错误。当滑片P向右滑动时,电路中电阻变大,电流变小,电磁铁的磁性减弱,GMR阻值增大,指示灯变暗,电压表的示数减小,故D正确。
5. B 6. A 7. D
8. 增强 增大
9. 力 左 左
10. 有 电灯
11. 如图所示
12. 旋转钥匙接通a、b间电路,电磁铁所在电路被接通,电磁铁具有磁性,向下吸引衔铁,动触点与静触点接触,从而接通电动机所在的电路,电动机启动。
13. (1)灵敏电流计指针是否偏转
(2)切割磁感线
(3)8
(4)磁场方向相同时,感应电流的方向与导体棒运动的方向有关

