河北省2019-2020学年高二上学期期中考试化学试卷(扫描版)
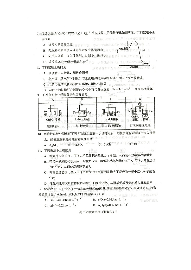
展开河北省2019-2020学年高二上学期期中考试试卷 【参考答案】一、选择题(每题有一个选项符合题意;每题2分,共48分)1-5 DBABC 6-10 ACBCB 11-15 BBCCA 16-20 ADACB 21-24 BADC二、填空题(共31分)25.(10分)(1)v(c)> v(b) > v(a) (2)> (3) c (4)加入催化剂 (5)t6(各2分)26.(9分)(1)氧气 (2)粗铜 变小(各1分) (3)CH4 -8e- + 10OH- = CO32-+ 7H2O (4)2Cl-+2H2OCl2↑+H2↑+2OH-(各3分)27.(12分)(1)2Cl2(g)+2H2O(g)+C(s)=4HCl(g)+CO2(g) ΔH=-290 kJ·mol-1(2)< (3)2△H1-3△H2-△H3 (4)K3= K2/ K1 (K1= K2/K3或K2=K1·K3) (各3分)三、实验题(共10分)28.(9分) Ⅰ.减慢(1分) 双氧水浓度逐渐减小(2分)Ⅱ.(1)产生气泡的快慢(1分) 将FeCl3溶液改为Fe2(SO4)3后与CuSO4对比只有阳离子不同,从而排出Cl-可能带来的干扰(2分) (2)分液漏斗(1分) 生成40ml气体所需的时间(2分) 四、计算题(共12分)29.(12分;每空3分)(1)0.042mol·L-1·min-1 (2)> (2分) (3)60%

