搜索
      上传资料 赚现金

      最新版高考物理【一轮复习】精品讲义练习资料 (14)

      • 1.73 MB
      • 2025-11-25 15:32:28
      • 19
      • 0
      • 实事求是运
      加入资料篮
      立即下载
      最新版高考物理【一轮复习】精品讲义练习资料 (14)第1页
      1/13
      最新版高考物理【一轮复习】精品讲义练习资料 (14)第2页
      2/13
      最新版高考物理【一轮复习】精品讲义练习资料 (14)第3页
      3/13
      还剩10页未读, 继续阅读

      最新版高考物理【一轮复习】精品讲义练习资料 (14)

      展开

      这是一份最新版高考物理【一轮复习】精品讲义练习资料 (14),共13页。
      一、振动中的能量损失
      如图所示的实验装置为一挂在曲轴上的弹簧振子,用手将振子向下拉动一下释放,观察较长一段时间,你发现振子在振动过程中振幅有什么变化?为什么会出现这种现象?
      答案 振子在振动的过程中振幅逐渐减小,因为振子在实际振动过程中受到空气的阻碍作用,振动的能量逐渐减少。
      1.固有振动和固有频率
      (1)固有振动:振动系统在没有外力干预的情况下的振动。
      (2)固有频率:固有振动的频率。
      2.阻尼振动
      (1)阻尼振动:振动系统受到阻碍作用时,振幅随时间逐渐减小的振动,其振动图像如图所示。
      (2)振动系统能量衰减的两种方式
      ①振动系统受到摩擦阻力作用,机械能逐渐转化为内能。
      ②振动系统引起邻近介质中各质点的振动,能量向四周辐射出去,从而自身的机械能减少。
      1.阻尼振动的振幅、周期和频率特点
      物体在做阻尼振动的过程中,振幅逐渐减小,但其周期是由振动系统本身决定,与振幅大小无关,振动过程中周期和频率保持不变。
      2.阻尼振动的能量特点
      物体在做阻尼振动的过程中,总机械能逐渐减小,物体位移大小相等时,势能大小相等,但动能与上一次相比将减小。
      例1 (2022·福安市第一中学高二月考)如图是一单摆做阻尼振动的位移—时间图像,比较摆球在M与N对应时刻的物理量,(EpM代表M点重力势能,EpN代表N对应点重力势能)以下说法正确的是( )
      A.速率vM=vN
      B.受到的拉力FM>FN
      C.重力势能EpM>EpN
      D.机械能EMvN,故A、C、D错误;由于M、N两时刻摆球的位移大小相同,所以其细线拉力与竖直方向上的夹角θ也相等,对单摆受力分析,根据牛顿第二定律F-mgcs θ=meq \f(v2,L),得F=mgcs θ+meq \f(v2,L),由于vM>vN,所以FM>FN,故B正确。
      二、受迫振动
      在一中,匀速转动手柄从而给弹簧上端一个周期性的上、下外力,几次改变手柄的转速,观察不同转速下振子的振动情况有什么特点?
      答案 手柄转动的越快,振子上下振动的也越快,手柄不停的转动,振子也将持续的振动。
      1.驱动力
      作用于振动系统的周期性的外力。
      2.受迫振动
      (1)定义:系统在驱动力作用下的振动。
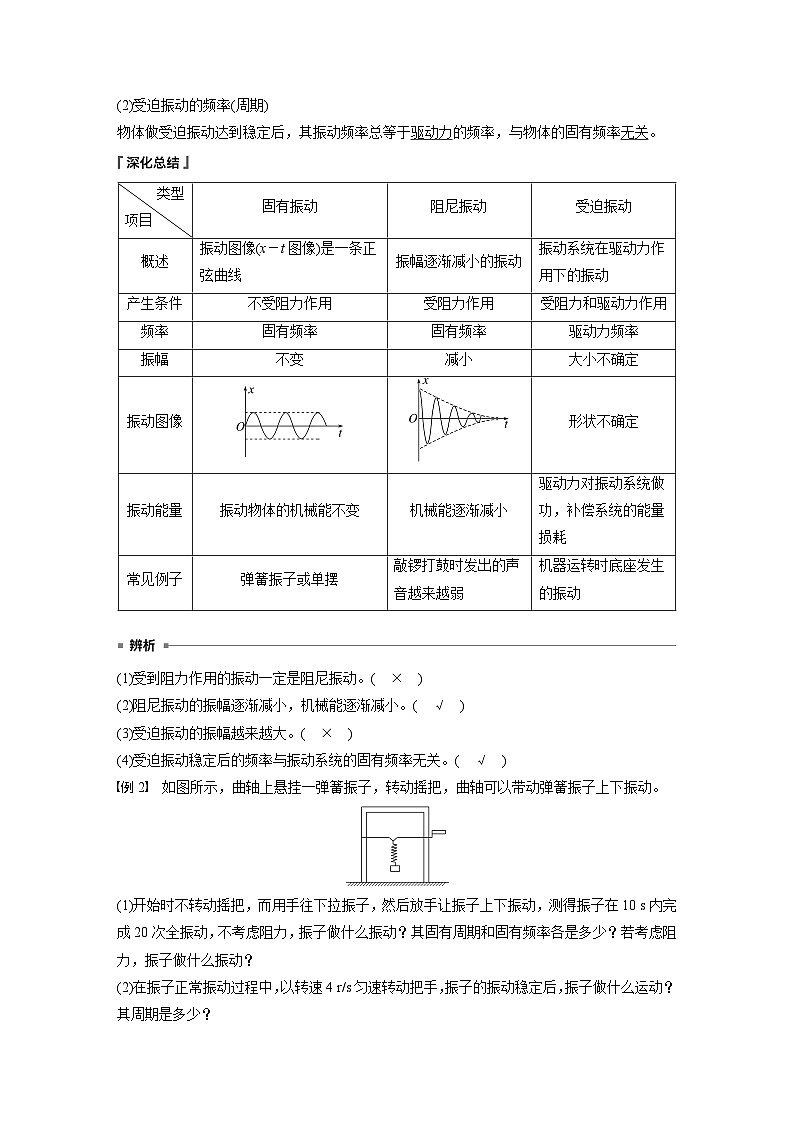
      (2)受迫振动的频率(周期)
      物体做受迫振动达到稳定后,其振动频率总等于驱动力的频率,与物体的固有频率无关。
      (1)受到阻力作用的振动一定是阻尼振动。( × )
      (2)阻尼振动的振幅逐渐减小,机械能逐渐减小。( √ )
      (3)受迫振动的振幅越来越大。( × )
      (4)受迫振动稳定后的频率与振动系统的固有频率无关。( √ )
      例2 如图所示,曲轴上悬挂一弹簧振子,转动摇把,曲轴可以带动弹簧振子上下振动。
      (1)开始时不转动摇把,而用手往下拉振子,然后放手让振子上下振动,测得振子在10 s内完成20次全振动,不考虑阻力,振子做什么振动?其固有周期和固有频率各是多少?若考虑阻力,振子做什么振动?
      (2)在振子正常振动过程中,以转速4 r/s匀速转动把手,振子的振动稳定后,振子做什么运动?其周期是多少?
      答案 (1)固有振动 0.5 s 2 Hz 阻尼振动 (2)受迫振动 0.25 s
      解析 (1)用手往下拉振子,放手后,因振子所受回复力满足F=-kx,所以做固有振动,根据题意T固=eq \f(t,n)=eq \f(10,20) s=0.5 s,f固=eq \f(1,T固)=2 Hz,由于阻力的存在,振子克服阻力做功消耗能量,振幅越来越小,故振动为阻尼振动。
      (2)由于把手转动的转速为4 r/s,它给弹簧振子的驱动力频率为f驱=4 Hz,周期T驱=0.25 s,故振子做受迫振动,振动达到稳定状态后,其频率(或周期)等于驱动力的频率(或周期),而跟固有频率(或固有周期)无关,即f=f驱=4 Hz,T=T驱=0.25 s。
      三、共振现象及其应用
      1.定义
      驱动力的频率f等于物体的固有频率f0时,物体做受迫振动的振幅达到最大值,这种现象称为共振。
      2.共振曲线(如图所示)
      洗衣机在衣服脱水完毕关闭电源后,脱水桶还要转动一会才能停下来。在关闭电源后,发现洗衣机先振动得比较弱,有一阵子振动得很剧烈,然后振动慢慢减弱直至停下来。
      (1)开始时,洗衣机为什么振动比较弱?
      (2)期间剧烈振动的原因是什么?
      答案 (1)开始时,脱水桶转动的频率远高于洗衣机的固有频率,振幅较小,振动比较弱。
      (2)当洗衣机脱水桶转动的频率等于洗衣机的固有频率时发生共振,振动剧烈。
      1.共振的条件:驱动力的频率与系统的固有频率相等,即f驱=f固。
      2.共振曲线
      如图所示,共振曲线的横坐标为驱动力的频率,纵坐标为受迫振动的振幅。
      f=f0时发生共振;f>f0或f

      相关试卷 更多

      资料下载及使用帮助
      版权申诉
      • 1.电子资料成功下载后不支持退换,如发现资料有内容错误问题请联系客服,如若属实,我们会补偿您的损失
      • 2.压缩包下载后请先用软件解压,再使用对应软件打开;软件版本较低时请及时更新
      • 3.资料下载成功后可在60天以内免费重复下载
      版权申诉
      若您为此资料的原创作者,认为该资料内容侵犯了您的知识产权,请扫码添加我们的相关工作人员,我们尽可能的保护您的合法权益。
      入驻教习网,可获得资源免费推广曝光,还可获得多重现金奖励,申请 精品资源制作, 工作室入驻。
      版权申诉二维码
      欢迎来到教习网
      • 900万优选资源,让备课更轻松
      • 600万优选试题,支持自由组卷
      • 高质量可编辑,日均更新2000+
      • 百万教师选择,专业更值得信赖
      微信扫码注册
      手机号注册
      手机号码

      手机号格式错误

      手机验证码 获取验证码 获取验证码

      手机验证码已经成功发送,5分钟内有效

      设置密码

      6-20个字符,数字、字母或符号

      注册即视为同意教习网「注册协议」「隐私条款」
      QQ注册
      手机号注册
      微信注册

      注册成功

      返回
      顶部
      学业水平 高考一轮 高考二轮 高考真题 精选专题 初中月考 教师福利
      添加客服微信 获取1对1服务
      微信扫描添加客服
      Baidu
      map