所属成套资源:2026届高考物理一轮复习周测卷(Word版附解析)
2026届高考物理一轮复习周测卷20第二十周电学实验(Word版附解析)
展开
这是一份2026届高考物理一轮复习周测卷20第二十周电学实验(Word版附解析),共7页。试卷主要包含了3 A、内阻为20 Ω的电流表等内容,欢迎下载使用。
非选择题(每题8分,共40分)
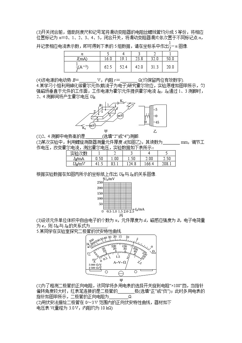
1.某同学只用以下给定仪器组装如图甲所示的简易多用电表,仪器不得重复使用.
A.电流表(0~200 μA,100 Ω)
B.电阻箱(0~999 Ω)
C.电阻箱(0~9 999 Ω)
D.定值电阻R2(1 kΩ)
E.滑动变阻器(0~300 Ω)
F.滑动变阻器(0~800 Ω)
G.干电池(1.5 V,r=0)
H.干电池(9 V,r=0)
I.导线若干
该多用电表需设置0、1为量程0~1 mA的电流挡,0、3为量程0~3 V的电压挡,0、2为欧姆挡.该同学通过计算并选择器材(器材选择只填器材前的字母).
(1)量程0~1 mA的电流挡中电阻箱R1应该选择________,将其调节为________ Ω.
(2)量程0~3 V的电压挡中电阻箱R4应该选择________,将其调节为________ Ω.
(3)0、2的欧姆挡中滑动变阻器R3应该选择________,电源应该选择________.
(4)该同学用上述简易多用电表的欧姆挡测量某一未知电阻,他首先进行了欧姆挡调零,然后将电阻接在0、2之间,发现电流表指针偏转如图乙所示,示数为________ μA,由此可求得未知电阻为________ Ω.
2.某同学为精确测量某金属导体的电阻,设计了如图甲所示的电路图.图中E为蓄电池,G为灵敏电流计,A1、A2为电流表,R1为电阻箱,R2与R3均为滑动变阻器,R0为定值电阻,S为开关、Rx为待测金属导体,另有导线若干.
具体的实验操作如下:
A.按照如图甲所示的电路图连接好实验器材;
B.将滑动变阻器R2的滑片、滑动变阻器R3的滑片均调至适当位置,闭合开关S;
C.调节R3,并反复调节R1和R2使灵敏电流计的示数为零,测得此时A1的示数为I1,A2的示数为I2,电阻箱的示数为R1;
D.实验完毕,整理器材.
(1)根据图甲实验电路图,将图乙实物图中连线补充完整.
(2)电路中需要两个量程为6 A的电流表,但实验室提供的器材中,只有量程为0.3 A、内阻为20 Ω的电流表.现将量程为0.3 A的电流表扩充为6 A量程,则应该并联一个阻值R′=_________Ω的电阻.如图丙所示为某次测量时改装后的电流表表盘指针位置,则此时的电流为________ A.
(3)待测金属导体Rx的阻值为________(用所测物理量来表示);电流表A1、A2的内阻对测量结果________(选填“有”或“无”)影响.
3.某同学测量一新型电源的电动势和内阻,使用的器材有:一个满偏电流为100 μA、内阻为2 500 Ω的表头,一个开关,电阻箱(0~999.9 Ω),滑动变阻器R0(最大阻值100 Ω,允许最大电流1.5 A),若干导线,刻度尺和记号笔.
(1)由于表头量程偏小,该同学将表头与电阻箱连接,将表头改装成量程为50 mA的电流表,该电阻箱阻值应为________ Ω.
(2)该同学用改装后的电流表测量电源的电动势及内阻,请用笔画线代替导线,完成表头改装和实验电路的实物图连接.
(3)开关闭合前,借助刻度尺和记号笔将滑动变阻器的电阻丝螺线管均分成5等份,将相应位置标记为n=0、1、2、3、4、5,闭合开关,将滑动变阻器滑片依次置于不同标记点n,并记录相应电流表示数,即可得到下表的5组数据,请在坐标系中作出eq \f(1,I)-n图像.
(4)该电源的电动势E=________ V,内阻r=________ Ω(均保留两位有效数字).
4.某学习小组利用砷化镓霍尔元件(载流子为电子)研究霍尔效应,实验原理如图甲所示,匀强磁场垂直于元件的工作面,工作电源为霍尔元件提供霍尔电流IH,IH通过1、3测脚时,2、4测脚间将产生霍尔电压UH.
(1)2、4测脚中电势高的是________(选填“2”或“4”)测脚.
(2)某次实验中,利用螺旋测微器测量元件厚度d(如图乙),其读数为________ mm,调节工作电压,改变霍尔电流,测出霍尔电压,实验数据如下表所示:
根据实验数据在如图丙所示的坐标纸上作出UH与IH的关系图像.
(3)设该元件单位体积中自由电子的个数为n,元件厚度为d,磁感应强度为B,电子电荷量为e,则UH与IH的关系式为________.
5.某同学在实验室探究二极管的伏安特性曲线.
(1)为了粗测二极管的正向电阻,该同学将多用电表的选择开关旋到电阻“×100”挡,当指针偏转角度较大时,红表笔连接的是二极管的________极(选填“正”或“负”);此时多用电表的指针如图甲所示,二极管的正向电阻为_________Ω.
(2)用伏安法描绘二极管在0~3 V范围内的正向伏安特性曲线,器材如下
电压表V(量程为3.0 V,内阻约为10 kΩ)
电流表A(量程为10 mA,内阻约为1.0 Ω )
滑动变阻器R1(总电阻为10 Ω,额定电流为0.1 A)
滑动变阻器R2(总电阻为20 Ω,额定电流为0.5 A)
电源E(电动势6 V,内阻不计)
开关S,导线若干
其中,滑动变阻器应该选________(选填“R1”或“R2”).利用图乙所示的器材符号,画出实验电路原理图.
(3)二极管的正向电压伏安特性曲线如图丙所示,现将两个相同的二极管串联在电路中,如图丁所示.已知电阻R1=R2=1 kΩ,电源的电动势E=6 V(内阻不计),通过二极管D的电流为_________mA,电阻R1消耗的功率为_________mW.(结果均保留两位有效数字)
参考答案
1.答案:(1)B 25 (2)C 2 980 (3)F G
(4)120 1 000
解析:(1)量程0~1 mA的电流挡中电阻箱阻值为R1=eq \f(Igrg,I-Ig)=eq \f(200×100,1 000-200) Ω=25 Ω,则R1应该选择B,将其调节为25 Ω,此时电流表的总电阻为rg′=20 Ω.
(2)量程0~3 V的电压挡中电阻箱阻值R4=eq \f(U,Ig′)-rg′=eq \f(3,10-3) Ω-20 Ω=2 980 Ω,则R4应该选择C,将其调节为2 980 Ω.
(3)0、2的欧姆挡中电源应该选择一节干电池G;根据闭合电路欧姆定律,则R内=R3+R2+rg′=eq \f(E,Ig′)=eq \f(1.5,10-3) Ω=1 500 Ω,则R3=480 Ω,则变阻器R3应该选择F.
(4)电流表示数为120 μA,此时电路中的电流为0.6 mA,根据E=I(Rx+R内)可求得未知电阻为Rx=eq \f(E,I)-R内=eq \f(1.5,0.6×10-3) Ω-1 500 Ω=1 000 Ω.
2.答案:(1)见解析图 (2)1.05 4.3 (3)eq \f(I1,I2)R1 无
解析:(1)实物图中连线如图所示
(2)要将量程为0.3 A的电流表扩充为6 A量程,应该并联电阻的阻值R′=eq \f(IgRg,I-Ig)=eq \f(0.3 A×20 Ω,6 A-0.3 A)≈1.05 Ω,由题图丙可知此时的电流为4.3 A;
(3)R1、R2和Rx、R0并联,两支路两端电压相等,灵敏电流计的示数为零时有eq \f(R1,Rx)=eq \f(R2,R0),可知UR1=URx,即I1R1=I2Rx,解得Rx=eq \f(I1,I2)R1,电流表A1、A2都接在灵敏电流计的右侧电路中,其内阻对左侧电路中Rx的测量结果无影响.
3.答案:(1)5.0 (2)见解析图 (3)见解析图
(4)1.9 14
解析:(1)将小量程的电流表改装成大量程的电流表需要并联一个电阻,根据欧姆定律可知并联电阻的阻值为R=eq \f(IgRg,IA-Ig)=eq \f(100×10-6×2 500,50×10-3-100×10-6) Ω≈5.0 Ω,故电阻箱阻值应为5.0 Ω.
(2)将电流表与电阻箱并联,与其他元件串联,实物图连接如图.
(3)根据表格中数据在坐标系中描点,用直线连线,让大部分点落在直线上或均匀分布在直线两侧,距离较大的点舍去,图像如图所示.
(4)改装后电流表的内阻为
R内=eq \f(IgRg,IA)=eq \f(100×10-6×2 500,50×10-3) Ω=5.0 Ω
根据闭合电路欧姆定律有E=I(R内+r+eq \f(nR0,5))
即eq \f(1,I)=eq \f(R内+r,E)+eq \f(nR0,5E)
图像的斜率为eq \f(R0,5E)=eq \f(70-10,5.6) A-1
图像纵轴截距为eq \f(R内+r,E)=10 A-1
代入数据解得E=1.9 V,r=14 Ω.
4.答案:(1)2 (2)2.000 见解析图 (3)UH=eq \f(BIH,ned)
解析:(1)因为霍尔元件的载流子是电子,所以在霍尔元件中是电子的定向移动形成了电流,根据左手定则可知,电子受到的洛伦兹力向“4”测脚方向,所以“4”测脚的电势低,“2”测脚的电势高.
(2)螺旋测微器的读数为d=2.000 mm
将表格中的数据在图中进行描点连线,则其图像如图所示.
(3)当霍尔元件中的电路稳定后,对元件中的电子来说,其受到洛伦兹力和静电力,且二力平衡,所以有eE=evB,IH=neSv,设霍尔元件的宽度为l,其横截面积为S=ld,其霍尔元件的电压为UH=El,整理后有UH=eq \f(BIH,ned).
5.答案:(1)负 600 (2)R2 见解析图 (3)2.0 16
解析:(1)根据多用电表中两表笔电流的流向为“红进黑出”,欧姆表指针偏转较大时,可知红表笔与二极管的负极相连;此时,多用电表的指针位于6刻度处,二极管的正向电阻为600 Ω;
(2)电源电动势为6 V,R1最大电阻为10 Ω,则电流为I=eq \f(E,R1)=0.6 A,超过其额定电流,故滑动变阻器选择R2,设计电路如图;
(3)设二极管D两端的电压为UD,流过二极管的电流为ID,则有2UD=E-(ID+eq \f(2UD,R2))R1,代入数据解得UD与ID的关系为UD=1.5-0.25ID×103,则通过D的电流与电源电动势的图线在图中横轴上截距为1.5 V,纵轴上截距为6 mA,斜率为-4,因二极管电压UD与流过二极管电流ID还受二极管D的ID-UD特性曲线的限制,因而二极管就工作在负载线与ID-UD特性曲线的相交点P上,由此得二极管两端的电压和电流分别为UD=1.0 V,ID=2.0 mA.
电阻R1上的电压U1=E-2UD=6 V-2×1 V=4 V,其功率P1=eq \f(U12,R1)=16 mW.
n
5
4
3
2
1
I(mA)
16.0
19.1
23.8
32.0
50.0
eq \f(1,I)(A-1)
62.5
52.4
42.0
31.3
20.0
实验次数
1
2
3
4
5
IH/mA
0.50
1.00
1.50
2.00
2.50
UH/mV
41.5
83.1
124.8
166.4
208.1
相关试卷
这是一份2026届高考物理一轮复习周测卷01第一周直线运动(Word版附解析),共5页。试卷主要包含了75 m,02 s=0等内容,欢迎下载使用。
这是一份2026届高考物理一轮复习周测卷05第五周曲线运动(Word版附解析),共6页。
这是一份2026届高考物理一轮复习周测卷06第六周万有引力(Word版附解析),共5页。试卷主要包含了01eq \fB.0,9 km/s,中国空间站在轨运行周期为1等内容,欢迎下载使用。
相关试卷 更多
- 1.电子资料成功下载后不支持退换,如发现资料有内容错误问题请联系客服,如若属实,我们会补偿您的损失
- 2.压缩包下载后请先用软件解压,再使用对应软件打开;软件版本较低时请及时更新
- 3.资料下载成功后可在60天以内免费重复下载
免费领取教师福利

