所属成套资源:新高考物理一轮复习知识梳理+巩固练习 讲义(含答案解析)
新高考物理一轮复习知识梳理+巩固练习讲义第十章第一讲 电磁感应现象和楞次定律(含答案解析)
展开
这是一份新高考物理一轮复习知识梳理+巩固练习讲义第十章第一讲 电磁感应现象和楞次定律(含答案解析),共13页。
一、磁通量
1.概念:在磁感应强度为B的匀强磁场中,与磁场方向垂直的面积S和B的乘积.
2.公式:Φ=BS.
3.公式的适用条件
(1)匀强磁场.
(2)S为垂直磁场的有效面积.
4.单位:1 Wb=1 T·m2.
5.标矢性:磁通量的正、负号不表示方向,磁通量是标量.
二、电磁感应现象
1.定义:当穿过闭合电路的磁通量变化时,电路中有感应电流产生的现象.
2.产生感应电流的条件
(1)条件:①电路闭合;②磁通量发生变化.
(2)特例:闭合电路的一部分导体在磁场内做切割磁感线运动.
三、感应电流的方向
1.楞次定律:感应电流的磁场总要阻碍引起感应电流的磁通量的变化.适用于一切电磁感应现象.
2.右手定则:伸开右手,使拇指与其余四个手指垂直,并且都与手掌在同一个平面内;让磁感线穿入掌心,拇指指向导体运动的方向,这时其余四指指向就是感应电流的方向.适用于导线切割磁感线产生的感应电流.
1.思维辨析
(1)1831年,英国物理学家法拉第发现了电磁感应现象.( )
(2)闭合电路内只要有磁通量,就有感应电流产生.( )
(3)穿过线圈的磁通量和线圈的匝数无关.( )
(4)线框不闭合时,即使穿过线框的磁通量发生变化,线框中也没有感应电流产生.( )
(5)当导体切割磁感线时,一定产生感应电动势.( )
2.如图所示,两个单匝线圈a、b的半径分别为r和2r.圆形匀强磁场B的边缘恰好与a线圈重合,则穿过a、b两线圈的磁通量之比为 ( )
A.1∶1 B.1∶2 C.1∶4 D.4∶1
3.如图所示的各图所描述的物理情境中,没有产生感应电流的是( )
考点 感应电流方向的判断
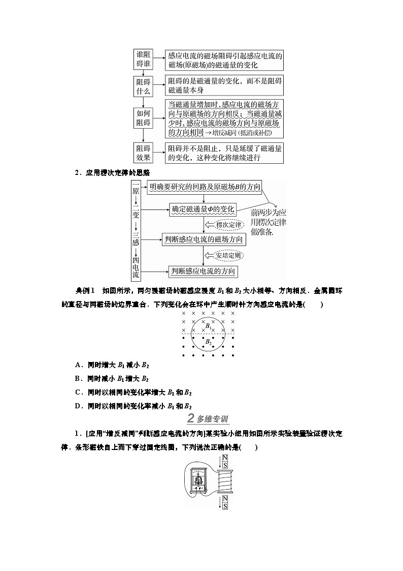
1.楞次定律中“阻碍”的含义
2.应用楞次定律的思路
典例1 如图所示,两匀强磁场的磁感应强度B1和B2大小相等、方向相反.金属圆环的直径与两磁场的边界重合.下列变化会在环中产生顺时针方向感应电流的是( )
A.同时增大B1减小B2
B.同时减小B1增大B2
C.同时以相同的变化率增大B1和B2
D.同时以相同的变化率减小B1和B2
1.[应用“增反减同”判断感应电流的方向]某实验小组用如图所示实验装置验证楞次定律.条形磁铁自上而下穿过固定线圈,下列说法正确的是( )
A.条形磁铁进入线圈时,线圈产生的电流从负极进入电流表
B.条形磁铁离开线圈时,线圈产生的电流从正极进入电流表
C.条形磁铁进入线圈时,线圈施加给磁铁的力向上
D.条形磁铁离开线圈时,线圈施加给磁铁的力向下
2.[应用“增缩减扩”判断感应电流的方向]如图所示,A为水平放置的胶木圆盘,在其侧面均匀分布着负电荷,在A的正上方用绝缘丝线悬挂一个金属圆环B,使B的环面水平且与胶木圆盘面平行,其轴线与胶木圆盘A的轴线OO′重合.现使胶木圆盘A由静止开始绕其轴线OO′按箭头所示方向加速转动,则( )
A.金属环B的面积有扩大的趋势,丝线受到的拉力增大
B.金属环B的面积有缩小的趋势,丝线受到的拉力减小
C.金属环B的面积有扩大的趋势,丝线受到的拉力减小
D.金属环B的面积有缩小的趋势,丝线受到的拉力增大
考点 “三则一律”的综合应用
1.“三则一律”的应用对比
2.“三则一律”的应用技巧
(1)应用楞次定律,一般要用到安培定则.
(2)研究感应电流受到的安培力时,一般先用右手定则确定电流方向,再用左手定则确定安培力的方向,有时也可以直接用楞次定律的推广应用确定.
典例2 (2024·山西太原模拟)(多选)如图所示装置中,ab、cd杆垂直放置在导轨上,与导轨接触良好,杆与导轨之间的摩擦力不计.原来ab、cd杆均静止,当ab杆做如下哪些运动时,cd杆将向左移动( )
A.向右减速运动 B.向右加速运动
C.向左加速运动 D.向左减速运动
1.[“三则一律”的应用](多选)如图所示,金属导轨上的导体棒ab在匀强磁场中沿导轨做下列哪种运动时,铜制线圈c中将有感应电流产生且被螺线管吸引( )
A.向右做匀速运动 B.向左做减速运动
C.向右做减速运动 D.向右做加速运动
2.[发电和电动模型的理解](多选)创意物理实验设计作品《小熊荡秋千》如图所示.两根彼此靠近且相互绝缘的金属棒C、D固定在铁架台上,与两个铜线圈P、Q组成一闭合回路,两个磁性很强的条形磁铁如图所示放置.当用手左右摆动线圈P时,线圈Q也会跟着摆动,仿佛小熊在荡秋千.以下说法正确的是( )
A.P向右摆动的过程中,P中的电流方向为顺时针方向(从右向左看)
B.P向右摆动的过程中,Q也会向右摆动
C.P向右摆动的过程中,Q会向左摆动
D.若用手左右摆动Q,P会始终保持静止
考点 探究影响感应电流方向的因素
1.[探究影响感应电流方向的因素]某同学利用如图(a)所示实验装置,来完成“探究影响感应电流方向的因素”的实验.则:
下表为该同学记录的实验现象:
(1)由实验记录1、3可发现穿过闭合回路的磁通量增大,感应电流的磁场方向与原磁场方向________;由实验记录2、4可发现穿过闭合回路的磁通量减小时,感应电流的磁场方向与原磁场方向________(以上两空均填“相反”或“相同”).由此得出结论:感应电流的磁场总是________(填“增强”或“阻碍”)穿过原线圈的磁通量的变化.
(2)该同学利用图(b)所示装置进行实验,两个电流表相同,零刻度居中.闭合开关后,当滑动变阻器R的滑片P不动时,甲、乙两个电流表指针位置如图所示.该同学进行了一些操作,发现电流表乙的指针向左偏转.
那么,根据(1)中得到的结论,请你分析该同学可能进行了的操作是:
①_________________________________________________________________;
②__________________________________________________________________.
2.[实验拓展创新]在“探究电磁感应的产生条件”的实验中,先按如图甲所示连线,不通电时,电流计指针停在正中央,闭合开关S时,观察到电流表指针向左偏.然后按如图乙所示将灵敏电流计与副线圈B连成一个闭合回路,将原线圈A、电源、滑动变阻器和开关S串联成另一个闭合电路.
(1)如图甲所示电路中,串联定值电阻R的主要作用是________.
A.减小电源两端的电压,保护电源
B.增大电源两端的电压,保护开关
C.减小电路中的电流,保护灵敏电流计
D.减小电路中的电流,保护开关
(2)图乙中,开关S闭合后,在原线圈A插入副线圈B的过程中,灵敏电流计的指针将________(填“向左”“向右”或“不”)偏转.
(3)图乙中,开关S闭合后,线圈A放在B中不动,在滑动变阻器的滑片P向左滑动的过程中,灵敏电流计指针将________(填“向左”“向右”或“不”)偏转.
(4)图乙中,S闭合后,线圈A放在B中不动,在突然断开S时,灵敏电流计指针将________(填“向左”“向右”或“不”)偏转.
答案及解析
1.思维辨析
(1)1831年,英国物理学家法拉第发现了电磁感应现象.(√)
(2)闭合电路内只要有磁通量,就有感应电流产生.(×)
(3)穿过线圈的磁通量和线圈的匝数无关.(√)
(4)线框不闭合时,即使穿过线框的磁通量发生变化,线框中也没有感应电流产生.(√)
(5)当导体切割磁感线时,一定产生感应电动势.(√)
2.如图所示,两个单匝线圈a、b的半径分别为r和2r.圆形匀强磁场B的边缘恰好与a线圈重合,则穿过a、b两线圈的磁通量之比为 ( )
A.1∶1 B.1∶2 C.1∶4 D.4∶1
答案:A
3.如图所示的各图所描述的物理情境中,没有产生感应电流的是( )
解析:开关S闭合稳定后,穿过线圈N的磁通量保持不变,线圈N中不会产生感应电流,故A符合题意;磁铁向铝环A靠近,穿过铝环的磁通量增大,铝环中会产生感应电流,故B不符合题意;金属框从A位置向B位置运动,穿过金属框的磁通量发生变化,金属框中会产生感应电流,故C不符合题意;铜盘在磁场中按如图所示方向转动,铜盘的一部分切割磁感线,回路中会产生感应电流,故D不符合题意.
答案:A
考点 感应电流方向的判断
典例1 如图所示,两匀强磁场的磁感应强度B1和B2大小相等、方向相反.金属圆环的直径与两磁场的边界重合.下列变化会在环中产生顺时针方向感应电流的是( )
A.同时增大B1减小B2
B.同时减小B1增大B2
C.同时以相同的变化率增大B1和B2
D.同时以相同的变化率减小B1和B2
解析:若产生顺时针方向的感应电流,则感应磁场的方向垂直纸面向里,由楞次定律可知,圆环中的净磁通量变化为向里的磁通量减少或者向外的磁通量增多,A错误,B正确.同时以相同的变化率增大B1和B2,或同时以相同的变化率减小B1和B2,两个磁场的磁通量总保持大小相同,所以总磁通量为0,不会产生感应电流,C、D 错误.故选B.
1.[应用“增反减同”判断感应电流的方向]某实验小组用如图所示实验装置验证楞次定律.条形磁铁自上而下穿过固定线圈,下列说法正确的是( )
A.条形磁铁进入线圈时,线圈产生的电流从负极进入电流表
B.条形磁铁离开线圈时,线圈产生的电流从正极进入电流表
C.条形磁铁进入线圈时,线圈施加给磁铁的力向上
D.条形磁铁离开线圈时,线圈施加给磁铁的力向下
解析:当条形磁铁进入线圈时,穿过线圈的磁感线向上,磁通量增加,根据楞次定律,可知线圈产生的电流从正极进入电流表,A错误;当条形磁铁离开线圈时,穿过线圈的磁感线向上,磁通量减少,根据楞次定律,可知线圈产生的电流从负极进入电流表,B错误;根据楞次定律和等效思想,可知当条形磁铁进入线圈时,线圈内产生的感应电流对条形磁铁的运动有阻碍作用,可知线圈施加给磁铁的力方向向上,同理可知,当条形磁铁离开线圈时,线圈施加给磁铁的力方向向上,C正确,D错误.
答案:C
2.[应用“增缩减扩”判断感应电流的方向]如图所示,A为水平放置的胶木圆盘,在其侧面均匀分布着负电荷,在A的正上方用绝缘丝线悬挂一个金属圆环B,使B的环面水平且与胶木圆盘面平行,其轴线与胶木圆盘A的轴线OO′重合.现使胶木圆盘A由静止开始绕其轴线OO′按箭头所示方向加速转动,则( )
A.金属环B的面积有扩大的趋势,丝线受到的拉力增大
B.金属环B的面积有缩小的趋势,丝线受到的拉力减小
C.金属环B的面积有扩大的趋势,丝线受到的拉力减小
D.金属环B的面积有缩小的趋势,丝线受到的拉力增大
解析:使胶木圆盘A由静止开始绕其轴线OO′按箭头所示方向加速转动,穿过金属环B的磁通量增大,根据楞次定律,金属环B的面积有缩小的趋势,且B有向上升高(远离)的趋势,丝线受到的拉力减小,故B项正确.
答案:B
考点 “三则一律”的综合应用
典例2 (2024·山西太原模拟)(多选)如图所示装置中,ab、cd杆垂直放置在导轨上,与导轨接触良好,杆与导轨之间的摩擦力不计.原来ab、cd杆均静止,当ab杆做如下哪些运动时,cd杆将向左移动( )
A.向右减速运动 B.向右加速运动
C.向左加速运动 D.向左减速运动
解析:cd杆向左移动,则cd杆受到的安培力水平向左,根据左手定则,cd杆上电流方向为从d流向c,根据楞次定律,线圈L1中磁场方向向下增强或是向上减弱,若线圈L1中磁场方向向下增强,则ab杆中电流方向为从b流向a,并且逐渐变大,则速度变大,结合右手定则,ab杆向左加速运动,同理可得,若线圈L1中磁场方向向上减弱,ab杆向右减速运动,B、D错误,A、C正确.故选AC.
1.[“三则一律”的应用](多选)如图所示,金属导轨上的导体棒ab在匀强磁场中沿导轨做下列哪种运动时,铜制线圈c中将有感应电流产生且被螺线管吸引( )
A.向右做匀速运动 B.向左做减速运动
C.向右做减速运动 D.向右做加速运动
解析:当导体棒向右匀速运动时产生恒定的电流,穿过线圈的磁通量恒定不变,无感应电流产生,A错误;当导体棒向左做减速运动时,由右手定则可判定回路中出现从b→a的感应电流且减小,由安培定则知螺线管中感应电流的磁场向左且减弱,由楞次定律知c中出现顺时针方向的感应电流(从右向左看)且被螺线管吸引,B正确;同理可判定C正确,D错误.
答案:BC
2.[发电和电动模型的理解](多选)创意物理实验设计作品《小熊荡秋千》如图所示.两根彼此靠近且相互绝缘的金属棒C、D固定在铁架台上,与两个铜线圈P、Q组成一闭合回路,两个磁性很强的条形磁铁如图所示放置.当用手左右摆动线圈P时,线圈Q也会跟着摆动,仿佛小熊在荡秋千.以下说法正确的是( )
A.P向右摆动的过程中,P中的电流方向为顺时针方向(从右向左看)
B.P向右摆动的过程中,Q也会向右摆动
C.P向右摆动的过程中,Q会向左摆动
D.若用手左右摆动Q,P会始终保持静止
解析:P向右摆动的过程中,穿过线圈的磁通量减少,根据楞次定律,P中的电流方向为顺时针方向(从右向左看),A正确.P向右摆动的过程中,P中的电流方向为顺时针方向(从右向左看),Q中的电流方向也为顺时针方向(从右向左看),Q线圈下侧将受到向右的安培力作用,所以Q也会向右摆动,B正确,C错误.若用手左右摆动Q,线圈Q切割磁感线产生感应电动势,在P线圈中将产生感应电流,P线圈受到安培力作用,由左手定则可判断出P将摆动,不会保持静止,D错误.
答案:AB
考点 探究影响感应电流方向的因素
1.[探究影响感应电流方向的因素]某同学利用如图(a)所示实验装置,来完成“探究影响感应电流方向的因素”的实验.则:
下表为该同学记录的实验现象:
(1)由实验记录1、3可发现穿过闭合回路的磁通量增大,感应电流的磁场方向与原磁场方向________;由实验记录2、4可发现穿过闭合回路的磁通量减小时,感应电流的磁场方向与原磁场方向________(以上两空均填“相反”或“相同”).由此得出结论:感应电流的磁场总是________(填“增强”或“阻碍”)穿过原线圈的磁通量的变化.
(2)该同学利用图(b)所示装置进行实验,两个电流表相同,零刻度居中.闭合开关后,当滑动变阻器R的滑片P不动时,甲、乙两个电流表指针位置如图所示.该同学进行了一些操作,发现电流表乙的指针向左偏转.
那么,根据(1)中得到的结论,请你分析该同学可能进行了的操作是:
①_________________________________________________________________;
②__________________________________________________________________.
解析:(1)由实验记录1、3可发现穿过闭合回路的磁通量增大,感应电流的磁场方向与原磁场方向相反;由实验记录2、4可发现穿过闭合回路的磁通量减小时,感应电流的磁场方向与原磁场方向相同.由此得出结论,感应电流的磁场总是阻碍穿过原线圈的磁通量的变化.
(2)两电流表完全相同,电流从相同一方接线柱流入时指针向相同方向偏转;当该同学进行了一些操作,发现电流表乙的指针向左偏转,可知电流从左方流入;由电路及(1)中总结的规律,可知是线圈A中电流变大,则该同学可能进行了的操作是:①断开开关,等电路稳定后再闭合开关;②滑动变阻器的滑片向a端迅速滑动.
答案:(1)相反 相同 阻碍 (2)①断开开关,等电路稳定后再闭合开关 ②滑动变阻器的滑片向a端迅速滑动
2.[实验拓展创新]在“探究电磁感应的产生条件”的实验中,先按如图甲所示连线,不通电时,电流计指针停在正中央,闭合开关S时,观察到电流表指针向左偏.然后按如图乙所示将灵敏电流计与副线圈B连成一个闭合回路,将原线圈A、电源、滑动变阻器和开关S串联成另一个闭合电路.
(1)如图甲所示电路中,串联定值电阻R的主要作用是________.
A.减小电源两端的电压,保护电源
B.增大电源两端的电压,保护开关
C.减小电路中的电流,保护灵敏电流计
D.减小电路中的电流,保护开关
(2)图乙中,开关S闭合后,在原线圈A插入副线圈B的过程中,灵敏电流计的指针将________(填“向左”“向右”或“不”)偏转.
(3)图乙中,开关S闭合后,线圈A放在B中不动,在滑动变阻器的滑片P向左滑动的过程中,灵敏电流计指针将________(填“向左”“向右”或“不”)偏转.
(4)图乙中,S闭合后,线圈A放在B中不动,在突然断开S时,灵敏电流计指针将________(填“向左”“向右”或“不”)偏转.
解析:(1)电路中串联定值电阻,目的是减小电流,保护灵敏电流计,故本题答案为选项C.
(2)由题意知,当电流从灵敏电流计的正接线柱流入时,指针向左偏转.开关S闭合后,将原线圈A插入B的过程中,穿过B的磁场向下,磁通量变大,由楞次定律可知,感应电流从灵敏电流计正接线柱流入,则灵敏电流计的指针将向左偏转.
(3)线圈A放在B中不动,穿过B的磁场向下,将滑动变阻器的滑片向左滑动时,穿过B的磁通量增大,由楞次定律可知,感应电流从灵敏电流计正接线柱流入,则灵敏电流计的指针将向左偏转.
(4)线圈A放在B中不动,穿过B的磁场向下,突然断开S时,穿过B的磁通量减小,由楞次定律可知,感应电流从灵敏电流计负接线柱流入,则灵敏电流计的指针将向右偏转.
答案:(1)C (2)向左 (3)向左 (4)向右
直观情境
名称
基本现象
应用的定则或定律
电流的磁效应
运动电荷、电流产生磁场
安培定则
洛伦兹力、安培力
磁场对运动电荷、电流有作用力
左手定则
电磁感应
部分导体做切割磁感线运动
右手定则
闭合回路磁通量变化
楞次定律
实验装置图
操作要领
磁体运动式
(1)条形磁铁以不同方式运动引起磁通量变化:观察插入磁铁、拔出磁铁时指针偏转方向.
(2)感应电流大小与条形磁铁运动的关系:磁铁插入、拔出,改变插入、拔出的速度,观察感应电流大小的变化.
(3)先确定电流方向与指针偏转方向的关系,进而研究产生的感应电流方向与磁通量变化的关系
原线圈中电流变化式
(1)电流变化与磁通量变化的关系:磁通量增加时有感应电流,磁通量减少时也有感应电流.
(2)电流变化快慢与产生的感应电流大小关系.
(3)先确定电流方向与指针偏转方向的关系,进而研究产生的感应电流方向与磁通量变化的关系
部分导体切割磁感线
(1)导体ab上下运动,观察电流表指针是否偏转.
(2)导体ab左右运动,观察电流表指针是否偏转.
(3)移动磁体,观察电流表指针变化情况,并分析产生感应电流的规律
序号
磁体磁场的方向(正视)
磁体运动情况
指针偏转情况
感应电流的磁场方向(正视)
1
向下
插入线圈
向左
向上
2
向下
拔出线圈
向右
向下
3
向上
插入线圈
向右
向下
4
向上
拔出线圈
向左
向上
序号
磁体磁场的方向(正视)
磁体运动情况
指针偏转情况
感应电流的磁场方向(正视)
1
向下
插入线圈
向左
向上
2
向下
拔出线圈
向右
向下
3
向上
插入线圈
向右
向下
4
向上
拔出线圈
向左
向上
相关试卷
这是一份新高考物理一轮复习知识梳理+巩固练习讲义第十二章第一讲 机械振动(含答案解析),共18页。试卷主要包含了20 m/s,木板的长度是0,分析简谐运动的技巧等内容,欢迎下载使用。
这是一份新高考物理一轮复习知识梳理+巩固练习讲义第九章第一讲 磁场及其对电流的作用(含答案解析),共15页。试卷主要包含了安培定则的应用等内容,欢迎下载使用。
这是一份新高考物理一轮复习知识梳理+巩固练习讲义第七章第一讲 电场力的性质(含答案解析),共20页。试卷主要包含了电场线,5×10-7 C,8) N=1等内容,欢迎下载使用。

