还剩5页未读,
继续阅读
所属成套资源:2025届高中化学二轮专题复习
成套系列资料,整套一键下载
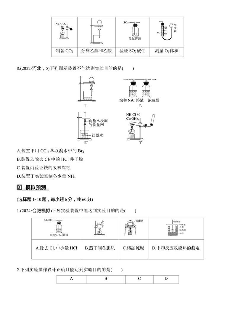
2025届高考化学二轮专题复习练习题 专题三 第2练[选择题] 实验装置与操作的评价与判断
展开
这是一份2025届高考化学二轮专题复习练习题 专题三 第2练[选择题] 实验装置与操作的评价与判断,共8页。
相关试卷
新高考化学二轮复习练习专题五 化学实验基础--实验装置操作与评价(2份,原卷版+解析版):
这是一份新高考化学二轮复习练习专题五 化学实验基础--实验装置操作与评价(2份,原卷版+解析版),文件包含新高考化学二轮复习练习专题五化学实验基础--实验装置操作与评价教师版docx、新高考化学二轮复习练习专题五化学实验基础--实验装置操作与评价学生版docx等2份试卷配套教学资源,其中试卷共37页, 欢迎下载使用。
新教材适用2024版高考化学二轮总复习新高考选择题突破七装置型实验操作与评价:
这是一份新教材适用2024版高考化学二轮总复习新高考选择题突破七装置型实验操作与评价,共8页。试卷主要包含了 下列实验能达到实验目的的是, 下列实验装置错误的是等内容,欢迎下载使用。
新高考化学二轮复习精选练习专题五 化学实验基础--实验装置操作与评价(含解析):
这是一份新高考化学二轮复习精选练习专题五 化学实验基础--实验装置操作与评价(含解析),共18页。试卷主要包含了各种仪器,常见的物质分离和提纯,常见的实验装置,化学实验方案的设计与评价等内容,欢迎下载使用。

