四川省眉山市2024-2025学年高一上学期1月期末联考试题 生物 Word版含答案
展开
这是一份四川省眉山市2024-2025学年高一上学期1月期末联考试题 生物 Word版含答案,文件包含生物眉山市县高中24级高一期末联考生物试题docx、生物眉山市县高中24级高一期末联考生物答案docx等2份试卷配套教学资源,其中试卷共9页, 欢迎下载使用。
(总分100分,75分钟完卷)
单选题(25小题,每题2分,共50分)
1.下列关于真核生物和原核生物的叙述中,错误的是
①原核生物细胞无线粒体,不能进行有氧呼吸②原核生物细胞没有核膜,其拟核区有一个链状DNA分子③链霉菌属于真核生物④细菌都是营腐生或寄生生活的异养生物⑤多细胞生物是真核生物,单细胞生物是原核生物⑥醋酸菌是原核生物,没有生物膜系统
A.①③⑤B.②③④⑤C.①②③④⑤D.①②③④⑤⑥
2.核酸是遗传信息的携带者,生物都含有核酸。下列相关叙述正确的是
A.大肠杆菌的遗传物质彻底水解产物有8种
B.蓝细菌细胞的DNA只分布在细胞核中
C.酵母菌DNA与RNA在化学组成上的差异是所含碱基不同
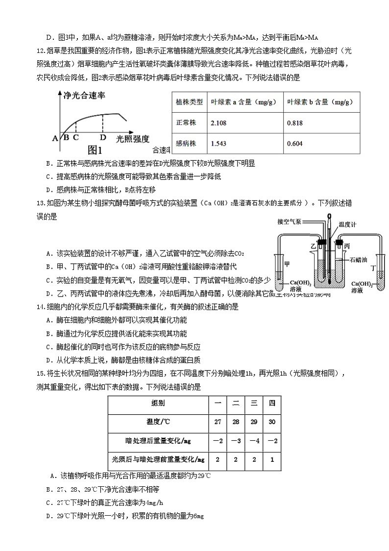
D.HIV的RNA分子中的核糖核苷酸排列顺序储存着遗传信息
3.下列各项没有体现细胞膜的功能的是
A.用清水洗菠菜,清水不会出现绿色B.精子和卵细胞之间的识别和结合
C.控制细胞合成所需的各种物质D.病毒和细菌不能轻易地侵入细胞
4.下列关于构成细胞的化学元素、大量元素和微量元素的叙述,不正确的是
A.无机自然界的元素在生物界都能够找到,这说明生物界和非生物界具有统一性
B. C、H、O、N、P、S、K都是大量元素,C在各种有机物中都存在
C.划分大量元素和微量元素的标准是元素在生物体中的含量
D.微量元素虽然含量少,但也是生命活动不可缺少的
5.如图为细胞中一些化合物及其组成的关系图。下列相关叙述错误的是
A.细胞中常见的生物大分子有核酸、多糖和蛋白质
B.E表示氨基酸,⑩表示蛋白质,其功能具有多样性
C.C表示脱氧核苷酸,⑧表示DNA,其结构具有多样性
D.①表示C、H、O,⑥表示糖原,⑥主要分布在肝脏和肌肉中
6.钙调蛋白是广泛存在于真核细胞的Ca2+感受器。小鼠钙调蛋白两端有近似对称的球形结构,每个球形结构可结合2个Ca2+。下列叙述错误的是
A.钙调蛋白的合成场所是核糖体
B.Ca2+是钙调蛋白的基本组成单位
C.钙调蛋白球形结构的形成与氢键有关
D.钙调蛋白结合Ca2+后,空间结构可能发生变化
7.若要鉴定某物质是否为蛋白质,则下列选用的试剂及操作步骤正确的是
①0.1g·mL-1的NaOH溶液②0.01g·mL-1的NaOH溶液③0.01g·mL-1的CuSO4溶液④0.05g·mL-1的CuSO4溶液⑤水浴加热⑥不进行水浴加热⑦等量混合,现配现用⑧分开滴加
A.①③⑥⑧B.②④⑤⑦C.①④⑤⑧D.②③⑥⑦
8.科学家将编码天然蜘蛛丝蛋白的基因导入家蚕,使其控制合成一种特殊的复合纤维蛋白,该复合纤维蛋白的韧性优于天然蚕丝蛋白。下列有关该复合纤维蛋白的叙述,正确的是
A.高温、低温、过酸、过碱的条件可改变该蛋白的化学组成,从而改变其韧性
B.该蛋白结构的多样性与氨基酸的种类、数量、排列顺序、空间结构有关
C.该蛋白彻底水解的产物可与双缩脲试剂发生作用,产生紫色反应
D.形成该蛋白时,产生的水中的氢来源于一个氨基酸的氨基和另一个氨基酸的羧基
9.下面关于科学史说法正确的是
A.英国科学家希尔用同位素标记法证光合作用产生的O2来源于水
B.恩格尔曼的实验直接证明了叶绿体能直接吸收光能用于光合作用放氧
C.毕希纳从刀豆种子提取脲酶,然后又用多种方法证明脲酶是蛋白质
D.欧文顿以哺乳动物的红细胞为材料,实验证明细胞膜是由脂质组成的
10. ATP 的结构如图甲所示,ATP 与ADP 相互转化的关系式如图乙所示。下列相关叙述错误的是
A.物质①为腺嘌呤核糖核苷酸,是构成RNA的单体之一
B.②处化学键断裂后,释放的磷酸基团能与蛋白质结合
C.酶1 和酶2 催化不同的化学反应,说明酶有专一性
D.生物合成ATP 所需的能量均来自有机物的氧化分解
11.图1是显微镜下观察到的某一时刻的细胞图像。图2表示一种渗透作用装置。图3是另一种渗透装置,一段时间
后液面上升的高度为h。这两个装置所用的半透膜都不能让蔗糖分子通过,但可以让葡萄糖分子和水分子通过。下列叙述错误的是
A.若图1是某同学观察植物细胞质壁分离与复原实验时拍的显微照片,则此时细胞液浓度大于外界溶液浓度
B.图2中,若A为0.3g/mL葡萄糖溶液,B为清水,则平衡后A 侧液面与B侧液面一样高
C.图3中,若每次平衡后都将产生的水柱h移走,那么随着时间的推移,h将会越来越小
D.图3中,如果A、a均为蔗糖溶液,则开始时浓度大小关系为Ma>MA,达到平衡后Ma>MA
12.烟草是我国重要的经济作物,图1表示正常植株随光照强度变化其净光合速率变化曲线,光胁迫时(光照强度过高)烟草细胞内产生活性氧破坏类囊体薄膜导致光合速率降低。种植过程若感染烟草花叶病毒,农民收成会降低,图2表示感染烟草花叶病毒后叶绿素含量变化情况。下列说法错误的是
A.图1C点对应条件下,限制烟草光合速率进一步提高的因素主要是光照强度
B.正常株与感病株光合速率的差异在D光照强度下较B光照强度下明显
C.提高感病株的光照强度可能导致其色素含量进一步降低
D.感病株与正常株相比,B点将左移
13.如图为某生物小组探究酵母菌呼吸方式的实验装置(Ca(OH)2是澄清石灰水的主要成分)。下列叙述错误的是
A.该实验装置的设计不够严谨,通入乙试管中的空气必须除去CO2
B.甲、丁两试管中的Ca(OH)2溶液可用酸性重铬酸钾溶液替代
C.实验的自变量是有无氧气,因变量可以是甲、丁两试管中检测CO2的多少
D.乙、丙两试管中的液体应先煮沸,冷却后再加入酵母菌,以便消除其它微生物对实验的影响
14.细胞内的化学反应几乎都需要酶来催化,有关酶的叙述正确的是
A.酶在细胞内和细胞外都可以实现其催化功能
B.酶通过为化学反应提供活化能来实现其功能
C.酶起催化的同时也可作为该反应的底物参与反应
D.从化学本质上说,酶都是由核糖体合成的蛋白质
15.将生长状况相同的某种绿叶均分为四组,在不同温度下分别暗处理1h,再光照1h(光照强度相同),测其重量变化,得出如下表的数据。下列说法错误的是
A.该植物呼吸作用与光合作用的最适温度都约为29℃
B.27、28、29℃下净光合速率不相等
C.27℃下绿叶的真正光合速率为4mg/h
D.29℃下绿叶光照一小时,积累的有机物的量为6mg
16.硝化细菌通过化能合成作用形成有机物,需要下列哪种环境条件
A.具有NH3及缺氧B.具有NH3和氧
C.具有硝酸及缺氧D.具有硝酸和氧
17.下列关于光合作用的叙述,正确的是
A.叶绿体类囊体上产生的ATP可用于吸收矿质元素离子
B.夏季晴天光照最强时,植物光合速率一定最高
C.进入叶绿体的CO2能被NADPH直接还原
D.正常进行光合作用的植物突然停止光照,C5与ATP含量会下降
18.关于细胞周期的分裂间期分为G1期、S期、G2期。G1期是从上次细胞增殖周期完成以后开始的,这时期主要进行RNA、一些蛋白质和酶的生物合成,为DNA复制作准备。S期最主要的特征是DNA分子的复制,使DNA含量增加了一倍。G2期中RNA和蛋白质合成,形成微管蛋白和细胞膜上的蛋白质,为细胞分裂期作准备。下列叙述正确的是
A.G2期姐妹染色单体尚未形成
B.DNA复制在G1期进行
C.细胞周期中染色体、核仁及核膜会发生周期性变化
D.同一个体不同组织细胞的细胞周期长短不一致,但间期长短基本一致
19.细胞呼吸原理广泛用于生产实践中,表中措施与目的不正确的是
组别
一
二
三
四
温度/℃
27
28
29
30
暗处理后重量变化/mg
-2
-3
-4
-2
光照后与暗处理前重量变化/mg
2
2
2
1
A.AB.BC.CD.D
20.下列关于细胞代谢的叙述,正确的是
A.甲图曲线e说明叶绿素能吸收紫外线,而不能吸收红外线
B.乙图中的O2浓度为n时,有氧呼吸与无氧呼吸消耗的葡萄糖相等
C.若提高丙图b点对应的温度,植株CO2的吸收量一定会有所增加
D.丁图曲线a表示植物总光合作用,则二曲线的交点表示有机物积累量为0
21.某兴趣小组设计了如图所示的实验装置若干组,在室温25℃下进行了一系列的实验(说明:装置内氧气充足,不考虑无氧呼吸)下列对实验过程中装置条件及结果的叙述,正确的是
A.若X溶液为缓冲液并给予光照,液滴移动距离可表示真光合速率
B.若X溶液为溶液并将装置遮光处理,液滴右移
C.若X溶液为清水并给予适宜的光照,光合作用大于细胞呼吸时,液滴右移动
D.若X溶液为清水并将植物更换为萌发的经表面消毒的油菜种子,液滴左移
22.线粒体的外膜含很多称作“孔道蛋白”的整合蛋白,通透性较大,可允许离子和小分子通过。线粒体内膜则不含孔道蛋白,通透性很弱,几乎所有离子和分子都需要特殊的跨膜转运蛋白来进出基质。分析下图说法错误的是
A.线粒体内外膜组成成分类似,内膜的蛋白质含量较高
B.图中糖酵解形成丙酮酸的过程和无氧呼吸的场所相同
C.丙酮酸穿过外膜和内膜的方式均为协助扩散,不消耗能量
D.丙酮酸在线粒体内进行第二阶段反应,释放出的能量只有少部分储存在ATP中
选项
应用
措施
目的
A
水果保鲜
零上低温
降低酶活性,降低细胞呼吸
B
种子贮存
晒干
降低自由水含量,降低细胞呼吸
C
制作酸奶
通入无菌空气
加快乳酸菌繁殖,有利于乳酸发酵
D
栽种庄稼
疏松土壤
促进根有氧呼吸,利于根系生长
23.下图为小鼠细胞有氧呼吸过程的示意图,A~F表示相关物质,甲、乙、丙表示各反应阶段。下列叙述错误的是
A.甲、乙阶段均产生[H]
B.乙、丙阶段均在线粒体中进行
C.甲阶段产生的能量比丙阶段多
D.物质C与物质E代表同种物质
24.下图表示夏季时某植物体在不同程度遮光条件下净光合速率的部分日变化曲线,据图分析有关叙述正确的是
A.该植物c点和,d点有机物含量相同
B.一天中30%的适当遮光均会显著增强净光合速率
C.a-b段大部分叶肉细胞细胞能产生ATP的场所只有细胞质基质、线粒体和叶绿体
D.M点时该植物体内叶肉细胞消耗的二氧化碳量等于该细胞呼吸产生的二氧化碳量
25.图1是某生物体细胞有丝分裂不同时期的图像,图2是该细胞有丝分裂不同时期的染色体数和核DNA数,a~c代表不同的分裂时期。下列相关叙述正确的是
A.图1是动物细胞的分裂,细胞两极各有一对中心体
B.细胞甲处于有丝分裂后期,染色体数和核DNA数均加倍
C.细胞乙中染色体数∶染色单体数∶核DNA数=1∶2∶1
D.图2中b→a的过程对应图1中的乙→甲的过程
非选择题(5小题,共50分)
26.如图为物质出入细胞的四种方式示意图,请据图回答:
(1)图中A表示 方式,图中B表示 方式,C表示 方式,D表示 方式。
(2)K+、O2和葡萄糖三种物质中,通过B方式进入红细胞的是 。
(3)与A方式相比,B方式的主要特点是需要借助 ,该物质是在细胞内的 上合成的。
(4)胰岛B细胞分泌胰岛素是通过 方式进行的,该种运输方式也体现出细胞膜 的特点。
(5)与C运输方式有关的细胞器主要是 。
27.如图为高等植物光合作用的部分过程示意图。图中甲、乙表示物质,①②表示反应阶段。回答下列问题。
(1)物质甲是 ,图中①是光合作用的 阶段,该阶段中有吸收光能的色素,分离绿叶中色素的原理是 。提取色素时用碳酸钙的目的是 。
(2)图中②是光合作用的 阶段,进行的场所是叶绿体的 。该阶段包括的生理过程有 和C3的还原。
(3)图中①为②提供的物质乙是 。影响光合作用强度的主要环境因素除光照强度外,还有 (至少答出两项)。
28.下面图1和图2分别表示某一生物体内细胞有丝分裂图像与图解,其中字母表示时间点,O→F时间段表示一个完整的细胞周期。请据图回答问题。
(1)图1所示的细胞所处的分裂时期是 ,此时对应图2曲线中的 段(用字母表示)。
(2)核DNA数目的加倍发生在图2中的 段(用字母表示),其所在的细胞时期发生多种生理活动,其中 与核糖体有直接关系。
(3)图中B→C时段染色体、染色单体与核DNA数目比例为 ,这种比例将持续到图2的 点才可能开始变化。
(4)显微观察染色体的形态、数目的最佳时期是 ,请在图3的虚线方框内画出该时期高等植物细胞(正常体细胞染色体数目为4条)有丝分裂模式图 。
29.番茄中维生素、矿物质和番茄红素等含量较高,且物美价廉,是餐桌上较为常见的蔬菜之一、番茄的生长受多种外界因素的影响,某生物兴趣小组利用密闭大棚内种植的番茄植株开展实验,实验过程如下:
①测定该密闭大棚内一昼夜间CO2含量的变化,绘制曲线,如图1所示。
②在保持大棚内温度适宜情况下,分别测定不同光照条件下番茄植株的光合作用速率,绘制表格,如表格所示。
③在密闭大棚内不同CO2含量的情况下,分别测定番茄植株对CO2的吸收情况,绘制曲线,如图2所示。在整个实验过程中保持呼吸作用强度相对恒定,请据图回答下列问题:
不同光照条件下番茄的光合作用速率
(注:klx表示“千勒克斯”,光照强度的单位)
(1)实验过程②的自变量是 。黑暗条件下,番茄叶肉细胞产生 NADH(即[H])的场所有 。当光照强度为9klx时,番茄固定的CO2的量为 mg·100cm-2叶·h-1,当光照强度超过9klx时,番茄光合速率不再增加,此时限制番茄光合作用速率的主要环境因素是 。
(2)由图1可知,番茄开始进行光合作用的时间 (选填“早于6点”、“始于6点”或“晚于6点”);引起BD段CO2相对含量显著下降的主要原因是 使其光合速率加快;曲线中番茄植株的呼吸速率与光合速率相等的时间点为
(用图中字母表示)。
(3)叶绿体中NADPH和ATP的生成场所是 。由图2可知,与X点相比,Y点所对应的叶绿体中NADPH和ATP的生成速率 (选填“更快”、“更慢”或“基本不变”);若适当降低光照强度,图2 中的Y点将向 移。
30.大田常规栽培时,水稻野生型(WT)的产量和黄绿叶突变体(ygl)的产量差异不明显,但在高密度栽培条件下ygl产量更高,其相关生理特征见下表和图。不考虑光照强度对呼吸速率的影响。
光合、呼吸相等时的光照强度
光饱和时的光照强度
光饱和时的 CO2吸收量
黑暗条件下的 CO2释放量
3klx
9klx
32 mg·100cm-2叶·h-1
8 mg·100cm-2叶·h-l
分析图表,回答下列问题:
(1)水稻叶绿体中光合色素分布在 上,其中叶黄素主要吸收 (填“红光”、“黄光”或“蓝紫光”)。
(2)据表分析ygl叶色黄绿的原因可能是 。
(3)图1显示光照强度逐渐增加达到2000μuml·m-2·s-1时,WT的净光合速率不再随光照强度的增强而增加,此时的光照强度称为 。结合图3可知,光照强度为500μuml·m-2·s-1时,比较两者的总光合速率,可得ygl WT(填“高于”、“低于”或“等于”)。
(4)与ygl相比,WT的光补偿点较 ,可能的原因是 (至少写两点原因)
相关试卷
这是一份四川省眉山市仁寿县仁寿一中南校区2024-2025学年高一上学期期末模拟考试生物试卷(Word版附解析),共29页。试卷主要包含了单选题等内容,欢迎下载使用。
这是一份四川省眉山市仁寿县协作体2024-2025学年高一上学期11月期中联考生物试卷(Word版附解析),文件包含四川省眉山市仁寿县协作体2024-2025学年高一上学期11月期中联考生物试题Word版含解析docx、四川省眉山市仁寿县协作体2024-2025学年高一上学期11月期中联考生物试题Word版无答案docx等2份试卷配套教学资源,其中试卷共25页, 欢迎下载使用。
这是一份四川省眉山市仁寿县2024-2025学年高一上学期11月期中校际联考生物试题,文件包含四川省眉山市仁寿县2024-2025学年高一上学期11月期中校际联考生物试题docx、参考答案docx等2份试卷配套教学资源,其中试卷共10页, 欢迎下载使用。

