山东省实验中学2023-2024学年高二上学期期中考试化学试题
展开
这是一份山东省实验中学2023-2024学年高二上学期期中考试化学试题,共11页。试卷主要包含了0×10-10ml/L,6L气体,0×10- 4等内容,欢迎下载使用。
高二化学试题
说明:本试卷满分100分,分为第Ⅰ卷(选择题)和第Ⅱ卷(非选择题)两部分,第Ⅰ卷为第1页至第5页,第Ⅱ卷为第5页至第8页。试题答案请用2B铅笔或0.5mm签字笔填涂到答题卡规定位置上,书写在试题上的答案无效。考试时间90分钟。
可能用到的相对原子质量:H:1 C:12 N:14 O:16 Cu:64
第Ⅰ卷 (共40分)
一、选择题:本题共10小题,每小题2分,共20分。每小题只有一个选项符合题目要求。
1.生产生活中处处有化学,下列有关说法正确的是
A.天然硬水呈碱性的原因是其中含有较多的Mg2+、Ca2+等离子
B.焊接时用NH4Cl溶液除锈,运用了盐类的水解原理
C.明矾中的铝离子可在水中形成胶体,用于水体净化与消毒
D.航天器电池系统在光照区电解、在阴影区放电,该过程属于可逆反应
2.下列说法正确的是
A.反应3C(s) + CaO(s) = CaC2(s) + CO(g) 常温下不能自发进行,说明该反应的ΔH 0B.在氢碳比为2.0时,Q点:v(正)< v(逆)
C.氢碳比:① < ②D.P点对应温度的平衡常数为512 (ml·L-1)-3
10.下列说法中正确的是
A.合成氨反应选择在400~500℃进行的重要原因是催化剂在500℃左右时的活性最大
B.在工业生产条件优化时,只考虑经济性就行,不用考虑环保
C.工业合成氨的反应是∆Hc(ClO- )>c(OH- )>c(H+)
C.常温下加水稀释H点对应溶液,溶液pH减小
D.F、H点对应溶液中都存在:c(Na+)=c(Cl- )+c(ClO-)
15.目前,我国光伏发电并网装机容量稳居全球首位。以四甲基氯化铵[(CH3)4NCl]为原料,采用光伏并网发电装置,通过电渗析法合成(CH3)4NOH,工作原理如图。下列说法正确的是
A.光伏并网发电装置中N型半导体为负极
B.c阳离子交换膜,d、e均为阴离子交换膜
C.保持电流恒定,升高温度可加快合成四甲基氢氧化铵的速率
D.制备182g四甲基氢氧化铵,两极共产生33.6L气体(标准状况)
第Ⅱ卷(非选择题,共60分)
三、非选择题:本题共5小题,共60分。
16.已知硼酸为一元酸:H3BO3+H2O [B(OH)4]-+H+。常温下,三种酸的电离平衡常数数值如下表:
(1)某小组利用如图装置探究醋酸、碳酸、硼酸的酸性相对强弱,两支试管分别盛有相同浓度的醋酸溶液和硼酸溶液各2 mL。实验时,向试管A和试管B中分别滴加相同浓度与体积的 溶液(填化学式),可观察到的现象是 ;A试管中发生反应的离子方程式为 。
(2)由上表判断H3BO3与Na2CO3溶液能否发生反应 (填“能”或“不能”)。
(3)浓度相同的①Na2CO3、②Na[B(OH)4]、③CH3COONa三种溶液的pH由小到大的顺序为 (填编号)。
(4)计算可知碳酸氢根离子水解常数Kh 数量级为10的 次方,NaHCO3溶液显 (填“酸性”“碱性”或“中性”)。
17.如图1所示,A为新型高效的甲烷燃料电池,采用铂为电极材料,两电极上分别通入CH4和O2,电解质为KOH溶液。B为浸透饱和硫酸钠和酚酞试液的滤纸,滤纸中央滴有一滴KMnO4溶液,C、D为电解槽,其电极材料、电解质溶液见图。
(1)甲烷燃料电池负极的电极反应式为 。
(2)关闭K1,打开K2,通电后,B的KMnO4紫红色液滴向d端移动,则电源a端为 极,通电一段时间后,观察到滤纸c端出现的现象是 。
(3)D装置中有200 mL一定浓度的NaCl与CuSO4的混合溶液,理论上两极所得气体的标况下体积随时间变化的关系如图2所示,原混合溶液中NaCl的物质的量浓度 ml·L-1,t2时所得溶液的pH= 。(电解前后溶液的体积变化关系忽略不计)
(4)若C装置中溶液为AgNO3且足量,总反应的离子方程式为 。电解结束后,为了使溶液恢复原样,则可以在反应后的溶液中加入 (填化学式)。
18.重铬酸钠(Na2Cr2O7)是一种重要的氧化剂,以铬矿石(Cr2O3,含FeO、Al2O3、SiO2等杂质)为原料制取重铬酸钠的流程如下:
(1)写出“高温焙烧”时Cr2O3转化为Na2CrO4的化学方程式 。
(2)沉淀2的主要成分为 。
(3)用硫酸酸化使溶液2中主要溶质Na2CrO4转化为Na2Cr2O7,从平衡的角度说明其原理 (要求:使用必要的文字和方程式)。
(4)利用膜电解技术(装置如图所示),以Na2CrO4为主要原料制备Na2Cr2O7的总反应方程式为: 4Na2CrO4+4H2O2Na2Cr2O7+4NaOH+2H2↑+O2↑。
该装置应选用 (填“阴”或“阳”)离子交换膜,电解时阴极上的电极反应式为 。
19.肌红蛋白(Mb)和血红蛋白(Hb)通过储存和分配 O2 维持人体生理活动,其原理如下:
反应Ⅰ:Mb(aq) + O2(g)MbO2(aq) ΔH1 反应Ⅱ:Hb(aq) + O2(g)HbO2(aq) ΔH2
(1)设反应I平衡时,Mb与O2的结合率为α(Mb)、氧气的分压为P(O2)。在T=37℃下的α(Mb) ~P(O2)、在P(O2)=1 kPa下的α(Mb)~T 如图所示。
①ΔH 1 0(填“>”或“ 0
回答下列问题:
(1)2CO2(g) + 6H2(g)CH3OCH3(g) +3H2O(g) ΔH= (用含 ΔH1 、 ΔH2的代数式表示)。
(2)在恒温(T > 373 K)、恒容条件下,将一定量的CO2、H2通入密闭容器中(含催化剂)发生上述反应。下列能够说明该反应体系已达化学平衡状态的是___________(填选项标号)。
A.n(CH3OH):n(CH3OCH3) = 2:1B.反应I中正(H2) = 3逆(CH3OH)
C.混合气体的平均相对分子质量不变D.混合气体的密度不变
(3)已知:生成物A的选择性= ×100%,在3.0 MPa下,密闭容器中充入1ml CO2 和4ml H2发生反应,CO2 的平衡转化率和生成物的选择性随温度变化如图所示(不考虑其他因素影响):
①在220 C条件下,平衡时n(CH3OCH3) = ml,计算反应Ⅱ的平衡常数为 (保留3位有效数字)。
②温度高于280 C,CO2 的平衡转化率随温度升高而上升,从平衡移动的角度分析原因: 。
③其他条件不变,压强改为4.0MPa,图中点C将可能调至点 (填“A”“B”或“D”)。
弱酸(HA)
HNO2
CH3COOH
电离平衡常数/(ml·L- 1)
5.0×10- 4
1.7×10- 5
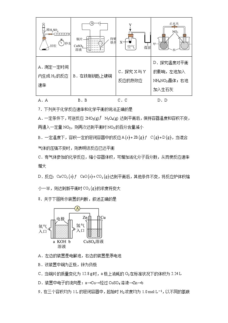
A.测定一定时间内生成H2的反应速率
B.在铁制钥匙上镀铜
C.探究X与Y反应的热效应
D.探究温度对平衡的影响,左池加入NH4NO3晶体;右池加入生石灰
实验操作
实验现象
解释或结论
A.
等体积、pH=2的两种酸HX和HY分别与足量的锌反应
HX溶液中放出的H2多
HX的酸性比HY弱
B.
向硫酸铝溶液中加入碳酸钠溶液
得到白色沉淀
反应生成碳酸铝沉淀
C.
向KSCN与FeCl3的混合溶液中加入KCl溶液
溶液颜色变浅
增大生成物浓度,平衡逆向移动
D.
用广泛pH试纸测定1ml·L-1NaHSO3溶液的酸碱性
测定pH约为3
NaHSO3溶液呈酸性,证明在水中的电离程度大于水解程度
CH3COOH
H3BO3
H2CO3
Ka
Ka
Ka1
Ka2
1.8×10-5
5.8×10-10
4.4×10-7
4.7×10-11
【参考答案】
1~5 BCACC 6~10 BACDA 11.B 12.AD 13.B 14.BC 15.AD
16.(1)NaHCO3 试管A中产生气泡,试管B中无明显现象 CH3COOH+= CH3COO—+CO2↑+H2O
(2)能
(3)③②①
(4)-8 碱性
17.(1)
(2)负 c端试纸变红
(3)0.1 1
(4)4Ag++2H2O4Ag+O2↑+4H+ Ag2O或Ag2CO3
18.(1)2Cr2O3+3O2+4Na2CO34Na2CrO4+4CO2
(2)H2SiO3、Al(OH)3
(3)2+2H++H2O硫酸酸化使溶液2中H+浓度增大,促进平衡右移,生成
(4)阳 2H2O+2e— =H2↑+2OH—
19.(1)< b B 200
(2)11000
20.(1)2ΔH1+ΔH2
(2)BC
(3)0.16 24.9 反应IΔH< 0,反应ⅢΔH> 0,升温时反应I左移,反应Ⅲ右移,且温度高于280 C时,反应Ⅲ右移程度大于反应I左移程度,使CO2 的平衡转化率上升 B
相关试卷
这是一份山东省实验中学2024-2025学年高二上学期期中化学试题,文件包含23级高二期中考试化学试题202411pdf、23级高二期中考试化学答案202411pdf等2份试卷配套教学资源,其中试卷共8页, 欢迎下载使用。
这是一份山东省实验中学2024-2025学年高二上学期11月期中考试+化学试题,共12页。
这是一份山东省实验中学2022-2023学年高二上学期期中考试 化学试题(无答案),共9页。试卷主要包含了50,00P,60P等内容,欢迎下载使用。

