河南省郑州市第二外国语中学2024-2025学年九年级上学期期中物理试卷
展开
这是一份河南省郑州市第二外国语中学2024-2025学年九年级上学期期中物理试卷,共6页。试卷主要包含了填空题,选择题,作图题,实验探究题,综合应用题等内容,欢迎下载使用。
1.德国物理学家 经过十年不懈地努力,通过实验归纳出一段导体中电流跟电压和电阻之间的定量关系,概括为数学表达式:I=UR.为了纪念他的杰出贡献,人们将他的名字命名为 的单位.
2.打开中药包会闻到淡淡的药香味,这是 现象。慢火熬制,等药汤沸腾后,药香味更加浓郁,这说明温度越高,分子的运动越 (选填“剧烈”或“缓慢”)。捆扎药包的细绳很难被拉断,是因为分子间存在 (选填“引力”或“斥力”)。
3.用丝绸摩擦过的玻璃棒接触验电器上端的金属球 A 处 后,下端 B 处两个相同的金属箔会张开一定的角度,其原理是 ,金属杆中瞬间电流的方向是 (选填“由 A 至 B”或“由 B 至 A”)。
4.质量和初温相同的甲乙两种液体,经同一加热器加热相同的时间后甲的温度一的温度,则甲液体的比热容 乙液体的比热容(填“大于”、“等于”或“小于”)。如果乙液体的质量为1kg,初温为20℃,加热一段时间后温度升高到50℃,吸收的热量为 1.26×10⁵J,则乙液体的比热容为 J/( kg·℃)。
5.如图甲所示的电路,先将开关S接到a,再将开关S接到b。两次电压表指针偏转都是如图乙所示,则电源电压为 V,灯L₁两端电压为 V,通过L₁和L₂的电流之比为 。
6.如图所示,电源电压不变,当开关S1、S2同时闭合时,电流表的示数是0.3A,电压表示数是6V.若两表互换位置,当开关S2闭合、S1 断开时,电流表示数是0.2A,则R1和R2的阻值之比是 ;电源电压为 V.
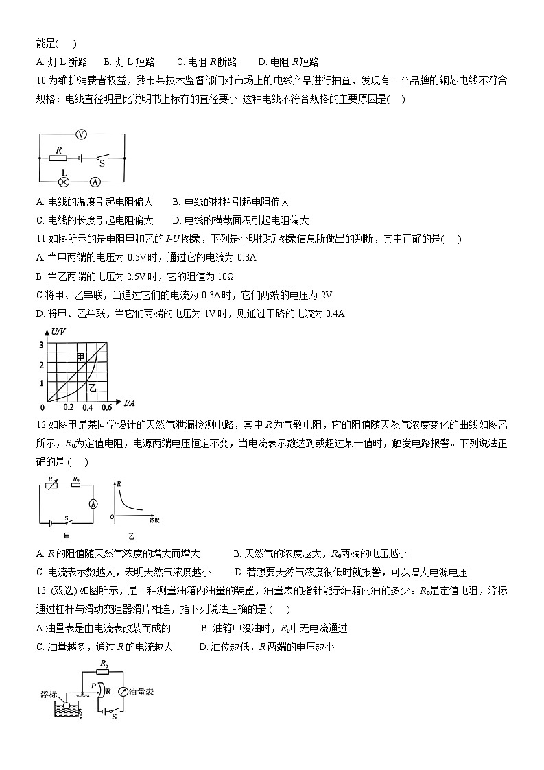
二、选择题 (本大题共8小题,共16分)
7. 关于温度、热量和内能下列说法中正确的是 ( )
A. 物体放出热量,物体的温度一定会降低
B. 物体的温度越高,它所含有的热量就越多
C. 热传递过程中,热量可以从内能小的物体传递给内能大的物体
D. 物体的内能增加,一定是通过外界对物体做功
8.下列关于热机、热值的说法正确的是( )
A. 汽油机、柴油机都有火花塞和喷油嘴这两个关键部件
B. 某种燃料完全燃烧放出的热量与其质量之比叫这种燃料的热值,单位是 kg/J
C. 柴油机工作的效率是35%,说明它工作时柴油燃烧释放的能量65%转化为有用功
D. 四冲程内燃机是由吸气、压缩、做功、排气四个冲程的不断循环来保证连续工作的
9.如图所示,电源电压保持不变,闭合开关S,灯不亮,电流表有示数,电压表没有示数。则电路的故障情况可能是( )
A. 灯 L 断路 B. 灯 L 短路 C. 电阻 R 断路 D. 电阻 R短路
10.为维护消费者权益,我市某技术监督部门对市场上的电线产品进行抽查,发现有一个品牌的铜芯电线不符合规格:电线直径明显比说明书上标有的直径要小. 这种电线不符合规格的主要原因是( )
A. 电线的温度引起电阻偏大 B. 电线的材料引起电阻偏大
C. 电线的长度引起电阻偏大 D. 电线的横截面积引起电阻偏大
11.如图所示的是电阻甲和乙的I-U图象,下列是小明根据图象信息所做出的判断,其中正确的是( )
A. 当甲两端的电压为0.5V时,通过它的电流为0.3A
B. 当乙两端的电压为2.5V时,它的阻值为10Ω
C 将甲、乙串联,当通过它们的电流为0.3A时,它们两端的电压为2V
D. 将甲、乙并联,当它们两端的电压为1V时,则通过干路的电流为0.4A
12.如图甲是某同学设计的天然气泄漏检测电路,其中R为气敏电阻,它的阻值随天然气浓度变化的曲线如图乙所示,R₀为定值电阻,电源两端电压恒定不变,当电流表示数达到或超过某一值时,触发电路报警。下列说法正确的是 ( )
A. R的阻值随天然气浓度的增大而增大 B. 天然气的浓度越大,R₀两端的电压越小
C. 电流表示数越大,表明天然气浓度越小 D. 若想要天然气浓度很低时就报警,可以增大电源电压
13. (双选) 如图所示,是一种测量油箱内油量的装置,油量表的指针能示油箱内油的多少。R₀是定值电阻,浮标通过杠杆与滑动变阻器滑片相连,指下列说法正确的是 ( )
A.油量表是由电流表改装而成的 B. 油箱中没油时,R₀中无电流通过
C. 油量越多,通过R的电流越大 D. 油位越低,R两端的电压越小
14.(双选)如图甲所示电路,电源电压保持不变。闭合开关S,当滑动变阻器的滑片P 从右端滑到左端的过程中,R₁、R₂的I-U 关系图象如图乙所示。则下列判断正确的是( )
A. 图线A是电阻R₁的I-U关系图象 B. 电源电压为18V
C. R₁的阻值是20Ω D. 滑动变阻器R₂的最大阻值为30Ω
三、作图题(每题2分,共4分)
15. 如图,将图中电路连接完整。要求:开关S 闭合后,向右移动滑动变阻器滑片,灯L1的亮度不变,灯L2 的亮度变暗。
16. 高铁轨道中的螺丝会因震动而松动,检修工作非常艰苦且重要。青少年科技创新大赛的获奖作品(5G 高铁轨道螺丝警报器),设计了检测螺丝松动的报警方案。其主要的科学原理是:螺丝(螺丝在电路图中用虚线框表示,其电阻很小,可忽略不计) 连接在电路中,当螺丝松动时,它会与下端的导线分离而断开,此时电灯亮起而发出警报,及时提醒工人修理。请在虚线框内画出符合实际的电路图。
四、实验探究题(本题共3小题,第17题4分,第18题8分,第19题9分)
17. 小强用两个相同的酒精灯分别给水和煤油加热,如图甲所示,比较水和煤油的吸热能力。
(1)实验前,两烧杯分别装入 (选填“质量”或“体积”) 和初温相等的水和煤油;
(2)实验中,通过比较 来间接反映水和煤油吸收热量的多少,小强根据实验数据作出了水和煤油的温度随加热时间变化的图像,如图乙,水和煤油都升高到98℃,两者吸收的热量 (选填“相等”或“不相等”);
(3) 由图像可知,水和煤油的比热容之比为 。
18.小华用图1所示的电路探究电流与电压、电阻的关系。电源电压恒为4.5V,滑动变阻器最大阻值为20Ω。
(1)她先用阻值为10Ω的定值电阻探究电流与电压的关系。
①图1是根据设计的电路图连接的实物电路,请在虚线框中画出该电路图。
②闭合开关前,应将滑动变阻器的滑片移到最右端,否则,闭合开关时 (填“电流表”或“电压表”)指针的偏转可能超出所用量程。
③闭合开关,移动滑片,记录了如表数据。第5次的电压表和电流表的示数如图2、3所示,请将示数填入表中。
④请在图4中描出表中各组数据对应的点,并根据描出的点画出Ⅰ-U图象。
⑤分析表中数据或图像的特点,可得出:电阻一定时,电流与电压成正比。得出此结论的理由是
。
(2)接下来,她用原电路探究电压一定时,电流与电阻的关系。先调节滑片,使电压表示数为2V,记录电流表示数; 然后断开开关,将10Ω电阻依次换成5Ω、15Ω电阻,闭合开关,移动滑片,使电压表示数仍为2V,记录电流表示数。当换成20Ω电阻后,发现电压表示数始终不能为2V,为了完成实验,下列方案可行的是 (填字母代号)。
A.换用电压为6V的电源
B.把电压表改接为0~15V量程
C.在开关与滑动变阻器之间串联一个10Ω的电阻
19. 实验小组用伏安法测量小灯泡的电阻,连接了如图甲所示的电路,小灯泡的正常发光时的电压为2.5V,电源电压恒定。
(1) 实验的原理是 ;
(2) 图甲中有一根导线连接错误,请在该导线上打“×”,并用笔重新画一根正确连接的导线(导线不得交叉);
(3) 改正错误后,闭合开关,移动滑片至某位置时,电压表的示数为2V,为测量小灯泡正常发光时的电阻,应将滑片P向 (选填“A”或“B”) 端移动;
(4)小灯泡正常发光时,电流表的示数如图乙所示为 A。此时小灯泡的电阻是 Ω(保留1位小数);
(5) 小灯泡的I-U关系如图丙,当小灯泡的两端电压增大时,它的电阻 (选填“增大”“减小”或“不变”),其原因是灯丝电阻受 的影响;
(6) 小明想用一块电流表和一个定值电阻R₀测未知电阻 Rₓ的阻值,于是他和同组同学设计了如图丙所示的电路图,并进行如下实验操作:
①闭合S、S₁,此时电流表的示数为I;
②闭合 S、断开S₁,此时电流表的示数为I₁;
③求未知电阻Rₓ的表达式为:Rₓ=。(用 R₀、I、I₁表示)
五、综合应用题(本题共2小题,20小题6分,21小题9分,共15分)
20. “地锅炖”是中国民间的一道古老的传统小吃,有着上千年的历史。最常见的就是小鸡炖蘑菇,如图炖出的汤汁颜色鲜红,是名副其实的中国传统饮食文化的代表。在一个标准大气压下,用炉子将4.5kg的食材从20℃加热至沸腾,继续慢炖;已知锅内食材平均比热容为4.0×10³J/kg⋅°C,干木柴的热值为1.2×10⁷J/kg。求:
(1)食材加热到沸腾时吸收的热量;
(2) 2kg干木柴完全燃烧释放的热量;
(3) 地锅炖食材烧到沸腾时的效率。
21.电路如图所示,R₁=R₃=20Ω,R₂为滑动变阻器,电源电压保持不变。当S1闭合、S2 断开时,若滑片P在a端,则电流表示数为0.6A;若滑片 P在 b 端,则电压表示数为8V 。求:
电源电压;
滑动变阻器 R₂ 的最大阻值;
当S1、S2均闭合,且滑片P在a 端时,求电流表的示数。
实验次数
1
2
3
4
5
电压U/V
1.6
2.0
2.2
2.4
a. _
电流I/A
0.16
0.20
0.22
0.24
b. _
相关试卷
这是一份精品解析:河南省郑州市中原区郑州外国语中学2024-2025学年九年级上学期11月期中物理试题,文件包含精品解析河南省郑州市中原区郑州外国语中学2024-2025学年九年级上学期11月期中物理试题原卷版docx、精品解析河南省郑州市中原区郑州外国语中学2024-2025学年九年级上学期11月期中物理试题解析版docx等2份试卷配套教学资源,其中试卷共23页, 欢迎下载使用。
这是一份河南省郑州市中原区郑州外国语中学2024-2025学年九年级上学期11月期中物理试题,共6页。
这是一份河南省郑州市郑州外国语学校2024-2025学年九年级上学期期中考试物理试题,共6页。试卷主要包含了填空题,选择题,作图题,综合应用题等内容,欢迎下载使用。

