山东省泰安市新泰市紫光实验中学2024-2025学年高一上学期10月第一次月考物理试卷
展开一、单选题
1.高速公路的测速有两种:一种是定点测速,定点测速不超过限速的10%不会被处罚;另一种是区间测速,区间测速由两个测速点组成,分别是区间的起点位置和终点位置,在起点记录通过的时刻,在终点再记录一次通过的时刻,根据区间的里程和前后两次时间间隔,确定该路段是否超速行驶。某段高速路上的定点测速提示牌如图甲所示,该路段的区间测速提示牌如图乙所示,下列说法正确的是( )
A.该路段小车的区间限速为120m/s
B.图乙中的100是指该区间大车行驶的最大平均速度
C.若小车某时刻瞬时速度达到35m/s,则该小车一定会受到处罚
D.若小车通过该区间测速路段的时间为7min,则该小车未违反区间测速的限速规定
2.交警通常用超声波来测量高速路上的汽车是否超速,已知发射装置间隔2s的时间发出一个超声波。假设一辆汽车在平直的高速公路上匀速行驶,0时刻发出第一个超声波,经过2s的时间发射装置接收到汽车反射回来的超声波,同时发射第二个超声波,再经过1.6s的时间发射装置接收到汽车反射回来的第二个超声波,已知声速为330m/s,该路段的限速为120km/h。则下列说法正确的是( )
A.汽车正在远离发射装置
B.汽车两次接收到超声波的间距为132m
C.汽车的速度大小约为36.67m/s
D.该汽车未超速行驶
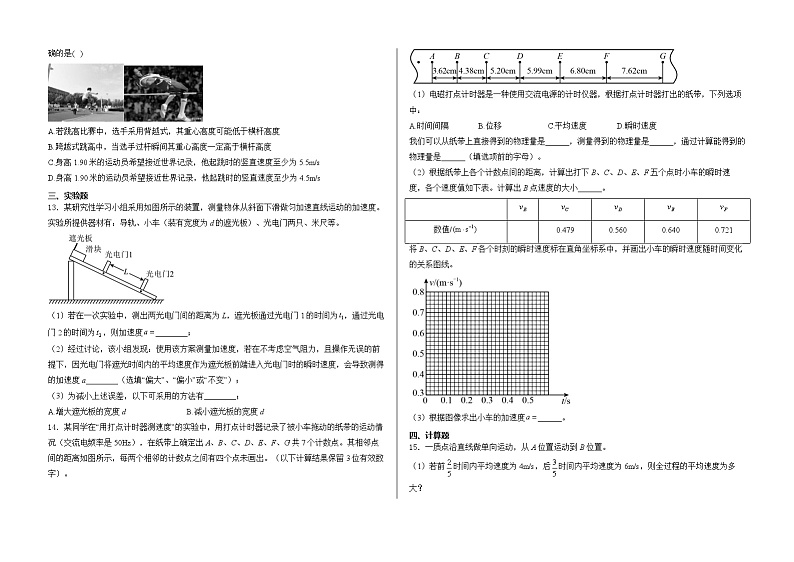
3.新情境扫地机器人因操作简单、使用方便,已逐渐走进了人们的生活。某次清扫过程中,主人在A处启动扫地机器人,在B处完成清扫工作,其规划清扫路线如图所示,完成清扫任务用时180s。数据表明:机器人清扫路线的总长度为36m,A,B两点间的距离为9m。下列说法正确的是( )
A.机器人在该过程中的位移大小为36m
B.机器人在该过程中的平均速率为0.05m/s
C.机器人在该过程中的平均速度大小为0.05m/s
D.机器人在B点的瞬时速率大小一定为0.2m/s
4.长为l的高速列车在平直轨道上正常行驶,速率为,要通过前方一长为L的隧道,当列车的任一部分处于隧道内时,列车速率都不允许超过.已知列车加速和减速时加速度的大小分别为a和2a,则列车从减速开始至回到正常行驶速率所用时间至少为( )
A.B.C.D.
5.如图所示,六分水龙头内径,外径,水龙头嘴喷A处水的速度为v,水柱下方B处水的速度为,不计空气阻力,重力加速度为g,则( )
A.的距离为B.段水柱体积为
C.B处水柱的直径为D.喷出的水做自由落体运动
6.一辆汽车做匀加速直线运动,从A到B速度增量为,位移为,从B到C速度增量为,运动的位移为,若D点是汽车从B运动到C过程的中间时刻的位置(图中未标出),则汽车从B点运动到D点的位移为( )
A.B.C.D.
7.一物体以某一初速度在粗糙的水平面上做匀减速直线运动,最后静止下来。若物体在最初3s内通过的位移与最后3s内通过的位移之比为,物体运动的加速度大小为,则( )
A.物体运动的时间大于6s
B.物体在最初3s内通过的位移与最后3s内通过的位移之差为
C.物体运动的时间为4s
D.物体的初速度为10m/s
8.如图所示,2022年北京冬奥会冰壶比赛时某运动员将冰壶(可视为质点)以速度从栏线P处沿虚线推出,假设冰壶沿虚线做匀减速直线运动。已知栏线P到营垒圆心O的距离为45m,营垒的直径约为2m,运动员用毛刷擦冰壶运行前方的冰面,可以使冰壶的加速度在的范围内调节,若要把冰壶推进营垒内,则的最大值约为( )
A.B.C.D.
二、多选题
9.伽利略为了研究自由落体运动的规律,将落体实验转化为著名的“斜面实验”,如图所示。下列说法正确的是( )
A.让小球沿长直斜面滚下,目的是使运动时间变长,方便更准确地观察与测量
B.实验中需要测量的物理量是加速度,并且需要验证加速度是否恒定
C.实验中需要验证从静止开始滚下的小球,运动的位移与时间是否成正比
D.实验发现,沿不同倾角的斜面运动,小球都做匀变速直线运动,由此类推至斜面倾角为90°(即自由下落)时,小球仍做匀变速直线运动
10.如图所示是科大著名服务机器人“可佳”,现要执行一项任务,给它设定如下动作程序:机器人在平面坐标系内由点(0,0)出发,沿直线运动到点(3m,1m),又由点(3m,1m)沿直线运动到点(1m,4m),然后又由点(1m,4m)沿直线运动到点(5m,5m),然后又由点(5m,5m)沿直线运动到点(2m,2m),这个过程中机器人所用时间是2s。则( )
A.机器人的运动轨迹是一条直线
B.机器人不会两次通过同一点
C.整个过程中机器人的位移大小为
D.整个过程中机器人的平均速率大于1m/s
11.如图为港珠澳大桥上四段110m的等跨钢箱连续梁桥,若汽车从a点由静止开始做匀加速直线运动,通过ab段的时间为t.则( )
A.通过段的时间为
B.通过段的时间为
C.ae段的平均速度小于ce段的平均速度
D.ae段的平均速度等于c点的瞬时速度
12.如图甲为沙市中学第89届田径运动会上跳高比赛现场某选手跨越式跳高,本次运动会上最好成绩由2415班选手获得,成绩为1.65米。据悉,男子跳高世界纪录是2.45米,这一成绩是由古巴运动员JavierStmayr背越式动作创造的,如图乙为背越式过杆。关于以上,下列叙述正确的是( )
A.若跳高比赛中,选手采用背越式,其重心高度可能低于横杆高度
B.跨越式跳高中,当选手过杆瞬间其重心高度一定高于横杆高度
C.身高1.90米的运动员希望接近世界记录,他起跳时的竖直速度至少为5.5m/s
D.身高1.90米的运动员希望接近世界记录,他起跳时的竖直速度至少为4.5m/s
三、实验题
13.某研究性学习小组采用如图所示的装置,测量物体从斜面下滑做匀加速直线运动的加速度。实验所提供器材有:导轨、小车(装有宽度为d的遮光板)、光电门两只、米尺等。
(1)若在一次实验中,测出两光电门间的距离为L,遮光板通过光电门1的时间为,通过光电门2的时间为,则加速度________;
(2)经过讨论,该小组发现:使用该方案测量加速度,若在不考虑空气阻力,且操作无误的前提下,因光电门将遮光时间内的平均速度作为遮光板前端进入光电门时的瞬时速度,会导致测得的加速度a________(选填“偏大”、“偏小”或“不变”);
(3)为减小上述误差,以下可采用的方法有________;
A.增大遮光板的宽度dB.减小遮光板的宽度d
14.某同学在“用打点计时器测速度”的实验中,用打点计时器记录了被小车拖动的纸带的运动情况(交流电频率是50Hz),在纸带上确定出A、B、C、D、E、F、G共7个计数点。其相邻点间的距离如图所示,每两个相邻的计数点之间有四个点未画出。(以下计算结果保留3位有效数字)。
(1)电磁打点计时器是一种使用交流电源的计时仪器,根据打点计时器打出的纸带,下列选项中:
A.时间间隔B.位移C.平均速度D.瞬时速度
我们可以从纸带上直接得到的物理量是______,测量得到的物理量是______,通过计算能得到的物理量是______(填选项前的字母)。
(2)根据纸带上各个计数点间的距离,计算出打下B、C、D、E、F五个点时小车的瞬时速度,各个速度值如下表。计算出B点速度的大小______。
将B、C、D、E、F各个时刻的瞬时速度标在直角坐标系中,并画出小车的瞬时速度随时间变化的关系图线。
(3)根据图像求出小车的加速度______。
四、计算题
15.一质点沿直线做单向运动,从A位置运动到B位置。
(1)若前时间内平均速度为4m/s,后时间内平均速度为6m/s,则全过程的平均速度为多大?
(2)若前位移的平均速度为4m/s,后位移的平均速度为6m/s,则全过程的平均速度为多大?
16.图为“歼15”舰载机从该航空母舰甲板上起飞的情景,航空母舰静止在海面上,“歼15”舰载机在航空母舰跑道上做匀加速直线运动,加速度为,需要达到60m/s的速度才可安全起飞,求:
(1)“歼15”舰载机由静止开始加速,滑行5s后,舰载机的速度大小;
(2)从静止启动到安全起飞,“歼15”舰载机在航空母舰上滑行的距离;
(3)若“歼15”舰载机能够借助弹射器获得初速度,只需滑行150m便可安全起飞,则“歼15”舰载机至少需要获得多大的初速度。
17.一个苹果从某一高处A点自由落下,如图所示,时落至B点,时落至C点。不计空气阻力,取重力加速度。试回答下列问题:
(1)求苹果从A点落至B点的位移;
(2)求苹果落到C点时的速度;
(3)苹果在AB间和BC间下落的高度之比。
18.图甲所示为一种自动感应门,其门框上沿的正中央安装有传感器,传感器可以预先设定一个水平感应距离,当人或物体与传感器的水平距离小于或等于水平感应距离时,中间的两扇门分别向左右平移。当人或物体与传感器的距离大于水平感应距离时,门将自动关闭。图乙为该感应门的俯视图,O点为传感器位置,以O点为圆心的虚线圆半径是传感器的水平感应距离,已知每扇门的宽度为d,运动过程中的最大速度为v,门开启时先做匀加速运动而后立即以大小相等的加速度做匀减速运动,当每扇门完全开启时的速度刚好为零,移动的最大距离为d,不计门及门框的厚度。
(1)求门开启时的加速度大小;
(2)若人以2v的速度沿图乙中虚线AO走向感应门,要求人到达门框时左右门同时各自移动的距离,那么设定的传感器水平感应距离R应为多少?
(3)现以(2)中的水平感应距离设计感应门,欲搬运宽为的物体(厚度不计),使物体中点沿虚线AO垂直地匀速通过该门,如图丙所示,物体的移动速度不能超过多少?
参考答案
1.答案:D
解析:A.根据图乙可知,该路段小车的区间限速为,故A错误;B.图乙中的100是指该区间大车行驶的最大平均速率,是一个标量,不是平均速度,故B错误;C.由于可知,未超过定点测速的10%,从定点测速的角度该看,小车不会受到处罚,而区间测速的平均速率是否超过120km/h未知,无法判断该小车从区间测速的角度是否会受到处罚,故C错误;D.在不超速的情况下小车通过该区间测速路段的最短时间,故该小车未违反区间测速的限速规定,故D正确。
2.答案:C
解析:AB.第一次超声波遇到汽车时发射装置与汽车之间的距离为,第二次超声波遇到汽车时发射装置与汽车之间的距离为,由此可知,汽车向发射装置靠近,且汽车两次接收超声波的间距为,故AB错误;CD.由题意可知,汽车两次遇到超声波时的时间间隔为1.8s,则汽车的速度为,可知该汽车超速行驶,故C正确,D错误。
3.答案:C
解析:A.机器人在该过程中的位移大小为9m,路程为36m,A错误;B.平均速率等于路程与时间的比值,机器人在该过程中的平均速率为,B错误;C.平均速度等于位移与时间的比值,机器人在该过程中的平均速度大小为,C正确;D.题干未明确指出机器人在整个过程中瞬时速率大小不变,故不可认定机器人在B点的瞬时速率等于平均速率,D错误。
4.答案:C
解析:由题知当列车的任一部分处于隧道内时,列车速率都不允许超过,则列车进隧道前至少要减速到v,则有,解得,在隧道内匀速有,列车尾部出隧道后立即加速到,有,解得,则列车从减速开始至回到正常行驶速率所用时间至少为,故C正确.
5.答案:B
解析:A.根据,AB的距离故A错误;B.从A到B的时间,AB段水柱体积为,故B正确;C.根据流量相等可知解得故C错误;D.喷出的水由于有初速度,不是做的自由落体运动,故D错误。故选B。
6.答案:C
解析:设AB段中间时刻的速度为,则
BC段中间时刻D点的速度
根据加速度的定义式可得
联立解得
由逆向思维,则D到B的逆过程有
联立解得
故C正确。
故选C。
7.答案:B
解析:AC.把此过程看成反向初速度为0的匀加速直线运动,设运动时间为t
解得
故AC错误;
B.物体在最初3s内通过的位移与最后3s内通过的位移之差
故B正确;
D.物体的初速度,逆向看为
故D错误。
故选B。
8.答案:A
解析:冰壶做匀减速直线运动,减速的加速度越大,需要的初速度越大,则加速度选时,需要的初速度最大,设为,则得,解得,故A正确,BCD错误。故选:A。
9.答案:AD
解析:A.让小球沿长直斜面滚下,可减小其加速度,使运动时间变长,方便更准确地观察与测量,故A正确;BC.实验中需要测量的物理量是位移和时间,验证从静止开始滚下的小球,运动的位移与时间的平方是否成正比,得出小球做匀变速直线运动的结论,故BC错误;D.实验发现,沿不同倾角的斜面运动,小球都做匀变速直线运动,由此类推至斜面倾角为90°(即自由下落)时,小球仍做匀变速直线运动,故D正确。
10.答案:CD
解析:AB.根据题意可知机器人的轨迹如图所示
由轨迹图可知,机器人的运动轨迹不是一条直线,机器人会两次通过同一点,故AB错误;D.整个过程中机器人的位移大小为,故C正确;
D.平均速率等于路程除以时间,整个过程的运动时间为2s,而整个过程机器人的路程大于位移大小,即大于,则整个过程中机器人的平均速率大于1m/s,故D正确。
11.答案:BC
解析:AB.根据初速度为零的匀加速直线运动规律可知,汽车通过五段作用时间之比为所以通过cd短时间为,通过ce段时间为故A错误,B正确;CD.通过ac段的时间为2t,通过b点的时刻为通过ae时间的中间时刻速度,所以通过b点的瞬时速度为ae段的平均速度。汽车做匀加速直线运动,速度越来越大,所以ce段的平均速度比b点的瞬时速度大,即ae段的平均速度小于ce段的平均速度,故C正确,D错误。故选BC。
12.答案:ABC
解析:A.若跳高比赛中,选手采用背越式,通过调节身体的形状,其重心高度可能低于横杆高度,选项A正确;B.跨越式跳高中,当选手过杆瞬间其重心高度一定高于横杆高度,选项B正确;CD.身高1.90米的运动员希望接近世界记录,即重心升高约为则他起跳时的竖直速度至少为选项C正确,D错误。故选ABC。
13.答案:(1)(2)偏大(3)B
解析:(1)挡光条宽度d很小,挡光时间很短,因此可以用平均速度来代替瞬时速度,故遮光板通过光电门1、2的瞬时速度为。根据速度位移公式可得。
(2)遮光片前端通过两个光电门时位置间距L可看做遮光片中间位置通过两个光电门时位置之间的间距。遮光片通过光电门的平均速度等于中间时刻的瞬时速度,而物块做加速运动前一半的时间内的位移小于后一半时间内的位移,所以时间到一半时,遮光片的中线尚未到达光电门,所以遮光片通过第一个光电门的平均速度小于遮光片竖直中线通过光电门的瞬时速度,由极限思想,当L特别大时,遮光片通过第二个光电门时的中间时刻速度等于中间位置通过时的速度,则偏小,加速度偏大。
(3)瞬时速度的测量利用的是极短时间内的平均速度等于瞬时速度,遮光板的宽度越小,遮光板通过光电门的时间就越短,瞬时速度的测量误差越小。故选B。
14.答案:(1)A;B;CD
(2)0.400;
(3)
解析:(1)因为打点计时器的频率为50Hz,则从纸带上直接得到的物理量是时间间隔,相邻的点迹(计时点)之间的时间间隔为0.02s,故选A;可以用刻度尺测量出小车的位移大小,故选B;平均速度和瞬时速度的大小可以通过位移大小与对应的时间间隔计算出来。故选CD。
(2)每两个相邻的计数点之间有四个点未画,则相邻的计数点之间的时间间隔为
根据速度公式可知,B点的瞬时速度
根据计算的B点速度及表中其他各点的速度在坐标系中描点连线,如图所示
(3)选用图像中距离较远的两点求解加速度误差更小,根据图像可知小车的加速度
15.答案:(1)5.2m/s(2)5.0m/s
解析:(1)设质点从A位置运动到B位置的时间为t,则前时间内的位移为
后时间内的位移为
全过程的平均速度为
(2)设质点从A位置运动到B位置的位移为x,质点前位移所用的时间为
质点后位移所用的时间为
全过程的平均速度为
16.答案:(1)40m/s(2)225m(3)
解析:(1)由速度公式
代入数据得
(2)由
代入数据可得
(3)由
可得代入数据可得
17.答案:(1)20m;(2)40m/s;(3)1:3
解析:(1)苹果从A点落至B点的位移为
(2)苹果落到C点时的速度为
(3)苹果从A点自由到C点位移为
得
18.答案:(1)(2)(3)
解析:(1)依题意每扇门开启过程中的速度—时间图像如图所示
设门全部开启所用的时间为,由图像可得
由速度时间关系得
联立解得
(2)要使单扇门打开,需要的时间为
人只要在t时间内到达门框处即可安全通过,所以人到门的距离为
联立解得
(3)依题意宽为的物体移到门框过程中,每扇门至少要移动的距离
每扇门的运动各经历两个阶段:开始以加速度a运动的距离,速度达到v,所用时间为,而后又做匀减速运动,设减速时间为
门做匀减速运动的距离为
由匀变速运动公式得
解得(不合题意,舍去)
要使每扇门打开所用的时间为
故物体移动的速度不能超过
数值/
0.479
0.560
0.640
0.721
山东省泰安市肥城市慈明学校2024-2025学年高一上学期第一次月考物理试卷: 这是一份山东省泰安市肥城市慈明学校2024-2025学年高一上学期第一次月考物理试卷,共13页。试卷主要包含了本试卷分第Ⅰ卷两部分,关于质点,下列说法正确的是等内容,欢迎下载使用。
2024-2025学年河南省实验中学高一上学期10月第一次月考物理试卷及答案: 这是一份2024-2025学年河南省实验中学高一上学期10月第一次月考物理试卷及答案,共6页。
湖南省长沙市实验中学2024-2025学年高一上学期第一次月考物理试卷: 这是一份湖南省长沙市实验中学2024-2025学年高一上学期第一次月考物理试卷,共5页。

