湖北省云学部分重点高中联盟2025届高三上学期10月一模联考化学试题(Word版附答案)
展开命题学校:襄阳四中 命题人:张小艳 审题人:云学研究院
考试时间:2024年10月9日14:30-17:05 时长:75分钟 试卷满分:100分
可能用到的相对原子质量:H-1 O-16 Na-23 Cl-35.5
一、选择题:本题共15小题,每小题3分,共45分。在每小题给出的四个选项中,只有一项是符合题目要求的。
1.化学创造美好生活,下列说法错误的是
A.维生素C是水果罐头中常用的抗氧化剂
B.手机芯片与光导纤维化学成分相同
C.三折叠手机柔性屏使用的原材料聚酰亚胺属于有机高分子材料
D.节日绚丽的烟花与原子核外电子跃迁过程中的能量变化有关
2.下列化学用语表达正确的是
A.sp2杂化轨道模型:B固体HF中的链状结构
C.H2O2电子式:D.NaCl溶液中的水合离子:
3.设是阿伏加德罗常数的值,反应可制含氯消毒剂。下列说法正确的是
A.58.5 g NaCl晶体中含有的分子数目为
B.含有的共用电子对数目为
C.每形成,转移电子数目为
D.每的中子数为
4.下列离子方程式书写正确的是
A.溶液中通入过量
B.盛放强碱性溶液不能用磨口玻璃塞的原因:
C.少量Cu与浓硝酸反应:
D.与水反应:
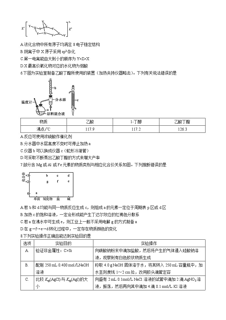
5.某化合物的结构如图所示,X、Y、Z是原子序数依次增大的短周期主族元素,X的基态原子核外电子占据3个原子轨道,Y的最外层电子数是其内层电子数的3倍。下列说法正确的是
A.该化合物中所有原子均满足8电子稳定结构
B.阴离子中X原子采用sp3杂化
C.第一电离能由大到小的顺序为Y>Z>X
D.X最高价氧化物对应的水化物为弱酸
6.下图为实验室制备乙酸丁酯所使用的装置(加热夹持仪器略去)。下列有关说法错误的是
A.反应可使用浓硫酸作催化剂
B.分水器中水层高度不变时可停止加热a
C.仪器b可以换成仪器c(蛇形冷凝管)
D.可采取不断蒸出乙酸丁酯的方式来增大产率
7.部分含Mg或Al或Fe元素的物质类别与相应化合价关系如图。下列推断错误的是
A.若b和d均能与同一物质反应生成c,则组成a的元素一定位于周期表p区或d区
B.加热c的饱和溶液,一定会形成能产生丁达尔效应的红褐色分散系
C.若a在沸水中可生成e,则工业上一般不采用电解g的方式制备a
D.在g→f→e→d转化过程中,一定存在物质颜色的变化
8.下列实验操作正确且能达到实验目的是
9.NH3是重要的化工原料,可发生如下转化。下列说法正确的是
A.反应I和反应III的转化都属于氮的固定
B.过量NH3参与反应II的方程式为
C.过程III得到的液态是良好的溶剂,推测易溶于其中
D.反应IV生成每,转移电子数为
10.为解决传统电解水制氢阳极电势高、反应速率缓慢的问题,科技工作者设计耦合HCHO高效制H2的方法装置如图。部分反应机理为:。
下列说法正确的是
A.电解时由a极向b极方向迁移
B.阴极反应为
C.阳极反应
D.相同电量下理论产量是传统电解水的2倍
11.三氟甲苯()与浓硝酸反应可生成和,该反应历程中生成两种中间体的能量变化示意图如下。下列说法正确的是
A.与生成中间体的反应为取代反应
B.反应历程中,苯环的大键未发生变化
C.从反应速率和中间体稳定性看都更利于生成中间体2
D.三氟甲苯与生成中间体1和中间体2的过程均放热
12.可用于合成光电材料。某兴趣小组用CaS与反应制备液态,实验装置如图,反应方程式为:。
已知:①的沸点是-61℃,有毒;②装置A内产生的气体中含有酸性气体杂质;③装置D的主要作用是预冷却。下列有关说法错误的是
A.MgCl2固体有利于平稳持续产生H2SB.该实验产生的尾气可用硫酸铜溶液吸收
C.虚框内装置的连接顺序为E→D→CD.G中汞起到了平衡气压和液封的作用
13.下列有关宏观辩识与微观探析的说法错误的是
14.下图是联合法生产纯碱的工艺流程,原料气CO2和NH3来自合成氨厂,“碳酸化”发生的反应为,“降温结晶”时可用液氨作制冷剂。下列说法错误的是
A.“煅烧”产生的气体可以循环使用B.母液I通NH3的主要目的是增大
C.液氨制冷与液氨分子间氢键有关D.母液II用于吸氨可以提高NaCl的利用率
15.向溶液中缓慢滴加100 mL 0.2ml/L盐酸,溶液中各离子的物质的量随加入盐酸中HC1的物质的量的变化如图所示(和未画出)。碳酸的电离平衡常数,,不考虑。下列说法错误的是
A.滴加至a点时,
D.滴加至b点时,
C.滴加至c点时,
D.滴加至d点时,溶液的
二、非选择题:本题共4小题,共55分。
16.(14分)
以精铋生产过程中产生的氯化铅渣(含PbCl2、CuCl2及AgCl)为原料回收铜、银、铅的工艺流程如下。已知,,,。
回答下列问题:
(1)82Pb在周期表中的位置是第________周期,第________族。
(2)“浸出1”控温75℃的加热方式为________,此步骤中PbCl2发生的化学反应方程式为________。
(3)若在“浸出1”过程中,浓度控制为0.1 ml/L,请通过计算说明此过程中是否有Ag2SO4生成:________。
(4)下图是温度对“浸出2”所得浸出渣中银含量的影响,反应时间均为1.5 h,50~70℃浸出渣中银含量呈现上升趋势的原因是________。
(5)从“滤液”中获得NaCl固体,实验室操作中需要用到的仪器有________(填标号)。
(6)水合肼()还原“浸出液2”得到银粉的过程中有N2生成,则反应的离子方程式为________。
17.(14分)
化合物H是一种药物中间体,合成路线如下:
回答下列问题:
(1)A的官能团名称为________。
(2)B与(CH3CO)2O按物质的量之比1:2反应生成三种不同的有机产物,B→C的反应方程式为________。
(3)化合物D不能采取先在NaOH溶液中加热充分反应,后再酸化得到E的原因是________。
(4)任写一种同时符合下列条件的化合物E同分异构体的结构简式________。
①核磁共振氢谱峰面积之比为6:2:1;②能与FeCl3溶液发生显色反应;③有机物结构中不含“-O-Br”
(5)有机物F的名称是________;从结构角度解释,F()框线内氢原子易发生取代反应的原因是________。
(6)除苯环外,H分子中还有一个具有两个氮原子的六元环,在合成H的同时还生成两种醇,H的结构简式为________。
18.(13分)
某研究性学习小组研究过量的Cu粉、Zn粉和Mg粉与pH=1的0.5 ml/L FeCl3溶液的反应,进行了以下三组实验以探究FeCl3溶液中作为氧化剂的微粒及其还原产物。
(1)理论分析:依据金属活动性顺序表,过量Cu、Zn、Mg中,不可将Fe3+最终还原为Fe的是________。
(2)实验验证
①分别取实验I、I、Ⅲ中的少量溶液,滴加________(填化学式)溶液,依据特征蓝色沉淀的生成,证明三组实验都有Fe2+生成。
②实验Ⅱ和Ⅲ中产生的红褐色沉淀是________(填化学式)。
(3)探究实验I未检测到Fe单质的原因。学习小组的同学进行了讨论,提出了以下三种可能的原因,并进行实验验证。
a.甲同学认为实验II中,当Fe3+、H+浓度较大时,即使Zn与Fe2+反应置换出少量Fe,Fe也会被Fe3+、H+消耗。
b.乙同学认为在pH为3~4的溶液中即便生成Fe也会被H+消耗。实验证明了此条件下可以忽略H+对Fe的消耗。
c.丙同学认为产生的红褐色沉淀包裹在Zn粉上,阻碍了Zn与Fe2+的反应。实验证实了Zn粉被包裹。
①请设计实验验证乙同学的猜想不成立:________(填操作和现象)。
②查阅资料:0.5 ml/L的Fe3+开始沉淀的pH约为1.2,完全沉淀的pH约为3。结合a、b和c,重新做实验II,当溶液pH为3~4时,不取出固体,先滴入几滴________溶液,再向固液混合物中持续加入盐酸控制溶液pH范围为________,待溶液红色消失后,停止加入盐酸,当pH为3~4时,取出固体,固体中检测到Fe单质。
(4)对比实验II和III,解释实验III的固体中检测到Fe单质的原因是________。
19.(14分)
“碳达峰·碳中和”是我国社会发展的重大战略。CH4还原CO2是实现“双碳”经济的有效途径之一,相关的主要反应有:
反应a:
反应b:
回答下列问题:
(1)反应 ________kJ/ml,该反应正向自发的条件为________(填“高温”或“低温”)自发。
(2)在刚性密闭容器中,进料比分别等于1.0、1.5、2.0,且反应达到平衡状态,甲烷的质量分数随温度变化的关系如图下1所示,曲线x对应的________。
(3)恒压、750℃时,CH4和CO2按物质的量之比1:3投料,反应经如上图2流程(主要产物已标出)可实现CO2高效转化。
①下列说法错误的是________(填标号)。
A.CaO与CO2的反应可促进Fe3O4氧化CO的平衡右移
B.Fe3O4和CaO都可以循环利用
C.H2在过程ii将Fe3O4还原为单质铁
D.过程ii产生的H2O最终被CaO吸收了
②过程ⅱ平衡后通入He,CO的物质的量的变化是________(填“升高”“降低”或“不变”)。
(4)CH4还原能力(R)可衡量CO2转化效率,(同一时段内CO2与CH4的物质的量变化量之比)。常压下CH4和CO2按物质的量之比1:3投料,发生反应a和b。某一时段内CH4和CO2的转化率和R值随温度的变化分别如图3和图4所示。
①结合图3分析图4,R随温度升高呈现先降低后升高趋势的原因是________。
②催化剂X可提高R值,另一时段内CH4转化率、R值随温度变化如下表:
下列说法正确的是________(填标号)。
A.R值提高是由于催化剂X选择性地提高了反应a的速率
B.温度越低,含氢产物中H2O占比越高
C.改变催化剂提高CH4转化率,R值一定增大
2024年湖北云学新高考联盟学校高三年级10月联考化学参考答案
一、选择题:本题共15小题,每小题3分,共45分。
二、非选择题:本题共4小题,共55分。
16.(14分)
(1)六(1分) IVA(1分)
(2)水浴加热(2分) (2分,“↓”未写不扣分,写PbCl2与硫酸反应的方程式给分)
(3)由题可知,则
,故无Ag2SO4生成。(评分标准:计算过程1分,结论1分。从以下这个角度回答也可给分 反应的平衡常数为, 故该反应正向很难发生,无Ag2SO4生成。)
(4)温度较高时,氨水因受热分解浓度降低而引起浸出速率减慢(2分)
(评分标准:答到“因氨气挥发造成氨水浓度降低”也给分)
(5)②④⑤(2分)
(6)(2分)
(“↓”或“↑”漏写1处或多处均扣1分)
【16题评分细则】
16(1)两空均按照答案给分
(2)第一空按照答案给分 第二空反应物写氯化铅、硫酸钠和硫酸反应都给分
(3)由题可知,则,故无生成。
(评分标准:计算过程1分,结论1分。计算过程没有出现 得0分 从以下这个角度回答也可给分 反应的平衡常数为,故该反应正向很难发生,无生成。)
由于,当,才有沉淀,,溶液中,所以没有沉淀 得2分
(4)温度较高时,氨水因受热分解浓度降低而引起浸出速率减慢(2分)
评分标准:答到“因氨气挥发造成氨水浓度降低”也给分,氨水受热分解也给2分,答氨水受热分解和其他因素,其他因素合理给2分,其他因素不合理给1分,只有其他因素0分
(5)②④⑤少1个给1分有错0分
(6)按答案改
17.(14分)
(1)羟基、(酮)羰基(2分)
(2)(2分)
(3)碳溴键(溴原子)在NaOH溶液加热的条件下也会发生水解反应,从而导致有机物D不能转化为E(2分,答到前一句话就给2分。)
(4)(2分,写其中一种即可)
(5)丙二酸二乙酯(2分) 酯基中氧的电负性大于碳,化合物F中羰基碳原子正电性较强,从而使框线内氢原子的活性增强(或碳上的碳氢键极性增强,容易断裂)(2分)
(6)(2分)
【17题评分细则】
(1)羰基 酮羰基 1分
羟基 酚羟基1分 见错0分
(2)(3)按照答案改
(4)(2分,写其中一种即可)
(5)丙二酸二乙酯(2分) 酯基中氧的电负性大于碳,化合物F中羰基碳原子正电性较强,从而使框线内氢原子的活性增强(或碳上的碳氢键极性增强,容易断裂)(2分)只要答出框线内氢原子的活性增强(或碳上的碳氢键极性增强,容易断裂)或者与酯基相连的碳氢键极性增强都可以
(6)(2分)
18.(13分)
【18题评分细则】
(1)铜单质(或Cu)(按答案给分,化学式名称均可)(2分)
(2)①(答名称不给分,答化学式要写出【】,不写不给分)(2分)
②(2分)(答名称不给分)
(3)①向pH为3~4的稀盐酸中加铁粉,一段时间后取出少量溶液,滴加溶液,不产生蓝色沉淀(2分,答“向pH为3~4的稀盐酸中加铁粉,观察到铁粉表面无气泡产生”也给分)。(需强调pH为3-4的稀盐酸,不写不给分,答出铁粉不溶解或铁粉质量不变,也给分)
②KSCN(硫氰化钾)(1分) pH<1.2(2分)
(4)加入镁粉后产生大量气泡,使镁粉不容易被Fe(OH)3包裹(2分)
(3)②---(4)评分细则:
②KSCN(硫氰化钾)(1分)按标答给分
pH<1.2(2分)或者0~1.2 1
19.(14分)
(1)(2分) 高温(2分) (2)1.0(2分) (3)①D(2分) ②升高(2分)
(解释:通入He,CaCO3分解平衡正移,导致增大,促进Fe还原CO2平衡正移)
(4)①温度升高,开始时反应a的反应速率更快;温度接近600℃,CH4转化率接近100%,温度继续升高,反应b继续进行(3分) ②B(1分)
【19题评分细则】
前五空中就第(2)小题1.0写1也给分,其余四空按答案改
(4)600度之前,a反应的速率大于b反应的速率(或a的转化率大于b)故R值减小分
600度之后a的转化率几乎不变(接近100%)分
b的转化率继续增大,故R值增大分物质
乙酸
1-丁醇
乙酸丁酯
沸点/℃
117.9
117.2
126.3
选项
实验目的
实验操作
A.
验证非金属性:C>Si
向碳酸钠粉末中滴加盐酸,然后将产生的气体通入硅酸钠溶液,观察到有白色胶状物质生成
B.
配制250 mL 0.400 ml/LNaOH溶液
称取4.0 g NaOH固体溶于水,将其转入250 mL容量瓶中,加水至刻度线1~2 cm处,改用胶头滴管定容
C.
比较Ksp(AgCl)与Ksp(AgI)的大小
向盛有2 mL 0.1ml/L NaCl溶液的试管中滴加2滴AgNO3溶液,振荡,然后再向其中滴加4滴0.1 ml/L KI溶液
D.
验证HClO具有漂白性
将新制饱和氯水慢慢滴入含酚酞的稀NaOH溶液中,溶液红色褪去
选项
宏观事实
微观解释
A.
SiO2的熔点高于CS2
Si-O的键能大于C=S的键能
B.
同一主族碱金属元素的单质熔沸点逐渐降低
同一主族从上到下碱金属元素的原子的半径逐渐增大,金属键逐渐减弱
C.
常温下Cl2、Br2和I2的聚集状态不同
卤素单质的相对分子质量越大,范德华力越大
D.
王水溶解金(Au)
盐酸提供的Cl-增强了Au的还原性
实验
金属
操作、现象及产物
I
过量Cu
一段时间后,溶液逐渐变蓝绿色,固体中未检测到Fe单质
II
过量Zn
一段时间后有气泡产生,反应缓慢,pH逐渐增大,产生了大量红褐色沉淀后,无气泡冒出,此时溶液pH为3~4,取出固体,固体中未检测到Fe单质
III
过量Mg
有大量气泡产生,反应剧烈,pH逐渐增大,产生了大量红褐色沉淀后,持续产生大量气泡,当溶液pH为3~4时,取出固体,固体中检测到Fe单质
温度/℃
480
500
520
550
CH4转化率/%
7.9
11.5
20.2
34.8
R
2.6
2.4
2.1
1.8
1
2
3
4
5
6
7
8
B
A
C
B
D
D
B
C
9
10
11
12
13
14
15
D
D
C
C
A
B
A
2024年湖北云学部分重点高中联盟高三上学期10月联考 化学试题: 这是一份2024年湖北云学部分重点高中联盟高三上学期10月联考 化学试题,文件包含2024年湖北云学部分重点高中联盟高三年级10月联考化学试题pdf、2024年湖北云学部分重点高中联盟高三年级10月联考化学试题答案pdf等2份试卷配套教学资源,其中试卷共12页, 欢迎下载使用。
湖北云学高中联盟2025届高三上学期10月联考(一模)化学试题+答案: 这是一份湖北云学高中联盟2025届高三上学期10月联考(一模)化学试题+答案,共12页。
湖北省云学高中联盟2025届高三10月联考(一模)化学试题: 这是一份湖北省云学高中联盟2025届高三10月联考(一模)化学试题,共12页。

