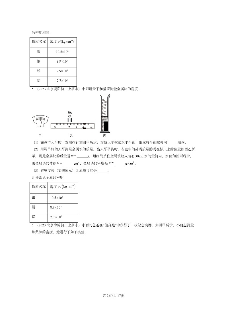
[物理]2022~2024北京重点校初二上学期期末真题分类汇编:测量物质的密度
展开[物理]2024北京重点校初二上学期期末真题分类汇编:质量: 这是一份[物理]2024北京重点校初二上学期期末真题分类汇编:质量,共3页。
[物理]2024北京重点校初二上学期期末真题分类汇编:密度: 这是一份[物理]2024北京重点校初二上学期期末真题分类汇编:密度,共6页。
[物理]2024北京重点校初二上学期期末真题分类汇编:光的折射: 这是一份[物理]2024北京重点校初二上学期期末真题分类汇编:光的折射,共5页。

