第四部分 第一章 课时七1 海洋空间资源开发与国家安全-2025年高考地理大一轮复习(课件+讲义+练习)
展开高中地理与初中的内容相差很大,高中是为什么,尤其高一的自然地理部分,学习时要求学生有较强的理科思维。考生在高三复习中可以在以下方面进展尝试:第一部分:打牢基础,构建知识框架1. 回归课本,梳理知识点 2. 理解原理,深化概念3. 练习题海战术,巩固知识第二部分:提升能力,拓展思维深度1. 强化地图技能,提升空间思维 2. 分析热点问题,培养综合分析能力3. 模拟考试,适应考试节奏一轮复习结束后,要进行至少一次的全真模拟考试,以检验复习效果,并适应高考的考试节奏。模拟考试后,要认真分析试卷,找出自己的薄弱环节,有针对性地进行强化训练。同时,要学会合理分配答题时间,确保在真实考试中能够稳妥应对。
海洋空间资源开发与国家安全
1.海洋空间资源开发 (1)海洋空间资源开发可能面临的困难海洋的环境和生态条件有其复杂性和特殊性。海面上活动要抗御多变的海洋______状况和海水的运动;深海活动要适应黑暗、 、低温、缺氧的环境;海水的腐蚀性强,海冰的破坏性大,对工程设备材料和结构有严格的要求,使得海洋空间资源的开发与利用技术难度大、资金投入大、风险大。(2)海洋空间资源开发利用的意义
思考 如何理解“海洋空间资源”的概念?与海洋资源有什么区别?
答案 “海洋空间资源”强调“空间”二字,是与“陆地空间”相对的空间资源,涉及海岸、海面、水体、海底等不同的海洋空间;“海洋资源”包括海洋空间资源、海洋矿物资源、海水化学资源、海洋生物资源和海洋动力资源等,即海洋空间资源是海洋资源的重要组成部分。
2.对国家资源安全的影响
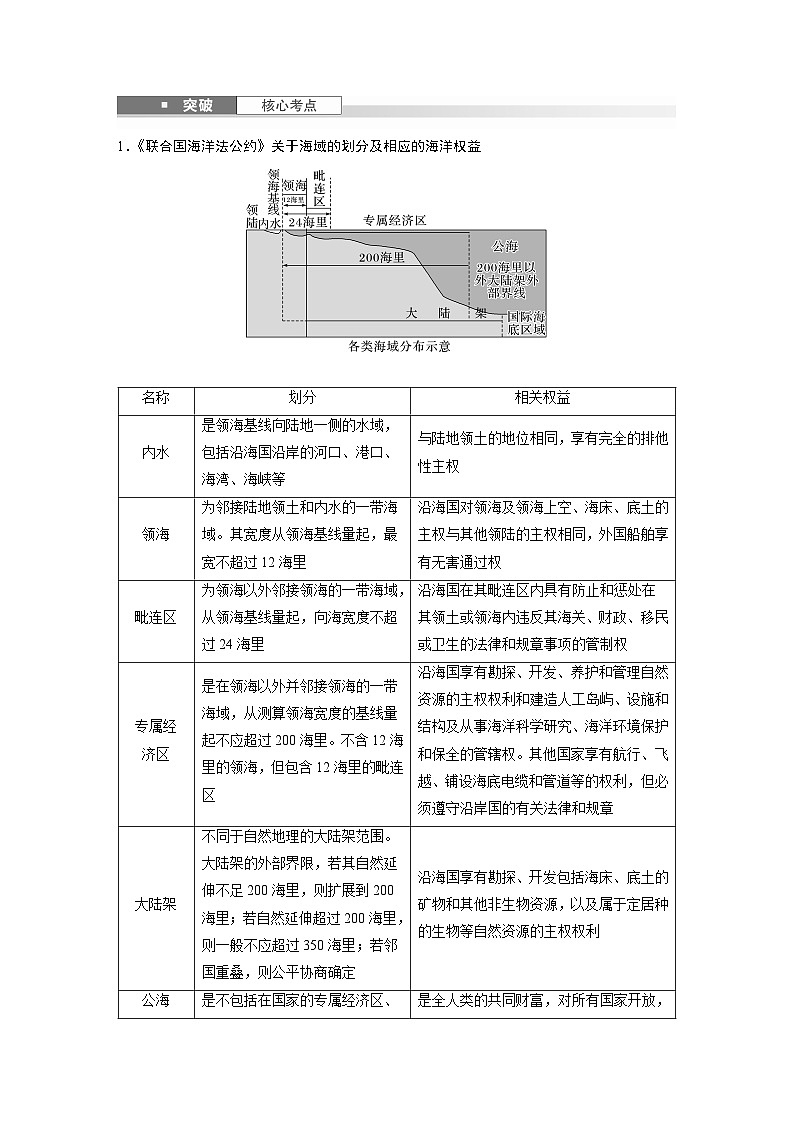
3.对国家海洋国土安全的影响(1)海洋国土①概念:指在国家主权管辖下的特定的海域及其上空和底土,不仅包括一国的_____和领海,还包括该国管辖的 和大陆架,是内水、领海、毗连区、专属经济区、大陆架等所有管辖海域的总称。
(2)影响:开发和利用海洋空间资源是宣示海洋国土 、体现和行使海洋 的途径和手段,可以提高国家对海洋国土的 能力,对保障国家 和主权完整、确保海上通道安全、扩展战略纵深、维护国家海洋权益等方面均有重要的战略意义;在争议海域进行的开发和利用活动,可能导致国家间的 和摩擦,影响国家安全。
《联合国海洋法公约》的意义(1)规定了12海里的领海制度,打破发达国家长期只承认3海里的旧法律制度,有利于沿海国家扩大领海主权。(2)建立了200海里专属经济区制度,否定了“领海之外即公海”的旧制度,有助于广大沿海国家维护国家的海洋权益。(3)确立了国家管辖海域以外的国际海底及其资源是人类共同继承财产的原则,打破了大国对深海大洋的垄断,有利于所有国家,特别是内陆国家分享相应权利。
1.《联合国海洋法公约》关于海域的划分及相应的海洋权益
2.海洋空间资源类型及其开发利用方式
(2021·山东地理)阅读图文资料,完成下列要求。(15分)荷兰北部的马肯湖是围海造陆工程的遗留物,由人工堤坝与相邻水域隔开,水深仅2~4 m,风浪较小(图1)。长期以来,马肯湖淤积严重,水体浑浊,生态系统受到损害。2015年,荷兰政府决定采用人工群岛方案对湖泊进行治理。该方案提出利用疏浚淤泥、人工抛沙等技术,构建由沙坝、沼泽、浅滩、沟渠和植物组成的人工岛(图2)。其中,沙坝是抵挡盛行风引起的风浪的主要屏障,沼泽是由湖底淤泥堆积而成。在风、波浪、地势高差和水流等自然力量驱动下,人工岛内外形成了弱环流。
(1)从图2中找出人工岛周边建造沙坝的合理位置,并在相应虚线框内填涂阴影。(3分)(2)从抵御风浪的角度,分析与石质堤坝相比,沙坝所具有的优势。(4分)(3)说明人工岛是如何实现马肯湖水环境质量改善的。(8分)
答案 (1)建造沙坝的合理位置如图所示。
(2)沙坝疏松多孔,并可以生长植物,消能作用更强,能更有效地降低风浪速度;能吸附、固定悬浮物,可以自我修复或扩大规模,持续抵御风浪。(3)在风与地势高差的驱动下,湖水从各个方向流入人工岛,并沿沟渠、沼泽、浅滩缓慢流动,水中的悬浮物逐渐沉积下来;岛内营造的地势高差,使大气降水经斜坡汇集到雨水蓄积区,改善了岛内水环境;岛内水环境的改善有利于水生生物的生长,水生生物进一步截留、吸附悬浮物;净化后的水体通过人工岛内外的水体交换进入马肯湖,改善了马肯湖水环境质量。
海洋空间资源开发对国家资源安全的意义。简述海洋空间资源开发对国家资源安全的影响。
答案 ①拓展陆地空间,改善陆地空间通达性;②提供丰富的资源,缓解陆地资源紧缺;③提供危险资源储藏场所,减少对陆地环境的威胁。
考向1 通过“海洋空间资源开发”考查“综合思维” (2023·重庆模拟)北极航道控制权是各国争夺的北极一大热点权益。沿岸国家对
北冰洋内别国活动的限制程度具有一定的规律性。在水平方向上,呈现出显著的纬度地带性,即限制程度随着纬度增高而逐渐减弱;在垂直方向上,对海底大陆架的控制范围大于对其上覆水域的控制范围。右图示意北极航道分布。据此完成1~2题。1.与东北航道和西北航道相比,穿极航道的优点表现为A.大部分位于国际公海 B.距离短,航行成本低C.受季节变化影响小 D.不受沿岸国家影响
(2023·重庆模拟)北极航道控制权是各国争夺的北极一大热点权益。沿岸国家对北冰洋内别国活动的限制程度具有一定的规律性。在水平方向上,呈现出显著的纬
度地带性,即限制程度随着纬度增高而逐渐减弱;在垂直方向上,对海底大陆架的控制范围大于对其上覆水域的控制范围。右图示意北极航道分布。据此完成1~2题。2.当前,北极沿岸国家侧重于控制海底大陆架的主要原因是A.资源开采容易 B.地下资源丰富C.以可再生资源为主 D.赋存资源流动性大
考向2 通过“海洋空间资源开发对国家资源安全的影响”考查“人地协调观”(2024·河南郑州模拟)近年来,广东省加速推进“海上风电+海洋牧场+海水制氢”融合项目开发,开创了“海上粮仓+蓝色能源”的新局面,为我国能源发展探索出海域资源集约生态化开发的新模式。下图为“‘海上风电+海洋牧场+海水制氢’融合开发示意图”。据此完成3~5题。3.近年来,广东省加速推进该融合项目的主要原因是①风力资源丰富 ②粮食供应紧张③淡水资源匮乏 ④能源需求量大A.①③ B.②③ C.①④ D.②④
(2024·河南郑州模拟)近年来,广东省加速推进“海上风电+海洋牧场+海水制氢”融合项目开发,开创了“海上粮仓+蓝色能源”的新局面,为我国能源发展探索出海域资源集约生态化开发的新模式。下图为“‘海上风电+海洋牧场+海水制氢’融合开发示意图”。据此完成3~5题。4.与单独海上风电开发相比,融合开发A.技术门槛低 B.投资成本低C.能源供应增多 D.生态影响较大
(2024·河南郑州模拟)近年来,广东省加速推进“海上风电+海洋牧场+海水制氢”融合项目开发,开创了“海上粮仓+蓝色能源”的新局面,为我国能源发展探索出海域资源集约生态化开发的新模式。下图为“‘海上风电+海洋牧场+海水制氢’融合开发示意图”。据此完成3~5题。5.融合开发模式的推广可以A.改变我国能源消费结构B.缓解我国碳排放压力C.减少我国能源需求量D.加大地区电力供应不均衡
(2023·山东济南模拟)钙质软泥是海洋生物死亡后,大量微小贝壳在洋底积聚形成的碳酸钙含量较高的深海生物沉积物(下图)。碳酸钙的溶解与海水深度、温度有关。在温暖的浅海区,碳酸钙不易发生溶解。据此完成1~3题。1.大西洋钙质软泥高含量区主要分布在A.大陆架 B.大陆坡C.海岭 D.海沟
(2023·山东济南模拟)钙质软泥是海洋生物死亡后,大量微小贝壳在洋底积聚形成的碳酸钙含量较高的深海生物沉积物(下图)。碳酸钙的溶解与海水深度、温度有关。在温暖的浅海区,碳酸钙不易发生溶解。据此完成1~3题。2.钙质软泥高含量区的洋底A.岩石年龄较新 B.岩石年龄较老C.多为花岗岩 D.多为沉积岩
(2023·山东济南模拟)钙质软泥是海洋生物死亡后,大量微小贝壳在洋底积聚形成的碳酸钙含量较高的深海生物沉积物(下图)。碳酸钙的溶解与海水深度、温度有关。在温暖的浅海区,碳酸钙不易发生溶解。据此完成1~3题。3.北极附近海区钙质软泥较少,主要是因为A.海水较浅 B.生物量少C.水温较高 D.风力较大
某品牌白酒是福建省安溪县生产的海底窖藏白酒,是中国第一种采用海底窖藏工艺生产的高端白酒,海底窖藏的发明改变了中国白酒单一的陆地窖藏方式,创造了中国白酒窖藏的新纪元。右图为“海底窖藏白酒景观图”。据此完成4~5题。4.海底窖藏白酒利用的海洋资源类型主要是A.海底矿产资源 B.海洋空间资源C.海洋生物资源 D.海洋化学资源
某品牌白酒是福建省安溪县生产的海底窖藏白酒,是中国第一种采用海底窖藏工艺生产的高端白酒,海底窖藏的发明改变了中国白酒单一的陆地窖藏方式,创造了中国白酒窖藏的新纪元。下图为“海底窖藏白酒景观图”。据此完成4~5题。5.将白酒窖藏在海底有利于A.扩大沿海地区土地面积B.降低沿海地区投资风险C.提高白酒年产量D.缓解沿海地区人地矛盾
(2023·河南洛阳模拟)与我国渤海、黄海、南海边缘海相比,东海是我国海洋生产力最高的海域。1995年10月30日《中华人民共和国民用航空法》和2001年7月27日《中华人民共和国飞行基本规则》,宣布划设东海防空识别区。下图示意中国东海防空识别区。据此完成6~7题。
6.与我国其他边缘海相比,东海海洋生产力最高的主要原因可能是①海域和大陆架平坦宽阔,海水透明度大 ②海域的水温较高,海水盐度较大 ③沿岸有众多水系、河流注入,入海营养物质多 ④沿岸人口密度小,人类捕获量小A.①②③ B.②③④ C.①②④ D.①③④
(2023·河南洛阳模拟)与我国渤海、黄海、南海边缘海相比,东海是我国海洋生产力最高的海域。1995年10月30日《中华人民共和国民用航空法》和2001年7月27日《中华人民共和国飞行基本规则》,宣布划设东海防空识别区。下图示意中国东海防空识别区。据此完成6~7题。7.2001年我国划设东海防空识别区的重要性主要在于能够A.保障我国民航飞机通行安全B.准确预防各种海洋自然灾害风险C.有效地保护我国的海洋国土安全D.帮助各国民用船舶通行精准导航
(2024·广东珠海模拟)养殖网箱和养殖工船均是人类拓展海洋生产空间的重要设备。养殖网箱漂浮在海面上(图1),大部分用于近海养殖;养殖工船在船体内设置养殖仓,主要用于深远海养殖。我国建造的“国信1号”(图2)是全球首艘10万吨级智慧渔业大型养殖工船。据此完成8~9题。8.与养殖网箱相比,养殖工船的优势体现在①躲避台风能力更强 ②渔业生产成本更低③基本不受赤潮威胁 ④养殖用水更新更快A.①② B.①③ C.②④ D.③④
(2024·广东珠海模拟)养殖网箱和养殖工船均是人类拓展海洋生产空间的重要设备。养殖网箱漂浮在海面上(图1),大部分用于近海养殖;养殖工船在船体内设置养殖仓,主要用于深远海养殖。我国建造的“国信1号”(图2)是全球首艘10万吨级智慧渔业大型养殖工船。据此完成8~9题。9.我国在南海发展海洋养殖对国家海洋国土安全的主要影响是A.体现和行使海洋权益B.缓解陆地空间的压力C.扩大专属经济区范围D.促进海洋资源的开发
(2023·福建厦门期末)数据中心是用特定设备在互联网上存储、传输、交换与管理数据信息的场所,其内部需要保持恒温恒湿的冷凉环境。2021年,中国实施“东数西算”工程:在中西部建立数据中心,承接东部乃至全国范围的离线分析、存储备份等非实时运算任务。同年12月,全国首个商用海底数据中心(服务器安装在海底,通过光缆供电和传输数据)选址三亚南部海域,着力实现“东数海算”。据此完成10~12题。10.与东部地区相比,中西部建立大数据中心的突出优势在于A.清洁能源丰富 B.全年气候冷凉C.基础设施完善 D.同类产业集聚
(2023·福建厦门期末)数据中心是用特定设备在互联网上存储、传输、交换与管理数据信息的场所,其内部需要保持恒温恒湿的冷凉环境。2021年,中国实施“东数西算”工程:在中西部建立数据中心,承接东部乃至全国范围的离线分析、存储备份等非实时运算任务。同年12月,全国首个商用海底数据中心(服务器安装在海底,通过光缆供电和传输数据)选址三亚南部海域,着力实现“东数海算”。据此完成10~12题。11.与陆地数据中心相比,海底数据中心A.运营能耗较高B.受外界环境干扰较大C.对市场需求的响应较快D.对建设技术的要求较高
(2023·福建厦门期末)数据中心是用特定设备在互联网上存储、传输、交换与管理数据信息的场所,其内部需要保持恒温恒湿的冷凉环境。2021年,中国实施“东数西算”工程:在中西部建立数据中心,承接东部乃至全国范围的离线分析、存储备份等非实时运算任务。同年12月,全国首个商用海底数据中心(服务器安装在海底,通过光缆供电和传输数据)选址三亚南部海域,着力实现“东数海算”。据此完成10~12题。12.实现“东数海算”,能够①为海洋能源开发提供数据支持 ②拓展生产空间,保障国家环境安全 ③为国家信息通信提供安全保障 ④维护海洋权益,开发海洋空间资源A.①②③ B.①②④ C.①③④ D.②③④
13.(2023·广东湛江一中模拟)阅读图文资料,完成下列要求。(13分)永兴岛为西沙群岛中面积最大的岛屿,为典型的热带季风气候。永兴岛是西沙、南沙、中沙三个群岛的军事、政治、文化中心,是三沙市人民政府驻地。岛上建有机场、港口、军事基地等,有完善的生产和生活配套设施。机场跑道长2 500米,部分伸入海洋。永兴岛在扩建时,遵循对海岛自然形态和海洋环境损坏最小化原则,经过多年填海造陆,目前陆地面积达2.6平方千米。图1为永兴岛未开发前的轮廓,图2示意永兴岛机场跑道景观(局部)。(1)简述永兴岛建设对国家安全的重要意义。(6分)
答案 增加海洋国土面积,拓展我国陆地空间;提供丰富的海洋资源;维护国家领土安全。
13.(2023·广东湛江一中模拟)阅读图文资料,完成下列要求。(13分)永兴岛为西沙群岛中面积最大的岛屿,为典型的热带季风气候。永兴岛是西沙、南沙、中沙三个群岛的军事、政治、文化中心,是三沙市人民政府驻地。岛上建有机场、港口、军事基地等,有完善的生产和生活配套设施。机场跑道长2 500米,部分伸入海洋。永兴岛在扩建时,遵循对海岛自然形态和海洋环境损坏最小化原则,经过多年填海造陆,目前陆地面积达2.6平方千米。图1为永兴岛未开发前的轮廓,图2示意永兴岛机场跑道景观(局部)。(2)列举永兴岛建设中对海洋空间资源的主要利用途径。(4分)
答案 利用海域上空发展航空运输;利用海面及水体填海造陆,建设港口发展航运。
第四部分 第二章 课时七5 保障国家安全的资源、环境战略与行动-2025年高考地理大一轮复习(课件+讲义+练习): 这是一份第四部分 第二章 课时七5 保障国家安全的资源、环境战略与行动-2025年高考地理大一轮复习(课件+讲义+练习),文件包含第四部分第二章课时75保障国家安全的资源环境战略与行动pptx、第四部分第二章训练75保障国家安全的资源环境战略与行动专题练习docx、第四部分第二章课时75保障国家安全的资源环境战略与行动教师版docx、第四部分第二章课时75保障国家安全的资源环境战略与行动学生版docx等4份课件配套教学资源,其中PPT共41页, 欢迎下载使用。
第四部分 第二章 课时七4 全球气候变化与国家安全-2025年高考地理大一轮复习(课件+讲义+练习): 这是一份第四部分 第二章 课时七4 全球气候变化与国家安全-2025年高考地理大一轮复习(课件+讲义+练习),文件包含第四部分第二章课时74全球气候变化与国家安全pptx、第四部分第二章训练74全球气候变化与国家安全专题练习docx、第四部分第二章课时74全球气候变化与国家安全教师版docx、第四部分第二章课时74全球气候变化与国家安全学生版docx等4份课件配套教学资源,其中PPT共60页, 欢迎下载使用。
第四部分 第二章 课时七3 生态保护与国家安全-2025年高考地理大一轮复习(课件+讲义+练习): 这是一份第四部分 第二章 课时七3 生态保护与国家安全-2025年高考地理大一轮复习(课件+讲义+练习),文件包含第四部分第二章课时73生态保护与国家安全pptx、第四部分第二章训练73生态保护与国家安全专题练习docx、第四部分第二章课时73生态保护与国家安全教师版docx、第四部分第二章课时73生态保护与国家安全学生版docx等4份课件配套教学资源,其中PPT共50页, 欢迎下载使用。

