高考物理一轮复习考点精讲精练第39讲 物理实验(四)(2份打包,原卷版+解析版)
展开1、理解和掌握测定金属丝的电阻率实验原理,并会做出必要的误差分析。
2、理解和掌握测定电源的电动势和内阻实验原理,并会做出必要的误差分析。
3、清楚多用电表构造及原理。
4、理解和学握用多用电表测量电学中的物理量方法。
5、能够在原型实验基础上,通过对实验的改进或者创新,做出同类探究。
实验12 测定金属的电阻率(练习使用螺旋测微器)
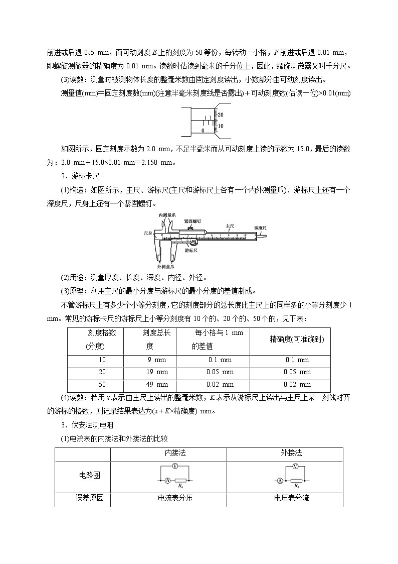
1.螺旋测微器
(1)构造:如图所示,它的测砧A和固定刻度B固定在尺架C上,旋钮D、微调旋钮D′和可动刻度E、测微螺杆F连在一起,通过精密螺纹套在B上。
(2)原理:测微螺杆F与固定刻度B之间的精密螺纹的螺距为0.5 mm,即旋钮D每旋转一周,F前进或后退0.5 mm,而可动刻度E上的刻度为50等份,每转动一小格,F前进或后退0.01 mm,即螺旋测微器的精确度为0.01 mm。读数时估读到毫米的千分位上,因此,螺旋测微器又叫千分尺。
(3)读数:测量时被测物体长度的整毫米数由固定刻度读出,小数部分由可动刻度读出。
测量值(mm)=固定刻度数(mm)(注意半毫米刻度线是否露出)+可动刻度数(估读一位)×0.01(mm)
如图所示,固定刻度示数为2.0 mm,不足半毫米而从可动刻度上读的示数为15.0,最后的读数为:2.0 mm+15.0×0.01 mm=2.150 mm。
2.游标卡尺
(1)构造:如图所示,主尺、游标尺(主尺和游标尺上各有一个内外测量爪)、游标尺上还有一个深度尺,尺身上还有一个紧固螺钉。
(2)用途:测量厚度、长度、深度、内径、外径。
(3)原理:利用主尺的最小分度与游标尺的最小分度的差值制成。
不管游标尺上有多少个小等分刻度,它的刻度部分的总长度比主尺上的同样多的小等分刻度少1 mm。常见的游标卡尺的游标尺上小等分刻度有10个的、20个的、50个的,见下表:
(4)读数:若用x表示由主尺上读出的整毫米数,K表示从游标尺上读出与主尺上某一刻线对齐的游标的格数,则记录结果表达为(x+K×精确度) mm。
3.伏安法测电阻
(1)电流表的内接法和外接法的比较
(2)两种电路的选择
①阻值比较法:先将待测电阻的估计值与电压表、电流表内阻进行比较,若Rx较小,宜采用电流表外接法;若Rx较大,宜采用电流表内接法。简单概括为“大内偏大,小外偏小”。
②临界值计算法:
Rx
③实验试探法:按图实74所示接好电路,让电压表一根接线柱P先后与a、b处接触一下,如果电压表的示数有较大的变化,而电流表的示数变化不大,则可采用电流表外接法;如果电流表的示数有较大的变化,而电压表的示数变化不大,则可采用电流表内接法。
(2024•包头三模)实验小组用图甲所示的电路测量金属丝的电阻率,其中定值电阻R1=4Ω,R3=7Ω,实验的主要步骤如下:
(1)用螺旋微器测量金属丝直径如图乙所示,则金属丝的直径为D= mm。
(2)如图甲、闭合开关前,滑动变阻器R4的滑片应置于 端(填“c”或“d”)。
(3)先量出待测金属丝接入电路中的长度,接着调节滑动变阻器和电阻箱的阻值使电流计示数为零。若调节前,电流计的电流方向从a流向b,则电阻箱R2的阻值应调 (填“大”或“小”)。
(4)某次测量中,当电流计示数为零时,电阻箱的阻值R2=7Ω,则金属丝接入电路中的阻值为 Ω。
(5)改变金属丝接入电路中的长度,重复以上步骤,记录下每次电流计示数为零时电阻箱的阻值R2及金属丝的有效长度。
(6)根据记录的数据作出L图像,测得该图像的斜率为k,则金属丝的电阻率为 (用R1、R3,k、D表示)。
(2024•丰台区二模)在“测量金属丝电阻率”的实验中。
(1)如图所示,用螺旋测微器测量金属丝直径,则金属丝直径D= mm;
(2)待测金属丝电阻较小,为使电阻的测量结果尽量准确,且金属丝两端的电压从零开始变化。以下实验电路符合要求的是 ;
(3)实验中改变滑动变阻器滑片的位置,读取多组电压、电流值,描绘出的U﹣I图线如图所示。若图线的斜率为k,金属丝的长度为l,直径为D,则金属丝电阻率的表达式为 ;(用k、l、D表示)
(4)某同学认为,在不改变电路结构的基础上,可以另外设计一种实验方案,通过改变金属丝长度,并利用某一电表测得的数据,作出相应的图像,进而通过图线的斜率求得金属丝的电阻率。请简要说明实验方案,并用斜率k'表示金属丝的电阻率(需要的其他物理量可自选符号表示)。
(2024•天津模拟)如图甲所示的电路可以用来测量电阻丝的电阻率,电阻丝ab与电流表A及电阻箱串联接入电路,电阻箱起到短路保护作用。电阻丝ab被固定在带有刻度的木板上,P是鳄鱼夹,用来调整接入电路中的电阻丝长度l。
①实验中用螺旋测微器测得电阻丝的直径如图乙所示,其示数为d= mm。
②实验开始前把电阻箱的阻值调整到R0,然后闭合开关,从左向右逐渐改变鳄鱼夹的位置,记录下鳄鱼夹每一个位置对应的bc长度l及对应的电流表A的示数I,得到多组(l,I)数据。
③利用图像法处理数据,建立平面直角坐标系,以接入电路的电阻丝长度l为横轴,以 (选填“I”或“”)为纵轴,再根据实验数据在坐标系中描点,并且把这些点拟合为一条直线,如图丙所示。
④如果③中图丙所拟合的直线的斜率为k,纵轴截距为b,金属丝的直径为d,本实验所用的电源电动势为E。则金属丝的电阻率ρ= 。
⑤仅从实验设计原理上看,用上述方法得到的金属丝的电阻率的测量值与真实值相比 (选填“偏大”、“偏小”或“相等”)。
实验13 描绘小电珠的伏安特性曲线
1.实验原理
(1)测多组小电珠的U、I的值,并绘出I-U图象;
(2)由图线的斜率反映电流与电压和温度的关系.
2.实验器材
小电珠“3.8V,0.3A”、电压表“0~3V~15V”、电流表“0~0.6A~3A”、滑动变阻器、学生电源、开关、导线若干、坐标纸、铅笔.
3.实验步骤
(1)画出电路图(如实验原理图甲).
(2)将小电珠、电流表、电压表、滑动变阻器、学生电源、开关用导线连接成如实验原理图乙所示的电路.
(3)测量与记录
移动滑动变阻器触头位置,测出12组左右不同的电压值U和电流值I,并将测量数据填入自己设计的表格中.
(4)数据处理
①在坐标纸上以U为横轴,I为纵轴,建立直角坐标系.
②在坐标纸上描出各组数据所对应的点.
③将描出的点用平滑的曲线连接起来,就得到小电珠的伏安特性曲线.
4.实验器材选取
(1)原则:①安全;②精确;③操作方便.
(2)具体要求
①电源允许的最大电流不小于电路中的实际最大电流.干电池中电流一般不允许超过0.6A.
②用电器的额定电流不能小于通过该用电器的实际最大电流.
③电压表或电流表的量程不能小于被测电压或电流的最大值.
④电压表或电流表的指针应偏转到满刻度的eq \f(1,3)以上.
⑤从便于操作的角度来考虑,限流式接法要选用与待测电阻相近的滑动变阻器,分压式接法要选用较小阻值的滑动变阻器.
【规律方法总结】
1.滑动变阻器的限流式接法和分压式接法比较
2.两种接法的适用条件
(1)限流式接法适合测量阻值较小的电阻(跟滑动变阻器的最大电阻相比相差不多或比滑动变阻器的最大电阻还小).
(2)分压式接法适合测量阻值较大的电阻(一般比滑动变阻器的最大电阻要大).
3.注意事项
(1)电路的连接方式:
①电流表应采用外接法:因为小电珠(3.8V,0.3A)的电阻很小,与量程为0.6A的电流表串联时,电流表的分压影响很大.
②滑动变阻器应采用分压式接法:目的是使小电珠两端的电压能从零开始连续变化.
(2)闭合开关S前,滑动变阻器的触头应移到使小电珠分得电压为零的一端,使开关闭合时小电珠的电压能从零开始变化,同时也是为了防止开关刚闭合时因小电珠两端电压过大而烧坏灯丝.
(3)I-U图线在U0=1.0V左右将发生明显弯曲,故在U=1.0V左右绘点要密,以防出现较大误差.
4.误差分析
(1)由于电压表不是理想电表,内阻并非无穷大,会带来误差,电流表外接,由于电压表的分流,使测得的电流值大于真实值.
(2)测量时读数带来误差.
(3)在坐标纸上描点、作图带来误差.
(2024•宁河区校级一模)某同学想通过测绘小灯泡的I﹣U图像来研究小灯泡的电阻随电压变化的规律。所用器材如下:
待测小灯泡一只,额定电压为2.5V,电阻约为几欧;
电压表一个,量程0~3V,内阻约为3kΩ;
电流表一个,量程0~0.6A,内阻约为0.1Ω;
滑动变阻器一个,干电池两节,开关一个,导线若干。
(1)请在图甲中画出实验的电路图;
(2)在图乙中描绘出小灯泡伏安特性曲线;
(3)由(2)中图像知,小灯泡正常工作时的电阻为 (结果保留两位有效数字)。
(2024•黑龙江模拟)某同学想通过测绘某半导体材料的U﹣I图像来研究该材料的电阻随电压变化的规律,所用的器材有;
待测半导体一只,额定电压为2.5V,电阻约为几欧;
电压表一个,量程为0~3V,内阻约为3kΩ;
电流表一个,量程为0~0.6A,内阻约为0.1Ω;
滑动变阻器一个,干电池两节,开关一个,导线若干。
完成下列问题:
①在图甲中补全实验电路图。
②甲中开关在闭合之前,应把滑动变阻器的滑片置于 端。(选填“A”或“B”)
③该同学通过实验作出该半导体的U﹣I图像如图乙所示,则该材料的电阻随电压的增加而 (选填“增加”“减小”“不变”)。
(2024•宁乡市模拟)学校人群密集,是流感高发区,体温计是班级必备物品,其中电子体温计常用的测温元器件是热敏电阻。现有一热敏电阻,室温下它的阻值约为10Ω,某实验小组想要研究该热敏电阻的电阻与温度的关系,实验室可供选择的实验器材还有:
A.电压表V(量程0~3V,内阻约为10kΩ)
B.电流表A(量程0~0.6A,内阻约为1Ω)
C.滑动变阻器R1(阻值范围0~10Ω,允许的最大电流为2A)
D.滑动变阻器R2(阻值范围0~200Ω,允许的最大电流为1A)
E.干电池2节
F.开关、导线若干
(1)兴趣小组测出某种热敏电阻的I﹣U图像如图1所示,滑动变阻器应该选用 (填器材前面的字母序号),他们选用的应该是图 电路(填“甲”或“乙”);
(2)被测元件的阻值R可根据电压表的读数U和电流表的读数I求出,通过调节滑动变阻器接入电路的阻值,得到多组U、I数据,并对应求出多个R值,根据测得的数值作出如图2所示的R﹣U图像。当电压表读数为1V时,被测元件的发热功率为 W(保留3位有效数字)。
(3)现将上述测量的两个相同的热敏电阻(伏安特性曲线如图1所示)和定值电阻、恒压电源组成如图3所示的电路,电源电动势为6V,内阻不计,定值电阻R0=200Ω,则一个热敏电阻消耗的电功率为 W(结果保留3位有效数字)。
实验14 测定电源的电动势和内阻
1.实验原理
(1)实验依据:闭合电路欧姆定律.
(2)E和r的求解:由U=E-Ir得eq \b\lc\{\rc\ (\a\vs4\al\c1(U1=E-I1r,U2=E-I2r)),解得E、r.
(3)用作图法处理数据,如图所示.
①图线与纵轴交点为E;②图线与横轴交点为I短=eq \f(E,r);③图线的斜率表示r=|eq \f(ΔU,ΔI)|.
2.实验器材
电池、电压表、电流表、滑动变阻器、开关、导线、坐标纸和刻度尺.
3.基本操作
(1)电流表用0.6A的量程,电压表用3V的量程,按实验原理图连接好电路.
(2)把变阻器的滑片移到使阻值最大的一端.
(3)闭合开关,调节变阻器,使电流表有明显示数并记录一组数据(I1、U1).用同样的方法再测量几组I、U值,填入表格中.
(4)断开开关,拆除电路,整理好器材.
【规律方法总结】
1.实验数据求E、r的处理方法
(1)列多个方程组求解,再求E、r的平均值.
(2)图象法处理:以路端电压U为纵轴,干路电流I为横轴,建坐标系、描点、连线,纵轴截距为电动势E,直线斜率k的绝对值为内阻r.
2.注意事项
(1)为了使路端电压变化明显,可使用内阻较大的旧电池.
(2)电流不要过大,应小于0.5A,读数要快.
(3)要测出不少于6组的(I,U)数据,变化范围要大些.
(4)若U-I图线纵轴刻度不从零开始,则图线和横轴的交点不再是短路电流,内阻应根据r=|eq \f(ΔU,ΔI)|确定.
(5)电流表要内接(因为r很小).
3.误差来源
(1)偶然误差:用图象法求E和r时作图不准确.
(2)系统误差:电压表分流.
(2024•中山市校级模拟)如图甲所示,用铜片、铝片和可乐可以做成可乐电池,电动势大约在0.5V~0.6V之间,内阻几千欧左右。某实验兴趣小组制作了一个可乐电池并测量。
(1)如图乙所示,直接用多用电表“直流2.5V”量程测量出可乐电池的电动势大小为 V(保留两位有效数字);
(2)现有实验器材:
A.电压表(0~3V,RV约为3000Ω)
B.电流表(0~300μA,RA为300Ω)
C.电阻箱(0~9999Ω)
D.滑动变阻器(0~20Ω)
E.开关,导线若干
①为了更准确测量可乐电池的电动势和内阻,选择合适的器材并按电路图 完成电路连接;
②通过数据处理画出相应的可乐电池R﹣I图象如图丙实线所示,可知该可乐电池的内阻约为 Ω,测量值 真实值(选填“>”“=”或“<”);
③将该可乐电池静置5h后再次测量获得的图象如图丙虚线所示,可知该可乐电池的电动势 。(选填“增大”“减小”或“不变”)
(2024•潍坊二模)小明同学是一名山地车骑行爱好者,为了夜间骑行安全,他网购了一个太阳能山地车尾灯(如图甲所示)。好奇心驱使他将太阳能尾灯拆开,发现了可为内部一组镍氢电池组充电的光伏板。小明同学想测量该光伏板的电动势(电动势约为4V)及其内阻,于是他从实验室借到了以下器材:
A.电压表V(量程0∼3V,内阻为3kΩ)
B.毫安表A(量程0∼100mA,内阻很小)
C.滑动变阻器R(0∼500Ω)
D.定值电阻R1=3kΩ
E.定值电阻R2=12kΩ
F.开关、导线若干甲
(1)小明设计了如图乙所示的电路,为了精确测量电路电压,则与电压表串联的定值电阻为 (选填“R1”或“R2”);
(2)给光伏板一定的光照进行实验,将电压表的读数记为U,毫安表的读数记为I,通过改变滑动变阻器的阻值,测得多组U、I值,根据记录的实验数据做出U﹣I图像如图丙所示,通过图像可得光伏板的电动势E= V,图中线性段时光伏板的内阻r= Ω;(结果保留2位有效数字)
(3)将一个50Ω的定值电阻与光伏板串联,保持光照条件不变,则该定值电阻消耗的功率P= W。(结果保留2位有效数字)
(2024•惠州一模)某同学利用如图(a)所示的电路测量未知电阻R0的阻值与电源电动势E和内阻r,R为电阻箱,电流表可视为理想电流表。操作步骤如下:
(1)测量R0的阻值。先闭合开关S1和S2,调节电阻箱,当电阻箱的阻值R为11Ω时,电流表示数为I;接着断开S2,调节电阻箱,当电阻箱的阻值R为5Ω时,电流表示数仍为I,此时则R0的阻值为 Ω;若电流表为非理想电流表,则按照该方法实际测量得到的R0的阻值将 (选填“偏大”“偏小”或者“不变”)。
(2)保持S1闭合、S2断开,多次调节电阻箱的阻值,记录每次调节后的电阻箱的阻值R及电流表A的示数I。为了直观地得到I与R的关系,该同学以电阻箱的阻值R为纵轴,以x为横轴作出了如图(b)的图像,则横轴x为 ,R= (用字母E、I、R0和r表示)。
(3)若图(b)中横轴x所表示的物理量的单位为国际单位,由图像可求得电源的电动势E= V,内阻r= Ω(结果均保留2位有效数字)。
实验15 练习使用多用电表
1.实验器材
多用电表、电学黑箱、直流电源、开关、导线若干、小灯泡、二极管、定值电阻(大、中、小)三个.
2.实验步骤
(1)观察:观察多用电表的外形,认识选择开关的测量项目及量程.
(2)机械调零:检查多用电表的指针是否停在表盘刻度左端的零位置.若不指零,则可用小螺丝刀进行机械调零.
(3)将红、黑表笔分别插入“+”、“-”插孔.
(4)测量小灯泡的电压和电流
①按如图甲所示的电路图连好电路,将多用电表选择开关置于直流电压挡,测小灯泡两端的电压.
②按如图乙所示的电路图连好电路,将选择开关置于直流电流挡,测量通过小灯泡的电流.
(5)测量定值电阻
①根据被测电阻的估计阻值,选择合适的挡位,把两表笔短接,观察指针是否指在欧姆表的“0”刻度,若不指在欧姆表的“0”刻度,调节欧姆调零旋钮,使指针指在欧姆表的“0”刻度处;
②将被测电阻接在两表笔之间,待指针稳定后读数;
③读出指针在刻度盘上所指的数值,用读数乘以所选挡位的倍率,即得测量结果;[来源
④测量完毕,将选择开关置于交流电压最高挡或“OFF”挡.
【规律方法总结】
1.多用电表使用注意事项
(1)表内电源正极接黑表笔,负极接红表笔,但是红表笔插入“+”插孔,黑表笔插入“-”插孔,注意电流的实际方向应为“红入”,“黑出”.
(2)区分“机械零点”与“欧姆零点”.机械零点是表盘刻度左侧的“0”位置,调整的是表盘下边中间的指针定位螺丝;欧姆零点是指刻度盘右侧的“0”位置,调整的是欧姆调零旋钮.
(3)由于欧姆挡表盘难以估读,测量结果只需取两位有效数字,读数时注意乘以相应挡位的倍率.
(4)使用多用电表时,手不能接触表笔的金属杆,特别是在测电阻时,更应注意不要用手接触表笔的金属杆.
(5)测量电阻时待测电阻要与其他元件和电源断开,否则不但影响测量结果,甚至可能损坏电表.
(6)测电阻时每换一挡必须重新欧姆调零.
(7)使用完毕,选择开关要置于交流电压最高挡或“OFF”挡.长期不用,应把表内电池取出.
2.多用电表对电路故障的检测
(1)断路故障的检测方法
①将多用电表拨到直流电压挡作为电压表使用.
a.将电压表与电源并联,若电压表示数不为零,说明电源良好,若电压表示数为零,说明电源损坏.
b.在电源完好时,再将电压表与外电路的各部分电路并联.若电压表示数等于电源电动势,则说明该部分电路中有断点.
②将多用电表拨到直流电流挡作为电流表使用,将电流表串联在电路中,若电流表的示数为零,则说明与电流表串联的部分电路断路.
③用欧姆挡检测
将各元件与电源断开,然后接到红、黑表笔间,若有阻值(或有电流)说明元件完好,若电阻无穷大(或无电流)说明此元件断路.
不能用欧姆表检测电源的情况.
(2)短路故障的检测方法
①将电压表与电源并联,若电压表示数为零,说明电源被短路;若电压表示数不为零,则外电路的部分电路不被短路或不完全被短路.
②用电流表检测,若串联在电路中的电流表示数不为零,故障应是短路.
(2024•甘肃模拟)某实验小组欲将电流表G(量程为0~3mA)改装为欧姆表。实验器材如下:电动势为1.5V的干电池1节、滑动变阻器(阻值范围为0~1000Ω)。将它们按如图甲所示连接。
(1)将图甲中接线柱 (填“P”或“Q”)接红表笔。
(2)将图甲中P、Q两接线柱短接,调节滑动变阻器使电流表G满偏,则欧姆表的内阻Rg= Ω。
(3)保持滑动变阻器不动,在P、Q间接入一电阻,电流表示数如图乙所示,此电阻的阻值为 Ω。
(2024•琼山区校级模拟)为测量一段粗细均匀的电阻丝的阻值,某学生小组设计如下实验。
(1)先用欧姆表粗测该电阻丝的阻值,选用的欧姆挡为“×1Ω”,测量结果如图(a)所示,则电阻丝的阻值为 Ω。
(2)为了更精确测量电阻丝阻值大小,设计图(b)所示电路。所用实验器材有:电源E0(电动势0~4.5V可调,内阻不计)、标准电池EN(电动势1.0186V)、灵敏电流计G(阻值约100Ω)、电流表(量程0~200mA,内阻不计)、定值电阻R1、可变电阻R2(阻值0~10Ω)、探针(一端连灵敏电流计,另一端连电阻丝)、米尺、开关S1和S2、导线若干。
(3)实验步骤如下:
①首先将E0调至较小,闭合开关S1;
②将探针置于电阻丝中间位置附近,R2调至最大值。试触开关S2,观察灵敏电流计指针偏转情况。如果指针偏转,则改变E0大小或探针的位置,反复调节直到灵敏电流计的示数为0。此时φc φd,Uac EN(填“>”、“=”或“<”);
③当灵敏电流计中通以d向c方向的电流时,指针会向右偏转。若某次测量时,指针向左偏转,则E0要调 (填“大”或“小”),或者将探针向 (填“左”或“右”)滑动;
④某次测量时,灵敏电流计的示数为0,电流表示数为100mA,此时测得探针到电阻丝a端的长度为53.0cm,电阻丝总长度为100.0cm,则电阻丝的阻值为 Ω(保留3位有效数字)。
(2024•金华二模)某同学想要测量一新材料制成的粗细均匀电阻丝的电阻率,设计了如下的实验。
(1)用螺旋测微器测量电阻丝的直径,示数如图甲所示,测得其直径D= mm。
(2)用多用电表粗测电阻丝的阻值。选择旋钮打在“×100“挡,进行欧姆调零后测量,指针静止时位置如图乙所示,此测量值为 Ω。
(3)为了精确地测量电阻丝的电阻Rx,实验室提供了下列器材:
A.电流表A1(量程500μA,内阻r1=1kΩ)
B.电流表A2(量程10mA,内阻r2约为0.1Ω)
C.滑动变阻器R1(0~500Ω,额定电流0.5A)
D.滑动变阻器R2(0~10Ω,额定电流1A)
E.电阻箱R(阻值范围为0~9999.9Ω)
F.电源(电动势3.0V,内阻约0.2Ω)
G.开关S、导线若干
①实验小组设计的实验电路图如图丙所示,开关闭合前,滑动变阻器滑片应位于 端(选填“最左”、“最右”或“居中”)。由于没有电压表,需要把电流表A1串联电阻箱R改为量程为3V的电压表,则电阻箱的阻值R= Ω。滑动变阻器应选择 (选填“R1”或“R2”)。
②正确连接电路后,闭合开关,调节滑动变阻器测得电流表A1的示数为I1,电流表A2的示数为I2,测得电阻丝接入电路的长度为L,则电阻丝的电阻率ρ= (用题中所给或所测得的物理量的符号表示)。
(2024•东城区一模)如图甲所示为用传感器测量某直流电源(在如图甲中用电池的符号来表示)的电动势E和内电阻r的实验电路,按此原理测量得到多组数据后作出的U﹣I图像如图乙所示。下列说法正确的是( )
A.如图中A、B分别为电压传感器和电流传感器
B.闭合开关前,滑动变阻器的滑片P应置于b端
C.根据如图乙可求出该电源的电动势E=1.48V
D.根据如图乙可求出该电源的内阻r=1.43Ω
(2024•金台区模拟)如图甲所示,某同学在研究电磁感应现象时,将一线圈两端与电流传感器相连,强磁铁从长玻璃管上端由静止下落,电流传感器记录了强磁铁穿过线圈过程中电流随时间变化的图像,t2时刻电流为0,如图乙所示。下列说法正确的是( )
A.在t2时刻,穿过线圈的磁通量的变化率为0
B.在t1到t2时间内,强磁铁的加速度大于重力加速度
C.强磁铁穿过线圈的过程中,受到线圈的作用力先向上后向下
D.在t1到t3的时间内,强磁铁重力势能的减少量等于其动能的增加量
(2024•顺义区二模)某同学想通过测绘一只额定电压为2.5V小灯泡的I﹣U图像来研究小灯泡的电阻随电压变化的规律。实验电路如图甲所示,根据实验数据描绘的I﹣U图像如图乙所示。列说法正确的是( )
A.小灯泡正常工作时的电阻约为5.8Ω
B.随着小灯泡两端电压的增大,小灯泡的电阻变小
C.该实验的系统误差主要是由电流表的分压引起的
D.图甲中开关S闭合之前,应把滑动变阻器的滑片置于A处
(2024•丰台区一模)如图所示,示波管由电子枪、竖直方向偏转电极YY'、水平方向偏转电极XX'和荧光屏组成。电极YY'、XX'的长度均为l、间距均为d。若电子枪的加速电压为U1,XX'极板间的电压为U2(X端接为高电势),YY'极板间的电压为零。电子刚离开金属丝时速度可视为零,从电子枪射出后沿示波管轴线OO'方向(O'在荧光屏正中央)进入偏转电极。电子电荷量为e则电子( )
A.会打在荧光屏左上角形成光斑
B.打在荧光屏上时的动能大小为e(U1+U2)
C.打在荧光屏上的位置与O'的距离为
D.打在荧光屏上时,速度方向与OO'的夹角α满足
(2024•平谷区模拟)某同学想自己设计并改装一个欧姆表。他手上有如下器材:量程300μA、内阻900Ω的电流计;电动势1.5V的一节干电池;滑动变阻器、电阻箱和若干定值电阻。他设计的电路如图甲所示,实验时他将两表笔短接,电流计指针满偏时,他计算出电路中的总电阻为5kΩ。然后他将一个50Ω和10Ω的电阻分别接到两表笔之间时,发现电流计指针指示的位置几乎一样,很难区分。经过研究后他认为,要想比较准确地测量几十欧姆的电阻,用图甲所示电路并不合适,为此他设计了如图乙所示的电路。并联合适电阻R2后,使干路电流是流经电流计电流的100倍。则( )
A.将图乙电路中的两表笔短接,此时电路中的总电阻是5Ω
B.分别将一个50Ω和10Ω的电阻先后接到图乙电路的两表笔之间,通过干电池的电流几乎没有区别
C.分别将一个50Ω和10Ω的电阻先后接到图乙电路的两表笔之间,电流计指针指示的位置明显不同
D.在图甲电路和图乙电路的两表笔之间分别接入5kΩ和50Ω的电阻,通过两电流计的电流明显不同
(2024•岳麓区校级模拟)(1)电子温度计是利用半导体的电阻随温度升高而减小的特性而制作的,已知某半导体的电阻随温度t(在20℃~50℃间可视为线性变化,如图甲所示。当温度为tA=25℃时,用多用电表测得其电阻如图乙所示,此时R1= Ω;当温度为tB=30℃时,用多用电表测得其电阻R2=120Ω。
(2)把该半导体与电动势为E=3.7V、内阻为r=0.5Ω的电源,理想电压表(量程3V)和定值电阻R0连成如图丙所示的电路,为使电压表示数不会超量程,且当温度在20℃~50℃间变化时电压的变化比较明显,则定值电阻R0的阻值应选 。
A.10Ω
B.100Ω
C.500Ω
(3)选用合适的R0后,该半导体作测温探头,把电压表的电压刻度改为相应的温度刻度,就得到了一个简易的电子温度计,当电阻温度为40℃时,电压表的示数约为 V。(保留两位有效数字)
(4)若电池用久后内阻r变大,用该温度计测量的温度要比真实值 (选填“偏高”或“偏低”)。
(2024•肇庆二模)某同学用多用电表粗测金属丝的电阻,他将选择开关拨到“×10”挡测量时发现读数很小,换挡后再测量。
(1)请选出正确的实验操作步骤并排序 (填各实验步骤前的标号)。
A.将选择开关旋转到“×1”挡位置
B.将选择开关旋转到“×100”挡位置
C.将选择开关旋转到“OFF”位置
D.将两表笔接触待测电阻两端,测出其阻值后随即断开
E.将两表笔直接接触,调节欧姆调零旋钮,使指针指向电阻的零刻度线位置
(2)为精确测量该金属丝的电阻,实验室提供的实验器材有:直流电源(电动势为4V)、电流表A(量程为0~300mA,内阻约为2Ω)、电压表V(量程为0~3V,内阻约为3000Ω)、滑动变阻器R(阻值范围为0~5Ω)、开关、导线若干。电流表要求能从零开始连续测量,某同学设计的电路图如图甲所示,按该电路图进行实验,存在的问题是 (答出一条即可);请在图乙所示的虚线框内画出正确的电路图。
(3)有一灵敏电流表,表头电阻Rg=10Ω,满偏电流Ig=0.1A,下列说法正确的是 (填正确答案标号)。
A.把它改装成量程为0~3V的电压表,需要串联一个阻值为20Ω的电阻
B.把它改装成量程为0~0.5A的电流表,需要并联一个阻值为1Ω的电阻
C.把它改装成量程为0~10V的电压表,测量示数为5V时,流过灵敏电流表的电流为0.05A
D.把它改成量程为0~3A的电流表,测量示数为1.5A时,流过灵敏电流表的电流也为1.5A
(2024•南开区校级模拟)在实验室中某同学需要测定一节新干电池的内电阻。已选用的器材有:
干电池(电动势为1.5V,内阻很小);
电流表(量程0~0.6A,内阻约为0.1Ω);
电压表(量程0~3V,内阻约6kΩ);
电键一个、导线若干。
①新电池的内阻较小,实验中所用的滑动变阻器应选下列的 (填字母代号)。
A.定值电阻(阻值1Ω)
B.定值电阻(阻值10Ω)
C.滑动变阻器(阻值范围0~10Ω、额定电流2A)
D.滑动变阻器(阻值范围0~1kΩ、额定电流1A)
②该同学根据选好的实验器材,将实验器材连接成图甲所示,你认为哪些导线连接的有错误 (填导线旁的字母代号)。
③按正确的方法连接好器材后,接通开关,改变滑动变阻器的阻值R,读出对应的电流表的示数I和电压表的示数U,根据这些数据画出U﹣I图线如图乙。根据图线得电池的内电阻r= Ω。
刻度格数(分度)
刻度总长度
每小格与1 mm的差值
精确度(可准确到)
10
9 mm
0.1 mm
0.1 mm
20
19 mm
0.05 mm
0.05 mm
50
49 mm
0.02 mm
0.02 mm
内接法
外接法
电路图
误差原因
电流表分压
U测=Ux+UA
电压表分流
I测=Ix+IV
电阻
测量值
R测=eq \f(U测,I测)=Rx+RA>Rx
测量值大于真实值
R测=eq \f(U测,I测)=eq \f(RxRV,Rx+RV)
适用条件
RA≪Rx
RV≫Rx
适用于测量
大阻值电阻
小阻值电阻
两种接法的电路图
负载R上电压的调节范围
eq \f(RE,R+R0)≤U≤E
0≤U≤E
负载R上电流的调节范围
eq \f(E,R+R0)≤I≤eq \f(E,R)
0≤I≤eq \f(E,R)
高考物理一轮复习考点精讲精练第38讲 物理实验(三)(2份打包,原卷版+解析版): 这是一份高考物理一轮复习考点精讲精练第38讲 物理实验(三)(2份打包,原卷版+解析版),文件包含高考物理一轮复习考点精讲精练第38讲物理实验三原卷版doc、高考物理一轮复习考点精讲精练第38讲物理实验三解析版doc等2份试卷配套教学资源,其中试卷共49页, 欢迎下载使用。
高考物理一轮复习考点精讲精练第37讲 物理实验(二)(2份打包,原卷版+解析版): 这是一份高考物理一轮复习考点精讲精练第37讲 物理实验(二)(2份打包,原卷版+解析版),文件包含高考物理一轮复习考点精讲精练第37讲物理实验二原卷版doc、高考物理一轮复习考点精讲精练第37讲物理实验二解析版doc等2份试卷配套教学资源,其中试卷共49页, 欢迎下载使用。
高考物理一轮复习考点精讲精练第36讲 物理实验(一)(2份打包,原卷版+解析版): 这是一份高考物理一轮复习考点精讲精练第36讲 物理实验(一)(2份打包,原卷版+解析版),文件包含高考物理一轮复习考点精讲精练第36讲物理实验一原卷版doc、高考物理一轮复习考点精讲精练第36讲物理实验一解析版doc等2份试卷配套教学资源,其中试卷共46页, 欢迎下载使用。

