2025版高考物理全程一轮复习训练题课时分层精练六十五热力学定律与能量守恒
展开1.(多选)根据热力学第二定律,下列说法中正确的是( )
A.不可能从单一热库吸收热量并把它全部用来做功,而不引起其他变化
B.没有冷凝器,只有单一的热库,能从单一热库吸收热量全部用来做功,而不引起其他变化的热机是可以实现的
C.制冷系统将冰箱里的热量传到外界较高温度的空气中而不引起其他变化
D.不可能使热量由低温物体传到高温物体,而不引起其他变化
2.[2024·天津模拟预测]压缩空气储能(CAES)是一种利用压缩空气来储存能量的新型储能技术,绝热压缩空气储能方式是压缩空气并将产生的热能储存在各种介质当中,比如混凝土、石头、矿洞矿石中等.需要发电的时候让压缩空气推动发电机工作,这种方式能够将压缩空气储能的效率提升.对于上述过程的理解,下列说法正确的是( )
A.绝热压缩空气,分子平均动能不变
B.绝热压缩空气,温度升高,气体内能一定增大
C.该方式能够将压缩空气储能的效率提升到100%
D.压缩空气推动发电机工作,是气体对外做功,内能增大
3.[2024·北京西城模拟]一定质量的理想气体经过一系列变化过程,如图所示,下列说法中正确的是( )
A.a→b过程中,气体体积变大,放出热量
B.b→c过程中,气体温度不变,气体对外界做功
C.c→a过程中,气体体积变小,放出热量
D.c→a过程中,气体压强增大,外界对气体做功
4.如图所示,一定质量的理想气体的V T图像从1→2→3的过程中,下列说法正确的是( )
A.状态1的压强大于状态2的压强
B.1→2过程中气体内能的减少量大于2→3过程内能的增加量
C.1→2过程外界对气体做的功大于气体放出的热量
D.2→3过程中气体分子单位时间内在器壁单位面积上撞击的次数减小
5.一定质量理想气体的状态变化如图所示,dabc为 eq \f(3,4)圆弧,cd为半径相同的 eq \f(1,4)圆弧.气体从状态a经状态b、c、d,最终回到状态a,则( )
A.从状态c到状态d是等温膨胀过程
B.从状态a到状态c,气体吸收热量,内能不变
C.处于状态c时气体分子单位时间撞击单位面积的次数一定比状态a少
D.从状态a经b、c、d回到状态a,气体吸收热量
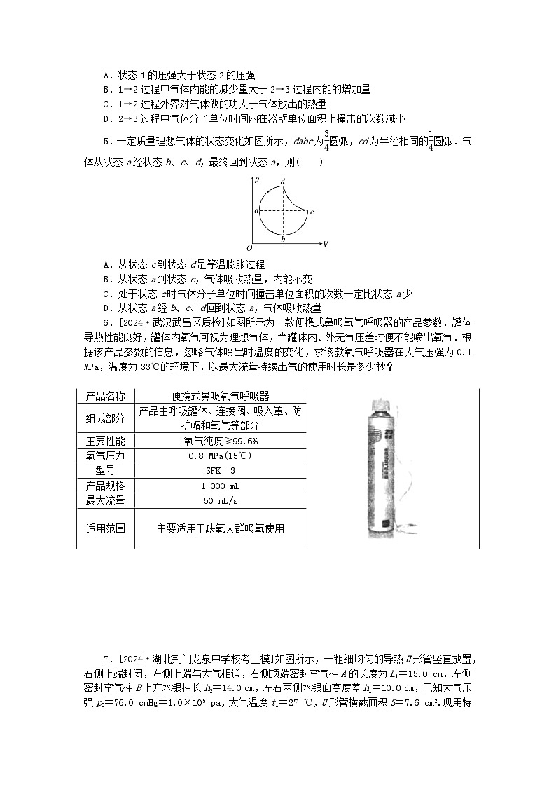
6.[2024·武汉武昌区质检]如图所示为一款便携式鼻吸氧气呼吸器的产品参数.罐体导热性能良好,罐体内氧气可视为理想气体,当罐体内、外无气压差时便不能喷出氧气.根据该产品参数的信息,忽略气体喷出时温度的变化,求该款氧气呼吸器在大气压强为0.1 MPa,温度为33℃的环境下,以最大流量持续出气的使用时长是多少秒?
7.[2024·湖北荆门龙泉中学校考三模]如图所示,一粗细均匀的导热U形管竖直放置,右侧上端封闭,左侧上端与大气相通,右侧顶端密封空气柱A的长度为L1=15.0 cm,左侧密封空气柱B上方水银柱长h2=14.0 cm,左右两侧水银面高度差h1=10.0 cm,已知大气压强p0=76.0 cmHg=1.0×105 pa,大气温度t1=27 ℃,U形管横截面积S=7.6 cm2.现用特殊手段只对空气柱A加热,直到空气柱A、B下方水银面等高.求:
(1)加热前空气柱A、B的压强各为多少;
(2)空气柱A、B下方水银面等高时A中气体的温度t2;
(3)对空气柱A加热的过程中空气柱B与外界传递的热量Q.
能力提升练
8.[2024·湖北天门考前冲刺]如图所示为一超重报警装置示意图,高为L、横截面积为S、质量为m、导热性能良好的薄壁容器竖直倒置悬挂,容器内有一厚度不计、质量为m的活塞,稳定时正好封闭一段长度为 eq \f(L,4)的理想气柱.活塞可通过轻绳连接受监测重物,当活塞下降至位于离容器底部 eq \f(3L,4)位置的预警传感器处时,系统可发出超重预警.已知初始时环境热力学温度为T0,大气压强为p0,重力加速度为g,不计摩擦阻力.
(1)求轻绳未连重物时封闭气体的压强;
(2)求刚好触发超重预警时所挂重物的质量M;
(3)在(2)条件下,若外界温度缓慢降低1%,气体内能减少ΔU0,求气体向外界放出的热量Q.
课时分层精练(六十五) 热力学定律与能量守恒
1.解析:热力学第二定律揭示了与热现象有关的物理过程的方向性.机械能和内能的转化过程具有方向性,机械能可以全部转化为内能,而内能要全部转化为机械能必须借助外界的帮助,因而会引起其他变化,选项A正确,选项B错误;传热过程也具有方向性,热量能自发地从高温物体传到低温物体,但要从低温物体传到高温物体,必然会引起其他变化(外界对系统做功),选项C错误,选项D正确.
答案:AD
2.解析:绝热压缩空气前后,外界对气体做功,根据热力学第一定律,内能增大,温度升高,分子平均动能增大,选项A错误,选项B正确;压缩空气储能的过程涉及热运动的能量转换过程,任何转换过程效率都不可能达到100%,选项C错误;压缩空气膨胀推动发电机工作,是气体体积增大对外做功,根据热力学第一定律可知,内能减少,选项D错误.故选B.
答案:B
3.解析:a→b过程中,气体压强不变,温度降低,根据盖吕萨克定律 eq \f(V,T)=C
得知,体积减小,根据热力学第一定律ΔU=W+Q
温度降低,ΔU<0,体积减小,W>0,所以Q<0,放出热量,故A错误;
b→c过程中气体的温度保持不变,压强减小,即气体发生等温变化,根据玻意耳定律
pV=C
可知体积增大,气体对外界做功,故B正确;
c→a过程中,pT图像过坐标原点,p与T成正比,则气体发生等容变化,温度升高,所以ΔU>0,体积不变,外界对气体做功W=0,所以Q>0,吸收热量,故CD错误.故选B.
答案:B
4.解析:根据理想气体状态方程 eq \f(pV,T)=C,可得V= eq \f(C,p)·T
由图像可知 eq \f(C,p1)> eq \f(C,p2),可得状态1的压强与状态2的压强大小关系为p1
由VT图像可知,气体从1→2→3过程,气体温度先降低后升高,气体内能先减小后增大,由于状态1的温度等于状态3的温度,则状态1的气体内能等于状态3的气体内能,可知1→2过程中气体内能的减少量等于2→3过程内能的增加量,故B错误;
由VT图像可知,1→2过程气体体积减小,外界对气体做正功,气体温度降低,气体内能减少,根据热力学第一定理可知,外界对气体做的功小于气体放出的热量,故C错误;
由VT图像可知,2→3过程气体压强保持不变,气体温度升高,分子平均动能增大,根据压强微观意义可知,气体分子单位时间内在器壁单位面积上撞击的次数减小,故D正确.故选D.
答案:D
5.解析:从状态c到状态d是体积减小.等温过程为双曲线,cd为圆弧,从状态c到状态d不是等温过程,故A错误;从状态a到状态c,气体压强相等,体积增大,根据理想气体状态方程可知其温度必定升高,且对外界做功,根据热力学第一定律,有
ΔU=W+Q
气体吸收热量,故B错误;
根据上一选项分析,在状态c,气体体积较大,分子数密度较小,气体温度升高导致分子平均动能增加,在保持压强不变的情况下,单位时间撞击单位面积的次数一定较少,故C正确;
从状态a经b、c、d回到状态a,气体的温度不变,内能不变,外界对气体做功等于图形的面积,根据热力学第一定律,有
ΔU=W+Q气体放出热量,故D错误.故选C.
答案:C
6.解析:由理想气体状态方程 eq \f(p1V1,T1)= eq \f(p2V2,T2)
解得V2=8.5×103 mL
喷出的氧气ΔV=V2-V1=7.5×103 mL
由ΔV=Qt解得t=150 s
答案:150 s
7.解析:(1)加热器有pB=p0+h2=90 cmHg,pA=pB-h1=80 cmHg
(2)空气柱B压强保持不变,则有pA2=pB=90 cmHg
空气柱A根据理想气体状态方程 eq \f(pAL1S,T1)= eq \f(pA2(L1+\f(h1,2))S,T2)
解得T2=450 K
则t2=T2-273=177 ℃
(3)B中温度不变,所以内能不变,即有ΔU=0
B压强不变,温度不变,所以体积不变,即有W=0
根据ΔU=W+Q
可知Q=0
答案:(1)90 cmHg 80 cmHg (2)177 ℃ (3)0
8.解析:(1)轻绳未连重物时对活塞受力分析得p1S+mg=p0S
解得p1=p0- eq \f(mg,S)
(2)刚好触发超重预警时,对活塞及受监测重物整体受力分析得p2S+(M+m)g=p0S
由玻意耳定律得p1 eq \f(LS,4)=p2 eq \f(3LS,4)
解得M= eq \f(2p0S,3g)- eq \f(2,3)m
(3)由盖吕萨克定律得 eq \f(V2,T0)= eq \f(V3,0.99T0)
其中V2= eq \f(3LS,4)
解得V3=0.99V2
则ΔV=V2-V3= eq \f(3,400)LS
此过程外界对气体做的功为W=p2ΔV
由热力学第一定律有ΔU0=Q-W
可知Q=ΔU0+ eq \f(p0SL,400)- eq \f(mgL,400)
答案:(1)p0- eq \f(mg,S) (2) eq \f(2p0S,3g)- eq \f(2,3)m (3)ΔU0+ eq \f(p0SL,400)- eq \f(mgL,400)产品名称
便携式鼻吸氧气呼吸器
组成部分
产品由呼吸罐体、连接阀、吸入罩、防护帽和氧气等部分
主要性能
氧气纯度≥99.6%
氧气压力
0.8 MPa(15℃)
型号
SFK-3
产品规格
1 000 mL
最大流量
50 mL/s
适用范围
主要适用于缺氧人群吸氧使用
2025版高考物理全程一轮复习训练题课时分层精练二十抛体运动: 这是一份2025版高考物理全程一轮复习训练题课时分层精练二十抛体运动,共6页。试卷主要包含了2 m、h≈2,33 m/s=33等内容,欢迎下载使用。
2025版高考物理全程一轮复习训练题课时分层精练二十七功与功率: 这是一份2025版高考物理全程一轮复习训练题课时分层精练二十七功与功率,共6页。试卷主要包含了解析等内容,欢迎下载使用。
2025版高考物理全程一轮复习训练题课时分层精练九力的合成与分解: 这是一份2025版高考物理全程一轮复习训练题课时分层精练九力的合成与分解,共7页。试卷主要包含了解析等内容,欢迎下载使用。

