专题17 力学实验-2024年高考物理真题和模拟题分类汇编(全国通用)
展开1.(2024年新课标考题)9. 某同学用如图所示的装置验证动量守恒定律。将斜槽轨道固定在水平桌面上,轨道末段水平,右侧端点在水平木板上的垂直投影为O,木板上叠放着白纸和复写纸。实验时先将小球a从斜槽轨道上Q处由静止释放,a从轨道右端水平飞出后落在木板上;重复多次,测出落点的平均位置P与O点的距离x,将与a半径相等的小球b置于轨道右侧端点,再将小球a从Q处由静止释放,两球碰撞后均落在木板上;重复多次,分别测出a、b两球落点的平均位置M、N与O点的距离、。
完成下列填空:
(1)记a、b两球的质量分别为、,实验中须满足条件______(填“>”或“<”);
(2)如果测得的、、、和在实验误差范围内满足关系式______,则验证了两小球在碰撞中满足动量守恒定律。实验中,用小球落点与O点的距离来代替小球水平飞出时的速度,依据是______。
2.(2024浙江1月考题)16. 如图1所示是“探究加速度与力、质量的关系”的实验装置。
(1)该实验中同时研究三个物理量间关系是很困难的,因此我们采用的研究方法是_____;
A.放大法 B.控制变量法 C.补偿法
(2)该实验过程中操作正确的是____;
A.补偿阻力时小车未连接纸带
B.先接通打点计时器电源,后释放小车
C.调节滑轮高度使细绳与水平桌面平行
(3)在小车质量___(选填“远大于”或“远小于”)槽码质量时,可以认为细绳拉力近似等于槽码的重力。上述做法引起的误差为___(选填“偶然误差”或“系统误差”)。为减小此误差,下列可行的方案是___;
A.用气垫导轨代替普通导轨,滑块代替小车
B.在小车上加装遮光条,用光电计时系统代替打点计时器
C.在小车与细绳之间加装力传感器,测出小车所受拉力大小
(4)经正确操作后获得一条如图2所示的纸带,建立以计数点0为坐标原点的x轴,各计数点的位置坐标分别为0、、、。已知打点计时器的打点周期为T,则打计数点5时小车速度的表达式___;小车加速度的表达式是___。
A. B. C.
3.(2024全国甲卷考题)9. 学生小组为了探究超重和失重现象,将弹簧测力计挂在电梯内,测力计下端挂一物体。已知当地重力加速度大小为。
(1)电梯静止时测力计示数如图所示,读数为_____N(结果保留1位小数);
(2)电梯上行时,一段时间内测力计的示数为,则此段时间内物体处于_____(填“超重”或“失重”)状态,电梯加速度大小为_____ (结果保留1位小数)。
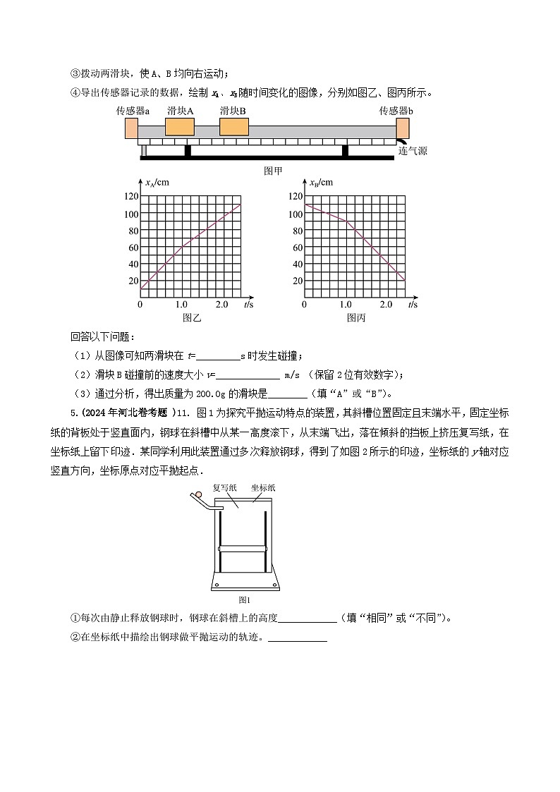
4.(2024年山东卷考题)13. 在第四次“天宫课堂”中,航天员演示了动量守恒实验。受此启发,某同学使用如图甲所示的装置进行了碰撞实验,气垫导轨两端分别安装a、b两个位移传感器,a测量滑块A与它的距离xA,b测量滑块B与它的距离xB。部分实验步骤如下:
①测量两个滑块的质量,分别为200.0g和400.0g;
②接通气源,调整气垫导轨水平;
③拨动两滑块,使A、B均向右运动;
④导出传感器记录的数据,绘制xA、xB随时间变化的图像,分别如图乙、图丙所示。
回答以下问题:
(1)从图像可知两滑块在t=_________s时发生碰撞;
(2)滑块B碰撞前的速度大小v=_____________ m/s (保留2位有效数字);
(3)通过分析,得出质量为200.0g的滑块是________(填“A”或“B”)。
5.(2024年河北卷考题 )11. 图1为探究平抛运动特点的装置,其斜槽位置固定且末端水平,固定坐标纸的背板处于竖直面内,钢球在斜槽中从某一高度滚下,从末端飞出,落在倾斜的挡板上挤压复写纸,在坐标纸上留下印迹.某同学利用此装置通过多次释放钢球,得到了如图2所示的印迹,坐标纸的y轴对应竖直方向,坐标原点对应平抛起点.
①每次由静止释放钢球时,钢球在斜槽上的高度____________(填“相同”或“不同”)。
②在坐标纸中描绘出钢球做平抛运动的轨迹。____________
③根据轨迹,求得钢球做平抛运动的初速度大小为____________(当地重力加速度g为,保留2位有效数字)。
6.(2024年湖北考题) 12. 某同学设计了一个测量重力加速度大小g的实验方案,所用器材有:2g砝码若干、托盘1个、轻质弹簧1根、米尺1把、光电门1个、数字计时器1台等。
具体步骤如下:
①将弹簧竖直悬挂在固定支架上,弹簧下面挂上装有遮光片的托盘,在托盘内放入一个砝码,如图(a)所示。
②用米尺测量平衡时弹簧的长度l,并安装光电门。
③将弹簧在弹性限度内拉伸一定长度后释放,使其在竖直方向振动。
④用数字计时器记录30次全振动所用时间t。
⑤逐次增加托盘内砝码的数量,重复②③④的操作。
该同学将振动系统理想化为弹簧振子。已知弹簧振子的振动周期,其中k为弹簧的劲度系数,M为振子的质量。
(1)由步骤④,可知振动周期_____。
(2)设弹簧的原长为,则l与g、、T的关系式为_____。
(3)由实验数据作出的图线如图(b)所示,可得_____(保留三位有效数字,取9.87)。
(4)本实验的误差来源包括_____(双选,填标号)。
A. 空气阻力
B. 弹簧质量不为零
C. 光电门的位置稍微偏离托盘的平衡位置
7.(2024年辽宁卷考题) 12. 图(a)为一套半圆拱形七色彩虹积木示意图,不同颜色的积木直径不同。某同学通过实验探究这套积木小幅摆动时周期T与外径D之间的关系。
(1)用刻度尺测量不同颜色积木的外径D,其中对蓝色积木的某次测量如图(b)所示,从图中读出____。
(2)将一块积木静置于硬质水平桌面上,设置积木左端平衡位置的参考点O,将积木的右端按下后释放,如图(c)所示。当积木左端某次与O点等高时记为第0次并开始计时,第20次时停止计时,这一过程中积木摆动了_____个周期。
(3)换用其他积木重复上述操作,测得多组数据。为了探究T与D之间的函数关系,可用它们的自然对数作为横、纵坐标绘制图像进行研究,数据如下表所示:
根据表中数据绘制出图像如图(d)所示,则T与D的近似关系为 。
A. B. C. D.
(4)请写出一条提高该实验精度的改进措施:______。
8.(2024年湖南卷考题)12.在太空,物体完全失重,用天平无法测量质量。如图,某同学设计了一个动力学方法测量物体质量的实验方案,主要实验仪器包括:气垫导轨、滑块、轻弹簧、标准砝码、光电计时器和待测物体,主要步骤如下:
(1)调平气垫导轨,将弹簧左端连接气垫导轨左端,右端连接滑块;
(2)将滑块拉至离平衡位置20cm处由静止释放,滑块第1次经过平衡位置处开始计时,第21次经过平衡位置时停止计时,由此测得弹簧振子的振动周期T;
(3)将质量为m的砝码固定在滑块上,重复步骤(2);
(4)依次增加砝码质量m,测出对应的周期T,实验数据如下表所示,在图中绘制T2—m关系图线 ;
(5)由T2—m图像可知,弹簧振子振动周期的平方与砝码质量的关系是 (填“线性的”或“非线性的”);
(6)取下砝码后,将待测物体固定在滑块上,测量周期并得到T2 = 0.880s2,则待测物体质量是 kg(保留3位有效数字);
(7)若换一个质量较小的滑块重做上述实验,所得T2—m图线与原图线相比将沿纵轴 移动(填“正方向”“负方向”或“不”)。
9.(2024年广东卷考题)11. 下列是《普通高中物理课程标准》中列出的三个必做实验的部分步骤,请完成实验操作和计算。
(1)图甲是“探究加速度与物体受力、物体质量的关系”实验装置示意图。图中木板右端垫高的目的是_____。图乙是实验得到纸带的一部分,每相邻两计数点间有四个点未画出。相邻计数点的间距已在图中给出。打点计时器电源频率为50Hz,则小车的加速度大小为_____(结果保留3位有效数字)。
(2)在“长度的测量及其测量工具的选用”实验中,某同学用50分度的游标卡尺测量一例柱体的长度,示数如图丙所示,图丁为局部放大图,读数为_____cm。
(3)在“用双缝干涉实验测量光的波长”实验调节过程中,在光具座上安装光源、遮光筒和光屏。遮光筒不可调节。打开并调节_____。使光束沿遮光筒的轴线把光屏照亮。取下光屏,装上单缝、双缝和测量头。调节测量头,并缓慢调节单缝的角度直到目镜中观察到_____。
10.(2024年江西卷考题)11. 某小组探究物体加速度与其所受合外力的关系。实验装置如图(a)所示,水平轨道上安装两个光电门,小车上固定一遮光片,细线一端与小车连接,另一端跨过定滑轮挂上钩码。
(1)实验前调节轨道右端滑轮高度,使细线与轨道平行,再适当垫高轨道左端以平衡小车所受摩擦力。
(2)小车的质量为。利用光电门系统测出不同钩码质量m时小车加速度a。钩码所受重力记为F,作出图像,如图(b)中图线甲所示。
(3)由图线甲可知,F较小时,a与F成正比;F较大时,a与F不成正比。为了进一步探究,将小车质量增加至,重复步骤(2)的测量过程,作出图像,如图(b)中图线乙所示。
(4)与图线甲相比,图线乙的线性区间____________,非线性区间____________。再将小车的质量增加至,重复步骤(2)的测量过程,记录钩码所受重力F与小车加速度a,如表所示(表中第组数据未列出)。
(5)请在图(b)中补充描出第6至8三个数据点,并补充完成图线丙_________。
(6)根据以上实验结果猜想和推断:小车的质量____________时,a与F成正比。结合所学知识对上述推断进行解释:______________________。
11.(2024北京卷考题)18.如图甲所示,让两个小球在斜槽末端碰撞来验证动量守恒定律。
(1)关于本实验,下列做法正确的是_____(填选项前的字母)。
A.实验前,调节装置,使斜槽末端水平
B.选用两个半径不同的小球进行实验
C.用质量大的小球碰撞质量小的小球
(2)图甲中O点是小球抛出点在地面上的垂直投影,首先,将质量为m1的小球从斜槽上的S位置由静止释放,小球落到复写纸上,重复多次。然后,把质量为m2的被碰小球置于斜槽末端,再将质量为m1的小球从S位置由静止释放,两球相碰,重复多次。分别确定平均落点,记为M、N和P(P为m1单独滑落时的平均落点)。
a.图乙为实验的落点记录,简要说明如何确定平均落点 ;
b.分别测出O点到平均落点的距离,记为OP、OM和ON。在误差允许范围内,若关系式 成立,即可验证碰撞前后动量守恒。
(3)受上述实验的启发,某同学设计了另一种验证动量守恒定律的实验方案。如图丙所示,用两根不可伸长的等长轻绳将两个半径相同、质量不等的匀质小球悬挂于等高的O点和O′点,两点间距等于小球的直径。将质量较小的小球1向左拉起至A点由静止释放,在最低点B与静止于C点的小球2发生正碰。碰后小球1向左反弹至最高点A′,小球2向右摆动至最高点D。测得小球1,2的质量分别为m和M,弦长AB = l1、A′B = l2、CD = l3。
推导说明,m、M、l1、l2、l3满足 关系即可验证碰撞前后动量守恒。
12.(2024年甘肃卷考题)11. 用图1所示实验装置探究外力一定时加速度与质量的关系。
(1)以下操作正确的是______(单选,填正确答案标号)。
A. 使小车质量远小于槽码质量B. 调整垫块位置以补偿阻力
C. 补偿阻力时移去打点计时器和纸带D. 释放小车后立即打开打点计时器
(2)保持槽码质量不变,改变小车上砝码的质量,得到一系列打点纸带。其中一条纸带的计数点如图2所示,相邻两点之间的距离分别为,时间间隔均为T。下列加速度算式中,最优的是______(单选,填正确答案标号)。
A.
B.
C.
D.
(3)以小车和砝码的总质量M为横坐标,加速度的倒数为纵坐标,甲、乙两组同学分别得到的图像如图3所示。
由图可知,在所受外力一定的条件下,a与M成______(填“正比”或“反比”);甲组所用的______(填“小车”、“砝码”或“槽码”)质量比乙组的更大。
13.(2024年海南卷考题)14.水平圆盘上紧贴边缘放置一密度均匀的小圆柱体,如图(a)所示,图(b)为俯视图,测得圆盘直径D = 42.02cm,圆柱体质量m = 30.0g,圆盘绕过盘心O1的竖直轴匀速转动,转动时小圆柱体相对圆盘静止。
为了研究小圆柱体做匀速圆周运动时所需要的向心力情况,某同学设计了如下实验步骤:
(1)用秒表测圆盘转动10周所用的时间t = 62.8s,则圆盘转动的角速度ω = rad/s(π取3.14)
(2)用游标卡尺测量小圆柱体不同位置的直径,某次测量的示数如图(c)所示,该读数d = mm,多次测量后,得到平均值恰好与d相等。
(3)写出小圆柱体所需向心力表达式F = (用D、m、ω、d表示),其大小为 N(保留2位有效数字)
14.(2024年海南卷考题)15.为验证两个互成角度的力的合成规律,某组同学用两个弹簧测力计、橡皮条、轻质小圆环、木板、刻度尺、白纸、铅笔、细线和图钉等器材,按照如下实验步骤完成实验:
(Ⅰ)用图钉将白纸固定在水平木板上;
(Ⅱ)如图(d)(e)所示,橡皮条的一端固定在木板上的G点,另一端连接轻质小圆环,将两细线系在小圆环上,细线另一端系在弹簧测力计上,用两个弹簧测力计共同拉动小圆环到某位置,并标记圆环的圆心位置为O点,拉力F1和F2的方向分别过P1和P2点,大小分别为F1 = 3.60N、F2 = 2.90N;拉力F1和F2,改用一个弹簧测力计拉动小圆环,使其圆心到O点,在拉力F的方向上标记P3点,拉力的大小为F = 5.60N请完成下列问题:
(1)在图(e)中按照给定的标度画出F1、F2和F的图示,然后按平行四边形定则画出F1、F2的合力F′。
(2)比较F和F′,写出可能产生误差的两点原因
一、单选题
1.(2024·甘肃·高考真题)小杰想在离地表一定高度的天宫实验室内,通过测量以下物理量得到天宫实验室轨道处的重力加速度,可行的是( )
A.用弹簧秤测出已知质量的砝码所受的重力
B.测量单摆摆线长度、摆球半径以及摆动周期
C.从高处释放一个重物、测量其下落高度和时间
D.测量天宫实验室绕地球做匀速圆周运动的周期和轨道半径
二、实验题
2.(2024·河北·高考真题)图1为探究平抛运动特点的装置,其斜槽位置固定且末端水平,固定坐标纸的背板处于竖直面内,钢球在斜槽中从某一高度滚下,从末端飞出,落在倾斜的挡板上挤压复写纸,在坐标纸上留下印迹.某同学利用此装置通过多次释放钢球,得到了如图2所示的印迹,坐标纸的y轴对应竖直方向,坐标原点对应平抛起点.
①每次由静止释放钢球时,钢球在斜槽上的高度 (填“相同”或“不同”)。
②在坐标纸中描绘出钢球做平抛运动的轨迹。
③根据轨迹,求得钢球做平抛运动的初速度大小为 (当地重力加速度g为,保留2位有效数字)。
3.(2023·福建·高考真题)某小组用图(a)所示的实验装置探究斜面倾角是否对动摩擦因数产生影响。所用器材有:绒布木板、滑块、挡光片、米尺、游标卡尺、光电门、倾角调节仪等。实验过程如下:
(1)将绒布平铺并固定在木板上,然后将光电门A、B固定在木板上。用米尺测量A、B间距离L;
(2)用游标卡尺测量挡光片宽度d,示数如图(b)所示。该挡光片宽度
(3)调节并记录木板与水平面的夹角,让装有挡光片的滑块从木板顶端下滑。记录挡光片依次经过光电门A和B的挡光时间和,求得挡光片经过光电门时滑块的速度大小和。某次测得,则 (结果保留3位有效数字)
(4)推导滑块与绒布间动摩擦因数的表达式,可得 (用L、、、和重力加速度大小g表示),利用所得实验数据计算出值;
(5)改变进行多次实验,获得与对应的,并在坐标纸上作出关系图像,如图(c)所示;
(6)根据上述实验,在误差允许范围内,可以得到的结论为 。
4.(2024·北京海淀·三模)在高中阶段,我们学习了多种测量物体加速度的方法。
(1)通过打点计时器,可以测量小车的加速度。实验装置如图所示。通过实验得到了一条点迹清晰的纸带,找一个合适的点当作计时起点O(),然后每隔选取一个计数点,如图中A、B、C、D、E、F所示。某同学测量了相邻两计数点间的距离:,,,,,,请计算该小车的加速度 (保留小数点后两位)
(2)通过光电门,同样可以测量物体的加速度。如图,滑块上安装了宽度为的遮光条,滑块在牵引力作用下先后通过两个光电门,配套的数字计时器记录了遮光条通过第一光电门的时间,通过第二个光电门的时间,遮光条从开始遮住第一个光电门到开始遮住第二个光电门的时间,试估算滑块的加速度 (保留两位有效数字),该估算值与真实值相比 (选填“偏大”、“偏小”或“相同”)
(3)频闪照片也是一种测量加速度的方法。在暗室中,照相机的快门处于常开状态,频闪仪每隔一定时间发出一次短暂的强烈闪光,照亮运动的物体,于是胶片上记录了物体在几个闪光时刻的位置。某时刻,将一小球从O点由静止释放,频闪仪每隔闪光一次。以O点为原点,竖直向下为正方向建立坐标轴,并测量各时刻的位置坐标、、。下图是小球自由下落时的部分频闪照片示意图,照片中的数字是小球下落的距离(单位:cm)。小崔同学为了减小偶然误差,他建议做图,把实验数据代入(如,;,),得到一条过原点的直线,再通过该直线的斜率得到加速度。请问该方案是否可行?如果可行,请求出加速度的值(结果保留两位有效数字);如果不可行,请说明原因 。
5.(2024·山东济宁·三模)在探究小球做匀速圆周运动所受向心力大小F与小球质量m、角速度和半径r之间关系实验中:
(1)小明同学用如图甲所示装置进行实验,转动手柄,使变速塔轮、长槽和短槽随之匀速转动。小球做圆周运动的向心力由横臂的挡板提供,同时小球对挡板的弹力使弹簧测力筒下降,标尺上露出的红白相间的等分格数之比即为两个小球所受向心力的比值。已知小球在挡板A、B、C处做圆周运动的轨道半径之比为,在探究向心力的大小与圆周运动半径的关系时,应选择两个质量相同的小球,分别放在C挡板处与 (选填“A”或“B”)挡板处,同时选择半径 (选填“相同”或“不同”)的两个塔轮进行实验。
(2)小强同学用如图乙所示的装置进行实验。一滑块套在水平杆上,力传感器套于竖直杆上并通过一细绳连接滑块,用来测量细线拉力F的大小。滑块随水平杆一起绕竖直杆做匀速圆周运动,滑块上固定一遮光片,其宽度为d,光电门可记录遮光片通过的时间。已知滑块做圆周运动的半径为r、水平杆光滑。根据以上表述,回答以下问题:
①某次转动过程中,遮光片经过光电门时的遮光时间为,则角速度 (用题中所给物理量符号表示);
②以F为纵坐标,以为横坐标,在坐标纸中描出数据点作出一条倾斜的直线,若图像的斜率为k,则滑块的质量为 。(用k、r、d表示)
6.(2024·江西上饶·模拟预测)某实验小组用如图甲所示的装置做“探究加速度与力关系”实验。打点计时器所接电源的频率为50Hz,滑轮、长木板均光滑。
(1)按正确的方法实验操作后,得到的一条纸带部分如图乙所示,纸带上各点均为计时点,由此可得打点计时器打出B点时小车的速度大小 m/s,小车的加速度大小 (结果均保留两位有效数字)。
(2)改变重物,多次实验,得到多组弹簧测力计示数F和对应的小车加速度大小a,以F为横轴、a为纵轴作出图像,该图像的斜率为k,则小车的质量 (用k表示)。
(3)某次实验时弹簧测力计的示数为,则此次实验中重物的加速度为 。
7.(2024·北京海淀·二模)某同学用图1所示装置测定当地重力加速度。
(1)关于器材选择及测量时的一些实验操作,下列说法正确的是 。
A.摆线尽量选择细些、伸缩性小些且适当长一些的
B.摆球尽量选择质量大些、体积小些的
C.为了使摆的周期大一些以方便测量,应使摆角大一些
(2)在某次实验中,测得单摆摆长为L、单摆完成n次全振动的时间为t,则利用上述测量量可得重力加速度的表达式g= 。
(3)实验时改变摆长,测出几组摆长L和对应的周期T的数据,作出L-T2图像,如图2所示。
①利用A、B两点的坐标可得重力加速度的表达式g= 。
②因摆球质量分布不均匀,小球的重心位于其几何中心的正下方。若只考虑摆长测量偏小造成的影响,则由①计算得到的重力加速度的测量值 真实值。(选填“大于”“等于”或“小于”)
(4)关于摩擦力可以忽略的斜面上的单摆,某同学猜想单摆做小角度摆动时周期满足,如图3所示。为了检验猜想正确与否,他设计了如下实验:如图4所示,铁架台上装一根重垂线,在铁架台的立柱跟重垂线平行的情况下,将小球、摆线、摆杆组成的“杆线摆”装在立柱上,调节摆线的长度,使摆杆与立柱垂直,摆杆可绕着立柱自由转动,且不计其间的摩擦。如图5所示,把铁架台底座的一侧垫高,立柱倾斜,静止时摆杆与重垂线的夹角为β,小球实际上相当于是在一倾斜平面上运动。下列图像能直观地检验猜想是否正确的是 。
A.-sinβ图像B.-csβ图像C.-tanβ图像
8.(2024·青海·模拟预测)某实验小组用如图所示的装置来验证机械能守恒定律。绕过定滑轮的轻质细线的两端分别悬挂质量均为m的重物A、B且处于静止状态,A与纸带连接,纸带通过固定的打点计时器(电源频率为50Hz),在B的下端再挂质量为M的重物C.由静止释放重物C,利用打点计时器打出的纸带可研究系统(由重物A、B、C组成)的机械能守恒,重力加速度大小为g,回答下列问题:
(1)关于该实验,下列说法正确的是__________。
A.实验时应先释放纸带再接通电源
B.无须测量重物C的质量M就可以验证机械能守恒定律
C.此实验存在系统误差,系统的总动能的增加量略大于总重力势能的减少量
D.对选取的纸带,若第1个点对应的速度为0,则第1、2两点间的距离一定小于2mm
(2)对选取的纸带,若第1个点对应的速度为0,重物A上升的高度为h,通过计算得到三个重物的速度大小为v,然后描绘出(h为纵坐标)关系图像,图像为经过原点的一条倾斜直线,若,当倾斜直线的斜率 ,就可以验证系统的机械能守恒。
9.(2024·北京朝阳·二模)(1)某同学用弹簧测力计粗测重力加速度。将一个质量为165g的物体挂在校准后的竖直弹簧测力计下端,静止时指针如图1所示,则重力加速度为 m/s2(结果保留2位有效数字)。
(2)某同学用如图2所示的装置测量重力加速度。打点计时器的打点周期为T。让重物从静止开始下落,打出一条清晰的纸带,其中的一部分如图3所示。A、B、C、D、E为纸带上5个连续打下的点。根据纸带可得重力加速度g= (用、、、T表示)。
(3)某实验小组利用图4装置测量重力加速度。摆线上端固定在O点,下端悬挂一小钢球,通过光电门传感器采集摆动周期。
①组装好装置后,用毫米刻度尺测量摆线长度L,用螺旋测微器测量小钢球直径d。螺旋测微器示数如图5所示,小钢球直径d= mm,记摆长。
②多次改变摆线长度,在小摆角下测得不同摆长l对应的小钢球摆动周期T,并作出图像,如图6所示。已知图线斜率为k,可得重力加速度g= (用k、表示)。
10.(2024·北京大兴·三模)在“探究弹力与弹簧伸长量的关系”实验中,实验装置如图甲所示,将弹簧的左端固定在刻度尺的“0”刻度线处,实验时先测出不挂钩码时弹簧的自然长度,再将钩码挂在轻质绳子的下端,测量相应的数据,通过描点法作出F-l(F为弹簧的拉力,l为弹簧的长度)图像,如图乙所示。
(1)下列说法中正确的是( )
A.每次增加的钩码数量必须相等
B.通过实验可知,在弹性限度内,弹力与弹簧的长度成正比
C.用悬挂钩码的方法给弹簧施加拉力,应保证弹簧水平且处于平衡状态
D.用几个不同的弹簧,分别测出几组拉力与弹簧伸长量,会得出拉力与弹簧伸长量之比相等
(2)根据乙图可求得该弹簧的劲度系数为 N/m。(结果保留两位有效数字)
11.(2024·北京海淀·二模)(1)在“用双缝干涉测光的波长”实验中,将双缝干涉实验仪按要求安装在光具座上,如图1所示。双缝间距为d,毛玻璃光屏与双缝间的距离为L。从目镜中看到的干涉图样如图2所示,若A、B两条亮纹中央间距为x,则所测光的波长为 。(用所给物理量的字母表示)使分划板的中心刻线对齐A亮条纹的中心,此时游标尺上的示数情况如图3所示,其读数为 mm。
(2)用如图4所示装置研究两个半径相同的小球在轨道水平部分碰撞前后的动量关系。图5中O点是小球抛出点在地面上的竖直投影。实验时先让a球多次从斜槽上某一固定位置C由静止释放,其平均落地点的位置为P。再把b球放在水平轨道末端,将a球仍从位置C由静止释放,a球和b球碰撞后,分别在白纸上留下各自的落点痕迹,重复操作多次,其平均落地点的位置为M、N。测量出a、b两个小球的质量分别为m1、m2(m1>m2),OM、OP、ON的长度分别为x1、x2、x3。
①在实验误差允许范围内,若满足关系式 (用所测物理量的字母表示),则可以认为两球碰撞前后的动量守恒。
②换用不同材质的小球再次进行上述实验,计算得出,若碰撞过程满足动量守恒,请分析说明两球碰撞过程机械能是否守恒 。
12.(2024·河北·二模)某实验小组的同学利用了如图甲所示的装置验证机械能守恒定律,实验时,该小组的同学完成了如下操作
a.测量滑块和遮光条的总质量M以及所挂钩码的质量m;
b.用游标卡尺测量遮光条的宽度d;
c.调整气垫导轨水平,将光电门固定在气垫导轨的左端,并组装实验装置;
d.在细绳的左端挂上一个钩码,将滑块从气垫导轨的右端合适的位置由静止释放,测量释放点到光电门的距离L;
e.记录滑块经过光电门时遮光条的挡光时间;
f.改变释放点到光电门的距离L,重复步骤d,e,f,记录多组实验数据L和。
(1)实验时,应选用 (选填“较宽”或“较窄”)的遮光条,操作b中,游标卡尺的读数如图乙所示,则遮光条的宽度 ;
(2)滑块经过光电门瞬间的速度 (用以上的测量量表示)。
(3)利用记录的多组实验数据,描绘了的图像,图像的斜率为k,若重力加速度 。则系统的机械能守恒。
13.(23-24高三下·辽宁·期中)在探究平抛运动规律的实验中:
(1)在做“研究平抛运动”的实验时,让小球多次沿同一轨道运动,通过描点法画小球做平抛运动的轨迹。关于该实验下列说法正确的是______。
A.斜槽轨道必须光滑
B.斜槽轨道末端要保持水平
C.要使描出的轨迹更好地反映真实运动,记录的点应适当多一些
D.每次应该从斜槽上相同的位置无初速度释放小球
(2)实验得到平抛小球的运动轨迹,在轨迹上取一些点,以平抛起点O为坐标原点,测量它们的水平坐标x和竖直坐标y,图能说明平抛小球的运动轨迹为抛物线的是______。
A.B.
C.D.
(3)如图所示,一个做平抛运动的小球,先后通过a、b、c三点,若相邻两点间的水平距离均为,竖直距离分别为和,则抛出该球的初速度大小为 。(不计空气阻力,g取)
14.(2024·河北保定·三模)某实验小组同学利用如图甲所示的实验装置测量当地的重力加速度大小。调节木板的倾角,使小车在未悬挂砝码盘时能拖着纸带沿木板向下匀速运动,之后将小车固定在靠近打点计时器处,在动滑轮上悬挂砝码盘和砝码,接通打点计时器电源并释放小车,打点计时器打出的纸带如图乙所示,已知打点计时器所接电源的频率,释放小车的瞬间打点计时器打的点记为0,之后的点依次记为1,2,3,…,0与120两点间的距离为152.36cm,119与121两点间的距离为5.08cm,两滑轮、细绳及纸带的质量均不计,回答下列问题:(结果均保留两位小数)
(1)打点计时器打记为120的点时小车的速度大小= m/s。
(2)小车的加速度大小a=
(3)测得小车的质量,砝码盘和砝码的总质量,则当地的重力加速度大小g= 颜色
红
橙
黄
绿
青
蓝
紫
2.9392
2.7881
2.5953
2.4849
2.197
1.792
m/kg
T/s
T2/s2
0.000
0.632
0.399
0.050
0.775
0.601
0.100
0.893
0.797
0.150
1.001
1.002
0.200
1.105
1.221
0.250
1.175
1.381
序号
1
2
3
4
5
钩码所受重力
0.020
0.040
0.060
0.080
0.100
小车加速度
026
0.55
0.82
1.08
1.36
序号
6
7
8
9-14
15
钩码所受重力
0.120
0.140
0.160
……
0.300
小车加速度
1.67
1.95
2.20
……
3.92
专题14 光学-2024年高考物理真题和模拟题分类汇编(全国通用): 这是一份专题14 光学-2024年高考物理真题和模拟题分类汇编(全国通用),文件包含专题14光学2024年高考真题和模拟题物理分类汇编原卷版docx、专题14光学2024年高考真题和模拟题物理分类汇编解析版docx等2份试卷配套教学资源,其中试卷共53页, 欢迎下载使用。
专题13 热学-2024年高考物理真题和模拟题分类汇编(全国通用): 这是一份专题13 热学-2024年高考物理真题和模拟题分类汇编(全国通用),文件包含专题13热学2024年高考真题和模拟题物理分类汇编原卷版docx、专题13热学2024年高考真题和模拟题物理分类汇编解析版docx等2份试卷配套教学资源,其中试卷共52页, 欢迎下载使用。
专题08 电场-2024年高考物理真题和模拟题分类汇编(全国通用): 这是一份专题08 电场-2024年高考物理真题和模拟题分类汇编(全国通用),文件包含专题08电场2024年高考真题和模拟题物理分类汇编原卷版docx、专题08电场2024年高考真题和模拟题物理分类汇编解析版docx等2份试卷配套教学资源,其中试卷共60页, 欢迎下载使用。

