分类题型训练:第一章《物质及其变化》计算题(4) 浙教版科学九年级上册
展开请根据图像与数据分析计算:
(1)a、b、c三点对应的溶液中所含BaCl2的质量关系是__________ (用“>”“<”或“=”表示)。
(2)m值等于_______________。
(3)求a点时溶液溶质质量。(写出计算过程)
2.某小组同学用质量分数为10%的稀盐酸和20%的氢氧化钠溶液进行酸碱反应实验(如图一),用pH 传感器测得烧杯内溶液的pH变化图象(如图二),同时用温度传感器测得烧杯内温度变化图象(如图三),实验过程中 保温良好,忽略热量散失。
(1)A点溶液的溶质______。 (填化学式)
(2)计算所用的稀盐酸溶液的质量?(保留小数点后一位)
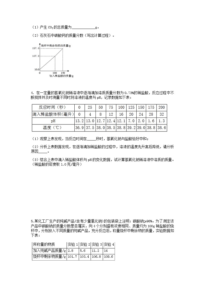
3.为了测定石灰石中碳酸钙的含量,小乐进行了如下实验:取10.0g石灰石放于烧杯中,向烧杯中滴加稀盐酸,实验测得烧杯中剩余物质的质量与加入稀盐酸的质量之间的关系如右图所示。整个过程不考虑稀盐酸的挥发和气体的溶解,石灰石中的杂质也不与稀盐酸反应。求:
(1)产生CO2的总质量为_____________g。
(2)石灰石中碳酸钙的质量分数(写出计算过程)。
在一定量的氢氧化钠稀溶液中逐渐滴加溶质质量分数为0.73%的稀盐酸,反应过程中不断搅拌并及时测量不同时刻溶液的温度与pH,记录数据如下表:
(1)观察上表发现,当反应时间在_____秒时,氢氧化钠与盐酸恰好中和;
(2)分析上表数据发现,在逐渐滴加稀盐酸的过程中,溶液的温度先升高后降低,请分析原因_____。
(3)结合上表中滴入稀盐酸体积与pH的变化数据,试计算氢氧化钠稀溶液中溶质的质量。(稀盐酸的密度取l.0克/毫升)
5.某化工厂生产的纯碱产品(含有少量氯化钠)的包装袋上注明:碳酸钠⩾96%。为了测定该产品中碳酸钠的质量分数是否属实,向4个分别盛有浓度相同、质量均为100g稀盐酸的烧杯中,分别放入不同质量的纯碱产品,充分反应后,称量烧杯中剩余物的质量,实验数据如下表:
请计算(最后结果保留一位小数):
(1)该纯碱产品中碳酸钠质量分数的标注是否真实。
(2)所用盐酸溶液中溶质的质量分数。
(3)恰好完全反应时,所得溶液中溶质的质量分数。
6.将50克铁片放入硫酸铜溶液中片刻后取出称量铁片的质量为53.2克。
(1)请写出反应的化学方程式___________;
(2)请列式计算参加反应的铁的质量。
7.将NaOH溶液逐滴滴入HCl和CuCl2的混合溶液中,并根据观察到的现象绘制了如图曲线,根据图示回答问题:
(1)氢氧化钠先与混合溶液中的________反应,(写化学式);
(2)与CuCl2反应所消耗溶液的质量为________克;
(3)计算氢氧化钠溶液中溶质的质量分数。
8.某同学用含杂质的Na2CO3样品跟稀盐酸反应,现将3次实验数据列于下表(杂质不与稀盐酸反应)
试计算:(1)所用稀盐酸的溶质的质量分数;
(2)样品中的Na2CO3的质量分数。
9.有NaCl和NaNO3的混合物20克,完全溶于水后,向溶液中滴加135.2克的AgNO3溶液恰好完全反应,有沉淀生成,将沉淀滤出洗涤烘干,干燥后质量为28.7克。求:
(1)原混合物中NaCl的质量分数;
(2)反应后,滤液中溶质的质量分数是多少?
10.近年来,青海旅游因为抖音视频的宣传火爆一时,其中一个著名的景点就是茶卡盐湖,该盐湖生产的纯碱(Na2CO3)产品中常含有少量的氯化钠(其它杂质忽略不计)。为测定该产品中碳酸钠的质量分数,现称取6g试样放在烧杯中并滴入稀盐酸。当盐酸滴加至36.5g时,烧杯内溶液的总质量为40.3g,(假设产生的气体全部逸出),产生气体的质量与滴入稀盐酸的质量关系如下图所示。试计算:
(1)A点产生气体的质量m=_________。
(2)试样中碳酸钠的质量分数(结果精确至0.1%)。
(3)B点时,烧杯内溶液中的溶质是__________(写出化学式)。
11.向100g稀H2SO4溶液中加入一定量的镁粉,固体完全溶解后,再向所得溶液中加入质量分数为20%的NaOH溶液,所得沉淀质量与加入NaOH溶液 质量关系如图所示。请回答:
(1)加入镁粉的质量为__________克。
(2)求恰好反应后的溶质质量分数。(结果精确到0.1%)
12.向含CuCl2和HCl的100g混合溶液中,逐滴加入溶质质量分数为10%的NaOH溶液,生成沉淀质量与加入的NaOH溶液质量关系如图,仅考虑沉淀为Cu(OH)2。据图回答:
(1)整个反应过程中,____________离子个数不变。
(2)试通过计算确定a的值。
13.科学实验课上,小柯同学用石灰石和稀盐酸制取二氧化碳(杂质不和稀盐酸反应),实验后小柯想继续研究废液的成分,于是取过滤后的废液100g,慢慢滴入质量分数为5.3%的碳酸钠溶液,生成沉淀的质量与加入碳酸钠溶液关系如图甲所示。
(1)小柯用图乙测定A点所对应溶液的pH值,结果会____________(选“偏大”、“偏小”或“不变”)。
(2)实验最终生成沉淀质量为多少克?
(3)废液中盐酸的质量分数是多少?
参考答案
(1)NaCl、NaOH(2)解:设稀盐酸溶液质量为x。
NaOH+HCl=NaCl+H2O
40 36.5
30g×20% 10%x
40/30g×20%=36.5/10%x
x≈54.8g
答:所用的稀盐酸溶液的质量为54.8克。
(1)4
设石灰石中碳酸钙的质量是x。
CaCO3+2HCl═CaCl2+CO2↑+H2O
100 44
x 2.2g
100/44=x/2.2g x=5g 石灰石中碳酸钙的质量分数=5÷10=50%
(1)125
由于中和反应是放热反应,随盐酸量增加,中和反应放出热量增大,溶液温度上升;过量盐酸挥发散热,反应停止热量散失,所以温度又会下降
我们发现当恰好反应时,用去盐酸的体积为20mL解:HCl的质量=20mL×l.0g/mL×0.73%=0.146g
NaOH+HCl=NaCl+H2O
40 36.5
x 0.146g
解得x=0.16g氢氧化钠稀溶液中溶质的质量为0.16g.
5.(1)94.6%不真实(2)7.3%(3)11.5%
6.(1)CuSO4+Fe= FeSO4+Cu;(2)22.4克
7.(1)HCl(2)10g
(3)解:设和CuCl2反应的NaOH的质量为X,则
CuCl2+2NaOH=2NaCl+Cu(OH)2↓
80 98
X 0.49g
80∶X=98∶0.49g,X=0.4g
0.4/(30-20)=4%
答:氢氧化钠溶液中溶质的质量分数为4%
8.(1)8.76%(2)80%
9.(1)58.5%;(2)20%
10.(1)2.2g;(2)88.3%;(3)NaCl;HCl
11.(1)2.4(2)14.2%
12.(1)氯(离子)(Cl-)
(2)解设:与氯化铜反应的氢氧化钠溶液的质量为x
2NaOH+CuCl2=Cu(OH)2↓+2NaCl
80 98
x·10% 9.8g
80/x·10%=98/9.8g x=80g a=80+50=130
(1)偏小
解设:实验生成沉淀的质量为x
Na2CO3+CaCl2═CaCO3↓+2NaCl
106 100
200g×5.3% x
106/10.6g=100/x x=10g
解设:废液中盐酸的质量分数为y
Na2CO3+2HCl=2NaCl+H2O+CO2↑
106 73
100g×5.3% 100g·y
106/5.3g=73/y y=3.65%
分类题型训练:第一章《物质及其变化》填空题(9) 浙教版科学九年级上册: 这是一份分类题型训练:第一章《物质及其变化》填空题(9) 浙教版科学九年级上册,共6页。试卷主要包含了在下列物质中,请根据下表回答有关问题等内容,欢迎下载使用。
分类题型训练:第一章《物质及其变化》填空题(7) 浙教版科学九年级上册: 这是一份分类题型训练:第一章《物质及其变化》填空题(7) 浙教版科学九年级上册,共7页。试卷主要包含了归纳总结是学习科学的一种方法,根据图回答问题,下列描述,用下列物质的序号填空等内容,欢迎下载使用。
分类题型训练:第一章《物质及其变化》填空题(4) 浙教版科学九年级上册: 这是一份分类题型训练:第一章《物质及其变化》填空题(4) 浙教版科学九年级上册,共6页。试卷主要包含了有下列几种物质等内容,欢迎下载使用。

