北京市东城区2023-2024学年高一下学期期末考试化学试卷(含答案)
展开2024.7
本试卷共8页,共100分。考试时长90分钟,考生务必将答案答在答题卡上,在试卷上作答无效。考试结束后,将答题卡交回。
可能用到的相对原子质量:H1C12N14O16S32Fe56
第一部分(选择题 共42分)
本部分共14题,每题3分,共42分。在每题列出的四个选项中,选出最符合题目要求的一项。
1.下列关于物质分类的说法中,不正确的是
A.NO属于酸性氧化物B.SiO2属于非金属氧化物
C.葡萄糖属于有机化合物D.塑料属于有机高分子
2.工业上常用电解法冶炼的金属是
A.AgB.FeC.HgD.Al
3.下列分子的空间结构为正四面体形的是
A.CH4B.CH3CH3C.CH≡CHD.CH2=CH2
4.下列反应的能量变化不能用如图表示的是
A.镁条与稀盐酸B.氢氧化钠与稀硫酸C.氢气与氯气D.盐酸与碳酸氢钠
5.用球棍模型表示的某有机反应示意图如图,其反应类型是
A.取代反应B.加成反应C.加聚反应D.酯化反应
6.下列关于N2的叙述不正确的是
A.两个氮原子间以共价三键结合
B.N2既可用作氧化剂又可用作还原剂
C.氮的固定过程中N2均被氧化
D.大自然通过闪电释放的能量可将N2转化为含氮的化合物
7.已知2SO2(g)+O2(g)⇌2SO3(g)为放热反应,有关该反应的说法正确的是
A.2mlSO2与足量O2反应可生成2mlSO3B.该反应中的能量变化与化学键变化有关
C.改变压强,其反应速率不变D.升高温度,其反应速率降低
8.一定温度下,在恒容密闭容器中发生反应:
CO2(g)+3H2(g)⇌△催化剂CH3OH(g)+H2O(g)
反应达到平衡后,下列说法不正确的是
A.CO2和CH3OH的浓度一定相等B.正反应速率等于逆反应速率
C.CH3OH的浓度不再变化D.改变温度,可以改变该反应进行的程度
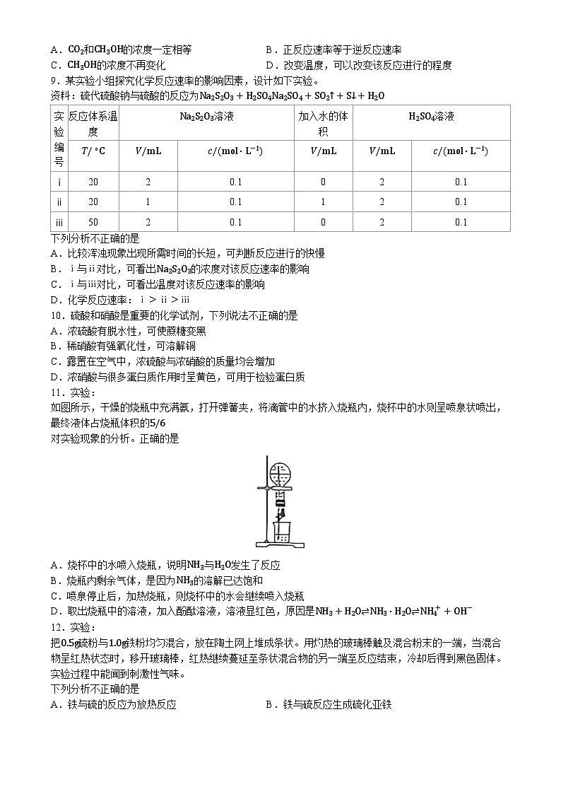
9.某实验小组探究化学反应速率的影响因素,设计如下实验。
资料:硫代硫酸钠与硫酸的反应为Na2S2O3+H2SO4Na2SO4+SO2↑+S↓+H2O
下列分析不正确的是
A.比较浑浊现象出现所需时间的长短,可判断反应进行的快慢
B.ⅰ与ⅱ对比,可看出Na2S2O3的浓度对该反应速率的影响
C.ⅰ与ⅲ对比,可看出温度对该反应速率的影响
D.化学反应速率:ⅰ>ⅱ>ⅲ
10.硫酸和硝酸是重要的化学试剂,下列说法不正确的是
A.浓硫酸有脱水性,可使蔗糖变黑
B.稀硝酸有强氧化性,可溶解铜
C.露置在空气中,浓硫酸与浓硝酸的质量均会增加
D.浓硝酸与很多蛋白质作用时呈黄色,可用于检验蛋白质
11.实验:
如图所示,干燥的烧瓶中充满氨,打开弹簧夹,将滴管中的水挤入烧瓶内,烧杯中的水则呈喷泉状喷出,最终液体占烧瓶体积的5/6
对实验现象的分析。正确的是
A.烧杯中的水喷入烧瓶,说明NH3与H2O发生了反应
B.烧瓶内剩余气体,是因为NH3的溶解已达饱和
C.喷泉停止后,加热烧瓶,则烧杯中的水会继续喷入烧瓶
D.取出烧瓶中的溶液,加入酚酞溶液,溶液显红色,原因是NH3+H2O⇌NH3⋅H2O⇌NH4++OH−
12.实验:
把0.5g硫粉与1.0g铁粉均匀混合,放在陶土网上堆成条状。用灼热的玻璃棒触及混合粉末的一端,当混合物呈红热状态时,移开玻璃棒,红热继续蔓延至条状混合物的另一端至反应结束,冷却后得到黑色固体。实验过程中能闻到刺激性气味。
下列分析不正确的是
A.铁与硫的反应为放热反应B.铁与硫反应生成硫化亚铁
C.黑色固体中可能含有铁的氧化物D.实验过程发生的反应中,硫均作氧化剂
13.选用如图所示装置制取气体,不正确的是
A.收集NO,选dB.干燥NO、NO2和NH3,选f
C.用NH4Cl和Ca(OH)2反应制备NH3,选bD.用铜与浓硝酸反应制备和收集NO2,选a、c和e
14.某同学用化学沉淀法去除粗盐水中少量Ca2+、Mg2+、SO42−,实验步骤如下:
Ⅰ.向粗盐水中滴加过量BaCl2溶液,振荡,静置;
Ⅱ.再滴加过量NaOH溶液,振荡;
Ⅲ.将Ⅱ所得浊液过滤;
Ⅳ.向Ⅲ所得滤液中滴加过量饱和Na2CO3溶液,振荡,过滤;
Ⅴ.再向Ⅳ所得滤液中滴加盐酸,至滤液呈中性或弱酸性。
下列分析不正确的是
A.向Ⅰ的上清液中滴加2∼3滴BaCl2溶液,无现象,说明SO42−已沉淀完全
B.Ⅱ中反应的离子方程式是Mg2++2OH−Mg(OH)2↓
C.Ⅳ中所得沉淀为CaCO3
D.Ⅴ中与盐酸反应的离子是CO32−、OH−
第二部分(非选择题 共58分)
本部分共6题,共58分。
15.(19分)乙醇和乙酸是两种常见的有机化合物。
(1)乙醇的官能团名称是 ,乙酸的官能团名称是 。
(2)模型可以将微观分子中原子的结合方式和空间位置关系呈现出来。
①如图分子结构模型能代表乙醇分子的是 (填字母)。
a. b.
②用球棍模型搭建分子式为C2H4O2的有机化合物的分子结构时,可以搭建出很多种。写出其中除乙酸分子结构外的任一种分子的结构简式: 。
(3)下列说法正确的是 (填字母)。
a.用粮食或水果发酵能生产乙醇和乙酸
b.用碳酸氢钠溶液可鉴别乙醇和乙酸
c.食醋可清除水壶中的少量水垢(主要成分为碳酸钙)
d.乙醇在空气中燃烧生成二氧化碳和水,说明乙醇中含有C、H、O三种元素
(4)某小组同学研究酯化反应:将3mL乙醇、2mL乙酸与2mL浓硫酸混合后加入装有碎瓷片的试管a中,加热。一段时间后,试管b内收集到无色油状液体;取下试管b,振荡、静置,液体分层,上层液体体积明显减少。
①为增大反应速率,该小组采取的措施有 。
②振荡前后,试管b中实验现象发生变化的主要原因是 。
③实验中涉及到的酯的物理性质有 。
④试管a内发生反应的化学方程式是 。
16.(8分)分析原电池的工作原理,制作简易电池。如图所示的装置中,电流计指针均发生了偏转。
(1)图1中铜片上有气泡产生。写出铜片上发生的电极反应: 。
(2)两组装置实现的能量转化形式均为 。
(3)下列关于图1和图2的说法正确的是 (填字母)。
a.锌和铁均发生了氧化反应
b.稀硫酸和苹果汁中均含有自由移动的离子
c.电子的移动方向是锌片(铁片)→导线→电流计→导线→铜片
(4)用氯化钠溶液替换图1的稀硫酸后,电流计指针偏转,且偏转方向与图1相同,铜片上无气泡产生。则在钢片上得电子的粒子是 。
17.(8分)某实验小组设计如图装置制取SO2并验证其性质。
(1)Y形管中发生反应的化学方程式是
(2)观察到b的变化是 。
(3)验证SO2具有还原性,c是有 (填写试剂名称)溶液的试纸。
(4)用化学方程式表示d的变化是 。
(5)烧杯中的液体是 (填字母)。
e.NaOH溶液 f.氯水 g.饱和NaHSO3溶液
18.(13分)氨既是一种重要的化工产品,又是一种重要的化工原料。如图为合成氨以及氨氧化制硝酸的流程示意图。
(1)在氨分离器中,可用冷凝法分离出氨,原理是 。
(2)氧化炉中,氨转化为NO。则理论上生成1mlNO需消耗O2的物质的量为 ml。
(3)吸收塔中发生反应的化学方程式是 。
(4)可作为贮存浓硝酸的罐体材料的是 (填字母)。
a.铜 b.铝 c.铁
(5)为提高原料利用率,流程中的物质可以循环使用的有 。
(6)如图是从某化工商店采购到的硝酸试剂瓶的部分说明书。
①该硝酸的物质的量浓度为 ml/L(列出算式即可)。
②将“贮存”方法补充完整,并说明采用该方法的理由: 。
19.(10分)探究CuSO4溶液和Na2S溶液的反应。
资料:CuS为黑色固休,难溶于水,不与盐酸或NaOH溶液反应。
【猜想】a.CuSO4溶液和Na2S溶液能发生复分解反应。
b.CuSO4溶液和Na2S溶液能发生氧化还原反应。
(1)若a成立,则离子方程式为 。
(2)提出猜想b的依据是 。
【实验1】向2mL1ml⋅L−1CuSO4溶液中加入2mL2ml⋅L−1Na2S溶液,迅速产生大量黑色固体、少量红色固体和黄色固体,静置后红色固体减少、黑色固体增多。
(3)实验证明红色固体为Cu。补全静置后红色固体转化为黑色固体反应的离子方程式:
2Cu+2S2−+☐ +□H2O□ +2CuS
(4)通过下列实验证实,黄色固体为硫。
资料:BaS为白色固体,易溶于水。
【实验2】
ⅰ.将实验1中的沉淀依次用盐酸、蒸馏水洗涤干净。
ⅱ.
①ⅰ的实验目的是防止 (填离子符号)对后续实验产生干扰。
②分析实验,用离子方程式表示硫转化为BaSO3的过程; 。
③证明白色沉淀A中含BaSO3的实验操作;将白色沉淀A分离出来,洗涤后加入足量稀盐酸,沉淀全部溶解,再加入试剂B,产生白色沉淀。
试剂B是 (填字母)。
a.NaOH溶液 b.BaCl2溶液 c.稀硝酸
【参考答案】
第一部分(选择题 共42分)
1.A 2.D 3.A 4.D 5.B 6.C 7.B 8.A 9.D 10.C 11.D 12.D 13.B 14.C
第二部分(非选择题 共58分)
15.(1) 羟基(1分); 羧基(1分)
(2) ① b(2分)
② HCOOCH3或CH2OH−CHO(合理即可)(1分)
(3) abc(3分)
(4) ① 加热、加浓硫酸作催化剂(2分)
② 乙醇、乙酸溶于饱和碳酸钠溶液(2分)
③ 沸点低、无色油状液体、难溶于水、密度小于水(4分)
④ CH3COOH+CH3CH2OH⇌△浓硫酸CH3COOCH2CH3+H2O(3分)
16.(1) 2H++2e−=H2↑(2分)
(2) 化学能转化为电能(1分)
(3) abc(1个1分)
(4) O2(1分)
17.(1) Cu+2H2SO4(浓)△CuSO4+SO2↑+2H2O(3分)
(2) 品红溶液褪色(1分)
(3) 高锰酸钾溶液(合理即可)(1分)
(4) SO2+2H2S=3S+H2O(2分)
(5) e(1分)
18.(1) 氨易液化(1分)
(2) 1.25(2分)
(3) 2NO+O2=2NO2、3NO2+H2O=2HNO3+NO(2分)
(4) bc(2分)
(5) N2、H2、NH3、NO、NO2(3分)
(6) ① 500×1.4×69%/(63×0.5)(1分)
② 避光、冷藏(合理即可),因为硝酸易分解(2分)
19.(1) Cu2++S2−=CuS↓(2分)
(2) Cu2+有氧化性,S2−有还原性(2分)
(3) 1; O2; 2; 4; OH−(2分)
(4) ① SO42−、S2−(2分)
② 3S+6OH−=2S2−+SO32−+3H2O、SO32−+Ba2+=BaSO3↓(2分)
③ c(1分)实验编号
反应体系温度
Na2S2O3溶液
加入水的体积
H2SO4溶液
T/∘C
V/mL
c/(ml⋅L−1)
V/mL
V/mL
c/(ml⋅L−1)
ⅰ
20
2
0.1
0
2
0.1
ⅱ
20
1
0.1
1
2
0.1
ⅲ
50
2
0.1
0
2
0.1
北京市东城区2023-2024学年高一下学期期末考试化学试卷: 这是一份北京市东城区2023-2024学年高一下学期期末考试化学试卷,共10页。
北京市东城区2023-2024学年高一下学期期末考试化学试卷(PDF版,含答案): 这是一份北京市东城区2023-2024学年高一下学期期末考试化学试卷(PDF版,含答案),共10页。
北京市东城区2023-2024学年高一下学期期末考试化学试卷(无答案): 这是一份北京市东城区2023-2024学年高一下学期期末考试化学试卷(无答案),共6页。试卷主要包含了5g硫粉与1等内容,欢迎下载使用。

