四川省绵阳第一中学2022-2023学年高二(下)期末物理试卷
展开1.(4分)关于物理现象和物理学史,下列说法正确的是( )
A.法拉第发现了“由磁生电”的原理,并从理论上预言了电磁波的存在
B.汤姆孙证实阴极射线是电子束流,据此提出了原子的核式结构模型
C.观众观看立体电影要戴一种特殊的眼镜、利用了光的衍射现象
D.玻尔提出的原子结构很好的解释了氢原子的光谱
2.(4分)如图所示,单刀双掷开关S先打到a端让电容器充满电。t=0时开关S打到b端,t=0.02s时LC回路中电容器下极板带正电荷且电荷量第一次达到最大值。则( )
A.LC回路的周期为0.02s
B.LC回路的电流最大时电容器中电场能最大
C.t=1.01s时线圈中磁场能最大
D.t=1.01s时回路中电流沿顺时针方向
3.(4分)如图甲所示,一小物块在水平向右的推力F作用下从A点由静止开始向右做直线运动,力F的大小随时间变化的规律如图乙所示,小物块块的质量m=1kg,与台面间的动摩擦因数μ=0.1,g=10m/s2。则小物块在t=1.5s时刻的速度( )
A.B.C.D.
4.(4分)如图所示,电阻不计的矩形线圈abcd处于磁感应强度大小B=2T的匀强磁场中,线圈面积,匝数n=10。线圈绕中心轴OO′匀速转动,转动角速度ω=50rad/s。线圈的输出端与理想变压器原线圈相连,变压器的原、副线圈的匝数比n1:n2=5:1,副线圈通过电流表与定值电阻R1和滑动变阻器R2相连,R1的电阻为80Ω,R2的最大电阻为120Ω。电流表与电压表均为理想电表。下列说法正确的是( )
A.线圈在图示位置开始计时,经过,电压表示数为零
B.通过电阻R1的电流方向每秒变化100次
C.改变滑动变阻器R2接入电路的阻值,滑动变阻器R2两端电压最大值为24V
D.改变滑动变阻器R2接入电路的阻值,滑动变阻器R2中消耗的最大电功率为5W
5.(4分)如图所示,导线圆环总电阻为2R,半径为d,垂直磁场固定于磁感应强度为B的匀强磁场中,此磁场的左边界正好与圆环直径重合,电阻为R的直金属棒ab以恒定的角速度ω绕过环心O的轴匀速转动,a、b端正好与圆环保持良好接触。以下说法正确的是( )
A.图示位置处杆O点电势高于b点电势
B.a、b两点的电势差
C.转动过程中金属棒与圆环上消耗的电功率之比2:1
D.杆转动一圈时段内通过杆的电荷量为
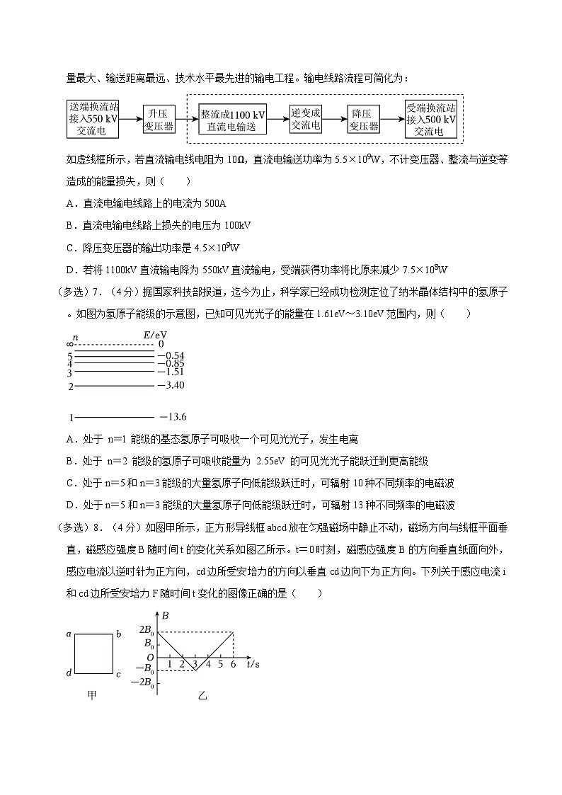
6.(4分)在远距离输电技术上,中国1100kV特高压直流输电工程是目前世界上电压等级最高、输送容量最大、输送距离最远、技术水平最先进的输电工程。输电线路流程可简化为:
如虚线框所示,若直流输电线电阻为10Ω,直流电输送功率为5.5×109W,不计变压器、整流与逆变等造成的能量损失,则( )
A.直流电输电线路上的电流为500A
B.直流电输电线路上损失的电压为100kV
C.降压变压器的输出功率是4.5×109W
D.若将1100kV直流输电降为550kV直流输电,受端获得功率将比原来减少7.5×108W
(多选)7.(4分)据国家科技部报道,迄今为止,科学家已经成功检测定位了纳米晶体结构中的氢原子。如图为氢原子能级的示意图,已知可见光光子的能量在1.61eV~3.10eV范围内,则( )
A.处于 n=l 能级的基态氢原子可吸收一个可见光光子,发生电离
B.处于 n=2 能级的氢原子可吸收能量为 2.55eV 的可见光光子能跃迁到更高能级
C.处于n=5和n=3能级的大量氢原子向低能级跃迁时,可辐射10种不同频率的电磁波
D.处于n=5和n=3能级的大量氢原子向低能级跃迁时,可辐射13种不同频率的电磁波
(多选)8.(4分)如图甲所示,正方形导线框abcd放在匀强磁场中静止不动,磁场方向与线框平面垂直,磁感应强度B随时间t的变化关系如图乙所示。t=0时刻,磁感应强度B的方向垂直纸面向外,感应电流以逆时针为正方向,cd边所受安培力的方向以垂直cd边向下为正方向。下列关于感应电流i和cd边所受安培力F随时间t变化的图像正确的是( )
A.
B.
C.
D.
(多选)9.(4分)如图所示,倾角为θ的光滑绝缘斜面处于匀强磁场中,磁场方向垂直于斜面向上且范围足够大,PQ为磁场的水平上边界。a、b为边长分别为2L、L的单匝正方形线框,线框材料相同、导体粗细相同且均匀。MN与PO平行,线框下边ef、e′f′置于斜面MN处由静止释放,b的下边e′f′刚进入磁场时做匀速运动,则( )
A.a、b线框刚进入磁场时的电流之比为1:1
B.线框a穿过PQ过程做减速运动
C.a、b线框穿过PQ过程,通过导体的电量相等
D.线框a穿过PQ过程产生的焦耳热较多
二、必考非选择题。本题共4小题,共44分。
10.(4分)热敏电阻常用于温度控制或过热保护装置中。图为某种热敏电阻和金属热电阻的阻值R随温度t变化的示意图。由图可知,这种热敏电阻在温度上升时导电能力 (选填“增强”或“减弱”);相对金属热电阻而言,热敏电阻对温度变化的影响更 (选填“敏感”或“不敏感”)。
11.(10分)“验证动量守恒定律”的实验装置可采用图甲或图乙的方法,两个实验装置的区别在于:①悬挂重垂线的位置不同;②图甲中设计有一个支柱(通过调整,可使两球的球心在同一水平线上,上面的小球被碰撞离开后,支柱立即倒下),图乙中没有支柱,图甲中的入射小球A和被碰小球B做平抛运动的抛出点分别在通过O、O′点的竖直线上,重垂线只确定了O点的位置。(球A的质量为m1,球B的质量为m2)
(1)采用图甲的实验装置时,用20分度的游标卡尺测量小球的直径,如图丙,则读数为 mm。
(2)比较这两个实验装置,下列说法正确的是 。
A.采用图甲的实验装置时,需要测出两小球的直径
B.采用图乙的实验装置时,需要测出两小球的直径
C.采用图乙的实验装置时,斜槽轨道末端的切线要求水平,而采用图甲的实验装置时则不需要
D.为了减小误差,无论哪个图,都要求入射球每次都要从同一高度由静止滚下
E.为了减小误差,采用图乙的实验装置时,应使斜槽末端水平部分尽量光滑
(3)如采用图乙的实验装置做实验,在某次实验得出小球的落点情况如图丁所示。验证动量守恒定律的表达式是 。(用“m1、m2、、、”表示)
(4)用天平称得入射小球A的质量m1=16.8g,被碰小球B的质量m2=4.4g,若将小球质量与其对应水平位移的乘积作为“动量”,由图丙可知:,,则碰前总动量p=420.0(g•cm),碰后总动量p′= (g•cm)(以上结果均保留4位有效数字)。根据上面的数据,你认为能得到的结论是: 。
12.(12分)如图所示,质量m=1kg的小物块静止放置在固定水平台的最左端,质量2kg的小车左端紧靠平台静置在光滑水平地面上,平台、小车的长度l均为0.6m。现对小物块施加一水平向右的恒力F,使小物块开始运动,当小物块到达平台最右端时撤去恒力F,小物块刚好能够到达小车的右端。小物块大小不计,与平台间、小车间的动摩擦因数μ均为0.5,重力加速度g取10m/s2,水平面足够长,求:
(1)小物块离开平台时速度的大小;
(2)水平恒力F对小物块冲量的大小。
13.(18分)如图所示,两根完全相同的金属导轨平行固定,导轨间距L=2m,不计导轨电阻。导轨由三部分组成,MM'左侧部分光滑(MM'为倾斜部分水平末端),MG、M'G'在水平面内,GH、G′H′部分是四分之一光滑圆轨道,G'刚好在圆心O正上方,所有交接处平滑连接。HH'间串联R=0.2Ω的电阻,PP'GG'区域有磁感应强度大小B=0.2T,方向竖直向上的矩形匀强磁场。PP'、GG'间距x1=1.25m,M'G'、MG长度x=4.75m,两导体棒a、b质量均为m=1kg,电阻分别为Ra=0.2Ω,Rb=0.1Ω。a、b与金属导轨水平部分动摩擦因数μ=0.1。初始时刻b静止在MM'处,将a从距水平面高h=0.8m的导轨上水平静止释放,a沿导轨滑下后与b在MM'处发生弹性碰撞,b最终从GG'处以1m/s的速度水平飞出,运动过程中导体棒与导轨始终垂直并接触良好,重力加速度g=10m/s2。求:
(1)a、b碰后b杆的速度大小v1;
(2)b在水平轨道上运动过程中,电阻R上产生的焦耳热QR;
(3)b从MM'运动到GG'位置的时间t。
三、选考题(3—4)。本题共5小题,共30分。第15、16、17题每小题3分,给出的四个选项中只有一项符合题目要求。
14.(3分)2015年9月科学家探测到宇宙中距离我们13亿光年的两个黑洞合并而产生的引力波,填补了爱因斯坦广义相对论实验验证的最后一块“拼图”。关于相对论下列说法正确的是( )
A.经典时空观认为时间和空间是相互关联的
B.相对于观察者运动的时钟会变慢
C.在运动的参照系中测得的光速与其运动的速度有关
D.同一物体的长度不随观察者所处参考系的变换而改变
15.(3分)如图是卢瑟福为解释α粒子散射实验而提出的情境。占金原子质量绝大部分的原子核集中在很小的空间范围,曲线表示α粒子的运动轨迹。下列说法正确的是( )
A.越接近原子核的α粒子发生散射时的偏转角越小
B.电子质量约为α粒子质量的,因此电子对α粒子速度的影响可以忽略
C.由该实验可以得出α粒子与金原子核一定带异种电荷
D.若实验中换用轻金属箔片,发生大角度偏转的α粒子将会增多
16.(3分)完全失重时,液滴呈球形,气泡在液体中将不会上浮。2021年12月,在中国空间站“天宫课堂”的水球光学实验中,航天员向水球中注入空气形成了一个内含气泡的水球。如图所示,若气泡与水球同心,在过球心O的平面内,用单色平行光照射这一水球。下列说法正确的是( )
A.此单色光从空气进入水球,频率一定变大
B.此单色光从空气进入水球,频率一定变小
C.若光线1在M处发生全反射,光线2在N处一定发生全反射
D.若光线2在N处发生全反射,光线1在M处一定发生全反射
17.(9分)在“用双缝干涉测光的波长”的实验中,实验装置如图所示。
(1)某同学以线状白炽灯为光源,对实验装置进行调节并观察了实验现象后,总结出以下几点,下列说法中正确的是 ;
A.干涉条纹与双缝垂直
B.单缝和双缝应相互平行放置
C.若取下滤光片,光屏上可观察到白光的干涉图样
D.想增加从目镜中观察到的条纹个数,可以将单缝向双缝靠近
(2)将测量头的分划板中心刻线与某亮纹中心对齐,将该亮纹定为第1条亮纹,此时手轮上螺旋测微器示数如图甲所示。然后同方向转动测量头,使分划板中心刻线与第6条亮纹中心对齐,记下此时图乙中手轮上的示数为 mm;
(3)已知双缝间距d为2.0×10﹣4m,测得双缝到屏的距离L为0.600m,求所测量光的波长为 m(结果保留三位有效数字)。
18.(12分)真空中某种材质制成的光学元件截面如图所示,右边是半径为R的四分之一圆,点C为圆心,左边是直角三角形ABC,∠BAC=30°,∠BCA=90°,现从CD延长线上点S发出一细光束,光束从E点进入元件后折射光线刚好平行于AD边,CE=SE,点E到AD距离为。光在真空中的速度为c,求:
(1)光学元件的折射率n;
(2)光线在AB边是否发生全反射;
(3)光线在光学元件内传播时间t(不考虑光的多次反射)。
2022-2023学年四川省绵阳一中高二(下)期末物理试卷
参考答案与试题解析
一、必考选择题。本题共9小题,每小题4分,共36分。在每小题给出的四个选项中,第1~6题只有一项符合题目要求,第7~9题有多项符合题目要求。全部选对的得4分,选对但不全的得2分,有选错的得0分。
1.(4分)关于物理现象和物理学史,下列说法正确的是( )
A.法拉第发现了“由磁生电”的原理,并从理论上预言了电磁波的存在
B.汤姆孙证实阴极射线是电子束流,据此提出了原子的核式结构模型
C.观众观看立体电影要戴一种特殊的眼镜、利用了光的衍射现象
D.玻尔提出的原子结构很好的解释了氢原子的光谱
【解答】解:A.麦克斯韦从理论上预言了电磁波的存在,故A错误;
B.卢瑟福提出了原子的核式结构模型,故B错误;
C.观众观看立体电影要戴一种特殊的眼镜,是利用光的偏振现象,故C错误;
D.玻尔提出的能级模型,很好的解释了氢原子的光谱,故D正确。
故选:D。
2.(4分)如图所示,单刀双掷开关S先打到a端让电容器充满电。t=0时开关S打到b端,t=0.02s时LC回路中电容器下极板带正电荷且电荷量第一次达到最大值。则( )
A.LC回路的周期为0.02s
B.LC回路的电流最大时电容器中电场能最大
C.t=1.01s时线圈中磁场能最大
D.t=1.01s时回路中电流沿顺时针方向
【解答】解:A、在一个周期内,电容器充电两次,放电两次,t=0.02s时LC回路中电容器下极板带正电荷且电荷量第一次达到最大值,此时充放电一次,则周期为0.04s,故A错误。
B、根据LC振荡电路的充放电规律可知,放电完毕时,回路中电流最大,磁场能最大,电场能最小,故B错误。
CD、t=1.01=25T,此时电容器逆时针放电结束,回路中逆时针的电流最大,磁场能最大,故C正确,D错误。
故选:C。
3.(4分)如图甲所示,一小物块在水平向右的推力F作用下从A点由静止开始向右做直线运动,力F的大小随时间变化的规律如图乙所示,小物块块的质量m=1kg,与台面间的动摩擦因数μ=0.1,g=10m/s2。则小物块在t=1.5s时刻的速度( )
A.B.C.D.
【解答】解:小物块与台面间的最大静摩擦力为:fm=μmg=0.1×1×10=1N
可知当F大于1N之后物块开始运动,由F﹣t图像可知F=1N对应时刻为t1=s
根据F﹣t图像与坐标轴围成的面积表示力F的冲量,可得s~1.5s时间内F的冲量为:
IF=N•s+2×(1.5﹣1)N•s=2.25N•s
取向右为正方向,根据动量定理可得:IF﹣μmgΔt=mv﹣0,其中Δt=1.5s﹣s=s
解得:v=m/s,故D正确、ABC错误。
故选:D。
4.(4分)如图所示,电阻不计的矩形线圈abcd处于磁感应强度大小B=2T的匀强磁场中,线圈面积,匝数n=10。线圈绕中心轴OO′匀速转动,转动角速度ω=50rad/s。线圈的输出端与理想变压器原线圈相连,变压器的原、副线圈的匝数比n1:n2=5:1,副线圈通过电流表与定值电阻R1和滑动变阻器R2相连,R1的电阻为80Ω,R2的最大电阻为120Ω。电流表与电压表均为理想电表。下列说法正确的是( )
A.线圈在图示位置开始计时,经过,电压表示数为零
B.通过电阻R1的电流方向每秒变化100次
C.改变滑动变阻器R2接入电路的阻值,滑动变阻器R2两端电压最大值为24V
D.改变滑动变阻器R2接入电路的阻值,滑动变阻器R2中消耗的最大电功率为5W
【解答】解:A、由题图可知,线圈在图示位置开始计时,经过,线圈的磁通量最大,磁通量变化率最小,感应电动势瞬时值为零,但有效值不为零,故电压表示数不为零,故A错误;
B、由题图可知,交变电流的频率:,变压器不改变电流变化的频率,线圈转动一周电流变化两次,可知通过电阻R1的电流方向每秒变化次,故B错误;
C、由最大值和有效值的关系知,原线圈的电压:U1==,代入数据得:U1=200V
根据变压器的变压规律:,代入数据得副线圈的电压:U2=40V
滑动变阻器R2两端电压有效值最大为:UR2=,代入数据得:UR2=24V
故改变滑动变阻器R2接入电路的阻值,滑动变阻器R2两端电压最大值为,故C错误;
D、改变滑动变阻器R2接入电路的阻值,根据电功率的公式可得滑动变阻器R2中消耗的电功率为:,根据数学关系可知R1=R2=80Ω时,滑动变阻器R2中消耗的电功率最大为:,故D正确。
故选:D。
5.(4分)如图所示,导线圆环总电阻为2R,半径为d,垂直磁场固定于磁感应强度为B的匀强磁场中,此磁场的左边界正好与圆环直径重合,电阻为R的直金属棒ab以恒定的角速度ω绕过环心O的轴匀速转动,a、b端正好与圆环保持良好接触。以下说法正确的是( )
A.图示位置处杆O点电势高于b点电势
B.a、b两点的电势差
C.转动过程中金属棒与圆环上消耗的电功率之比2:1
D.杆转动一圈时段内通过杆的电荷量为
【解答】解:A、图示位置直金属棒Oa段切割磁感线产生感应电动势,充当电源,根据右手定则可知,电源内部电流方向为O→a,则在外电路电流方向为b→O,则杆O点电势低于b点电势,故A错误;
B、由法拉第电磁感应定律可知,Oa段产生的感应电动势为
E感=Bd=Bd•=
圆环部分电阻为
整个电路的总电阻为
干路电流为
因a点电势高于b点电势,则a、b两点的电势差大小,故B错误;
C、转动过程中金属棒与圆环上消耗的电功率分别为
,
则转动过程中金属棒与圆环上消耗的电功率之比为P棒:P环=2:1,故C正确;
D、杆转动一圈时段内通过杆的电荷量为
转动一圈前后,杆回到原位置,则磁通量变化量ΔΦ=0,则杆转动一圈时段内通过杆的电荷量q=0,故D错误。
故选:C。
6.(4分)在远距离输电技术上,中国1100kV特高压直流输电工程是目前世界上电压等级最高、输送容量最大、输送距离最远、技术水平最先进的输电工程。输电线路流程可简化为:
如虚线框所示,若直流输电线电阻为10Ω,直流电输送功率为5.5×109W,不计变压器、整流与逆变等造成的能量损失,则( )
A.直流电输电线路上的电流为500A
B.直流电输电线路上损失的电压为100kV
C.降压变压器的输出功率是4.5×109W
D.若将1100kV直流输电降为550kV直流输电,受端获得功率将比原来减少7.5×108W
【解答】解:A.根据电功率计算公式可知输送电流
故A错误;
B.损失的电压ΔU=IR=5×103×10V=50kV
故B错误;
C.输电导线上损失的功率ΔP=I2R=(5×103)2×10W=2.5×108W
降压变压器的输出功率P出=P﹣ΔP
解得:P出=5.25×109W
故C错误;
D.用1100kV输电时输电导线上损失的功率ΔP=2.5×108W
保持输送功率不变,只用550kV输电,则有
则用户得到的功率比1100kV输电时减少ΔP'﹣ΔP=1×109W﹣2.5×108W=7.5×108W
故D正确。
故选:D。
(多选)7.(4分)据国家科技部报道,迄今为止,科学家已经成功检测定位了纳米晶体结构中的氢原子。如图为氢原子能级的示意图,已知可见光光子的能量在1.61eV~3.10eV范围内,则( )
A.处于 n=l 能级的基态氢原子可吸收一个可见光光子,发生电离
B.处于 n=2 能级的氢原子可吸收能量为 2.55eV 的可见光光子能跃迁到更高能级
C.处于n=5和n=3能级的大量氢原子向低能级跃迁时,可辐射10种不同频率的电磁波
D.处于n=5和n=3能级的大量氢原子向低能级跃迁时,可辐射13种不同频率的电磁波
【解答】解:A.基态氢原子的电离能为13.6eV,高于可见光光子能量范围,所以基态氢原子不可能吸收一个可见光光子而发生电离,故A错误;
B.由图可知n=2和n=4的能量差为2.55eV,所以处于n=2能级的氢原子可吸收能量为2.55eV的可见光光子跃迁到n=4能级,故B正确;
CD.处于n=5能级的大量氢原子向低能级跃迁时,可辐射=10种不同频率的电磁波,其中包含了n=3能级跃迁时辐射电磁波的频率,故D错误,C正确;
故选:BC。
(多选)8.(4分)如图甲所示,正方形导线框abcd放在匀强磁场中静止不动,磁场方向与线框平面垂直,磁感应强度B随时间t的变化关系如图乙所示。t=0时刻,磁感应强度B的方向垂直纸面向外,感应电流以逆时针为正方向,cd边所受安培力的方向以垂直cd边向下为正方向。下列关于感应电流i和cd边所受安培力F随时间t变化的图像正确的是( )
A.
B.
C.
D.
【解答】解:AB、根据法拉第电磁感应定律可得:E==S,由此可知,知道B﹣t图象的斜率不变,产生的感应电动势不变,根据闭合电路的欧姆定律可知感应电流不变。根据楞次定律可知,0~3s内,线框中产生正方向的恒定电流,3﹣6s内产生负方向的电流,故A错误、B正确;
CD、根据安培力的计算公式F=BIL可知,在0~2s内,ab边所受安培力垂直ab边向上且减小;2s~3s内,电流仍是正方向,且大小不变,此过程ab边所受安培力垂直ab边向下且增大;3s~4s内,ab边所受安培力垂直ab边向上且逐渐减小;4s~6s内,ab边所受安培力垂直ab边向下且增大,故C错误、D正确。
故选:BD。
(多选)9.(4分)如图所示,倾角为θ的光滑绝缘斜面处于匀强磁场中,磁场方向垂直于斜面向上且范围足够大,PQ为磁场的水平上边界。a、b为边长分别为2L、L的单匝正方形线框,线框材料相同、导体粗细相同且均匀。MN与PO平行,线框下边ef、e′f′置于斜面MN处由静止释放,b的下边e′f′刚进入磁场时做匀速运动,则( )
A.a、b线框刚进入磁场时的电流之比为1:1
B.线框a穿过PQ过程做减速运动
C.a、b线框穿过PQ过程,通过导体的电量相等
D.线框a穿过PQ过程产生的焦耳热较多
【解答】解:A、设正方形线框a、b的电阻率为ρ,横截面积为S,正方形线框a、b的电阻分别为
则Ra:Rb=2:1
设正方形线框a、b运动位移x进入磁场时速度为v,根据机械能守恒定律有
可知正方形线框a、b进入磁场时的速度相同,a、b线框刚进入磁场时的电流为
Ia===
可知a、b线框刚进入磁场时的电流之比为Ia:Ib=1:1,故A正确;
B、设a、b线框的密度为ρ0,a、b线框的质量为
ma=8ρ0LS
mb=4ρ0LS
线框b的下边e′f′刚进入磁场时做匀速运动,有
mbgsinθ=IbBL
可得线框a的下边ef刚进入磁场时加速度为
所以线框a穿过PQ过程做匀速直线运动,故B错误;
C、a、b线框穿过PQ过程,通过导体的电量分别为
可知a、b线框穿过PQ过程,通过导体的电量a线框比b线框多,故C错误;
D、线框穿过PQ过程产生的焦耳热Q=I2Rt
a、b线框刚进入磁场时的电流相等,a线框的电阻较大,且a线框在进入磁场时运行的时间更长,所以线框a穿过PQ过程产生的焦耳热较多,故D正确。
故选:AD。
二、必考非选择题。本题共4小题,共44分。
10.(4分)热敏电阻常用于温度控制或过热保护装置中。图为某种热敏电阻和金属热电阻的阻值R随温度t变化的示意图。由图可知,这种热敏电阻在温度上升时导电能力 增强 (选填“增强”或“减弱”);相对金属热电阻而言,热敏电阻对温度变化的影响更 敏感 (选填“敏感”或“不敏感”)。
【解答】解:图中横轴表示温度,纵轴表示电阻,随着温度的增加,金属热电阻的阻值略微增大,而热敏电阻的阻值显著减小。
所以这种热敏电阻在温度上升时导电能力增强;相对金属热电阻而言,热敏电阻对温度变化的影响更敏感。
故答案为:增强,敏感。
11.(10分)“验证动量守恒定律”的实验装置可采用图甲或图乙的方法,两个实验装置的区别在于:①悬挂重垂线的位置不同;②图甲中设计有一个支柱(通过调整,可使两球的球心在同一水平线上,上面的小球被碰撞离开后,支柱立即倒下),图乙中没有支柱,图甲中的入射小球A和被碰小球B做平抛运动的抛出点分别在通过O、O′点的竖直线上,重垂线只确定了O点的位置。(球A的质量为m1,球B的质量为m2)
(1)采用图甲的实验装置时,用20分度的游标卡尺测量小球的直径,如图丙,则读数为 16.20 mm。
(2)比较这两个实验装置,下列说法正确的是 ADE 。
A.采用图甲的实验装置时,需要测出两小球的直径
B.采用图乙的实验装置时,需要测出两小球的直径
C.采用图乙的实验装置时,斜槽轨道末端的切线要求水平,而采用图甲的实验装置时则不需要
D.为了减小误差,无论哪个图,都要求入射球每次都要从同一高度由静止滚下
E.为了减小误差,采用图乙的实验装置时,应使斜槽末端水平部分尽量光滑
(3)如采用图乙的实验装置做实验,在某次实验得出小球的落点情况如图丁所示。验证动量守恒定律的表达式是 。(用“m1、m2、、、”表示)
(4)用天平称得入射小球A的质量m1=16.8g,被碰小球B的质量m2=4.4g,若将小球质量与其对应水平位移的乘积作为“动量”,由图丙可知:,,则碰前总动量p=420.0(g•cm),碰后总动量p′= 417.6 (g•cm)(以上结果均保留4位有效数字)。根据上面的数据,你认为能得到的结论是: 在误差允许范围内,小球A与B在碰撞过程中系统动量守恒 。
【解答】解:(1)20分度游标卡尺的精确度为0.05mm,小球直径d=16mm+4×0.05mm=16.20mm
(2)A.采用图(甲)的实验装置时,为测出入射小球碰撞后的水平位移,需要测出两小球的直径,故A正确;
B.采用图(乙)的实验装置时,不需要测出两小球的直径,故B错误;
C.不论采用哪个图做实验,斜槽轨道末端的切线都要求水平,故C错误;
D.为了减小误差,无论哪个图,都要求入射小球每次都要从同一高度由静止滚下,故D正确;
E.采用图(乙)的实验装置时,碰撞后A要在水平面上继续运动一段距离后再做平抛运动,为减小实验误差,应使斜槽末端水平部分尽量光滑,故E正确。
故选:ADE。
(3)小球离开斜槽后做平抛运动,小球在空中的运动时间
小球下落的高度相同,小球在空中运动的时间相同;
小球离开斜槽后在水平方向做匀速直线运动,入射小球碰撞前的水平速度
碰撞后的水平速度
被碰小球碰撞后的水平速度
若两小球碰撞过程中动量守恒,应满足m1v0=m1v1+m2v2
代入数据化简得验证动量守恒定律的表达式
(4)由数据分析可知,碰后总动量
代入数据解得p′=417.6(g•cm)
由实验数据可得:在误差允许范围内,小球A与B在碰撞过程中系统动量守恒。
故答案为:(1)16.20;(2)ADE;(3);(4)417.6;在误差允许范围内,小球A与B在碰撞过程中系统动量守恒。
12.(12分)如图所示,质量m=1kg的小物块静止放置在固定水平台的最左端,质量2kg的小车左端紧靠平台静置在光滑水平地面上,平台、小车的长度l均为0.6m。现对小物块施加一水平向右的恒力F,使小物块开始运动,当小物块到达平台最右端时撤去恒力F,小物块刚好能够到达小车的右端。小物块大小不计,与平台间、小车间的动摩擦因数μ均为0.5,重力加速度g取10m/s2,水平面足够长,求:
(1)小物块离开平台时速度的大小;
(2)水平恒力F对小物块冲量的大小。
【解答】解:(1)设撤去水平外力时小车的速度大小为v0,小物块和小车的共同速度大小为v1。
从撤去恒力到小物块到达小车右端过程,小物块和小车系统动量守恒,以向右为正方向,
由动量守恒定律得:mv0=(m+M)v1,
由能量守恒定律得:,
联立以上两式并代入数据得:v0=3 m/s;
(2)设水平外力对小物块的冲量大小为I,小物块在平台上运动的时间为t。
小物块在平台上运动过程,对小物块,由动量定理得:I﹣μmgt=mv0,
由运动学公式得:l=t,
代入数据解得:I=5N•s;
答:(1)小物块离开平台时速度的大小为3m/s;
(2)水平恒力F对小物块冲量的大小为5N•s。
13.(18分)如图所示,两根完全相同的金属导轨平行固定,导轨间距L=2m,不计导轨电阻。导轨由三部分组成,MM'左侧部分光滑(MM'为倾斜部分水平末端),MG、M'G'在水平面内,GH、G′H′部分是四分之一光滑圆轨道,G'刚好在圆心O正上方,所有交接处平滑连接。HH'间串联R=0.2Ω的电阻,PP'GG'区域有磁感应强度大小B=0.2T,方向竖直向上的矩形匀强磁场。PP'、GG'间距x1=1.25m,M'G'、MG长度x=4.75m,两导体棒a、b质量均为m=1kg,电阻分别为Ra=0.2Ω,Rb=0.1Ω。a、b与金属导轨水平部分动摩擦因数μ=0.1。初始时刻b静止在MM'处,将a从距水平面高h=0.8m的导轨上水平静止释放,a沿导轨滑下后与b在MM'处发生弹性碰撞,b最终从GG'处以1m/s的速度水平飞出,运动过程中导体棒与导轨始终垂直并接触良好,重力加速度g=10m/s2。求:
(1)a、b碰后b杆的速度大小v1;
(2)b在水平轨道上运动过程中,电阻R上产生的焦耳热QR;
(3)b从MM'运动到GG'位置的时间t。
【解答】解:(1)对a棒在斜导轨下滑的过程,由动能定理得
a、b棒发生弹性碰撞,取向右为正方向,由动量守恒定律得
mv0=mva+mv1
由机械能守恒定律得
联立解得:v1=4m/s
(2)碰后b棒在滑动摩擦力作用下从MM'匀减速到PP',设b到达PP'的速度为v2,根据动能定理得
b棒在磁场内运动过程,由能量守恒定律得
b棒在磁场中运动时其等效电路图如图所示
a与电阻R并联后电阻为
a与电阻R上产生的总焦耳热为
电阻R上产生的总焦耳热为
联立解得:QR=0.6875J
(3)对b进入磁场前分析有
解得:t1=1s
对b在磁场内运动t2时间,设向右为正方向,由动量定理得
mv3﹣mv2=﹣ILB•t2﹣μmg•t2
根据电路特征有
ΔΦ=BLx2
解得:t2=1s
总时间为t=t1+t2=1s+1s=2s
答:(1)a、b碰后b杆的速度大小v1为4m/s;
(2)b在水平轨道上运动过程中,电阻R上产生的焦耳热QR为0.6875J;
(3)b从MM'运动到GG'位置的时间t为2s。
三、选考题(3—4)。本题共5小题,共30分。第15、16、17题每小题3分,给出的四个选项中只有一项符合题目要求。
14.(3分)2015年9月科学家探测到宇宙中距离我们13亿光年的两个黑洞合并而产生的引力波,填补了爱因斯坦广义相对论实验验证的最后一块“拼图”。关于相对论下列说法正确的是( )
A.经典时空观认为时间和空间是相互关联的
B.相对于观察者运动的时钟会变慢
C.在运动的参照系中测得的光速与其运动的速度有关
D.同一物体的长度不随观察者所处参考系的变换而改变
【解答】解:A、经典时空观认为时间和空间是独立于物体及其运动而存在的,故A错误。
B、根据钟慢效应,知相对论时空观认为运动的时钟会变慢,故B正确。
C、光速在任何参考系中都是不变的,故C错误;
D、根据狭义相对论的基本结论可知,长度的测量结果都随物体与观察者的相对状态而改变,故D错误。
故选:B。
15.(3分)如图是卢瑟福为解释α粒子散射实验而提出的情境。占金原子质量绝大部分的原子核集中在很小的空间范围,曲线表示α粒子的运动轨迹。下列说法正确的是( )
A.越接近原子核的α粒子发生散射时的偏转角越小
B.电子质量约为α粒子质量的,因此电子对α粒子速度的影响可以忽略
C.由该实验可以得出α粒子与金原子核一定带异种电荷
D.若实验中换用轻金属箔片,发生大角度偏转的α粒子将会增多
【解答】解:A、越接近原子核的α粒子发生散射时的偏转角越大,故A错误;
B、α粒子的质量比电子重量大得多,所以电子对α粒子速度的影响可以忽略,故B正确;
C、该实验现象可知α粒子与金原子核相互排斥,即带同种电荷,故C错误;
D、铂原子比金原子原子核小,则实验中换用轻金属箔片,发生大角度偏转的α粒子将会减少,故D错误;
故选:B。
16.(3分)完全失重时,液滴呈球形,气泡在液体中将不会上浮。2021年12月,在中国空间站“天宫课堂”的水球光学实验中,航天员向水球中注入空气形成了一个内含气泡的水球。如图所示,若气泡与水球同心,在过球心O的平面内,用单色平行光照射这一水球。下列说法正确的是( )
A.此单色光从空气进入水球,频率一定变大
B.此单色光从空气进入水球,频率一定变小
C.若光线1在M处发生全反射,光线2在N处一定发生全反射
D.若光线2在N处发生全反射,光线1在M处一定发生全反射
【解答】解:AB、光的频率是由光源决定的,与介质无关,频率不变,故AB错误。
CD、可看出光线1入射到水球的入射角小于光线2入射到水球的入射角,则光线1在水球外表面折射后的折射角小于光线2在水球外表面折射后的折射角,设水球半径为R、气泡半径为r、光线经过水球后的折射角为α、光线进入气泡的入射角为θ,根据几何关系有:=,可得出光线2的θ大于光线1的θ,故若光线1在M处发生全反射,光线2在N处一定发生全反射,故C正确,D错误。
故选:C。
17.(9分)在“用双缝干涉测光的波长”的实验中,实验装置如图所示。
(1)某同学以线状白炽灯为光源,对实验装置进行调节并观察了实验现象后,总结出以下几点,下列说法中正确的是 BC ;
A.干涉条纹与双缝垂直
B.单缝和双缝应相互平行放置
C.若取下滤光片,光屏上可观察到白光的干涉图样
D.想增加从目镜中观察到的条纹个数,可以将单缝向双缝靠近
(2)将测量头的分划板中心刻线与某亮纹中心对齐,将该亮纹定为第1条亮纹,此时手轮上螺旋测微器示数如图甲所示。然后同方向转动测量头,使分划板中心刻线与第6条亮纹中心对齐,记下此时图乙中手轮上的示数为 13.865 mm;
(3)已知双缝间距d为2.0×10﹣4m,测得双缝到屏的距离L为0.600m,求所测量光的波长为 7.70×10﹣7 m(结果保留三位有效数字)。
【解答】解:(1)A.干涉条纹与双缝平行,故A错误;
B.单缝和双缝应相互平行放置,故B正确;
C.若取下滤光片,光屏上可观察到白光的干涉图样,故C正确;
D.想增加从目镜中观察到的条纹个数,则条纹间距减小;根据条纹间距公式Δx=λ可知,可以将双缝的距离d增大,或将双缝到屏的距离L减小,或换用波长更小的光做该实验;单缝向双缝靠近,不会改变条纹间距,不会改变目镜中观察到的条纹个数,故D错误。
故选:BC。
(2)螺旋测微器的分度值为0.01mm,图乙中手轮上的示数为x2=13.5mm+36.5×0.01mm=13.865mm
(3)图甲所示螺旋测微器示数x1=2mm+32.0×0.01mm=2.320mm
条相邻纹间距Δx=mm=2.310mm=2.31×10﹣3m
由Δx=λ得,所测光的波长为λ=7.70×10﹣7m
故答案为:(1)BC;(2)13.865;(3)7.70×10﹣7
18.(12分)真空中某种材质制成的光学元件截面如图所示,右边是半径为R的四分之一圆,点C为圆心,左边是直角三角形ABC,∠BAC=30°,∠BCA=90°,现从CD延长线上点S发出一细光束,光束从E点进入元件后折射光线刚好平行于AD边,CE=SE,点E到AD距离为。光在真空中的速度为c,求:
(1)光学元件的折射率n;
(2)光线在AB边是否发生全反射;
(3)光线在光学元件内传播时间t(不考虑光的多次反射)。
【解答】解:(1)作出光路图如图所示
由几何知识得E点处入射角为i=60°折射角r为30°,由折射定律有
解得:
(2)由几何知识得光线在AB边的入射角为θ=60°
由于sinθ=
所以光线在AB边将发生全反射
(3)解:由几何知识知光线在AD边入射角为30°,所以光线将从AD边的G点射出EF=2Rcs30°
2FGcs30°=AF
解得:
由折射率与光传播速度的关系有
则时间:
联立解得:
答:(1)光学元件的折射率为;
(2)光线在AB边会发生全反射;
(3)光线在光学元件内传播时间为。
四川省绵阳南山中学2022-2023学年高二下学期综合演练(一)物理试卷(含答案): 这是一份四川省绵阳南山中学2022-2023学年高二下学期综合演练(一)物理试卷(含答案),共18页。试卷主要包含了单选题,多选题,填空题,实验题,计算题等内容,欢迎下载使用。
四川省绵阳南山中学2022-2023学年高二上学期1月期末物理试卷(含答案): 这是一份四川省绵阳南山中学2022-2023学年高二上学期1月期末物理试卷(含答案),共21页。试卷主要包含了单选题,多选题,计算题,实验题等内容,欢迎下载使用。
四川省绵阳中学2022-2023学年高二上学期期末模拟考试(一)物理试卷(含答案): 这是一份四川省绵阳中学2022-2023学年高二上学期期末模拟考试(一)物理试卷(含答案),共21页。试卷主要包含了单选题,多选题,实验题,计算题等内容,欢迎下载使用。

