2024年天津市武清区多校联考中考三模考试物理试题(无答案)
展开化学和物理合场考试,合计用时120分钟。
本试卷分为第I卷(选择题)、第II卷(非选择题)两部分.第I卷为第1页至第4页,第II卷为第5页至第10页。试卷满分100分。
答题时,务必将答案涂写在“答题卡”上,答案答在试卷上无效。考试结束后,将本试卷和“答题卡”一并交回。
祝你考试顺利!
第I卷
注意事项:
1.每题选出答案后,用2B铅笔把“答题卡”上对应题目的答案标号的信息点涂黑。如需改动,用橡皮擦干净后,再选涂其他答案标号的信息点。
2.本卷共两大题,共39分。
一、单项选择题(本大题共10小题,每小题3分,共30分.每小题给出的四个选项中,只有一项最符合题意)
1.如图所示,拨动钢尺,听它振动发出的声音.改变钢尺伸出桌面的长度,用同样大小的力再次拨动钢尺,这是为了改变声音的( )
A.音调B.响度C.音色D.振幅
2.第19届亚运会于杭州举行,是中国第三次举办亚洲最高规格的国际综合性体育赛事.如图所示是火炬传递活动时的场景,则下面各项估测中合理的是( )
①火炬的长度约为80mm
②火炬的长度约为80cm
③火炬的质量约为1000g
④火炬的质量约为10kg
A.①③B.②③C.①④D.②④
3.五大道在天津市中心城区,是天津乃至全中国保留最为完整的洋楼建筑群.如图所示是小明同学看到的景色,其中由于光的反射形成的是( )
A.体育馆的水中倒影B.路灯的影子
C.雨后彩虹D.树荫下的圆形光斑
4.在干燥的天气里用气球和头发摩擦时,发现头发会被气球吸引.关于这种现象,下列说法正确的是( )
A.气球与头发带有同种电荷,相互吸引
B.气球与头发带有异种电荷,相互排斥
C.摩擦起电是创造了新的电荷
D.摩擦起电电荷发生了转移
5.如图所示的实例中,能利用大气压强解释的是( )
A.轨道铺在枕木上B.锅炉水位计显示水位
C.用吸管吸饮料D.自制喷雾器喷雾
6.小明在课后实践活动中,利用钢球完成了如图所示的实验(不计空气阻力和摩擦力),对下列实验内容进行分析,其中钢球的动能转化为重力势能的是( )
A.钢片被弹飞后的钢球B.斜面上向下滚动的钢球
C.在空中下落的钢球D.钢球由B点运动到C点
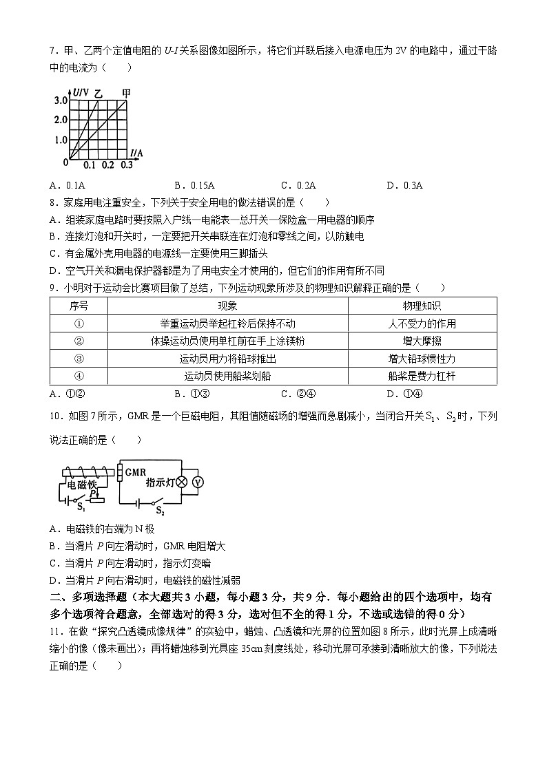
7.甲、乙两个定值电阻的U-I关系图像如图所示,将它们并联后接入电源电压为2V的电路中,通过干路中的电流为( )
A.0.1AB.0.15AC.0.2AD.0.3A
8.家庭用电注重安全,下列关于安全用电的做法错误的是( )
A.组装家庭电路时要按照入户线—电能表—总开关—保险盒—用电器的顺序
B.连接灯泡和开关时,一定要把开关串联连在灯泡和零线之间,以防触电
C.有金属外壳用电器的电源线一定要使用三脚插头
D.空气开关和漏电保护器都是为了用电安全才使用的,但它们的作用有所不同
9.小明对于运动会比赛项目做了总结,下列运动现象所涉及的物理知识解释正确的是( )
A.①②B.①③C.②④D.①④
10.如图7所示,GMR是一个巨磁电阻,其阻值随磁场的增强而急剧减小,当闭合开关、时,下列说法正确的是( )
A.电磁铁的右端为N极
B.当滑片P向左滑动时,GMR电阻增大
C.当滑片P向左滑动时,指示灯变暗
D.当滑片P向右滑动时,电磁铁的磁性减弱
二、多项选择题(本大题共3小题,每小题3分,共9分.每小题给出的四个选项中,均有多个选项符合题意,全部选对的得3分,选对但不全的得1分,不选或选错的得0分)
11.在做“探究凸透镜成像规律”的实验中,蜡烛、凸透镜和光屏的位置如图8所示,此时光屏上成清晰缩小的像(像未画出);再将蜡烛移到光具座35cm刻度线处,移动光屏可承接到清晰放大的像,下列说法正确的是( )
A.第一次成像原理可制成照相机
B.第二次成像原理可制成照相机
C.将蜡烛移到光具座45cm刻度线处,保持凸透镜不动,移动光屏,光屏上可成清晰放大的烛焰像
D.将光屏移到光具座80cm刻度线处,保持凸透镜不动,移动蜡烛,光屏上可成清晰放大的烛焰像
12.小明看到课本上“通过被压入水中的空饮料罐感受浮力”后,也想自己体验,于是进行了如图9所示的操作,在水平桌面上有一底面积为的圆柱形容器,接着将一个体积为的物块(不吸水)放入容器中,物块漂浮在水面上(如图甲),物块浸入水中的体积为,水的密度为;用力缓慢向下压物块使其恰好浸没在水中(水未溢出),如图乙,则下列说法正确的是( )
A.甲图物块受到的浮力为
B.物块的密度为
C.乙图中压力F为
D.甲到乙的过程中水对容器底压强的变化量为
13.实验室提供电源(电压不变且未知)、已知阻值的定值电阻、滑动变阻器、若干开关和导线,只利用电流表或电压表作为测量工具,设计测量小灯泡额定功率(已知小灯泡的额定电压为)的电路图,如图所示,在不拆改电路的情况下可以测出小灯泡的额定功率的方案是( )
A.B.C.D.
第II卷
注意事项:
1.用黑色字迹的签字笔将答案写在“答题卡”上(作图可用2B铅笔)。
2.本卷共两大题,共61分。
三、填空题(本大题共6小题,每小题4分,共24分)
14.截至2024年初,天津轨道交通已经开通运营的地铁共有9条线路,7号线预计在年底开通.当地铁进站时,坐在车厢内的乘客相对于车厢是__________的.站台等车的乘客站在安全线以外,这是因为行驶中的地铁与站台等车乘客之间的压强__________乘客身后的大气压强,容易发生危险.
15.如图11所示是坐在船中的人用手向前推另一只船时,自己坐的船同时后退,说明物体间力的作用是__________.图12是建筑工人在砌砖时,常常利用悬挂重物的细线来检查所砌的墙壁是否竖直,所依据的物理知识为重力方向始终是__________的.
16.罾(zeng)蹦鲤鱼是天津的一道传统名肴,将鱼炸好后浇汁,香味四溢,热气蒸腾.炸鱼主要是通过热传递的方式来增大鱼的__________(选填“内能”或“机械能”);蒸腾的“热气”是水蒸气__________(填物态变化名称)形成的小水滴.
17.一只电热水壶的铭牌上标着“220V1100W”的字样,它正常工作时的电流是__________A;当实际电压只有额定电压的90%时,若电热水壶的电阻保持不变,此时电热水壶的实际功率是__________W.
18.项目建设中,工人运送一个重100N的物体,用一个动滑轮提起它时,所用拉力为60N,5s内物体上升4m.此过程中,拉力做的有用功为__________J,拉力做功的功率为__________W.(不计摩擦及绳子自重)
19.2024年3月1日起,我国酒驾最新检验标准实施.检验时,酒精测试仪(装有酒精气敏电阻R)的检测电路如图所示,气敏电阻的阻值会随着气体浓度的增大而减小.当闭合开关S后,通过气敏电阻R的电流__________(选填“大于”“等于”或“小于”)通过定值电阻的电流,当驾驶员呼出的酒精气体浓度变大,电压表的示数会__________(选填“变大”“不变”或“变小”).
四、综合题(本大题共6小题,共37分.解题中要求有必要的分析和说明,计算题还要有公式及数据代入过程,结果要有数值和单位)
20.(7分)某校新购进一批电热水壶,其正常工作时的电功率是1100W,电热水壶的效率为70%,已知,用此电热水壶正常加热2kg的水1min时,求:
(1)电热水壶消耗的电能;
(2)水升高的温度.
21.(6分)天津市道路交通安全规定:骑乘电动自行车应佩戴安全头盔,限载一名12岁以下儿童,禁止超速行驶.实验小组联想到骑乘造成的危险伤害可能与电动自行车的动能有关,于是用钢球模拟电动自行车,探究电动自行车的动能跟哪些因素有关.实验小组提出了以下猜想:
猜想1:由“限载”猜想电动自行车的动能大小与质量有关
猜想2:由“禁止超速”猜想电动自行车的动能大小与速度有关
为了验证上述猜想,老师提供了如下器材:斜槽、刻度尺、两个钢球A、B()、木块和长木板.
(1)实验小组做了如图14所示的三次实验:让钢球从斜槽的某一高度由静止开始滚下,碰到水平面上的木块,实验中通过比较木块被撞击后滑行的距离来反映__________.(选填序号)
①钢球撞击木块后的动能②钢球撞击木块前的动能③木块被撞击后的动能
(2)请你在方框内设计一个记录实验数据的表格.
(3)实验结束后,为了使甲、乙得出的实验结论更具有普遍性,实验小组多次更换不同质量的钢球重复实验,其中一次钢球将木块撞出了木板,可能的原因是:__________.(选填序号)
①钢球与木板之间的摩擦变大了②更换的钢球质量太大了
(4)若利用如图所示的器材做“探究阻力对物体运动的影响”的实验,需要增加的器材是__________.(选填序号)
①倾斜程度不同的斜面②粗糙程度不同的长木板③质量不同的钢球
22.(6分)如图15所示,电源电压保持不变,定值电阻,,当闭合开关,断开,时,通过的电流为;当闭合开关、,断开时,通过的电流为.请回答下列问题:
(1)画出闭合开关,,断开时的等效电路图;
(2)计算电流.
23.(6分)小明想测量标有“2.5V”字样的小灯泡的电阻,如图所示,请解答下列问题:
(1)请用笔画线代替导线,将图中的实物电路连接完整.
(2)连好电路后,闭合开关前,滑动变阻器的滑片应处于最__________(选填“左”或“右”)端.
(3)闭合开关后,发现电流表、电压表均有示数,但小灯泡不亮,原因可能是__________.(选填字母)
A.小灯泡断路B.小灯泡短路
C.滑动变阻器断路D.滑动变阻器接入电路的阻值过大
(4)解决问题后,多次调节滑动变阻器的滑片,测得的实验数据如下表所示:
在分析实验数据时,发现一个数据有明显的错误,若此错误是看错电表量程导致的,则该数据的正确值应是__________.
(5)根据实验数据可知,小灯泡正常发光时的电阻是__________.(保留一位小数)
24.(6分)小明发现家中的珍珠手链能沉在水底,于是他想测量珍珠的密度.从家里找到的器材有:小型电子天平(量程为0~2kg,分度值为0.2g)、弹簧测力计(量程为0~5N,分度值为0.1N)、足量的水(含取水工具,水的密度为),烧杯、细线,一个质量约为15g的用细线将几颗珍珠串起来的手链(细线的质量与体积可忽略不计).请你选取合适的器材,帮他设计一个较精确测量珍珠密度的实验.要求:
(1)写出主要的实验步骤及所需测量的物理量;
(2)写出珍珠密度的数学表达式(用已知量和测量量表示).
25.(6分)小明想利用学习的物理知识解决全家人夏季淋浴问题,他利用一个圆柱形钢桶、一个拉力传感器、一个圆柱体物体和细线制作了一个太阳能淋浴器储水箱.初步设计如图甲所示,其中圆柱体通过细线与拉力传感器相连,当圆柱体下端刚好离开水面时,此时钢桶内水的总体积为,拉力传感器的示数为,拉力传感器中的开关闭合,通过水泵从进水口向桶内注水.当拉力传感器的拉力等于时(圆柱体未浸没),拉力传感器中的开关断开停止注水.拉力传感器的拉力F和水对钢桶底部压强p关系如图乙所示.已知:钢桶的底面积,圆柱体底面积,水的密度.请你帮助小明在其初步设计的基础上,求:(计算储水量时细绳质量与体积忽略不计)
(1)当圆柱体下端刚好离开水面时,画出圆柱体的受力示意图.
(2)分析拉力F和压强p的关系图像,推导出2个括号中的坐标点.
(3)当水泵向钢桶内注水过程中,推导出拉力传感器的拉力F和钢桶内水的总体积V的关系式.
序号
现象
物理知识
①
举重运动员举起杠铃后保持不动
人不受力的作用
②
体操运动员使用单杠前在手上涂镁粉
增大摩擦
③
运动员用力将铅球推出
增大铅球惯性力
④
运动员使用船桨划船
船桨是费力杠杆
实验次序
第1次
第2次
第3次
第4次
电压/V
1
1.5
2
2.5
电流/A
0.14
1
0.26
0.3
电阻/
2024年辽宁省抚顺市清原县多校联考中考三模考试物理试题(无答案): 这是一份2024年辽宁省抚顺市清原县多校联考中考三模考试物理试题(无答案),共9页。试卷主要包含了选择题,填空题,作图题,实验题,综合应用题等内容,欢迎下载使用。
2024年天津市武清区多校联考中考三模考试物理试题: 这是一份2024年天津市武清区多校联考中考三模考试物理试题,共10页。
2024年陕西省白水县多校联考中考三模考试物理试题: 这是一份2024年陕西省白水县多校联考中考三模考试物理试题,共6页。

