四川省德阳市什邡市什邡中学2023-2024学年高二下学期4月月考物理试题(学生版+教师版)
展开一、单项选择题(本题共8小题;每小题3分,共24分)
1. 下列有关物理问题的描述正确的是( )
A. 电场中某点的电场强度的方向就是电荷在该点受到的电场力方向
B. 磁场中某点磁感应强度的方向就是正电荷在该点受到的磁场力方向
C. 感应电流具有这样的方向,即感应电流的磁场总是要阻碍引起感应电流的磁通量的变化
D. 日光灯正常工作时,镇流器的作用是产生瞬时高压
2. 如图所示,上下开口、内壁光滑的铜管P和塑料管Q竖直放置,小磁块先后在两管中从相同高度处由静止释放,并落至底部,则小磁块( )
A. 在P和Q中都做自由落体运动
B. 在两个下落过程中机械能都守恒
C. 在P中的下落时间比在Q中的长
D. 落至底部时在P中的速度比在Q中的大
3. 两只相同的电阻,分别通过正弦波形的交流电和方波形的交流电.两种交变电流的最大值相等,波形如图甲、乙所示。在一个周期内,两电阻产生的热量之比等于( )
A. B. C. D.
4. 如图所示,电阻R1=10,电动机绕线电阻R2=1,加在电路两端的电压为100V;当开关S合上后,电动机正常工作,此时电流表的示数I=30A,设电路两端的电压不变,电动机的输出功率P为( )
A. 3000WB. 2000W
C. 1600WD. 400W
5. 如图所示,交流发电机线圈电阻,用电器电阻,闭合开关,电压表示数为9V,则该交流发电机( )
A. 产生的感应电动势的峰值为
B. 产生的感应电动势的有效值为
C. 线圈通过中性面时产生的感应电动势的瞬时值为
D. 线圈自中性面转过90°的过程中平均感应电动势为
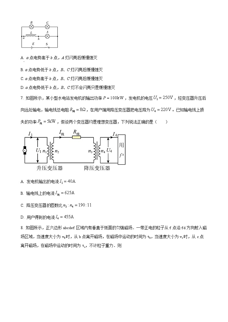
6. 如图所示电路中,A、B、C为完全相同的三个灯泡,L是一直流电阻不可忽略的电感线圈。a、b为线圈L的左右两端点,原来开关S是闭合的,三个灯泡亮度相同。将开关S断开后,下列说法正确的是( )
A a点电势高于b点,A灯闪亮后缓慢熄灭
B. a点电势低于b点,B、C灯闪亮后缓慢熄灭
C. a点电势高于b点,B、C灯闪亮后缓慢熄灭
D. a点电势低于b点,B、C灯不会闪亮只是缓慢熄灭
7. 如图所示,某小型水电站发电机的输出功率,发电机的电压,经变压器升压后向远处输电,输电线总电阻,在用户端用降压变压器把电压降为。已知输电线上损失的功率,假设两个变压器均是理想变压器,下列说法正确的是( )
A. 发电机输出的电流
B. 输电线上的电流
C. 降压变压器匝数比
D. 用户得到的电流
8. 如图所示,正六边形abcdef区域内有垂直于纸面的匀强磁场.一带正电的粒子从f点沿fd方向射入磁场区域,当速度大小为vb时,从b点离开磁场,在磁场中运动的时间为tb,当速度大小为vc时,从c点离开磁场,在磁场中运动的时间为tc,不计粒子重力.则
A. vb:vc=1:2,tb:tc=2:1B. vb:vc=2:2,tb:tc=1:2
C. vb:vc=2:1,tb:tc=2:1D. vb:vc=1:2,tb:tc=1:2
二、多项选择题(本题共5小题,每小题4分,共20分。每小题有多个选项符合题目要求,全部选对得2分,选对但不全的得2分,有选错的得0分)
9. 如图所示,水平绝缘桌面上有两平行导轨与一电源及导体棒MN构成闭合回路,已知两导轨间距为L,质量为m的导体棒MN与两导轨垂直,通过导体棒的电流为I,匀强磁场的磁感应强度大小为B,方向与水平面成角斜向上,导体棒MN静止,重力加速度大小为g,则导体棒MN受到的( )
A. 摩擦力大小为B. 摩擦力大小为
C. 支持力大小为D. 支持力大小为
10. 如图所示,竖直平面内存在垂直纸面向里间距为d的匀强磁场,磁感应强度大小为B。一质量为m、电阻为R、边长为d的单匝正方形金属框从磁场上方某处自由落下,恰好能匀速穿过磁场区域,已知金属框平面在下落过程中始终与磁场方向垂直,且金属框上、下边始终与磁场边界平行,不考虑金属框的形变,不计空气阻力,重力加速度大小为g,则金属框穿过磁场的过程中,下列说法正确的是( )
A. 金属框中电流的方向为先顺时针方向后逆时针方向
B. 金属框所受安培力的方向先向上后向下
C. 金属框穿过磁场所用时间为
D. 金属框克服受安培力所做的功为
11. 如图所示,MDN为绝缘材料制成的固定的竖直光滑半圆形轨道,半径为R,直径MN水平,整个空间存在方向垂直纸面向外的匀强磁场,磁感应强度为B,一带电荷量为-q,质量为m的小球自M点无初速度下滑且始终沿轨道运动,则下列说法中正确的是( )
A. 小球由M点滑到最低点D时所用时间与磁场无关
B. 小球滑到D点时,对轨道的压力一定大于mg
C. 小球滑到D点时,速度大小v=
D. 小球滑到轨道右侧时,不能到达轨道最高点N
12. 如图所示,在等势面沿竖直方向的匀强电场中,一带负电的微粒以一定初速度射入电场,并沿直线AB运动,由此可知( )
A. 电场中A点的电势高于B点的电势
B. 微粒在A点时的动能大于在B点时的动能,在A点时的电势能小于在B点时的电势能
C. 微粒在A点时的动能小于在B点时的动能,在A点时的电势能大于在B点时的电势能
D. 微粒在A点时的动能与电势能之和等于在B点时的动能与电势能之和
13. 在光滑水平桌面上一正方形金属线框位于有界匀强磁场区域内,线框平面与磁场垂直,线框右边紧贴着磁场边界,如上图甲所示。t=0时刻对线框施加一水平向右的外力,让线框从静止开始做匀加速直线运动穿过磁场,外力F随时间t变化的图像如图乙所示。已知线框质量m=1kg、电阻R=1,以下说法正确的是( )
A. 线框做匀加速直线运动的加速度为1m/s2
B. 匀强磁场的磁感应强度为2T
C. 线框穿过磁场的过程中,通过线框的电荷量为C
D. 线框边长为1m
二、实验题(本题共2小题,共15分)
14. 如图所示是某实验小组在“研究感应电流方向与磁通量变化的关系”实验中的部分操作示意图,图甲是电流通过灵敏检流计G时指针的偏转情况.
(1)图甲电路中,串联定值电阻R的主要目的是____.
A.减小路端电压,保护电源
B.增大电源的内电压,保护电源
C.减小电路中的电流,保护灵敏检流计
D.增大电路中的电流,便于观察灵敏检流计的示数
(2)如图乙,当磁铁向上抽出线圈时,检流计G中指针将______________(填“左”、“右”或“不”)偏;如图丙,根据检流计G中指针偏转方向,可知此时条形磁铁的运动是______________填“插入”或“抽出”)线圈.
15. 某同学用如图所示的电路测量两节干电池串联而成的电池组的电动势E和内电阻r,R为电阻箱。实验室提供的器材如下:电压表(量程0~3V,内阻约3k),电阻箱(限值范围0~999.9);开关、导线若干。
(1)根据图中的电路图,将器材连接成实验电路_______;
(2)实验时,改变电阻箱R的值,记录下电压表的示数U,得到若干组R、U的数据;
(3)根据实验数据绘出如图所示的图线,由图象得出电池组的电动势E=______V,内电阻r=______。(结果保留二位有效数字)
(4)关于这个实验中存在的误差以及减小误差的各种方法,下列说法不正确的是_______
A.电压表的分流作用引起的误差属于系统误差
B.同学读电压表读数引起的误差属于系统误差
C.本实验用图象法处理数据可以减小偶然误差
D.如果将电压表的内阻计算在内就可以减小系统误差
三、计算题(共41分。解答时应写出必要的文字说明、公式、方程式和重要的演算步骤,只写出结果的不得分,有数值计算的题,答案中必须写出明确的数值和单位)
16. 如图所示,水平放置的平行金属导轨MN和PQ,相距l=0.50m,导轨左端接一电阻R=0.20,磁感应强度B=0.40T的匀强磁场方向垂直于导轨平面,导体棒ac垂直导轨放在导轨上,并能无摩擦地沿导轨滑动,导轨和导体棒的电阻均可忽略不计.当ac棒以v=4.0m/s的速度水平向右匀速滑动时,求:
(1)回路中感应电流的大小和方向;
(2)维持ac棒做匀速运动的水平外力F的大小和外力F的功率。
17. 如图所示,倾角=60°的倾斜平行直轨道与竖直面内的平行圆形轨道平滑对接,轨道之间距离为L,圆形轨道的半径为r。在倾斜平行轨道上方部分区域有磁感应强度为B的垂直于轨道平面的匀强磁场,圆形轨道末端接有一阻值为R的电阻。质量为m的金属棒从距轨道最低点C高度为H处静止释放,经一段时间离开磁场,离开磁场前金属棒已经作匀速运动,运动到最低点C时的速度大小vC=(此处已无磁场),金属棒及轨道电阻不计,摩擦不计,求:
(1)金属棒下滑过程中电阻R上产生的热量Q及金属棒中产生感应电动势的最大值Em;
(2)通过计算判定金属棒能否通过圆形轨道的最高点D。
18. 如图所示,倾角的光滑绝缘斜面与光滑绝缘圆弧轨道相切于点,、点分别为圆弧最低点和最高点,圆弧半径,点右侧区域存在水平向左的匀强电场,电场强度。一质量为,带电量为的小球从斜面上点静止释放,距离。小球视为质点,不计空气阻力,重力加速度,,,求:
(1)小球运动至点时轨道对它支持力大小;
(2)重新以某一速度从点释放小球,要使其能沿轨道运动至点,求最小初速度。
19. 如图所示,在xOy坐标平面的第一象限内有一沿y轴负方向的匀强电场,在第四象限内有一垂直于平面向里的匀强磁场。现有一粒子源处在坐标为的M点能以垂直与电场方向不断发射质量为m、电量为+q、速度为v0的粒子(重力不计),粒子从N点(图中未画出)进入磁场后最后又从x轴上坐标为处的P点射入电场,其入射方向与x轴成45°角。求:
(1)粒子到达P点时的速度v的大小;
(2)匀强电场的电场强度E和N点的横坐标x;
(3)粒子从N点运动到P点的时间。
北京市第十九中学2023-2024学年高二下学期5月月考物理试题(学生版+教师版): 这是一份北京市第十九中学2023-2024学年高二下学期5月月考物理试题(学生版+教师版),文件包含北京市第十九中学2023-2024学年高二下学期5月月考物理试题教师版docx、北京市第十九中学2023-2024学年高二下学期5月月考物理试题学生版docx等2份试卷配套教学资源,其中试卷共25页, 欢迎下载使用。
河北正中实验中学2023-2024学年高二下学期第二次月考物理试题(学生版+教师版): 这是一份河北正中实验中学2023-2024学年高二下学期第二次月考物理试题(学生版+教师版),文件包含河北正中实验中学2023-2024学年高二下学期第二次月考物理试题教师版docx、河北正中实验中学2023-2024学年高二下学期第二次月考物理试题学生版docx等2份试卷配套教学资源,其中试卷共23页, 欢迎下载使用。
四川省什邡中学2023-2024学年高二下学期5月期中物理试题: 这是一份四川省什邡中学2023-2024学年高二下学期5月期中物理试题,共10页。试卷主要包含了1 m,竖直边长H=0, 答案 25匝 0等内容,欢迎下载使用。

