辽宁省沈阳市第二中学2023-2024学年高二下学期期中测试化学试题(无答案)
展开说明:
1.测试时间:75分钟总分:100分
2.客观题涂在答题纸上,主观题答在答题纸上的相应位置上
相对原子质量:H-1C-12N-14O-16
第Ⅰ卷客观题(共45分)
一、选择题(每题3分,共45分。每题只有一个正确选项)。
1.科学家最近合成了一种烃,根据分析,绘制出了该烃分子的球棍模型(如图),关于该烃的下列说法正确的是( )
A.分子中所有碳原子处于同一平面B.该烃分子中含有极性键,故易溶于水
C.该烃的一卤代物只有一种结构D.分子中只有C-C单键,没有C=C双键
2.橡胶是一种重要的战略物资,一般分为天然橡胶和合成橡胶两类。丁苯橡胶是合成橡胶的一种,其结构简式为。下列说法正确的是( )
A.它的单体是
B.丁苯橡胶是由和通过缩聚反应制得的
C.装液溴或溴水的试剂瓶可用丁苯橡胶作瓶塞
D.丁苯橡胶会老化
3.下列有机物名称正确的是( )
①2-乙基戊烷②1,2-二氯丁烷③2,2-二甲基-4-己醇④丙三醛⑤二溴乙烷⑥1-甲基丙醇⑦2-甲基-3-戊炔⑧2-甲基-1,3-丁二烯
A.①③④⑤B.②④⑤⑦C.②⑧D.⑥⑦⑧
4.以下实验:①为检验RX是碘代烷,将RX与NaOH水溶液混合后共热,冷却后加入溶液;②实验室里用无水乙醇和浓硫酸共热至140℃制乙烯;③将乙醇与乙酸混合后头热,制取乙酸乙酯;④在试管中加入2mL 10%的溶液,滴入2%的NaOH溶液4~6滴,振荡后加入乙醛溶液0.5mL,加热至沸腾来检验醛基;⑤用苯和溴水在Fe催化下可制得溴苯。其中可能失败的实验是( )
A.①②③④⑤B.①④⑤C.③④⑤D.③⑤
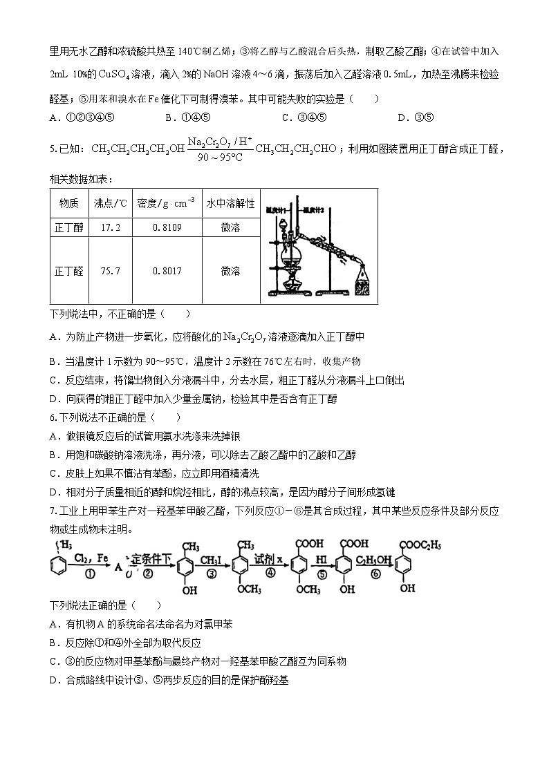
5.已知:;利用如图装置用正丁醇合成正丁醛,相关数据如表:
下列说法中,不正确的是( )
A.为防止产物进一步氧化,应将酸化的溶液逐滴加入正丁醇中
B.当温度计1示数为90~95℃,温度计2示数在76℃左右时,收集产物
C.反应结束,将馏出物倒入分液漏斗中,分去水层,粗正丁醛从分液漏斗上口倒出
D.向获得的粗正丁醛中加入少量金属钠,检验其中是否含有正丁醇
6.下列说法不正确的是( )
A.做银镜反应后的试管用氨水洗涤来洗掉银
B.用饱和碳酸钠溶液洗涤,再分液,可以除去乙酸乙酯中的乙酸和乙醇
C.皮肤上如果不慎沾有苯酚,应立即用酒精清洗
D.相对分子质量相近的醇和烷烃相比,醇的沸点较高,是因为醇分子间形成氢键
7.工业上用甲苯生产对—羟基苯甲酸乙酯,下列反应①-⑥是其合成过程,其中某些反应条件及部分反应物或生成物未注明。
下列说法正确的是( )
A.有机物A的系统命名法命名为对氯甲苯
B.反应除①和④外全部为取代反应
C.③的反应物对甲基苯酚与最终产物对—羟基苯甲酸乙酯互为同系物
D.合成路线中设计③、⑤两步反应的目的是保护酚羟基
8.硝基苯是一种重要的有机合成中间体,实验室可用如下反应制备:。已知该反应在温度稍高的情况下会生成间二硝基苯。有关信息如表:
下列说法不正确的是( )
A.制备硝基苯的反应为取代反应
B.采用蒸馏的方法可将硝基苯从反应所得产物中首先分离出来
C.该反应温度控制在50~60℃的原因是减少反应物的挥发和副产物的生成
D.采用加入NaOH溶液、水洗涤以及分液的方法可除去粗硝基苯中混有的无机杂质
9.工业上由乙苯生产苯乙烯:,下列有关说法正确的是( )
A.乙苯和苯乙烯均能发生取代反应、加聚反应和氧化反应
B.用溴水可以区分苯乙烯和乙苯
C.1ml苯乙烯最多可与4ml氢气加成,加成产物的一氯代物共有5种(不含立体异构)
D.乙苯和苯乙烯分子中共平面的碳原子数最多部为7
10.如图所示,有机物M可以转化为N,其中M是一种抗氧化剂,N是一种常见的氨基酸,下列有关说法中不正确的是( )
A.该转化反应类型为加成反应,加成产物中还可能含有属于N的同分异构体的副产品
B.M和N都可以发生聚合反应,产生有机高分子
C.M转化成N时,温度越高越好
D.M具有抗氧化性,可能与其含有碳碳双键的官能团有关
11.环己醇()常用来制取增塑剂和作为工业溶剂。下列说法正确的是( )
A.与环己醇互为同分异构体,且含有醛基的结构有8种
B.标准状况下,1ml环己醇与足量Na反应生成22.4L
C.环己醇的一氯代物有3种(不含立体异构)
D.环己醇中至少有12个原子共面
12.在浓碱作用下,苯甲醛自身可发生反应制备相应的苯甲酸(在碱溶液中生成羧酸盐)和苯甲醇,反应后静置,液体出现分层现象,有关物质的物理性质如表:
下列说法不正确的是( )
A.苯甲醛既发生了氧化反应,又发生了还原反应
B.可用银氨溶液判断反应是否完全
C.反应后的溶液中加酸酸化后,用过滤法分离出苯甲酸
D.反应后的溶液先用分液法分离出有机层,再用蒸馏法分离出苯甲醇
13.有下列几种反应类型:①消去、②取代、③氧化、④加成、⑥还原、⑥水解,用丙醛制取1,2-丙二醇(),按合理的合成路线依次发生反应的所属类型不可能是( )
A.⑤①④⑥B.④①④②C.⑤①④②D.⑤③⑥①
14.下列说法不正确的是(均不考虑立体异构)( )
A.戊醇的结构有8种,则乙二酸与这些戊醇发生完全酯化得到的酯的结构最多是64种
B.某烃的相对分子质量为86,如果分子中含有3个、2个和1个,则符合该结构的烃的一氯取代物一共有9种
C.组成和结构可用表示的有机物共有18种
D.分子式为的物质,能使溴的溶液褪色且只有一个含氧官能团的物质最多有8种
15.下列有机合成路线中先后顺序正确的是( )
A.已知:①易被氧化;②,则由甲苯制取对氨基苯甲酸的合成路线:
B.已知:,则由的合成路线:
C.若已知:,现由正丙醇合成丙三醇()的合成路线:
D.由来合成的合成路线:
第Ⅱ卷主观题(共55分)
二、填空题(本题4个小题,共55分)
16.(14分)
扑热息痛是最常用的非抗炎解热镇痛药,对胃无刺激,副作用小。对扑热息痛分子进行结构表征,测得的相关数据和谱图如图。回答下列问题:
Ⅰ.确定分子式
(1)测定实验式:将15.1g样品在足量纯氧中充分燃烧,并使其产物依次缓缓通过浓硫酸、碱石灰,发现两者分别增重8.1g和35.2g,再将等量的样品通入二氧化碳气流中,在氧化铜/铜的作用下氧化有机物中氮元素,测定生成氮气的体积为1.12L(已换算成标准状况)。该有机物是否含有氧元素 。(填“是”或“否”)。
(2)确定分子式:测得目标化合物的质谱图如图1所示,其分子式为 。
图1质谱图
Ⅱ.推导结构式
(3)用化学方法推断样品分子中的官能团。
①加入溶液,无明显变化;
②加入 (试剂)后显色,证明分子中含有酚羟基;
③水解反应后可以得到一种产物(可以在厨房找到其溶液)
(4)波谱分析
①测得目标化合物的红外光谱图可知该有机物分子种存在:、—OH、、等基团
②测得目标化合物的核磁共振氢谱图如图2所示:
图2核磁共振氢谱图
由图可知,该有机化合物分子含有 种不同化学环境的H原子,其峰面积之比为 。
(5)综上所述,扑热息痛的结构简式为 。
(6)写出扑热息痛与NaOH反应的化学方程式 。
17.(14分)
某化学兴趣小组设计图甲装置制备苯甲酸异丙酯,其反应原理如下:
物质的性质数据如下表所示:
实验步骤:
步骤ⅰ.在图甲干燥的仪器a中加入24.4g苯甲酸、20mL异丙醇和10mL浓硫酸,再加入几粒沸石;
步骤ⅱ.加热至70℃左右保持恒温半小时;
步骤ⅲ.将图甲的仪器a中的液体混合物进行如下操作得到粗产品:
步骤ⅳ.将粗产品用图乙所示装置进行精制。
回答下列问题:
(1)图甲中仪器a的名称为 ,步骤ⅰ中选择的仪器a的容积大小为 (填标号)。
A.50mLB.100mLC.250mLD.500mL
(2)实验中,加入的异丙醇需过量,其目的是 。
(3)本实验一般可采用的加热方式为 。
(4)操作Ⅰ中饱和碳酸钠溶液洗涤的目的是 ,操作Ⅱ中加入无水硫酸镁的作用为 。
(5)步骤ⅳ操作时应收集218℃的馏分,如果温度计水银球位置偏上,则收集的精制产品中可能混有的杂质为 (填物质名称)。
(6)如果得到的苯甲酸异丙酯的质量为27.88g,那么该实验的产率为 。
18.(13分)
根据以下转化关系(生成物中所有无机物均已略去)回答下列问题:
(1)D的结构简式为 ;F的名称是 ;在①~⑥的反应中,属于取代反应的是 (填编号)。
(2)写出H→I的化学方程式为 ;D→E反应能发生是因为 (填字母序号)。
a.苯环受侧链影响易被氧化
b.侧链受苯环影响易被氧化
c.由于苯环和侧链的相互影响均易被氧化
(3)写出同时满足下列要求的G同分异构体的结构简式为 。
①属于芳香族化合物
②核磁共振氢谱有4组峰
(4)写出⑤的化学方程式为 。
19.(14分)
化合物I是一种高活性杀螨剂,通过抑制螨的脂肪合成从而阻断其能量代谢来发挥作用。以下为其合成路线之一。
回答下列问题:
(1)A中官能团名称是 。
(2)B的分子式为 。
(3)C的结构简式为 。
(4)E→F的反应类型为 。
(5)F→G的化学方程式为 。
(6)在B的同分异构体中,同时满足下列条件的共有 种(不考虑立体异构)。
①含有苯环
②能发生银镜反应
③苯环上有两个取代基,其中一个取代基为氨基()与苯环直接相连
其中,核磁共振氢谱显示为5组峰,且峰面积之比为3∶2∶2∶2∶1的同分异构体的结构简式为
。
物质
沸点/℃
密度/
水中溶解性
正丁醇
17.2
0.8109
微溶
正丁醛
75.7
0.8017
微溶
物质
苯
硝基苯
间二硝基苯
浓硝酸
浓硫酸
沸点/℃
80
211
301
83
338
溶解性
不溶于水
微溶于水
微溶于水
—
—
苯甲醛
苯甲酸
苯甲醇
沸点/℃
178.1
249.2
205.4
熔点/℃
26
121.7
15.3
溶解性(常温)
微溶于水,易溶于有机溶剂
物质
相对分子质量
密度/()
沸点/℃
水溶性
苯甲酸
122
1.27
249
微溶
异丙醇
60
0.79
82
易溶
苯甲酸异丙酯
164
1.08
218
不溶
辽宁省实验中学2023-2024学年高二下学期期中阶段测试化学试题(含答案): 这是一份辽宁省实验中学2023-2024学年高二下学期期中阶段测试化学试题(含答案),共9页。试卷主要包含了单选题,填空题等内容,欢迎下载使用。
辽宁省实验中学2023-2024学年高二下学期期中阶段测试化学试题(PDF版含答案): 这是一份辽宁省实验中学2023-2024学年高二下学期期中阶段测试化学试题(PDF版含答案),文件包含23-24下中高二化学pdf、23-24下中高二化学答案pdf等2份试卷配套教学资源,其中试卷共9页, 欢迎下载使用。
辽宁省沈阳市东北育才学校双语校区2023-2024学年高二下学期期中考试化学试题(无答案): 这是一份辽宁省沈阳市东北育才学校双语校区2023-2024学年高二下学期期中考试化学试题(无答案),共7页。试卷主要包含了5 ml,1 ml A能生成3等内容,欢迎下载使用。

