备战2024新高考物理抢分秘籍04滑块板块模型和传送带模型专练及解析
展开一、滑块木板模型
1.模型特点:滑块(视为质点)置于木板上,滑块和木板均相对地面运动,且滑块和木板在摩擦力的作用下发生相对滑动.
2.位移关系:如图所示,滑块由木板一端运动到另一端的过程中,设板长为L,滑块(可视为质点)位移大小为x块,滑板位移大小为x板。
同向运动时:L=x块-x板.
反向运动时:L=x块+x板.
3. 判断滑块和模板运动状态的技巧:
“滑块—木板”模型问题中,靠摩擦力带动的那个物体的加速度有最大值:am=eq \f(Ffm,m).假设两物体同时由静止开始运动,若整体加速度小于该值,则二者相对静止,二者间是静摩擦力;若整体加速度大于该值,则二者相对滑动,二者间为滑动摩擦力。
4.技巧突破点
(1)由滑块与木板的相对运动来判断“板块”间的摩擦力方向.
(2)当滑块与木板速度相同时,“板块”间的摩擦力可能由滑动摩擦力转变为静摩擦力或者两者间不再有摩擦力(水平面上共同匀速运动).
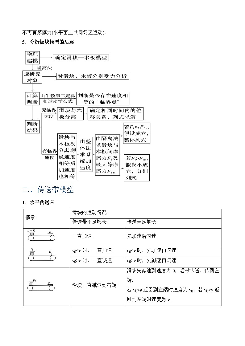
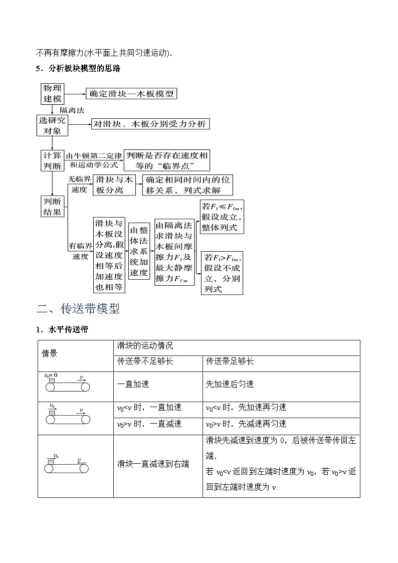
5.分析板块模型的思路
二、传送带模型
1.水平传送带
2.倾斜传送带
3.划痕问题:滑块与传送带的划痕长度Δx等于滑块与传送带的相对位移的大小,若有两次相对运动且两次相对运动方向相同,Δx=Δx1+Δx2(图甲);若两次相对运动方向相反,Δx等于较长的相对位移大小.(图乙)
4.功能关系分析:
(1)功能关系分析:W=ΔEk+ΔEp+Q。
(2)对W和Q的理解
传送带克服摩擦力做的功:W=fx传;
产生的内能:Q=fx相对。
【题型一】滑块木板模型
【典例1】(2024·四川成都·二模)如图,一质量为的木板静止在水平地面上,一质量为的滑块(可视为质点)以的水平速度从木板左端滑上木板,木板始终保持静止。木板足够长,滑块与木板间的动摩擦因数为,木板与地面间的动摩擦因数为(未知),重力加速度大小取,设最大静摩擦力等于滑动摩擦力。下列说法正确的是( )
A.地面对木板的摩擦力方向水平向右
B.地面对木板的摩擦力大小为
C.可能为0.12
D.整个过程中,滑块与木板间因摩擦产生的热量为
【典例2】(2024·广西贵港·模拟预测)如图(a)所示,一质量为的长木板静置于粗糙水平面上,其上放置一质量未知的小滑块,且长木板与小滑块之间接触面粗糙。小滑块受到水平拉力作用时,用传感器测出小滑块的加速度与水平拉力的关系如图(b)实线所示。已知地面与长木板的动摩擦因数为0.2,重力加速度,下列说法正确的是( )
A.小滑块与长木板之间的动摩擦因数为0.6
B.当水平拉力增大时,小滑块比长木板先相对地面发生滑动
C.小滑块的质量为
D.当水平拉力时,长木板的加速度大小为
【典例3】(23-24高三上·新疆·阶段练习)如图所示,质量为M的木板B在光滑水平面上以速度v0向右做匀速运动,把质量为m的小滑块A无初速度地轻放在木板右端,经过一段时间后小滑块恰好从木板的左端滑出,已知小滑块与木板间的动摩擦因数为μ。下列说法正确的是( )
A.若只增大M,则小滑块能滑离木板
B.若只增大v0,则小滑块在木板上运动的时间变长
C.若只减小m,则滑离木板过程中小滑块对地的位移变小
D.若只减小μ,则小滑块离开木板的速度变大
【典例4】(2024·陕西西安·三模)如图所示,底部带有挡板的固定光滑斜面,倾角为,上有质量为的足够长木板A,其下端距挡板间的距离为,质量也为的小物块B置于木板A的顶端,B与木板B之间的动摩擦因数为。无初速释放二者,当木板滑到斜面底端时,与底部的挡板发生弹性碰撞,且碰撞时间极短。可认为最大静摩擦力等于滑动摩擦力,重力加速度为。
试求:
(1)木板A与挡板第一次碰撞后沿斜面上滑的过程中木板A和物块B各自加速度的大小;
(2)木板A从开始到第三次与挡板碰撞过程中运动的总路程s;
(3)若从开始到A、B最后都静止的过程中,物块B一直未从木板A上滑落,则木板A长度应满足的条件。
1.如图所示,足够大的水平地面上静置一木板,两个均可视为质点的滑块A、B分别放在木板两端,现使两滑块同时以的速度相向滑动,两滑块恰好在木板的正中间相遇,相遇前木板做匀加速直线运动,相遇后木板做匀减速直线运动。已知滑块A的质量为,与木板间的动摩擦因数为0.2,滑块B的质量为,与木板间的动摩擦因数为0.4,木板与地面间的动摩擦因数为0.05,最大静摩擦力等于滑动摩擦力,取重力加速度大小。下列说法正确的是( )
A.木板的长度为
B.木板的质量为
C.木板运动的最大距离为
D.整个过程中滑块B的位移为0
2.如图甲所示,粗糙的水平地面上有长木板P,小滑块Q(可看做质点)放置于长木板上的最右端。现将一个水平向右的力F作用在长木板的右端,让长木板从静止开始运动,一段时间后撤去力F的作用。滑块、长木板的速度图像如图乙所示,已知小滑块Q与长木板P的质量相等,小滑块Q始终没有从长木板P上滑下。重力加速度g=10m/s2。则下列说法正确的是( )
A.滑块Q与长木板P之间的动摩擦因数是0.5B.长木板P与地面之间的动摩擦因数是0.75
C.t=9s时长木板P停下来D.长木板P的长度至少是16.5m
3.(2024·贵州·模拟预测)如图甲,一质量为m的木板A静止在光滑水平地面上,A左端有一质量、厚度均不计的硬挡板,一轻质弹簧左端与挡板连接,弹簧右端与木板A右端的距离为。质量也为m的可视为质点的滑块静止在A的右端,给滑块一水平向左、大小为的初速度,滑块会压缩弹簧,弹簧的最大压缩量为,滑块压缩弹簧被弹回后恰好可以到达A的右端,滑块与A接触面间的动摩擦因数;如图乙,如果将木板A与地面成角固定,将滑块换为相同质量的光滑的滑块,滑块的初速度大小为,方向沿斜面向上,从木板A底端开始上滑,弹簧的最大压缩量也为,重力加速度为g。下列说法正确的是( )
A.
B.弹簧弹性势能的最大值为
C.图甲所示的情况,滑块压缩弹簧被弹回后回到长木板右端时,滑块的速度为0
D.图甲所示的情况,滑块压缩弹簧被弹回后回到长木板右端时,滑块的速度大小为
4.如图甲所示,足够长的木板B静置于光滑水平面上,其上放置小滑块A,木板B受到不断增大的水平拉力作用时,用传感器测出木板B的加速度a,得到如图乙所示的图像、已知取,则( )
A.滑块A的质量为
B.木板B的质量为
C.当时木板B加速度为
D.滑块A与木板B间动摩擦因数为0.1
5.(2024·广西河池·一模)如图所示,一足够长倾斜角的斜面顶端放置一长木板A,木板A上表面的某处放置一小滑块B(可看成质点),已知A和B的质量分别为2m和3m,木板A顶端与滑块B相距为的地方固定一光滑小球C(可看成质点),已知小球C的质量为m,A与B之间的动摩擦因数,A与斜面间动摩擦因数,假设最大静摩擦力等于滑动摩擦力,重力加速度,将固定的光滑小球C由静止释放,C与B会发生弹性碰撞,求:
(1)小球C与滑块B碰后瞬间各自的速度分别多大;
(2)要使小球C再次碰到滑块B之前B未能滑出A下端,则木板A至少多长;
(3)A和B共速时,滑块B与小球C距多远。
6.(2024·河南·三模)等高的木板B和木板C静置于水平地面上,木块A静止在木板B上,P为固定挡板。A、B、C的质量分别为2kg、1kg、2kg。B与地面的动摩擦因数,C与地面间无摩擦,A与C之间的动摩擦因数,C右端离挡板P的距离l=1.2m。某时刻在A上施加一水平向右的拉力F=10.5N,2s后撤去拉力,A获得速度,此时B与C发生碰撞,A恰好从B滑到C上。C与B、P的碰撞均为弹性碰撞,不计碰撞时间及物块A的大小,C足够长使得A不会从C上滑下。取重力加速度大小
(1)求B与C碰撞前瞬间,B的速度大小;
(2)求B与C碰撞后瞬间,C的速度大小;
(3)通过计算判断C是否能与B再次相碰。
【题型二】 传送带模型
【典例1】如图所示,某快递公司为提高工作效率,利用传送带传输包裹,水平传送带长为4m,由电动机驱动以4m/s的速度顺时针转动。现将一体积很小、质量为10kg的包裹无初速的放到传送带A 端,包裹和传送带间的动摩擦因数为0.1, 重力加速度为g则包裹从A 运动到 B 的过程( )
A.时间为 1s
B.时间为 4s
C.电动机多输出的电能为40J
D.电动机多输出的电能为
【典例2】(2024·安徽六安·模拟预测)如图所示,传送带的倾角(,从A到B长度为 16m,传送带以 10m/s 的速度逆时针转动。 时刻在传送带上A端无初速度地放一个质量 的黑色煤块, 时皮带被异物卡住不动了。 已知煤块与传送带之间的动摩擦因数为 ,煤块在传送带上经过会留下黑色划痕。(sin37°=0.6,cs37°=0.8,取)则( )
A.煤块到达 B 点时的速度为 10m/s
B.煤块从A到B的时间为3s
C.煤块从A到B的过程中机械能减少了 12J
D.煤块从A到B的过程中传送带上留下划痕的长度是16m
【典例3】如图所示,传送带与水平地面的夹角,以的速率顺时针方向转动。将一质量为的物体(可视为质点)从A端无初速释放,经过运动到B端。物体与传送带间的动摩擦因数(g取10m/s2,sin37°=0.6,cs37°=0.8)。则( )
A.物体运动的加速度恒为
B.传送带的长为
C.物体运动到B端时的动量大小为
D.传送带与物体因摩擦产生的热量为
【典例4】(2024·四川成都·二模)如图所示,传送带倾斜放置,倾角为θ=37°,以恒定速率v=4m/s顺时针转动。一煤块以初速度=12m/s从A端冲上传送带,煤块刚好不会从传送带顶端B冲出。已知煤块和传送带之间的动摩擦因数=0.25,g取10m/s2,求:
(1)求AB之间的距离L;
(2)煤块在传送带上留下的划痕长度∆x。
【典例5】(2024·湖南长沙·一模)如图所示,传送带的水平部分ab长度,倾斜部分bc长度,bc与水平方向的夹角为θ=37°。传送带沿图示顺时针方向匀速率运动,速率v=4m/s,现将质量m=2kg的小煤块(视为质点)由静止轻放到a处,之后它将被传送到c点,已知小煤块与传送带间的动摩擦因数μ=0.2,且此过程中小煤块不会脱离传送带,取重力加速度大小,求:
(1)煤块从a运动到c的时间;
(2)煤块在传送带上留下的黑色痕迹的长度;
(3)煤块与传送带间的摩擦生热。
1.如图甲所示一水平的浅色长传送带上放置一煤块(可视为质点),煤块与传送带之间的动摩擦因数为。初始时,传送带与煤块都是静止的。现让传送带在变速电机带动下先加速后减速,传送带的速度-时间图像如图乙所示,假设传送带足够长,经过一段时间,煤块在传送带上留下了一段黑色痕迹,,则下列说法正确的是( )
A.黑色痕迹的长度为
B.煤块在传送带上的相对位移为
C.若煤块的质量为,则煤块与传送带间因摩擦产生的热量为
D.煤块的质量越大黑色痕迹的长度越长
2.如图甲所示,倾斜的传送带正以恒定速率v1沿顺时针方向转动,传送带的倾角为37°。一物块以初速度从传送带的底部冲上传送带并沿传送带向上运动,其运动的图像如图乙所示,物块到传送带顶端时速度恰好为零,sin37°=0.6,cs37°=0.8,g取10m/s2,则( )
A.由图乙可知,0~1s内物块受到的摩擦力大于1~2s内的摩擦力
B.摩擦力方向一直与物块运动的方向相反
C.物块与传送带间的动摩擦因数为0.25
D.传送带底端到顶端的距离为10m
3.如图(a)所示,在t=0时将一质量为0.1kg的滑块轻放置于传送带的左端,传送带在t=4s时因为突然断电而做减速运动,从t=0到减速停下的全程,传送带的v-t图像如图(b)所示。已知传送带顺时针运动,滑块与传送带间的动摩擦因数为0.08,传送带两轮间的距离足够长,重力加速度大小为10m/s2.,下列关于滑块说法正确的是( )
A.滑块先匀加速运动,后匀减速运动直至停止
B.滑块从轻放上传送带至停下,所用的时间为6s
C.滑块在传送带上留下的划痕为28m
D.全程滑块与传送带间产生的热量为2.24J
4.(2024·贵州·模拟预测)如图所示,一长的水平传送带在电动机带动下以速度沿顺时针方向匀速转动,质量的小物块和质量的小物块B由跨过定滑轮的轻绳连接,绳不可伸长,A与定滑轮间的绳子与传送带平行。某时刻将物块A轻轻放在传送带最左端,已知物块A与传送带间的动摩擦因数,滑轮的质量和绳与滑轮间的摩擦不计,重力加速度,两物块均可视为质点。求:情景
滑块的运动情况
传送带不足够长
传送带足够长
一直加速
先加速后匀速
v0
v0>v时,先减速再匀速
滑块一直减速到右端
滑块先减速到速度为0,后被传送带传回左端.
若v0
情景
滑块的运动情况
传送带不足够长
传送带足够长
一直加速(一定满足关系gsin θ<μgcs θ)
先加速后匀速
一直加速(加速度为gsin θ+μgcs θ)
若μ≥tan θ,先加速后匀速
若μ
若μ≥tan θ,先减速后匀速;若μ
(摩擦力方向一定沿斜面向上)
gsin θ>μgcs θ,一直加速;
gsin θ=μgcs θ,一直匀速
gsin θ<μgcs θ,一直减速
先减速到速度为0后反向加速到原位置时速度大小为v0
(1)把物块A放上去瞬间B的加速度的大小;
(2)物块A从传送带左端运动到右端过程中传送带对物块A的冲量大小。
5.(2024·福建漳州·三模)如图,足够长的水平传送带AB以的速率逆时针方向匀速运行。质量为m的木板CD置于光滑的水平面上,木板与传送带上表面等高,B与C之间的缝隙不计。现将质量为的小滑块a置于木板上,让质量也为m的小滑块b以的初速度从传送带的A端沿传送带向左滑动,从小滑块b滑上木板开始计时,经时间与小滑块a弹性正碰。已知小滑块a与木板间的动摩擦因数,小滑块b与木板间的动摩擦因数,小滑块b与传送带间的动摩擦因数为取。
(1)求小滑块b从A端滑上传送带开始到与传送带共速所需时间;
(2)求小滑块b刚滑上木板时,小滑块a的加速度大小;
(3)求小滑块b与小滑块a碰前瞬间,小滑块a的速度大小;
(4)若碰后小滑块a不会滑离木板,求小滑块a相对木板滑行的最大距离s。
秘籍08 碰撞类模型和动量守恒中的力学综合问题(学生版)-备战2024年高考物理抢分秘籍: 这是一份秘籍08 碰撞类模型和动量守恒中的力学综合问题(学生版)-备战2024年高考物理抢分秘籍,共24页。
高考物理一轮复习3.4传送带模型和“滑块-木板”模型-(原卷版+解析): 这是一份高考物理一轮复习3.4传送带模型和“滑块-木板”模型-(原卷版+解析),共79页。试卷主要包含了传送带模型,“滑块-木板”模型,斜面问题,生活情景问题等内容,欢迎下载使用。
最新高考物理【热点·重点·难点】专练 题型专练01 连接体问题、板块模型和传送带模型: 这是一份最新高考物理【热点·重点·难点】专练 题型专练01 连接体问题、板块模型和传送带模型,文件包含题型专练一连接体问题板块模型传送带模型原卷版2023年高考物理热点·重点·难点专练全国通用docx、题型专练一连接体问题板块模型传送带模型解析版2023年高考物理热点·重点·难点专练全国通用docx等2份试卷配套教学资源,其中试卷共26页, 欢迎下载使用。

