江西省宜春市第一中学2024年高三下学期三模化学试卷(Word版附答案)
展开可能用到的相对原子质量:H-1、C-12、O-16、Na-23、Al-27、P-31
一、单项选择题:本题共14小题,每小题3分,共42分。在每小题给出的四个选项中,只有一项是符合题目要求的。
1.化学与生活密切相关,下列说法不正确的是( )
A.聚氯乙烯可用于不粘锅内侧涂层
B.葡萄酒中加适量起到抗氧化作用
C.生石灰、食盐等腌制鸭蛋制得松花蛋,原因是蛋白质变性
D.内蒙古冬运会上运动员穿的发热服饰材料中的石墨烯与互为同素异形体
2.已知由钛渣制取(沸点:136℃)的反应为。下列说法正确的是( )
A.的电子式为:B.、CO、均为非极性分子
C.反应中是氧化剂、C和是还原剂D.是分子晶体
3.实验是化学的基本方法,它的学习功能是难以代替的,下列实验能达到实验目的的是( )
A.用装置甲蒸发溶液制备少量硫酸镁晶体B.装置乙中溴水逐渐褪色,能说明生成乙烯
C.装置丙测定苯甲酸在一定温度下的溶解度D.装置丁制备少量氢氧化亚铁,并观察其颜色
4.下列有关的说法中不正确的是( )
A.3.9g 与足量的充分反应,转移电子数目为0.1
B.3.1g 在足量中充分燃烧,生成的数目为0.1
C.7g DTO(水)含有的中子数约为3.67
D.已知:,向1L 0.1ml/L 溶液中加入足量KClO固体,溶液中
5.化学是以实验为基础的学科,在科学实验中发现问题、分析问题、解决问题,体验实验的乐趣和科学探究的精神是学习化学的关键,下列实验操作和实验现象以及实验目的或结论有错误的是( )
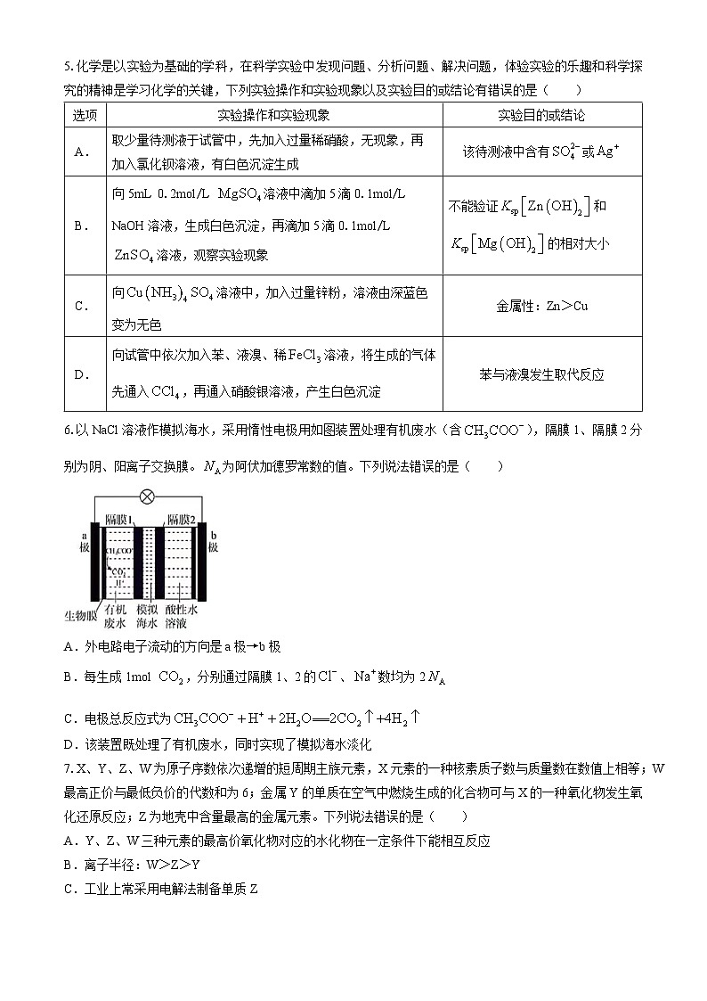
6.以NaCl溶液作模拟海水,采用惰性电极用如图装置处理有机废水(含),隔膜1、隔膜2分别为阴、阳离子交换膜。为阿伏加德罗常数的值。下列说法错误的是( )
A.外电路电子流动的方向是a极→b极
B.每生成1ml ,分别通过隔膜1、2的、数均为2
C.电极总反应式为
D.该装置既处理了有机废水,同时实现了模拟海水淡化
7.X、Y、Z、W为原子序数依次递增的短周期主族元素,X元素的一种核素质子数与质量数在数值上相等;W最高正价与最低负价的代数和为6;金属Y的单质在空气中燃烧生成的化合物可与X的一种氧化物发生氧化还原反应;Z为地壳中含量最高的金属元素。下列说法错误的是( )
A.Y、Z、W三种元素的最高价氧化物对应的水化物在一定条件下能相互反应
B.离子半径:W>Z>Y
C.工业上常采用电解法制备单质Z
D.同周期元素形成的单质中W的氧化性最强
8.某重要提取物A的结构简式如下图所示,关于该有机物的说法中不正确的是( )
A.该分子中最多有19个碳原子共面
B.该有机物有三种含氧官能团
C.1ml该有机物最多可与8ml 发生加成反应
D.该有机物在酸性环境中水解可生成2,2-二甲基丙酸
9.已知:呈粉红色,呈蓝色,呈无色。下列由实验操作和现象得到的结论正确的是( )
10.以5—氯水杨酸甲酯(甲)为原料,可制备抗肿瘤辅助药物阿扎司琼的中间体(丙),合成路线如图所示。已知:连有4个不同的原子或原子团的饱和碳原子为手性碳原子。下列说法正确的是( )
A.甲分子中的所有原子可能共平面
B.一般情况下,乙与足量反应后,分子中含有5个手性碳原子
C.丙分子中有4种不同化学环境的氢原子
D.丙水解后的产物之一可发生缩聚反应
11.二甲醚催化制备乙醇主要涉及以下两个反应:
反应Ⅰ:;
反应Ⅱ:;
在固定CO、、的原料比、体系压强不变的条件下,同时发生反应Ⅰ、Ⅱ,平衡时各物质的物质的量分数随温度的变化如图所示。下列说法正确的是( )
A.曲线B表示的物质的量分数随温度的变化
B.600K后升高温度,的物质的量分数降低原因是反应Ⅱ平衡右移
C.测得X点的物质的量分数是10%,则X点反应Ⅱ有:
D.其他条件不变,延长反应时间能提高平衡混合物中乙醇含量
12.在25℃时,向50.00mL未知浓度的氨水中逐滴加入0.5的HCl溶液。滴定过程中,溶液的pOH[]与滴入HCl溶液体积的关系如图所示,则下列说法中正确的是( )
A.图中②点所示溶液的导电能力弱于①点
B.③点处水电离出的
C.图中点①所示溶液中,
D.25℃时氨水的约为
13.氢化铝钠()等复合氢化物是重要的有机还原剂。晶胞结构如图所示,设阿伏加德罗常数的值为,下列说法正确的是( )
A.晶体中,与紧邻且等距的有6个
B.晶体的密度为
C.与之间的最短距离为nm
D.中4个共价键不同
14.常温下,向含有和的悬浊液中滴加弱酸HC,溶液中pM[,M代表、、]与pH的关系如下图所示,下列说法正确的是( )
已知:
A.X、Y、Z分别表示、、与pH的关系
B.;d点坐标为
C.和均能完全溶解于足量的HC中
D.向悬浊液中加入足量的,可完全转化为
二、非选择题:共58分
15.(16分)
酸性条件下,砷酸具有较强氧化性,能被正四价硫、碘离子等还原为正三价砷。某工厂以废渣(主要含)制备砷的流程如下:
回答下列问题:
(1)砷的原子结构示意图为 。的结构简式为,0.5ml 所含有S-S键的物质的量为 ml。
(2)“碱浸”后溶液中含有、,则该工序主反应的化学方程式为
。
(3)“沉砷”时,加入试剂A的作用为 ;结合必要的化学用语说明为了提高的产率,加石灰乳时控制温度45℃~85℃的目的是 。
(4)滤渣1含硫酸钙和沉淀a,实验室里,用 试剂除去试管壁上的沉淀a。
(5)加热时“再还原”的化学方程式为 。“还原”中,氧化产物与还原产物的物质的量之比为 。
(6)该流程中可以循环使用的物质为 。
(7)设计实验检验“还原”后的溶液中是否存在正五价砷元素 。
16.(12分)
、等是地球大气中主要的温室气体,高效处理过剩的温室气体已成为当前世界研究的重要课题。
Ⅰ.偶联重整,其核心反应如下:
如主反应:
副反应1:
副反应2:
(1)(g)和(g)转化为(g)的热化学方程式为
。
(2)将1ml 、1.2ml 通入起始容积为1L的恒温、恒压(p=100kPa)密闭容器中发生上述反应,400℃时容器内的转化率和的物质的量随时间的变化如表所示:
①0~11min内,消耗的平均反应速率为 (保留3位有效数字)。
②能说明体系已达到平衡状态的是 (填序号)。
A.B.
C.混合气体的平均摩尔质量保持不变D.反应容器的容积恒定为V L
③实验中,缓慢升高温度时发现平衡时甲醇的选择性[]逐步降低,请简述原因: 。
Ⅱ.直接合成燃料
主反应:
副反应1:
副反应2:
在不同压强下,平衡转化率随温度变化如图所示:
(3)当温度高于600℃后,不同压强下的平衡转化率趋于相等,原因是
。
(4)假设在600℃时反应容器中只进行副反应1,该温度下、,若起始时以投料比进行该反应,则副反应1的平衡常数 ,反应达到平衡时,的转化率 。
17.(14分)
丙炔酸乙酯()是一种重要的有机化工原料和医药中间体。实验室制备少量丙炔酸乙酯的反应为:
实验步骤如下:
Ⅰ.向三颈烧瓶中加入14.0g丙炔酸、少许碎瓷片、40mL乙醇(过量),搅拌均匀后再加入3mL浓。按图组装好仪器后,油浴加热1h。
Ⅱ.将反应后的溶液冷却至室温,依次用饱和NaCl溶液、10% 溶液、水洗涤。分离出有机相。
Ⅲ.向有机相中加入无水氯化钙干燥、过滤、蒸馏,得到12.0g丙炔酸乙酯。可能用到的信息:
回答下列问题:
(1)根据上述实验药品的用量,三颈烧瓶的最适宜规格为 (填标号)。
A.50mLB.100mLC.250mlD.500ml
(2)本实验中加入过量乙醇的目的是 。
(3)冷却水应从 (填“x”或“y”)口流入。回流时,烧瓶内气雾上升高度不宜超过冷凝管的,若气雾上升过高,可采取的措施为 。
(4)蒸馏时,加热一段时间后发现忘记加入碎瓷片,应采取的正确操作为 。
(5)检验丙烯酸乙酯中不再含有的药品是 (填标号)。
A.无水B.C.
(6)如果加入的浓硫酸过多,可能有副产物乙烯()生成,请写出生成乙烯的化学反应方程式 。
(7)丙炔酸乙酯的产率为 %(保留一位小数)。
(8)请列举1条本实验中需要采取的安全措施: 。
(9)蒸馏操作收集丙炔酸乙酯馏分时,不能用水浴加热的原因是 。
18.(16分)
有机物I的链节中含有苯环和六元环,是一种重要的高分子化合物,其合成路线如下图所示:
已知:(R为烃基或H原子)
(1)B的红外光谱图中,有 个振动吸收峰;D的质谱图中,质荷比的最大值为 。
(2)检验E中碳碳双键需要的试剂为 。E为3-苯基丙烯醛,则与其互为同系物的的名称为 。
(3)D→E涉及到的反应类型有 和 。
(4)设计反应①和反应②的目的是 ,G的结构简式为 。
(5)反应③的化学方程式为 。
(6)与H具有相同官能团的芳香异构体有 种。
(7)以乙烯为原料,其它无机试剂任选,设计合成正丁醛的路线 。
2024年高考化学预测密卷二卷·江西地区专用
一、单项选择题
1.A
【解析】聚四氟乙烯用于不粘锅内层涂层,聚氯乙烯的耐高温性能较差,不能作不粘锅涂层。
2.D
【解析】二氧化碳的电子式为:,A错误;是由极性键构成的非极性分子、为非极性分子,CO是由极性键构成的极性分子,B错误;反应中中的各元素化合价不发生改变,是氧化剂,C是还原剂,C错误;由题给的沸点可知,为分子晶体,D正确。
3.B
【解析】由于硫酸难挥发,因此蒸发溶液可以制备少量硫酸镁晶体,但该操作应该在蒸发皿(带有尖嘴)中进行,正确的装置图为,A错误;溴乙烷消去反应生成的乙烯中混有乙醇杂质,但是乙醇不能使溴水褪色,对该实验不造成干扰,因此将装置乙中溴乙烷消去反应的产物直接通入溴水,溴水逐渐褪色,能说明生成乙烯,B正确;测定苯甲酸在一定温度下的溶解度时,温度计应该位于苯甲酸溶液中,C错误;止水夹A关闭时,不能将硫酸亚铁溶液导入NaOH溶液中,因此该装置无法制备少量氢氧化亚铁,并观察其颜色。正确的装置图应该是稀硫酸,打开左侧止水夹A,用生成的氢气排尽装置中的空气;关闭止水夹A、将生成的硫酸亚铁溶液导入右侧三颈烧瓶中,从而生成氢氧化亚铁沉淀,D错误。
【点睛】本题考查化学实验操作等知识,难度较大,注意平时实验知识的积累,再加上细心缜密的分析才能得分。
4.B
【解析】3.9g 与足量的充分反应生成硫酸钠,转移电子数目为0.1,A正确;由于反应可逆,因此3.1g 在足量中充分燃烧生成和的混合物,因此生成的数目小于0.1,B错误;7g DTO(水)含有的中子数为,C正确;草酸与次氯酸发生氧化还原反应,因此向1L 0.1ml/L 溶液中加入足量的KClO固体,溶液中,D正确。
【点睛】本题考查相关的计算等知识。
5.D
【解析】取少量待测液于试管中,先加入过量稀硝酸,无现象,说明待测液中不含、、,再加入氯化钡溶液,有白色沉淀生成,说明该待测液中含有或,A正确;由于和都是白色沉淀,因此向白色沉淀中滴加5滴0.1ml/L 溶液,不能证明沉淀转化为沉淀,因此不能验证和的相对大小,B正确;向溶液中,加入过量锌粉,溶液由深蓝色变为无色,说明发生反应,该反应中还原性:Zn>Cu,说明金属性:Zn>Cu,C正确;苯与液溴才可以发生取代反应,溶液中含有水,使苯与无法发生取代反应,D错误。
【点晴】本题以化学实验为基础,考查离子检验、沉淀溶解平衡、元素周期律、有机物的性质等知识,注意苯与液溴才可以发生取代反应,溶液中含有水,会使苯与无法发生取代反应。
6.B
【解析】外接灯泡,装置为原电池,a极转化为,发生氧化反应,故a极为负极,b极为正极,电子由负极经外电路流向正极,A正确;负极的电极反应式为,正极的电极反应式为[提示:b极区为酸性水溶液],则电极总反应式为,每生成1ml ,转移4ml ,则有4ml 通过隔膜1移向负极,4ml 通过隔膜2移向正极,故分别通过隔膜1、2的、数均为4,同时实现了模拟海水淡化,B错误,C、D正确。
7.B
【解析】X、Y、Z、W为原子序数依次递增的短周期主族元素,X元素的一种核素质子数与质量数在数值上相等,X则为H;W最高正价与最低负价的代数和为6,W为Cl;金属Y的单质在空气中燃烧生成的化合物可与X的一种氧化物发生氧化还原反应,Y为Na;Z为地壳中含量最高的金属元素,Z为Al。Y、Z、W三种元素的最高价氧化物对应的水化物分别为NaOH、、,其中NaOH、分别属于强酸、强碱,能溶于强酸、强碱溶液,A说法正确;核外电子数相同时,核电荷数越多,离子半径越小,故离子半径:,B说法错误;工业上常采用电解熔融的,制备金属铝,C说法正确;同周期元素非金属性逐渐增强,非金属单质的氧化性逐渐增强,故为同周期元素形成的单质中氧化性最强,D正确。
8.C
【解析】A.该分子中两个苯环有可能共面,另外,还有7个碳原子可能位于苯环平面上(见图中),A正确;该有机物有酮羰基、醚键、酯基三种含氧官能团,B正确;苯环和酮羰基可以与氢气加成,酯基不能与氢气加成,因此1ml该有机物最多可与7ml 发生加成反应,C错误;该有机物含有酯基,在酸性环境中水解可生成2,2-二甲基丙酸,D正确。
【点睛】本题考查有机物的结构和性质等知识,注意苯环、酮羰基、醛基、碳碳双键、碳碳三键可以与氢气加成,酯基、羧基、酰胺基不能与氢气加成。
9.C
【解析】不具有漂白性,具有强氧化性,将碘单质氧化后,溶液的蓝色褪去,A错误;对于不含杂质但是含有结晶水的纯碱样品,进行灼烧后并称量,由于结晶水脱去,固体质量同样会减小,B错误;固体溶于水后形成的溶液呈粉红色是因为生成了,加入浓盐酸后,与形成,溶液变为蓝色,再加入固体,溶液又变回粉红色,说明的稳定性较差,与形成更稳定的无色的,使逆向移动,因此呈粉红色,C正确;向碳酸钙的悬浊液中通入二氧化碳气体,一段时间后碳酸钙转化为可溶的碳酸氢钙,溶液也可以变澄清,D错误。
10.D
【解析】甲分子中含有甲基(),所有原子不会共平面,A错误;乙与足量反应的产物为,该分子中含有4个手性碳原子,如图中“1、2、3、4”处的碳原子,B错误;如图,丙分子中有5种不同化学环境的氢原子,C错误;丙水解后会生成,该分子中同时含有-COOH、,可发生缩聚反应,D正确。
11.C
【解析】温度高于600K时,乙醇和甲醇的物质的量分数几乎为零,说明高于600K以反应Ⅰ为主,则随着温度升高,反应Ⅰ化学平衡逆向移动,CO和二甲醚物质的量分数增大,故B表示二甲醚或者CO的物质的量分数随温度的变化情况。根据分析可知,曲线B表示CO或二甲醚物质的量分数随温度变化情况,A错误;600K后,主要进行反应Ⅰ,升高温度,反应Ⅰ逆向移动,的物质的量分数减小,B错误;测得X点乙醇的物质的量分数为10%,低于该温度下平衡时乙醇的物质的量分数,则反应Ⅱ正向移动,,C正确;乙醇的产率不受反应时间的影响,延长反应时间不能提高平衡混合物中乙醇含量,D错误;故答案选C。
12.D
【解析】向50.00mL未知浓度的氨水中逐滴加入0.5的HCl,盐酸和氨水恰好完全反应生成氯化铵和水,氯化铵中铵根水解显酸性,因而②(pH=7)时,氨水稍过量,即反应未完全进行,从①到②,氨水的量减少,氯化铵的量变多,溶液导电能力与溶液中离子浓度呈正比,氯化铵为强电解质,完全电离,得到的离子(铵根的水解不影响)多于氨水电离出的离子(氨水为弱碱,少部分发生电离),因而图中②点所示溶液的导电能力强于①点,A错误;观察图象曲线变化趋势,可推知③为盐酸和氨水恰好完全反应的点,得到氯化铵溶液,盐类的水解促进水的电离,因而溶液pOH=8,则,,B错误;①点盐酸的量是③点的一半,③为恰好完全反应的点,因而易算出①点溶液溶质为等量的和,可知电荷守恒为,又①pOH=4,说明溶液显碱性,则,那么,C错误;V(HCl)=0时,可知氨水的pOH=2.8,则,又,可知,③点盐酸和氨水恰好反应,因而,因而,D正确。故答案选D。
13.B
【解析】晶体中,以体心的为例,与之紧邻且等距的位于晶胞棱上、晶胞中上层立方体左右侧面心、晶胞中下层立方体前后面面心,与紧邻且等距的有8个,结合化学式可知与紧邻且等距的有8个,A错误;晶胞中数目为,数目为,晶体的密度为,B正确;与之间的最短距离为下底面面对角线长的一半,为nm,C错误;为正四面体结构,4个共价键完全相同,D错误。
14.D
【解析】在含大量和的浊液中滴加HC溶液,随着HC的加入,pH减小,、浓度增大,pX减小,又因为,相同pH时,,pA<pB,故X代表,Y代表;随着HC的加入,氢离子浓度增大,减小,增大,故Z代表,A错误;Y线上b点代表,则,,故;由Z线可知,,,,则当时,,,因此,d点坐标为,B错误;由题意可知,化学反应的平衡常数,因此,能完全溶解于足量的HC中;同理可知,化学反应的平衡常数,因此,不能完全溶解于足量的HC中,C错误;由题意可知,化学反应的平衡常数因此,向悬浊液中加入足量的,可完全转化为,D正确。
【点睛】本题考查水溶液中的离子平衡等知识,难度较大,注意,反应可以彻底进行;,反应不能进行,,反应处于平衡状态。
二、非选择题
15.
(1)0
(2)
(3)将和氧化为和S温度低于45℃,反应速率太慢;温度高于85℃,溶解度降低,降低,引起平衡正向移动,的产率降低
(4)或热的氢氧化钠溶液
(5)2∶1
(6)和(2分,各1分,多写不得分)
(7)取少量“还原”后的溶液于试管中,先加入几滴淀粉溶液,再加入足量氢碘酸,若溶液变为监色,说明存在正五价砷元素,反之,不存在
【解析】
(1)砷位于第4周期ⅤA族,其原子结构示意图为。
砷位于第4周期ⅤA族,最外层有5个电子,形成3对共用电子对;硫元素位于第4周期ⅥA族,最外层有6个电子,形成2对共用电子对,因此中,不含S-S键。
(2)废渣主要含,被NaOH溶液“碱浸”后溶液中含有、,则该工序主反应的化学方程式为。
(3)由“提高的产率”可知,加入试剂A后,和被氧化为,“酸化”后存在“滤渣1”(滤渣1含硫酸钙和沉淀a),故中的负二价硫被氧化为S。因此,加入试剂A的作用为将和氧化为和S。温度低于45℃,反应速率太慢;温度高于85℃,溶解度降低,降低,引起平衡正向移动,的产率降低。
(4)“滤渣1含硫酸钙和沉淀a”,沉淀a为S,除去试管壁上的S,可以用或热的氢氧化钠溶液。
(5)“硫化”后生成,因此加热时“再还原”的化学方程式为。“还原”步骤的化学方程式为,因此,“还原”中,氧化产物与还原产物的物质的量之比为2∶1。
(6)“酸化”消耗,“还原”过程的化学方程式为,“还原”重新生成,因此,可以循环使用。“硫化”消耗,“再还原”的化学方程式为,“再还原”重新生成,因此,可以循环使用。
(7)参考题干已知信息“酸性条件下,砷酸具有较强氧化性,能被正四价硫、碘离子等还原为正三价砷”,可知检验“还原”后的溶液中是否存在正五价砷元素的操作为取少量“还原”后的溶液于试管中,先加入几滴淀粉溶液,再加入足量氢碘酸,若溶液变为蓝色,说明存在正五价砷元素,反之,不存在。
【点睛】本题考查化学工艺流程,注意回答“加入试剂A的作用”时,不能总盯着流程图或者前边的问题,可以继续做题,看后边的暗示。
16.
(1)
(2)①0.0784
②cd
③温度升高,由于主反应和副反应1均为吸热反应,则平衡正向移动,且移动程度较大,使得消耗的增多;副反应2为放热反应,温度升高平衡逆向移动,使得的生成量减少,故的选择性会降低
(3)温度高于600℃后,混合体系以吸热反应副反应1为主,而该反应为气体总分子数不变的反应,压强不影响该反应的平衡,故不同压强下的平衡转化率趋于相等
(4)1;80%
【解析】
(1)目标反应的化学方程式:,结合盖斯定律可知目标反应=主反应-副反应1+副反应2,目标反应的。
(2)①由表中数据判断11min时体系已经达到平衡状态。由题给化学方程式中各物质的关键点化学计量数关系和反应在恒压下进行可知,容器容积随着反应的进行会发生变化。设主反应、副反应1、副反应2中的转化量分别为x ml、y ml、z ml,列式分析:
主反应:
起始量/ml11.200
转化量/mlx2x2xx
平衡量/ml
副反应1:
转化量/mlyyyy
平衡量/ml
副反应2:
转化量/mlz3zzz
平衡量/mlz
可得
,已知平衡时,,故x=0.8,z=0.3,则,恒温恒压条件下,气体的体积之比等于物质的量之比,则平衡时的容器容为积,故,。
②为某一时刻的状态,不能说明浓度不再变化,不能说明体系达到平衡状态,a错误;若只发生主反应,可说明反应达到平衡,但CO还参与副反应1,故该等式无法说明体系达到平衡状态,b错误;气体总质量固定,混合气体总质量合气体的平均摩尔质量=,由于气体的总物质的量在改变,故混合气体的平均摩尔质量随反应的进行而改变,不变时可说明体系已达到平衡状态,c正确;该反应体系恒温恒压,主反应、副反应2为反应前后气体总分子数变化的反应,故容器容积为变量,当容积恒定不变时证明体系达到平衡状态,d正确。
(4)由盖斯定律可知,副反应1=主反应-×副反应2,故设起始时充入1ml 、4ml ,平衡时反应消耗了a ml ,可列三段式:
起始量/ml1400
转化量/mlaaaa
平衡量/mlaa
设平衡时容器的容积为V L,,解得a=0.8,故的转化率。
17.
(1)b
(2)提高丙炔酸的转化率
(3)x降低油浴温度
(4)停止加热,冷却后补加
(5)a
(6)
(7)61.2
(8)通风橱中实验或防止明火(回答合理即可给分)
(9)丙炔酸乙酯的沸点比水的高
【解析】
(1)在加热时,三颈烧瓶中液体体积不能超过其容器的,故三颈烧瓶适宜的规格为100mL。
(2)丙炔酸与乙醇反应生成丙炔酸乙酯的反应为可逆反应,加入乙醇过量为了促进平衡正向移动,提高丙炔酸的转化率。
(3)为了使冷凝效果更好,应该从冷凝管的x口进水、y口出水。气雾上升过高,说明油浴温度过高,导致乙醇、丙烯酸、丙烯酸乙酯等大量挥发,可降低油浴温度使气雾下降。
(4)加入碎瓷片的作用是防止暴沸,如果加热一段时间忘记加碎瓷片,应立即停止加热,待冷却后在补加碎瓷片。
(5)无水遇水生成蓝色的,b、c遇水无明显现象。
(6)如果加入的浓硫酸过多,乙醇与浓硫酸可能发生消去反应生成乙烯,该反应的化学方程式为。
(7)14.0g丙炔酸的物质的量为0.2ml,故丙炔酸乙酯的产率为。
(8)丙炔酸、乙醇都是易燃的,所以要防止明火,乙醇易挥发,所以要在通风橱中实验。
(9)丙炔酸乙酯的沸点为120.0℃,比水的沸点高,不能用水浴加热,可采用油浴加热的方法。
18.
(1)544
(2)溴的四氯化碳溶液或新制氢氧化铜悬浊液(银氨溶液)、过量硝酸、溴水(酸性高锰酸钾溶液)
5-苯基-2-戊烯醛
(3)加成反应消去反应
(4)保护醛基,防止醛基与氢气发生加成反应
(5)
(6)13
(7)
【解析】
(1)B为,化学键有C=O、C—O、O—H、C—C、C—H,所以红外光谱中共有5个振动吸收。D为,相对分子质量为44,因此质荷比的最大值为44。
(2)方法一:E为,由于醛基仅与溴水反应,与溴的四氯化碳溶液不反应,因此,取少量E溶液于试管中,加入溴的四氯化碳溶液,溶液褪色说明含有碳碳双键。
方法二:取少量E溶液于试管中、加入新制氢氧化铜悬浊液或银氨溶液(排除醛基的干扰),然后加入过量硝酸(防止溴水与碱反应造成干扰),再加入溴水或酸性高锰酸钾溶液,溶液褪色,说明含有碳碳双键。E为3-苯基丙烯醛,则与其互为同系物的的名称为5-苯基-2-戊烯醛(需要指明苯基和碳碳双键的位置)。
(3)乙醛与苯甲醛先发生加成反应,再发生消去反应,生成,因此D→E涉及到的反应类型有加成反应和消去反应。
(4)醛基、碳碳双键、苯环均可以与氢气发生加成反应,但是苯环与氢气加成所需条件较高,而醛基与氢气很容易加成,因此设计反应①和反应②的目的是保护醛基,防止醛基与氢气发生加成反应。和乙二醇发生信息中的反应生成F为,F和氢气发生加成反应、根据G的分子式知,G为。
(5)根据题干的已知信息“有机物1的链节中含有苯环和六元环”,则有机物I的结构简式为,因此,反应③的化学方程式。
说明:方程式书写错误,这样,两个是独立存在的,发生反应后,不能得到产物。
(6)H为苯丙醛,若苯环上连接1个侧链的结构还有1种同分异构体[];若苯环上连接2个侧链,可能是—CHO和(两个侧链处于邻位、间位、对位,有3种结构),也可能是和(两个侧链处于邻位、间位、对位,有3种结构);若苯环上连接3个侧链,是—CHO、、,(当两个处于邻位时,—CHO有2种位置;当两个处于间位时,—CHO有3种位置;当两个处于对位时,—CHO有1种位置),综上所述,与H具有相同官能团的芳香异构体有13种。
(7)与溴水加成生成,水解生成;与水加成生成,被氧化生成,两分子发生羟醛缩合反应(先加成再消去)生成,和在无水HCl作用下,生成,与氢气加成生成,水解生成,因此,以乙烯为原料,其它无机试剂任选,合成正丁醛的路线为。
【点睛】本题考查有机推断等知识、难度不大,注意区分核磁共振氢谱、质谱、红外光谱。
选项
实验操作和实验现象
实验目的或结论
A.
取少量待测液于试管中,先加入过量稀硝酸,无现象,再加入氯化钡溶液,有白色沉淀生成
该待测液中含有或
B.
向5mL 0.2ml/L 溶液中滴加5滴0.1ml/L NaOH溶液,生成白色沉淀,再滴加5滴0.1ml/L 溶液,观察实验现象
不能验证和的相对大小
C.
向溶液中,加入过量锌粉,溶液由深蓝色变为无色
金属性:Zn>Cu
D.
向试管中依次加入苯、液溴、稀溶液,将生成的气体先通入,再通入硝酸银溶液,产生白色沉淀
苯与液溴发生取代反应
选项
实验操作
现象
结论
A
向淀粉和的混合溶液中滴加过量氯水
溶液蓝色褪去
具有漂白性
B
将一定质量的纯碱样品在密闭容器中进行灼烧,称量其灼烧后的质量
称量后发现其质量减小
纯碱样品中一定含有碳酸氢钠
C
将固体溶于水,加入浓盐酸后,再加入少量固体
溶液先由粉红色变为蓝色,再由蓝色变为粉红色
离子的稳定性:
D
向碳酸钙的悬浊液中通入某无色气体
悬浊液逐渐变澄清
该无色气体是HCl
时间/min
1
3
9
10
11
12
/%
10.1
40.3
65.6
70.1
80.0
80.0
/ml
0.05
0.09
0.15
0.26
0.3
0.3
物质
沸点/℃
溶解性
丙炔酸
141
与水互溶,易溶于有机溶剂
乙醇
78
与水互溶,易溶于有机溶剂
丙炔酸乙酯
120
难溶于水,易溶于有机溶剂
题号
1
2
3
4
5
6
7
8
9
10
11
12
13
14
答案
A
D
B
B
D
B
B
C
C
D
C
D
B
D
江西省宜春市第一中学2024届高三下学期化学模拟试题(二 )(Word版附答案): 这是一份江西省宜春市第一中学2024届高三下学期化学模拟试题(二 )(Word版附答案),文件包含2024学年江西省宜春市第一中学高三化学模拟试题二docx、2024学年江西省宜春市第一中学高三化学模拟试题二和详解docx等2份试卷配套教学资源,其中试卷共12页, 欢迎下载使用。
江西省吉安市第一中学2024届高三下学期一模化学试题(Word版附答案): 这是一份江西省吉安市第一中学2024届高三下学期一模化学试题(Word版附答案),文件包含2024届江西省吉安市第一中学高三下学期一模化学试题原卷版docx、2024届江西省吉安市第一中学高三下学期一模化学试题解析版docx等2份试卷配套教学资源,其中试卷共33页, 欢迎下载使用。
江西省上饶市2024届高三下学期二模化学试卷(Word版附答案): 这是一份江西省上饶市2024届高三下学期二模化学试卷(Word版附答案),文件包含上饶市2024届第二次高考模拟考试化学试卷docx、2024届化学二模答案pdf等2份试卷配套教学资源,其中试卷共8页, 欢迎下载使用。

