适用于新高考新教材广西专版2025届高考化学一轮总复习课时规范练34化学实验常用仪器及基本操作
展开1.下列关于仪器的名称和使用方法正确的是( )
A.①为碱式滴定管,可用于准确量取一定体积的K2Cr2O7标准溶液
B.②为量筒,③为锥形瓶,量筒加热时需要垫陶土网
C.④可作洗气装置,气体“短进长出”
D.⑤为坩埚,加热时不能直接放在铁圈或三脚架上
2.(2023广西南宁模拟)化学是实验的科学,下列有关实验设计能达到目的的是( )
A.图1:制备Fe(OH)3胶体
B.图2:探究铁与水蒸气的反应,点燃肥皂泡检验氢气
C.图3:分离沸点不同的互溶液体
D.图4:测定中和热
3.利用下列实验装置不能完成相应实验的是( )
A.用装置①测量生成氧气的化学反应速率
B.用装置②比较NaHCO3和Na2CO3的热稳定性
C.装置③中分液漏斗内的液体可顺利滴入蒸馏烧瓶
D.装置④可实现制取CO2的“即关即止,即开即用”
4.下列说法正确的是( )
A.液溴需贮存在带橡胶塞的棕色细口瓶中,并进行水封
B.洗净的滴定管和容量瓶应放入烘箱中烘干
C.可以将高锰酸钾固体和无水乙醇放在一个药品柜里保存
D.滴定接近终点时,滴定管的尖嘴可以接触锥形瓶内壁
5.(2023广西南宁三中二模)用如图所示装置进行下列实验:将①中溶液滴入②中。能达到实验目的的是( )
6.(2023广西南宁二模)下列实验操作可以达到实验目的的是( )
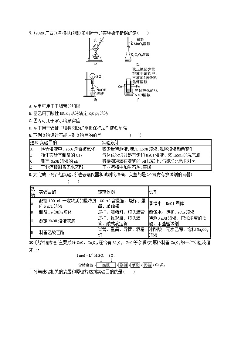
7.(2023广西联考模拟预测)如图所示的实验操作错误的是( )
A.图甲可用于干海带的灼烧
B.图乙用于酸性KMnO4溶液滴定K2C2O4溶液
C.图丙可用于演示喷泉实验
D.图丁用于验证“牺牲阳极的阴极保护法”使铁防腐
8.下列实验设计不能达到实验目的的是( )
9.为完成下列各组实验,所选玻璃仪器和试剂均准确、完整的是(不考虑存放试剂的容器)( )
10.以含钴废渣(主要成分CO、C2O3,还含有Al2O3、ZnO等杂质)为原料制备C2O3的一种实验流程如下:
下列与流程相关的装置和原理能达到实验目的的是( )
A.用装置甲制备“酸浸”所需的SO2
B.用装置乙配制“酸浸”所需的1 ml·L-1 H2SO4溶液
C.用装置丙过滤“沉钴”所得悬浊液
D.用装置丁灼烧CCO3固体制C2O3
二、非选择题:本题共1小题。
11.某化学兴趣小组探究“84”消毒液(含10.5%NaClO和少量NaOH)与75%医用酒精能否反应,进行如下实验:
(1)将25 mL无水乙醇配成75%医用酒精,下列仪器中不需要使用的有 (填名称)。
(2)实验Ⅰ的淀粉碘化钾试纸在3 min时变蓝,21 min后蓝色褪去,实验Ⅱ则在8 min时变蓝,49 min后褪色。
①实验Ⅰ中,使淀粉碘化钾试纸变蓝的物质是 ,而后碘被 (填“氧化”或“还原”)导致蓝色褪去。
②对比实验Ⅰ和Ⅱ的现象可以说明乙醇被NaClO氧化,理由是 。
③实验过程中,测得实验Ⅰ中混合溶液的pH由12.38逐渐增大至12.80,说明乙醇与NaClO反应可能生成 。
(3)测定“84”消毒液与医用酒精反应后溶液中剩余NaClO的含量:取5.00 mL反应后溶液(密度约1 g·mL-1)于锥形瓶中,加入过量KI溶液和适量硫酸,在冷暗处静置4~5 min后,再加入少量淀粉指示剂,用0.100 0 ml·L-1 Na2S2O3标准液滴定,消耗标准液体积为14.80 mL。
①滴定前,将锥形瓶置于“冷暗处”的目的是 ,写出NaClO与KI反应的离子方程式 。
②滴定终点溶液的颜色是 ,“84”消毒液与医用酒精反应后溶液中NaClO的质量分数= (结果保留至小数点后2位;I2+2S22I-+S4)。
参考答案
课时规范练34 化学实验常用仪器及
基本操作
1.D 解析 ①为碱式滴定管,重铬酸钾具有强氧化性,能氧化碱式滴定管的橡胶管,因此不能用碱式滴定管量取,应该用酸式滴定管,A错误;②量筒不能用来加热,B错误;洗气时为使气体与洗涤剂充分接触,导气管应该“长进短出”,C错误;⑤为坩埚,使用坩埚加热时要放在泥三角上进行加热,D正确。
2.B 解析 不能用Fe2(SO4)3饱和溶液,硫酸铁水解生成氢氧化铁和硫酸,硫酸难挥发,不利于胶体生成,A错误;肥皂泡点燃时产生爆鸣声,说明产生了H2,B正确;蒸馏装置中温度计测量的是蒸气的温度,温度计水银球应该位于蒸馏烧瓶支管口处,C错误;金属搅拌棒导热较快,会造成热量散失,应该用环形玻璃搅拌器,D错误。
3.B 解析 装置①可根据单位时间内生成氧气的体积测定反应速率;用装置②比较NaHCO3和Na2CO3的热稳定性,应将NaHCO3和Na2CO3的位置颠倒过来,故B项不能完成相应实验;装置③中分液漏斗和蒸馏烧瓶相通,压强相等,液体能顺利滴下;装置④中当夹紧止水夹后,右侧气压增大,液面下降,大理石与盐酸脱离,反应终止,故D项正确。
4.D 解析 液溴能腐蚀橡胶,A错误;滴定管和容量瓶不能烘干,B错误;乙醇易挥发,高锰酸钾具有强氧化性,两者发生反应使高锰酸钾变质,C错误;滴定接近终点时,滴定管尖端可以接触锥形瓶内壁,使液体滴入锥形瓶中,D正确。
5.A 解析 过氧化钠与水反应生成氢氧化钠和氧气,且反应放出大量的热,促使浓氨水中的NH3·H2O分解释放出氨,故可以制备NH3和O2的混合气体,A符合题意;浓硫酸具有强氧化性,碘离子具有较强的还原性,两者发生氧化还原反应生成碘单质,B不符合题意;硫化铜与稀硫酸不反应,不能生成硫化氢,C不符合题意;稀硝酸具有强氧化性,会把亚硫酸钠氧化为硫酸钠,D不符合题意。
6.D 解析 NaClO溶液具有漂白性,不能用pH试纸测定其pH,A错误;SO2通入滴有酚酞的NaOH溶液中,溶液红色褪去,体现了SO2具有酸性氧化物的性质,B错误;HS+H2O2S+H++H2O,该反应没有明显现象,则不能探究浓度对反应速率的影响,C错误;2Fe3++2I-2Fe2++I2,计算可知I-过量、Fe3+不足,充分反应后,滴加几滴KSCN溶液,观察到溶液变为红色,即说明有Fe3+剩余,则说明该反应是一个可逆反应,D正确。
7.A 解析 灼烧固体应在坩埚中进行,A错误;酸性高锰酸钾应用酸式滴定管盛装,图中装置可用于酸性KMnO4溶液滴定K2C2O4溶液,B正确;二氧化硫易溶于氢氧化钠溶液,挤压胶头滴管,SO2与NaOH溶液反应,烧瓶中压强减小,可形成较大的内外压强差,从而形成喷泉,C正确;Zn比Fe活泼,形成原电池后Zn作负极,Fe作正极,通过铁氰化钾溶液检验溶液中是否有亚铁离子生成,从而验证“牺牲阳极的阴极保护法”使铁防腐,D正确。
8.C 解析 检验溶液中硫酸亚铁是否被氧化,也就是检验溶液中是否有铁离子生成,通常是向待测液中加KSCN溶液,若溶液变红,则证明硫酸亚铁被氧化,A项正确;实验室用二氧化锰和浓盐酸制备的氯气中含有氯化氢气体和水蒸气,若想得到干燥纯净的氯气,通常先将制得的氯气通过饱和NaCl溶液以除去氯化氢杂质,再使气体通过浓硫酸除去水蒸气,即可得干燥纯净的氯气,B项正确;用pH试纸测待测液的pH时,不能事先将试纸湿润,否则会引起误差,C项错误;向工业酒精中加入生石灰除去水分,再通过蒸馏,即可得到无水乙醇,D项正确。
9.B 解析 配制100mL一定物质的量浓度的NaCl溶液的步骤包括计算、称量、溶解、转移、洗涤、定容、摇匀等,需要的仪器有:天平、药匙、烧杯、量筒、玻璃棒、100mL容量瓶、胶头滴管等,选项中所选玻璃仪器缺少胶头滴管,A不符合题意;往烧杯中加入适量蒸馏水并加热至沸腾,向沸水中滴加几滴饱和氯化铁溶液,继续煮沸至溶液呈红褐色停止加热,得到氢氧化铁胶体,所选玻璃仪器和试剂均准确、完整,B符合题意;用标准盐酸滴定待测氢氧化钠溶液可测定出氢氧化钠的浓度,取待测液时需选取碱式滴定管,酸式滴定管则盛装标准盐酸,所以所选仪器还应有碱式滴定管,C不符合题意;制备乙酸乙酯时需要用浓硫酸作催化剂和吸水剂,所选试剂中缺少浓硫酸,D不符合题意。
10.C 解析 浓硫酸与铜反应需要加热,甲装置没有酒精灯,无法反应制取SO2,A错误;胶头滴管使用时应垂悬于容量瓶上方,不能伸入容量瓶内,会污染试剂,B错误;用装置丙可以过滤“沉钴”所得悬浊液,且装置中操作正确,C正确;灼烧CCO3固体应用坩埚,不能在烧杯中直接灼烧固体,D错误。
11.答案 (1)100 mL容量瓶、托盘天平 (2)①Cl2 氧化 ②实验Ⅰ中淀粉碘化钾试纸变蓝及褪色的时间更短
③NaOH (3)①避免碘单质升华 ClO-+2I-+2H+Cl-+I2+H2O ②无色 1.10%
解析 (1)将无水乙醇配成75%医用酒精,需要加一定量的水稀释,故所用仪器为量筒和烧杯,不需要100mL容量瓶、托盘天平。
(2)①能使淀粉碘化钾试纸变蓝,说明反应生成了I2,结合乙醇具有还原性,NaClO具有强氧化性,则该实验原理为:首先乙醇与NaClO反应生成了Cl2,然后发生Cl2+2KI2KCl+I2,淀粉溶液遇I2变蓝,过量的Cl2又将I2氧化,导致蓝色褪去。
②对比实验Ⅰ和Ⅱ的现象,实验Ⅰ中淀粉碘化钾试纸变蓝及褪色的时间更短,说明乙醇将NaClO还原为Cl2。
③测得实验Ⅰ中混合溶液的pH由12.38逐渐增大至12.80,溶液碱性增强,说明乙醇与NaClO反应可能生成NaOH。
(3)①单质碘易升华,因此滴定前,要将锥形瓶置于“冷暗处”;NaClO与KI反应时,I-被ClO-氧化生成I2,ClO-本身被还原为Cl-,根据得失电子守恒、电荷守恒及原子守恒配平,反应的离子方程式为ClO-+2I-+2H+Cl-+I2+H2O。
②滴定前溶液为蓝色,滴定终点时I2被消耗完,溶液的颜色变为无色;
根据ClO-+2I-+2H+Cl-+I2+H2O,I2+2S22I-+S4,得到关系式:ClO-~2I-~I2~2S2,n(ClO-)=n(S2)=×0.1000ml·L-1×14.80×10-3L=7.40×10-4ml,则m(NaClO)=7.40×10-4ml×74.5g·ml-1=0.05513g,5.00mL反应后溶液的质量为1g·mL-1×5.00mL=5.00g,则NaClO的质量分数=×100%≈1.10%。选项
①中物质
②中物质
实验目的
A
浓氨水
Na2O2
制备NH3和O2的混合气体
B
浓硫酸
KI
制备HI
C
稀硫酸
CuS
制备H2S
D
稀硝酸
Na2SO3
制备SO2
选项
实验目的
实验操作
A
探究NaClO溶液的酸碱性
用pH试纸测定溶液的pH
B
验证SO2具有漂白性
SO2缓慢通入滴有酚酞的NaOH溶液中,观察溶液颜色变化
C
探究浓度对反应速率的影响
同时向2支各盛有5 mL不同浓度的NaHSO3溶液的试管中加入2 mL 5% H2O2溶液,观察实验现象
D
证明FeCl3与KI之间是可逆反应
向1 mL 0.1 ml·L-1 FeCl3溶液中滴加2 mL 0.1 ml·L-1 KI溶液,充分反应后,滴加几滴KSCN溶液,观察到溶液变为红色
选项
实验目的
实验设计
A
检验溶液中FeSO4是否被氧化
取少量待测液,滴加KSCN溶液,观察溶液颜色变化
B
净化实验室制备的Cl2
气体依次通过盛有饱和NaCl溶液、浓H2SO4的洗气瓶
C
测定NaOH溶液的pH
将待测液滴在湿润的pH试纸上,与标准比色卡对照
D
工业酒精制备无水乙醇
工业酒精中加生石灰,蒸馏
选项
实验目的
玻璃仪器
试剂
A
配制100 mL一定物质的量浓度的NaCl溶液
100 mL容量瓶、烧杯、量筒、玻璃棒
蒸馏水、NaCl固体
B
制备Fe(OH)3胶体
烧杯、酒精灯、胶头滴管
蒸馏水、饱和FeCl3溶液
C
测定NaOH溶液浓度
烧杯、锥形瓶、胶头滴管、酸式滴定管
待测NaOH溶液、已知浓度的盐酸、甲基橙试剂
D
制备乙酸乙酯
试管、量筒、导管、酒精灯
冰醋酸、无水乙醇、饱和Na2CO3溶液
2025届高考化学一轮复习专项练习课时规范练27化学实验常用仪器和基本操作: 这是一份2025届高考化学一轮复习专项练习课时规范练27化学实验常用仪器和基本操作,共8页。试卷主要包含了现有中学化学常见仪器如图所示,下列实验操作能达到实验目的的是等内容,欢迎下载使用。
2025届高考化学一轮复习专项练习课时规范练27化学实验常用仪器和基本操作: 这是一份2025届高考化学一轮复习专项练习课时规范练27化学实验常用仪器和基本操作,共7页。试卷主要包含了现有中学化学常见仪器如图所示,下列实验操作能达到实验目的的是等内容,欢迎下载使用。
2024届高考化学一轮总复习课时跟踪练34化学实验常用仪器及基本操作: 这是一份2024届高考化学一轮总复习课时跟踪练34化学实验常用仪器及基本操作,共11页。试卷主要包含了选择题,非选择题等内容,欢迎下载使用。

