2024年中考化学二轮专项复习核心考点专题-11 物质成分的探究-(原卷版+解析版)
展开【题型一】有关气体成分探究
(2023•仓山区校级模拟)兴趣小组为了探究C与CuO反应生成的气体,设计如图装置进行实验:
步骤①先向波形管中通入N2一会儿,在戊处连接瘪气球,关闭甲处止水夹;
步骤②点燃丁处酒精灯,观察到CuO不变色;
步骤③继续加热丁处,点燃乙处酒精灯。
观察到乙、丁两处均有红色物质生成,丙处澄清石灰水变浑浊。下列说法错误的是( )
A.通N2是为了排出氧气,避免干扰后续实验
B.步骤②与步骤③均加热丁处,是对照实验
C.从丙处现象推理C与CuO反应一定生成了CO2
D.从丁处现象推理C与CuO反应一定生成了CO
(2023•东营区校级模拟)用如图装置(图中a处置于80℃热水浴中,夹持装置省略)模拟工业炼铁,已知甲酸(HCOOH)在热浓硫酸的作用下生成水和一氧化碳。下列说法不正确的是( )
A.实验中应先滴加甲酸再点燃酒精喷灯
B.实验中可观察到b处黑色固体变红,c处澄清石灰水变浑浊
C.b处反应后称量固体发现固体质量减少
D.实验中产生的尾气可用酒精灯点燃处理
进行混合气体中各成分的检验时,要考虑检验的先后顺序,以排除干扰。
如检验 CO、CO2、水蒸气、H2的混合气体时,检验顺序为水蒸气→CO2→H2→CO。
【题型二】有关固体成分探究
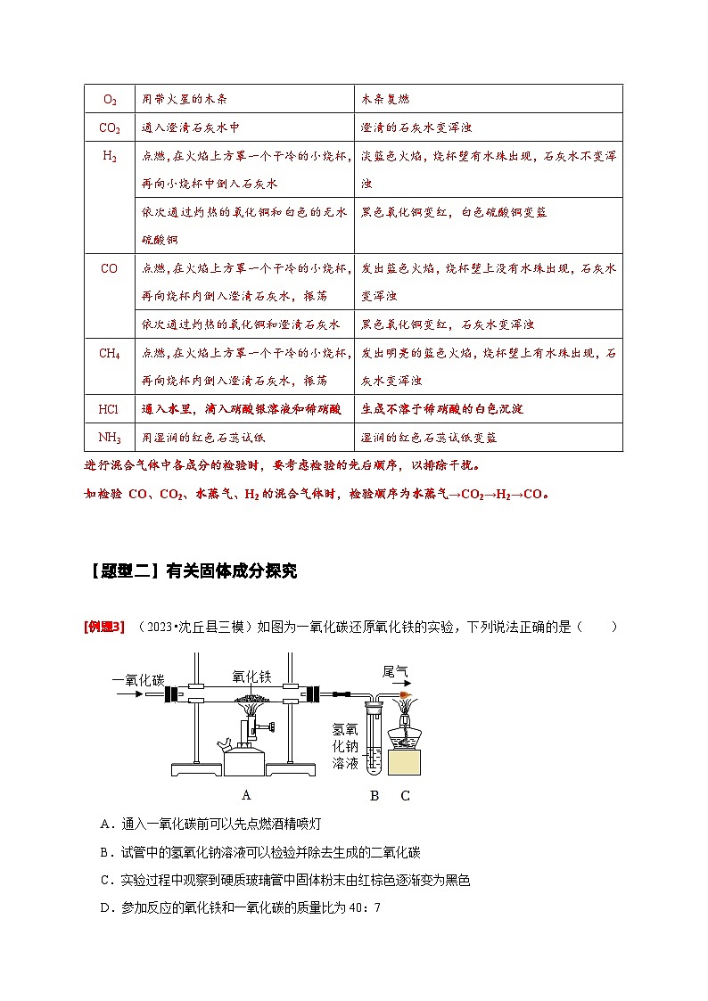
(2023•沈丘县三模)如图为一氧化碳还原氧化铁的实验,下列说法正确的是( )
A.通入一氧化碳前可以先点燃酒精喷灯
B.试管中的氢氧化钠溶液可以检验并除去生成的二氧化碳
C.实验过程中观察到硬质玻璃管中固体粉末由红棕色逐渐变为黑色
D.参加反应的氧化铁和一氧化碳的质量比为40:7
(2023•潍坊二模)向一定质量的Mg(NO3)2和Cu(NO3)2混合溶液中加入a克锌粉和铁粉的混合物,充分反应后过滤,得到不饱和的滤液和滤渣,将滤渣洗涤、干燥后再称量,得到的固体质量仍为a克。下列分析合理的是( )
A.滤渣中可能有铜
B.向滤渣中加稀盐酸,不可能有气泡产生
C.滤液中一定有Mg(NO3)2、Zn(NO3)2和Fe(NO3)2,可能有Cu(NO3)2
D.滤液中溶质的质量一定大于原混合溶液溶质的质量
固体混合物成分的探究:
1.一般可采用加水溶解,加酸碱指示剂判断溶液酸碱性,加酸观察是否产生气体,加碱溶液、Ba(NO3)2)溶液、AgN03;溶液等观察是否产生沉淀等方法进行探究。
2.若为盐或碱的固体混合物,一般可先加水溶解,再依据构成该盐或碱的阴、阳离子的特殊性质,加入合适的试剂,检验离子是否存在,从而判断相应物质是否存在;对于不溶解的固体,可加酸观察是否溶解或产生气体。
3.若为金属混合物,一般加酸观察是否产生气体;或使金属与盐溶液反应,观察是否有固体析出或溶液颜色变化。
【题型三】有关化学反应后成分探究
(2023•横山区二模)为了探究稀硫酸的化学性质,化学兴趣小组的同学做了如图甲所示实验,观察到试管①中溶液呈蓝色,试管②中有气泡冒出。实验结束后,将试管①、②内的物质全部倒入同一烧杯中,充分反应后静置,现象如图乙所示。有关图乙烧杯内的固体和溶液,下列说法正确的是( )
A.固体中最多有两种物质
B.若固体中有镁,则溶液中的溶质可能有两种
C.若溶液呈酸性,则溶液中一定含有硫酸铜
D.若溶液呈蓝色,则固体中可能有两种物质
(2023•江岸区校级模拟)如图1所示,某同学将反应后试管中的物质全部倒入烧杯时,发现烧杯内白色沉淀明显增多。为了探究烧杯内物质的成分,他立即向其中逐滴加入稀硝酸,并不断搅拌,烧杯内沉淀的质量随加入稀硝酸的质量变化如图2所示,关于该实验有以下说法,其中正确的是( )
A.充分反应后,试管①的溶液中含有NaCl和Na2CO3
B.可用硝酸与硝酸银验证试管①反应后是否含有BaCl2
C.A点烧杯内的溶液中含有Na+、Cl﹣、Ba2+
D.若A点对应值为8.00时,m点对应值为8.72
1、一种试剂的鉴别:
a. 几种溶液含不同阳离子时,常选用Ba(OH)2溶液或NaOH溶液做鉴别试剂。
b. 几种溶液含不同阴离子时,常选用强酸做鉴别试剂。
c. 几种溶液酸碱性不同时,常选用紫色石蕊做鉴别试剂。
d. 几种物质是金属或金属氧化物时,常选用稀强酸做鉴别试剂。
e. 一种试剂与四种溶液反应时,应是现象对比度大。多数是有沉淀、有气体,既有沉淀又有气体、沉淀颜色不同,无明显现象。
f 当给定的一种试剂不能鉴别出被检物时,可从已鉴别出的物质中找出一种试剂再鉴别。
2、不同试剂的鉴别:
a. 观察法:根据物理性质中颜色、气味、状态、溶解性等进行鉴别。
b. 热分解法:根据不同物质的热稳定性,利用产物的不同性质特征进行鉴别。
c. 相互作用法:根据两两混合后的不同现象进行鉴别。
(2023•梧州模拟)取2mL饱和的澄清石灰水于试管中,用4mL蒸馏水稀释,向其中缓慢通入足量CO2。测定反应体系的电导率变化如图所示,已知溶液中离子种类越多、浓度越大,溶液的电导率越大,反应前后溶液体积不变。下列说法正确的是( )
A.ab段溶液中离子浓度逐渐增大
B.bc段可观察到白色沉淀逐渐增多
C.bc段是CaCO3转化为Ca(HCO3)2的过程
D.溶液中的离子导电能力强弱比较:c>a
(2023•香洲区校级三模)小安完成了如图示实验①②③,下列判断不正确的是( )
A.实验①中石灰水没有剩余
B.实验②中有沉淀产生
C.实验③中有气泡产生
D.实验③所得溶液中一定含CaCl2、NaCl和HCl
(2023•渌口区二模)向一定量稀硫酸中加入一定量铜粉,无气泡冒出;用导管向稀硫酸中通入空气并加热,铜粉逐渐减少,溶液由无色变为蓝色,测得溶液质量与实验时间的关系如图。下列说法错误的是( )
A.ab段说明Cu不能置换出硫酸中的氢元素
B.从b点到c点,说明铜粉参与化学反应
C.从c点到d点,溶液中的溶质只有一种
D.bc段发生的反应为:2Cu+2H2SO4+O2△¯2CuSO4+2H2O
(2023•无锡三模)mgCaCO3煅烧一段时间,冷却,称得剩余固体的质量为42.4g。向剩余固体中加入足量的稀HCl,充分反应,将所得溶液蒸干,得到66.6gCaCl2。下列说法不正确的是( )
A.m=60
B.剩余固体中CaCO3、CaO的质量比为25:14
C.向剩余固体中加入稀HCl时,会有热量放出
D.煅烧前后的固体分别与足量稀HCl反应,两者消耗HCl的质量相等
(2023•崇川区校级三模)通过下列实验探究CaCO3的性质:
步骤一:将CaCO3粉末灼烧一段时间,再将灼烧后的固体投入盛水的烧杯,冷却至室温,测其pH约为12。
步骤二:向试管中加入少量CaCO3粉末,然后加入10mL蒸馏水,振荡后制成CaCO3悬浊液,室温时测其pH约为9。在相同实验条件下,用电导率传感器测得蒸馏水的电导率是8.5,CaCO3悬浊液电导率为74。
注:一定体积的溶液中,离子数目越多,其离子浓度越大,导电性越强,电导率越大
下列说法不正确的是( )
A.步骤一中加入酚酞溶液,溶液变红
B.步骤一中CaCO3不一定发生分解反应
C.步骤二说明有部分CaCO3溶于水
D.由实验可知盐溶液不一定呈中性
(2023•桓台县二模)某同学将一定量的铁粉投入到一定质量的硫酸铜溶液中,反应完全后过滤。对于下列说法你认为不正确的是( )
A.滤渣中一定含有铜
B.若滤渣中有铁,则滤液中的溶质是CuSO4、FeSO4
C.滤液中一定含有Fe2+
D.反应后的溶液质量比原溶液质量小
(2023•吉安县校级一模)将质量为m1g的锌粉和铁粉的混合物加入一定质量的硫酸铜溶液中,充分反应后过滤,滤渣经洗涤干燥,称其质量为m2g。下列说法正确的是( )
A.若m1=m2,则滤渣中一定没有锌
B.若m1<m2,则滤液中的金属离子只有Zn2+
C.若m1>m2,则滤液中一定没有硫酸锌
D.若m1=m2,则滤液中一定没有铜离子
(2023•常州模拟)已知温度高于350℃时,氢氧化镁开始分解为氧化镁和水,温度高于850℃时,碳酸钙开始分解。取12.9g两者的混合物加热,剩余固体质量随时间变化如图所示。下列说法错误的是( )
A.由题可知碳酸钙的热稳定性优于氢氧化镁
B.x点,剩余固体为MgO、Mg(OH)2和CaCO3
C.y点,剩余固体中镁元素质量为1.2g
D.若剩余固体中ωCa=36.0%,则剩余固体的成分为CaCO3和MgO
(2023•海口模拟)已知一定温度和体积下气体的压强与分子数成正比,P0表示1个标准大气压。将一定质量的碳粉和氧气在耐压密闭容器中用电热丝引燃使之充分反应,并利用压强传感器测定容器内的气压变化,观察到碳粉完全消失,如图为该过程中气压变化图像。下列说法正确的是( )
A.A点温度达到了炭粉着火点B.BC段至少发生2个化学反应
C.CD段为一氧化碳与氧气反应D.D点气体的成分是CO2和O2
(2023•汕头二模)草木灰是一种含钾的农家肥,兴趣小组的同学对其开展探究。
(1)钾肥主要作用在农作物的 (填植物的营养器官名称)。
(2)为了探究草木灰的浸出液的成分,先将草木灰用蒸馏水充分浸泡,过滤后备用。
①在白瓷板上放一片pH试纸,用 ,将试纸显示的颜色与标准比色卡比较,读出pH为12,说明溶液显 性。
②猜想Ⅰ浸出液中含有KOH;猜想Ⅱ浸出液中含有K2CO3
③有同学认为,仅有实验a的现象不能证明猜想Ⅱ成立,还应该排除浸出液中是否存在K2SO4,可另取浸出液于试管中,加入溶液后,再加入足量的 ,若产生气泡且 ,则浸出液中没有K2SO4。
(3)下列化肥可与草木灰混合施用的是 。
A.氯化铵B.氯化钾C.硝酸钠D.碳酸氢铵
(2023•永善县二模)金属材料在人类发展的历史长河中起着非常重要的作用。
(1)我国探月工程嫦娥五号探测器用到了铝合金材料。一般情况下,铝合金的硬度比纯铝的 (选填“大”或“小”)。
(2)铁在潮湿的空气中容易生锈,其锈蚀是铁与空气中的 发生化学反应的结果。
(3)现有铁、镁、铜三种金属,为验证这三种金属的活动性顺序,某同学设计了以下三个实验:
①实验A中发生反应的化学方程式为 。
②实验B、C中均无明显现象,故另一位同学认为实验 (填字母)可以省去。
(4)向Fe(NO3)2、Cu(NO3)2、AgNO3的混合溶液中加入一定量的镁粉并充分反应,过滤得滤渣和滤液。向滤渣中加入盐酸,若无气泡产生,则滤液中一定含有的金属离子是 ;滤渣中可能含有 。
(2023•阜宁县校级模拟)ZB是常用的阻燃剂。已知:
Ⅰ.用硼酸(H3BO3)与ZnO、H2O合成ZB,ZB的组成会受温度等合成条件的影响。
Ⅱ.ZB受热,先释放出水;当温度高于350℃,生成ZnO和B2O3固体;继续升温到400℃以上,B2O3熔化为玻璃态物质。
(1)ZB能起阻燃作用的原因是 (写一种)。
(2)为研究温度对合成的ZB组成的影响,研究小组在不同温度下制取ZB。实验如下:
x、y分别为 和 。
(3)为检测102℃时合成的ZB含水的质量分数,某同学利用如图1装置(夹持仪器已略)进行实验。
实验时,需要称量获得的数据有:ZB样品的质量、 的质量。
(4)为评估102℃时合成的ZB的阻燃性能,进行木材粉末灼烧残重实验,某温度下,灼烧质量相同的两份干燥的木材粉末(一份经ZB处理)30min,测量残留固体质量,调整温度,重复实验,得到木材粉末灼烧后固体残留率(w)随温度变化关系如图2。
(注:w=残留固体质量木材粉末质量×100%;残留固体质量已扣除ZB的残余质量)
①低于200℃时,两份木材粉末质量均保持不变的原因是 。
②图中曲线 (填“a”或“b”)对应的木材粉末是经ZB处理的,判断的理由是 。
(5)为寻找阻燃性能最佳的ZB的合成温度,应开展的实验是 。
(2023•武进区校级模拟)用下列实验探究Al与CuCl2溶液的反应。
实验一:将打磨后的铝片插入CuCl2溶液,铝片表面出现红色固体且产生气泡,最终溶液呈无色。
(1)生成红色固体的化学方程式为 。
(2)收集气体,点燃,产生淡蓝色火焰。该气体为 。
实验二:将实验一所得无色溶液倒入水中,出现白色固体。过滤、洗涤、低温烘干。对所得白色固体作如下探究。
【资料】①AlCl3能与H2O作用生成Al(OH)3。Al(OH)3白色固体,不溶于水,受热易分解生成Al2O3和H2O。
②Al与CuCl2溶液反应会生成CuCl。CuCl白色固体,不溶于水,能溶于含氯离子浓度较大的溶液,受热不分解。
【猜测】白色固体可能是:
a.Al(OH)3;b.CuCl;c.Al(OH)3和CuCl。
【实验】取适量白色固体,利用如图装置充分加热,U形管中 ,则猜测b成立。
【反思】无色溶液倒入水中后出现白色固体的原因是 。
实验三:CuCl在空气中被氧化成碱式氯化铜[Cux(OH)yClz]蓝绿色固体,其受热会分解生成CuO、H2O和HCl。取一定量蓝绿色固体,充分加热,将生成的气体依次用足量的吸水剂氯化钙和烧碱溶液充分吸收。
(1)实验测得氯化钙增重0.36g,烧碱溶液增重0.73g。则碱式氯化铜的化学式为 。
(2)若烧碱溶液吸收了空气中的CO2,则测得的Cux(OH)yClz中x的值 (填“偏大”“偏小”或“不变”)。
气体
检验方法
现象
O2
用带火星的木条
木条复燃
CO2
通入澄清石灰水中
澄清的石灰水变浑浊
H2
点燃,在火焰上方罩一个干冷的小烧杯,再向小烧杯中倒入石灰水
淡蓝色火焰,烧杯壁有水珠出现,石灰水不变浑浊
依次通过灼热的氧化铜和白色的无水硫酸铜
黑色氧化铜变红,白色硫酸铜变蓝
CO
点燃,在火焰上方罩一个干冷的小烧杯,再向烧杯内倒入澄清石灰水,振荡
发出蓝色火焰,烧杯壁上没有水珠出现,石灰水变浑浊
依次通过灼热的氧化铜和澄清石灰水
黑色氧化铜变红,石灰水变浑浊
CH4
点燃,在火焰上方罩一个干冷的小烧杯,再向烧杯内倒入澄清石灰水,振荡
发出明亮的蓝色火焰,烧杯壁上有水珠出现,石灰水变浑浊
HCl
通入水里,滴入硝酸银溶液和稀硝酸
生成不溶于稀硝酸的白色沉淀
NH3
用湿润的红色石蕊试纸
湿润的红色石蕊试纸变蓝
实验
现象
结论
a.取适量浸出液于试管中,加入足量的BaCl2溶液。
猜想Ⅱ成立,反应的化学方程式
b.将a反应后溶液静置,取上层清液滴入无色酚酞试液
无明显现象
m(H3BO3)/g
m(ZnO)/g
V(H2O)/mL
t/℃
实验1
28
10
100
94
实验2
x
10
100
98
实验3
28
y
100
102
2024年中考化学二轮专项复习核心考点专题-13 物质推断-(原卷版+解析版): 这是一份2024年中考化学二轮专项复习核心考点专题-13 物质推断-(原卷版+解析版),文件包含专题13物质推断原卷版docx、专题13物质推断解析版docx等2份试卷配套教学资源,其中试卷共31页, 欢迎下载使用。
2024年中考化学二轮专项复习核心考点专题-12 化学计算-(原卷版+解析版): 这是一份2024年中考化学二轮专项复习核心考点专题-12 化学计算-(原卷版+解析版),文件包含专题12化学计算原卷版docx、专题12化学计算解析版docx等2份试卷配套教学资源,其中试卷共33页, 欢迎下载使用。
2024年中考化学二轮专项复习核心考点专题-06 物质的变质问题-(原卷版+解析版): 这是一份2024年中考化学二轮专项复习核心考点专题-06 物质的变质问题-(原卷版+解析版),文件包含专题06物质的变质问题原卷版docx、专题06物质的变质问题解析版docx等2份试卷配套教学资源,其中试卷共31页, 欢迎下载使用。

