新教材高考生物二轮复习大题分析与表达练7基因工程类大题突破含答案
展开(1)上述灭活疫苗中的“灭活”是使新型冠状病毒失去 ,但并不破坏该病毒的 。
(2)制备重组蛋白疫苗和腺病毒载体疫苗均需要获取S蛋白基因,获取过程是提取新型冠状病毒总RNA,在 酶的作用下合成DNA,再采用PCR技术选择性扩增出S蛋白基因。PCR技术的前提是要有一段 ,以便根据这一序列设计出特异性的引物。
(3)腺病毒载体疫苗是将S蛋白基因重组到改造后的腺病毒内,导入人体,在体内产生S蛋白,刺激人体产生相应抗体。改造后的腺病毒载体应具备的条件是 (答出两点即可)。与重组蛋白疫苗相比,腺病毒载体疫苗的优点体现在 。
(4)腺病毒载体疫苗注入人体后,其发挥作用的机理是
。2.基因工程抗体又称重组抗体,是指利用重组DNA及蛋白质工程技术对编码抗体的基因按不同需要进行加工改造和重新装配,经转染适当的受体细胞所表达的抗体分子。下图为某研究所制备小鼠抗甲型肝炎病毒抗体的流程图。回答下列问题。
(1)实验室构建重组质粒时,为保证目的基因与载体的正确连接,过程①最好选择的限制酶是 。
(2)在重组质粒中,目的基因首端的启动子能够 ,从而驱动目的基因的转录。除启动子之外,重组质粒还应该包含 等。
(3)为了筛选出导入目的基因的骨髓瘤细胞,可以在过程③的培养液中添加 ,过程③所获得的细胞具有 的特点。
(4)临床试验发现,过程⑤提取的小鼠抗甲型肝炎病毒抗体具有外源性,容易被人体的免疫系统清除,从而导致其治疗效果大大降低。下页左上图抗体中的A区是与抗原特异性结合的区域,B区是引起人体免疫反应的区域。若要避免小鼠抗甲型肝炎病毒抗体被人体免疫系统清除,请提出合理的改造思路。
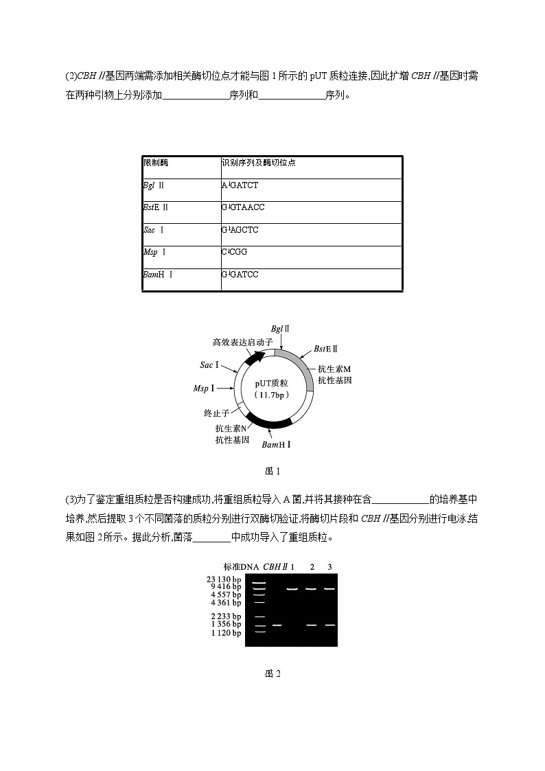
3.某研究小组从土壤中分离获得能分解纤维素的细菌(A 菌),从 A 菌中提取出一种纤维素酶基因(CBHⅡ,长度为1.4 kbp)并进行 PCR扩增,然后与高效表达载体 pUT质粒(长度约为 11.7 kbp)连接构建成重组质粒并导入 A 菌,从而获得分解纤维素能力更强的工程菌(B菌)。回答下列问题。
(1)采集土样时,可以选择树林中多年落叶形成的腐殖土,原因是 。采集到的样品加无菌水稀释后 (填“需要”或“不需要”)进行灭菌处理。
(2)CBHⅡ基因两端需添加相关酶切位点才能与图1 所示的pUT质粒连接,因此扩增CBHⅡ基因时需在两种引物上分别添加 序列和 序列。
图1
(3)为了鉴定重组质粒是否构建成功,将重组质粒导入A菌,并将其接种在含 的培养基中培养,然后提取3个不同菌落的质粒分别进行双酶切验证,将酶切片段和CBHⅡ基因分别进行电泳,结果如图2所示。据此分析,菌落 中成功导入了重组质粒。
图2
(4)为检测B菌的纤维素分解能力,将含有质量分数为20%的纤维素的培养基分为3组,一组接种B菌,一组不作处理,一组接种 ,在相同条件下培养一段时间,测定培养基中纤维素含量,结果如图3所示,说明
。
图3
4.菊天牛是菊花的主要害虫之一。科研人员将抗虫基因转入菊花,培育出抗虫菊花。下图是获得转基因菊花的技术流程图。请据图回答下列问题。
注卡那霉素抗性基因(KanR)作为标记基因,菊花叶片对卡那霉素高度敏感。
(1)质粒是基因工程中最常用的载体,其化学本质是 ,基因工程的核心是 。
(2)将重组Ti质粒导入农杆菌的目的是利用农杆菌能够 的特点,使目的基因进入受体细胞中,并插入菊花细胞的 上,最终形成转基因植株。生产上常将转基因作物与非转基因作物混合种植,其目的是
。(3)若利用DNA分子杂交技术检测转基因菊花是否含有目的基因,应该用 作为探针;用PCR技术扩增目的基因需根据基因两端的部分碱基序列设计特异性引物,若其中一种引物共用了31个,则目的基因最多扩增了 次。
5.科学家利用基因编辑技术将抑癌基因ΔNp63α定点插入小鼠胰腺癌细胞中,以研究其在胰腺癌细胞中的作用。具体方法是设计特定的sgRNA序列,构建Cas9-sgRNA质粒(如图甲所示),将其导入胰腺癌细胞并表达;sgRNA能识别并结合胰腺癌细胞基因组DNA中的特定序列,引导Cas9蛋白对特定位点进行剪切,使DNA双链断裂(如图乙所示);携带ANPΔNp63α基因的供体质粒与断裂DNA的高度同源序列(同源臂)发生互换,从而将ANPΔNp63α基因定点插入胰腺癌细胞基因组中(如图丙所示)。回答下列问题。
甲
乙
丙
(1)图甲所示的Cas9-sgRNA质粒中,新霉素抗性基因的作用是 ,除去图示结构外,还应有的结构是 。
(2)Cas9蛋白可对特定的DNA序列切割,在功能上最接近于 酶。将Cas9-sgRNA质粒和供体质粒导入胰腺癌细胞的方法是 。
(3)若要检测ΔNp63α基因是否已导入成功,可使用 技术。被ΔNp63α基因成功转化的胰腺癌细胞体外培养时,在细胞水平上可能发生的变化有 。
(4)在上述基因编辑过程中,下列核酸序列中应已知碱基序列的有 。
A.sgRNA识别序列
B.同源臂1
C.同源臂2
D.CMV启动子
(5)此技术优于传统基因工程之处在于
。6.生物柴油作为新型能源已经成为世界上应用广泛、发展迅猛的可再生能源之一。研究人员利用基因工程的方法,将油料作物紫苏的产油基因DGAT1与含有氨苄青霉素抗性基因的pMD克隆质粒构建pMD-DGAT1重组质粒,然后导入大肠杆菌扩大培养;再提取出扩增的pMD-DGAT1克隆质粒,与pBI121空载体同时用XbaⅠ、BamH Ⅰ两种限制酶酶切,构建pBI121-DGAT1表达载体;最后将表达载体导入四尾栅藻获得产油微藻,利用地热废水培养产油微藻不仅能生产生物柴油,还能治理地热废水。回答下列问题。
(1)提取紫苏组织细胞RNA经过 得到cDNA,再利用PCR技术扩增得到DGAT1基因。在PCR扩增之前,需要对DGAT1基因进行一次预变性的目的是 ;在扩增DGAT1基因时,需要根据 设计特异性引物序列。
(2)在配制培养大肠杆菌的培养基时,要在培养基灭菌并冷却到30 ℃左右后,加入用无菌水配制的适宜浓度的氨苄青霉素溶液,氨苄青霉素不能与培养基一同灭菌的原因可能是
。(3)将DGAT1基因插入pBI121空载体的启动子与终止子之间的目的是 。若用DGAT1基因探针检测产油微藻,能检测到细胞中的 ;判断产油微藻细胞中DGAT1基因是否成功表达,需要加入 进行检测。
(4)为检测产油微藻对地热废水的去污能力,研究人员设计实验并得到相应实验结果如下表所示。
该实验不能说明产油微藻显著提高了去污能力,请进一步完善实验设计。
。7.研究发现,新型冠状病毒外壳中的S蛋白具有很强的抗原性,可利用其制备单克隆抗体,制备流程如下图所示,相关限制酶及其识别序列如下表所示。请分析回答下列问题。
(1)人体内分泌抗体的细胞可来自 细胞的增殖分化。
(2)根据病毒的结构,图中①过程常用 酶处理,完成②过程需要的酶是 。
(3)检测④过程是否成功的方法是 ,⑥过程常用的方法是 。
(4)利用PCR技术扩增无限增殖调控基因时,科研人员设计了如下一对引物(部分序列):
和
,其中下划线部分序列的设计依据是 ,方框部分序列的设计目的是
。
(5)抗体可变区氨基酸的组成和排列顺序可随抗体结合抗原的特异性不同而有较大的变异,由于可变区中氨基酸的种类以及排列顺序千变万化,故可形成许多种具有不同结合抗原特异性的抗体。为克服鼠源单克隆抗体输入人体后产生的免疫排斥反应,科研人员通过人工改造鼠源单克隆抗体获得了嵌合抗体。分析下图,你认为最符合临床要求的嵌合抗体是A~D中的 。嵌合抗体的研制属于 这一技术范畴。
8.番茄果实后熟问题影响番茄的生产、加工和运输。ACC合成酶是番茄细胞合成乙烯的关键酶,科学家利用反义基因技术培育出了耐储存、利于长途运输的番茄新品种,具体做法是采用农杆菌转化法将携带有反义ACC合成酶基因的重组质粒M导入番茄栽培品种中,经过卡那霉素筛选后,获得番茄新品种。反义基因是指人工合成出的一段与某种基因碱基序列相同的DNA,经过人为操作使之在转录生成mRNA时,模板链与原基因不同。回答下列问题。
(1)农杆菌转化法适用的植物种类是 。重组质粒M中的抗性基因是 。
(2)有同学提出若要提取番茄中控制ACC合成酶的基因,只能利用成熟的番茄组织。你认为他的说法是否有道理? 。作出判断的依据是 。
(3)ACC合成酶基因在番茄细胞中表达的过程发生在细胞内的 中。反义ACC合成酶基因转录启动后,检测发现番茄果实中乙烯含量显著降低,推测其机理最可能是
。
大题分析与表达练7 基因工程类大题突破
1.答案 (1)感染性 抗原结构
(2)逆转录 已知S蛋白基因的核苷酸序列
(3)具有一个至多个限制酶切割位点、能自我复制(或具有标记基因) 能够持续表达抗原,免疫应答持久
(4)腺病毒能够将S蛋白基因转入受体细胞中,并在受体细胞中表达出S蛋白,作为抗原引起人体的免疫应答
解析 (1)由题干可知,灭活疫苗是用各种理化方法灭活病原微生物及其代谢物,使其逐渐丧失感染性。作为疫苗,要保留有抗原性,以激发体内的特异性免疫,所以并不破坏该病毒的抗原结构。
(2)遗传信息从RNA传递到DNA的过程称为逆转录,需要逆转录酶的催化。PCR技术的前提条件是要有一段已知目的基因(S蛋白基因)的核苷酸序列,以便根据这一序列设计出特异性的引物。
(3)基因工程中载体应具备的条件有能自我复制,有一个至多个限制酶切割位点,具有标记基因,能在受体细胞中稳定存在,不影响受体细胞的生命活动等。与重组蛋白疫苗相比,腺病毒载体疫苗的优点体现在抗原基因在宿主细胞内能持续表达出抗原(即S蛋白),腺病毒载体疫苗一次接种即可获得长期免疫力,免疫应答更持久。
(4)腺病毒载体疫苗注入人体后,其发挥作用的机理是重组腺病毒能够将S蛋白基因转入受体细胞中,并在受体细胞中通过转录、翻译过程表达出S蛋白,作为抗原引起人体的免疫应答。
2.答案 (1)EcRⅠ和BamHⅠ
(2)与RNA聚合酶识别并结合 终止子、目的基因、标记基因(复制原点)
(3)(适量的)青霉素 既能大量增殖,又能产生足够数量的特定抗体(抗甲型肝炎病毒抗体)
(4)采用蛋白质工程技术对小鼠抗甲型肝炎病毒抗体上B区进行改造,或替换成人体相应抗体的B区,进而降低人体对该抗体的免疫排斥。
解析 (1)题图中EcR Ⅴ会破坏目的基因,故不能用于切割目的基因,目的基因和载体共同含有的限制酶还有EcR Ⅰ和BamH Ⅰ,为了保证目的基因与载体的正确连接,应该选择EcR Ⅰ和BamH Ⅰ切割目的基因和载体。
(2)目的基因的启动子可以与RNA聚合酶识别并结合,驱动目的基因的转录。重组质粒应该包含目的基因、启动子、终止子、标记基因等。
(3)重组质粒中含有青霉素抗性基因,故可以在过程③的培养液中添加青霉素,来筛选导入目的基因的骨髓瘤细胞。过程③所获得的细胞是含有目的基因的骨髓瘤细胞,既能大量增殖,又能产生足够数量的抗甲型肝炎病毒抗体。
(4)由于B区是引起人体免疫反应的区域,若要避免小鼠抗甲型肝炎病毒抗体被人体免疫系统清除,可以采用蛋白质工程技术对小鼠抗甲型肝炎病毒抗体上B区进行改造,或替换成人体相应抗体的B区,进而降低人体对该抗体的免疫排斥。
3.答案 (1)腐殖土中富含纤维素 不需要
(2)AGATCT GGTAACC
(3)抗生素N 2、3
(4)A菌 B菌分解纤维素的能力最强
解析 (1)在自然条件下筛选目的菌,应在富含该菌种的环境中寻找,因腐殖土中富含纤维素,故欲从土壤中分离获得能分解纤维素的细菌,应选择树林中多年落叶形成的腐殖土;为避免目的菌被杀死,采集到的样品加无菌水稀释后不需要进行灭菌处理。
(2)为保证目的基因能正常表达,目的基因应插入启动子和终止子之间,且应至少保留一个标记基因,故应选择BglⅡ和BstE Ⅱ进行酶切,故扩增CBHⅡ基因时需在两种引物上分别添加AGATCT序列和GGTAACC序列。
(3)由于用Bgl Ⅱ和BstE Ⅱ进行酶切后,抗生素M抗性基因被破坏,故为了鉴定重组质粒是否构建成功,将重组质粒导入 A 菌,并将其接种在含抗生素N的培养基中培养。由题图可知,用Bgl Ⅱ和BstE Ⅱ进行酶切后,该环状DNA应得到两种长度的片段,而图2中的2和3酶切片段有两个,符合题意,故据此推测,菌落2和3中成功导入了重组质粒。
(4)本实验的目的为检测 B菌的纤维素分解能力,则实验的自变量为菌种类型,因变量为纤维素的分解能力,可用纤维素的剩余量作为检测指标,实验设计应遵循对照原则与单一变量原则,故将含有质量分数为20%的纤维素的培养基分为3组(无关变量一致),一组接种B 菌,一组不作处理,一组接种A菌;由题图3可知,对照组1的纤维素含量最高,B菌的纤维素含量最低,说明B菌分解纤维素的能力最强。
4.答案 (1)DNA 基因表达载体的构建
(2)感染菊花细胞,并将Ti质粒上的T-DNA转移至受体细胞 染色体DNA 降低害虫种群中抗性基因频率的增长速率
(3)放射性同位素(或荧光分子)标记的抗虫基因 5
解析 (1)质粒是小型环状DNA分子,其化学本质是DNA,基因工程的核心是基因表达载体的构建。
(2)根据农杆菌能够感染菊花细胞,且农杆菌的Ti质粒中的T-DNA可以转移至受体细胞并整合到受体细胞的染色体DNA上的特点,通常用农杆菌转化法将目的基因导入受体细胞。生产上常将转基因作物与非转基因作物混合种植,其目的是降低害虫种群中抗性基因频率的增长速率。
(3)用放射性同位素标记的抗虫基因作为探针,用PCR技术扩增目的基因需根据基因两端的部分碱基序列设计特异性引物,假设目的基因扩增了n次,则需要引物的对数为2n-1,已知其中一种引物共用了31个,则2n-1=31,n=5。
5.答案 (1)鉴别受体细胞中是否含有Cas9基因和sgRNA基因,从而将含Cas9基因和sgRNA基因的细胞筛选出来 终止子
(2)限制 显微注射法
(3)PCR 细胞停止分裂,细胞形态发生改变,恢复(出现)接触抑制现象
(4)ABC
(5)可将目的基因定点插入所需位点,而不是随机插入
解析 (1)新霉素抗性基因作为标记基因,其作用是便于鉴别受体细胞中是否含有Cas9基因和sgRNA基因,从而将含Cas9基因和sgRNA基因的细胞筛选出来。基因表达载体含有复制原点、启动子、终止子、目的基因、标记基因,图甲基因表达载体中还应添加终止子。
(2)Cas9蛋白能识别特定核苷酸序列并在特定位点剪切特定的碱基序列,使磷酸二酯键断裂,由此可见,Cas9蛋白在功能上属于限制性内切核酸酶(限制酶)。经常用显微注射技术将重组质粒导入动物细胞,因此将Cas9-sgRNA质粒和供体质粒导入胰腺癌细胞的方法是显微注射法。
(3)检测目的基因是否导入受体细胞,可采用PCR等技术。在适宜的条件下进行体外培养,癌细胞能够无限增殖。若抑癌基因ΔNp63α定点插入小鼠胰腺癌细胞中,被ΔNp63α基因成功转化的胰腺癌细胞体外培养时,细胞停止分裂,细胞形态发生改变,恢复(出现)接触抑制现象。
(4)题述基因编辑技术中,sgRNA是根据靶基因设计的引导RNA,能准确引导Cas9切割与sgRNA配对的靶基因DNA序列,碱基序列已知,A项符合题意。由于同源臂与靶基因的DNA正好配对,能将表达载体准确地带到靶基因的位置,所以碱基序列已知,B、C两项符合题意。因为基因中启动子的碱基序列不能被转录,所以由基因表达产物无法推知启动子碱基序列,D项不符合题意。
(5)与传统的基因工程相比,运用基因编辑技术培育转基因生物的显著优点是可将目的基因定点插入所需位点,避免了因目的基因随机插入受体细胞DNA引起的生物安全性问题。
6.答案 (1)逆转录 提高DGAT1基因的变性概率 DGAT1基因两端的核苷酸(或碱基)序列
(2)高温会破坏氨苄青霉素的结构而导致其失效
(3)保证DGAT1基因能在产油微藻细胞中转录 DGAT1基因及其转录出的mRNA DGAT1抗体
(4)添加用地热废水培养四尾栅藻的对照组,11 d后检测总氮、总磷和氟化物的含量
解析 (1)以RNA为模板产生cDNA的过程是逆转录;在PCR扩增之前,需要对DGAT1基因进行一次预变性的目的是破坏其中可能存在的较难破坏的二级结构,提高DGAT1基因的变性概率;引物是与模板链互补的一段序列,在扩增DGAT1基因时,需要根据DGAT1基因两端的核苷酸(或碱基)序列设计特异性引物序列。
(2)氨苄青霉素不耐高温,高压灭菌会破坏氨苄青霉素的结构而导致其失效。
(3)启动子与RNA聚合酶结合驱动转录发生,终止子可使转录在所需要的地方停下来,所以将DGAT1基因插入pBI121空载体的启动子与终止子之间的目的是保证DGAT1基因能在产油微藻细胞中转录。DGAT1基因探针能与DGAT1基因及其转录出的mRNA形成杂交带,所以可以检测到DGAT1基因及其转录出的mRNA。检测目的基因是否翻译成蛋白质可用抗原—抗体杂交技术,需要加入DGAT1抗体进行检测。
(4)实验缺少对照组,不能确定受体四尾栅藻本身有无去污能力,所以需要增加一组实验,即添加用地热废水培养四尾栅藻的对照组,11 d后检测总氮、总磷和氟化物的含量,如果11 d后测得的总氮、总磷和氟化物的含量比培养转基因产油微藻11 d后的数据高,说明转基因产油微藻有去污能力。
7.答案 (1)B细胞和记忆B
(2)蛋白 逆转录酶
(3)抗原—抗体杂交 显微注射法
(4)介导序列两端的部分DNA序列 使扩增出的介导序列两端含有限制酶EcRⅠ和BamHⅠ的识别序列
(5)D 蛋白质工程
解析 (1)人体分泌抗体的细胞是浆细胞,浆细胞可来自B细胞或记忆B细胞的增殖分化。
(2)病毒只由蛋白质和核酸构成,故步骤①为获取新型冠状病毒的RNA,可用蛋白酶处理病毒,使病毒的蛋白质分解,最终可分离出病毒的RNA;②过程是逆转录,需要用到的酶是逆转录酶。
(3)④表示翻译得到新型冠状病毒的S蛋白,翻译的产物通常是蛋白质,为检测④过程是否成功,常采用抗原—抗体杂交技术进行检测:若出现杂交带,则证明成功。⑥过程是把含有无限增殖的调控基因的基因表达载体导入细胞X(动物细胞)中,常用的方法是显微注射法。
(4)引物是根据已知核苷酸序列设计的,且一对引物应分别从两端开始,因此题中下划线部分序列的设计依据是介导序列两端的部分DNA序列;GAATTC是限制酶EcRⅠ的识别序列,而GGATCC是限制酶BamHⅠ的识别序列,因此方框部分序列的设计目的是使扩增出的介导序列两端含有限制酶EcRⅠ和BamHⅠ的识别序列。
(5)由题意可知,人—鼠嵌合抗体是保留了鼠源单克隆抗体的可变区和人抗体恒定区的抗体结构,因此符合条件的是D。蛋白质工程是指以蛋白质分子的结构规律及其与生物功能的关系作为基础,通过改造或合成基因,来改造现有蛋白质,或制造一种新的蛋白质,以满足人类的生产和生活的需求,嵌合抗体的研制属于蛋白质工程的范畴。
8.答案 (1)双子叶植物和裸子植物 卡那霉素抗性基因
(2)否 控制ACC合成酶的基因几乎存在于番茄的所有细胞中
(3)细胞核和核糖体 反义ACC合成酶基因转录产生的mRNA可与ACC合成酶基因转录产生的mRNA碱基互补配对结合,使ACC合成酶的合成受阻,导致乙烯的产生量下降
解析 (1)农杆菌转化法适用的植物种类是双子叶植物和裸子植物。由题干可知,重组质粒M中的抗性基因是卡那霉素抗性基因。
(2)控制ACC合成酶的基因几乎存在于番茄的所有细胞中,所以这名同学提出的说法没有道理。
(3)ACC合成酶基因在番茄细胞中表达的过程包括基因的转录和翻译,发生在细胞内的细胞核和核糖体中。反义ACC合成酶基因转录启动后,反义ACC合成酶基因转录产生的mRNA可与ACC合成酶基因转录产生的mRNA碱基互补配对结合,使ACC合成酶的合成受阻,导致乙烯的产生量下降。限制酶
识别序列及酶切位点
Bgl Ⅱ
A↓GATCT
BstE Ⅱ
G↓GTAACC
Sac Ⅰ
G↓AGCTC
Msp Ⅰ
C↓CGG
BamH Ⅰ
G↓GATCC
检测指标
总氮(mg·L-1)
总磷(mg·L-1)
氟化物(mg·L-1)
地热废水
培养基
23.2
4.32
4.56
培养转基
因产油微
藻11 d后
1.9
0.45
0.84
限制酶
识别序列和切割位点
EcRⅠ
G↓AATTC
BamHⅠ
G↓GATCC
BglⅡ
A↓GATCT
SalⅠ
G↓TCGAC
2024届新高考生物二轮总复习大题分析与表达练7基因工程类大题突破(附解析): 这是一份2024届新高考生物二轮总复习大题分析与表达练7基因工程类大题突破(附解析),共11页。试卷主要包含了菊天牛是菊花的主要害虫之一,45等内容,欢迎下载使用。
2024年高考生物二轮专项复习大题分析与表达练7基因工程类大题突破(Word版附解析): 这是一份2024年高考生物二轮专项复习大题分析与表达练7基因工程类大题突破(Word版附解析),共10页。试卷主要包含了菊天牛是菊花的主要害虫之一,45等内容,欢迎下载使用。
适用于新高考新教材2024版高考生物二轮复习大题分析与表达练6基因工程类大题突破(附解析): 这是一份适用于新高考新教材2024版高考生物二轮复习大题分析与表达练6基因工程类大题突破(附解析),共8页。

