山东省德州市第一中学2023-2024学年高二下学期3月月考化学试题 (原卷版+解析版)
展开考试时间:90分钟 2024.03
可能用到的相对原子质量:H 1 B 11 C 12 N 14 O 16 Cl 35.5
一、选择题:本题共10小题,每小题2分,共20分。每小题只有一个选项符合题意。
1. 下列说法正确的是
A. 金属能导电是因为金属在外加电场作用下产生了自由电子并发生定向移动
B. 超分子都是由两个或两个以上的分子通过化学键形成的分子聚集体
C. 白磷晶体中,P4分子之间通过共价键相结合
D. 破碎的NaCl晶体在饱和NaCl溶液中能变为完美的立方体,体现了晶体的自范性
【答案】D
【解析】
【详解】A.金属中本身就含有自由电子,故A错误;
B.超分子都是由两个或两个以上的分子通过分子间相互作用形成的分子聚集体,故B错误;
C.白磷晶体中,P4分子间通过分子间作用力相结合,故C错误;
D.晶体具有自范性,破碎的NaCl晶体在饱和NaCl溶液中能变为完美的立方体,故D正确;
选D。
2. 美国某国家实验室成功地在高压下将CO2转化为具有类似SiO2结构的晶体,下列关于CO2的原子晶体的说法正确的是
A. CO2的原子晶体和分子晶体互为同素异形体
B. 在一定条件下,CO2的原子晶体转化为分子晶体是物理变化
C. CO2的原子晶体和分子晶体具有相同的物理性质
D. 在CO2的原子晶体中,每个C原子周围结合4个O原子,每个O原子与2个碳原子结合
【答案】D
【解析】
【分析】
【详解】A.同素异形体研究对象是单质。CO2是化合物,不是单质,故二者不互为同素异形体,故A错误;
B.CO2原子晶体转化为CO2分子晶体,结构已发生改变,且二者的性质也有较大差异,故二者是不同的物质,二者的转变是化学变化,故B错误;
C.CO2原子晶体与CO2分子晶体,结构不同,二者是不同的物质,物理性质不同,如CO2原子晶体硬度很大,CO2分子晶体硬度不大,故C错误;
D.CO2原子晶体与SiO2结构类似,每个碳原子与4个氧原子通过1对共用电子对连接,每个氧原子与2个碳原子通过1对共用电子对连接,故D正确。
故选:D。
3. 下列数据是对应物质的熔点,有关的判断错误的是
A. 含有金属阳离子的晶体一定是离子晶体
B. 在共价化合物分子中各原子不一定都形成8电子结构
C. 同族元素的氧化物可形成不同类型的晶体
D. 金属晶体的熔点不一定比分子晶体的高
【答案】A
【解析】
【详解】A. 含有金属阳离子的晶体不一定是离子晶体,如金属晶体由金属阳离子与自由电子构成,故A错误;
B. 共价化合物分子中各原子不一定都满足8电子稳定结构,如含有H元素的化合物等,故B正确;
C. 同族元素的氧化物可形成不同类型的晶体,如二氧化碳为分子晶体,而二氧化硅为原子晶体,故C正确;
D. 金属晶体的熔点有的很高,有的很低,如常温下汞呈液态,金属晶体的熔点不一定比分子晶体的高,故D正确;
故选A。
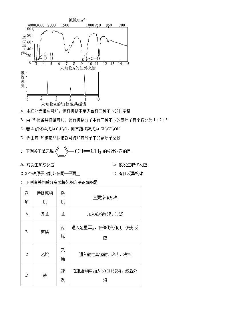
4. 已知某有机物A的红外光谱和1H核磁共振谱如下图所示,下列说法中错误的是( )
A. 由红外光谱图可知,该有机物中至少含有三种不同的化学键
B. 由1H核磁共振谱可知,该有机物分子中有三种不同的氢原子且个数比为1∶2∶3
C. 若A的化学式为C2H6O,则其结构简式为CH3CH2OH
D. 仅由其1H核磁共振谱就可得知其分子中氢原子总数
【答案】D
【解析】
【详解】A.红外光谱可知分子中至少含有C-H键、C-O键、O-H键三种不同的化学键,A正确;
B.核磁共振氢谱中有3个峰说明分子中3种H原子,且峰的面积之比为1:2:3,所以三种不同的氢原子且个数比为1:2:3,B正确;
C. 红外光谱可知分子中含有C-H键、C-O键、O-H键,核磁共振氢谱显示有三种不同的氢原子且个数比为1:2:3,若A的化学式为C2H6O,满足条件的结构简式为CH3CH2OH,C正确;
D.核磁共振氢谱中只能确定H原子种类和个数比,不能确定H原子的总数,D错误;
故合理选项是D。
5. 下列关于苯乙烯的叙述错误的是
A. 能发生加成反应B. 能发生取代反应
C. 8个碳原子可能都在同一平面上D. 有顺反异构体
【答案】D
【解析】
【详解】A.苯乙烯中含有碳碳双键,能发生加成反应,A项正确;
B.苯乙烯中含有苯环,能发生取代反应,B项正确;
C.苯乙烯分子结构中含有苯环和碳碳双键.苯分子具有平面的正六边形结构,6个碳原子都在同一平面上,乙烯分子中所有原子均在同一平面上,分子中碳碳双键跟与之直接相连的4个原子在同一平面上,结合单键可以旋转,苯乙烯中8个碳原子可能都在同一平面上,C项正确;
D.顺反异构的碳碳双键上同一碳上不能有相同的基团,苯乙烯中的碳碳双键上同一碳上有两个氢原子,不可能有顺反异构体,D项错误;
答案选D。
6. 下列有关物质分离或提纯的方法正确的是
A. AB. BC. CD. D
【答案】D
【解析】
【详解】A.在铁的作用下,苯与溴反应生成溴苯,但加入的溴的量不易控制,同时溴也能够与溴苯互溶,达不到提纯目的,A项错误;
B.通入足量,和丙烯发生加成反应生成丙烷,但过量的成为新杂质,B项错误;
C.乙烯被酸性高锰酸钾溶液氧化为二氧化碳,引入新的杂质,C项错误;
D.在混合物中加入NaOH溶液,Br2和NaOH溶液反应后产物溶于水中,与苯分层,再通过分液可除杂,D项正确;
答案选D。
7. 下列说法错误的是
A. 乙烯能使溴水和酸性高锰酸钾溶液褪色,其褪色原理不相同
B. 属于取代反应
C. 在一定条件下,苯与氯气生成氯苯的反应类型是加成反应
D. 实验室用与饱和食盐水反应制备乙炔
【答案】C
【解析】
【详解】A.乙烯与溴水发生加成反应,使溴水褪色,与酸性高锰酸钾溶液发生氧化反应,使酸性高锰酸钾溶液褪色,两者褪色原理不同,故A正确;
B.由方程式可知,丙烯与氯气高温下发生取代反应,氯原子取代丙烯中甲基上的氢原子生成3-氯-1-丙烯和氯化氢,故B正确;
C.在一定条件下,苯与氯气发生取代反应生成氯苯和氯化氢,故C错误;
D.实验室用CaC2与饱和食盐水反应制备乙炔,故D正确;
故选C。
8. 乙炔水化法、乙烯氧化法是工业上制备乙醛的两个重要方法,反应原理分别为:。以下叙述不正确的是
A. 的电子式为
B. 根据价层电子互斥模型,18g水的中心原子含有2ml孤电子对
C. 乙烯氧化法中,生成0.1ml乙醛时,转移的电子数约为
D. 标准状况下,11.2L中含有π键的数目约为
【答案】C
【解析】
【详解】A.C2H4为含有碳碳双键的共价化合物,电子式为,A正确;
B.H2O分子中心O原子价层电子对数为4,O原子采用sp3杂化,O原子上含有2对孤电子对,则1ml水的中心原子含有2ml孤电子对,B正确;
C.乙烯氧化法中氧元素化合价由0变为-2,每个乙醛分子含1个氧原子,每生成0.1ml乙醛时,转移电子0.2ml,数目约为1.204×1023,C错误;
D.1分子乙炔中含有2个π键,标准状况下,11.2LC2H2为0.5ml,含有π键为1ml,数目约为6.02×1023,D正确;
故选C。
9. 下图a、b、c、d依次代表常见的NaCl、、金刚石、冰的晶胞或结构,下列表述正确的是
A. MgO的晶胞结构与NaCl类似,MgO的晶格能小于NaCl
B. 晶体中距离分子最近且等距离的分子有8个
C. 若金刚石晶胞中1的原子坐标为(0,0,0),则2的原子坐标为(,,)
D. 冰晶体中存在氢键,18g冰含有4ml氢键
【答案】C
【解析】
【详解】A.晶格能与离子间距(核间距)成反比,与离子所带电荷数成正比,Mg2+、O2-所带电荷数分别多于Na+、Cl-,且r(Mg2+)
C.根据1的原子坐标为(0,0,0),则2的原子坐标为(,,),故C正确;
D.根据冰的结构示意图可知,每个水分子通过氢键和4个水分子结合,平均每个水分子含有氢键数目为4×=2,即每18g冰即1ml冰含有2ml氢键,故D错误;
故选C。
10. 砷化镓晶胞结构如图甲所示,晶胞参数为a pm,将Mn掺杂到晶体中得到稀磁性半导体材料如图乙所示,下列说法错误的是
A. 甲中Ga和As的最近距离是
B. 甲中As原子位于以Ga为顶点的正四面体的体心上
C. 乙中与Mn最近且等距离的As的个数为4
D. 乙中Ga原子与As原子的个数比为7:8
【答案】D
【解析】
【详解】A.由晶胞结构可知,甲中位于顶点的镓原子与位于体内的砷原子的最近距离为体对角线的,晶胞参数为apm,则最近距离为,故A正确;
B.由晶胞结构可知,甲中砷原子与4个镓原子形成正四面体结构,砷原子位于正四面体的体心上,故B正确;
C.由晶胞结构可知,乙中位于面心的锰原子与2个砷原子的距离最近,则与锰原子最近且等距离的砷原子的个数为4,故C正确;
D.由晶胞结构可知,乙中位于顶点和面心的镓原子个数为7×+5×=,位于体内的砷原子个数为4,则原子个数比为27:32,故D错误;
故选D。
二、选择题:本题共5小题,每小题4分,共20分。每小题有一个或者两个选项符合题目要求,全部选对得4分,选对但不全的得2分,有选错的得0分。
11. 设NA为阿伏加德罗常数的值,下列说法正确的是
A. 体积均为22.4L(标准状况)的乙烷和乙醇含氢原子数均为6NA
B. CH4与Cl2混合物在光照下,当有0.1mlCl2参加反应时,可形成0.1NA个C-Cl键
C. 4.2gC3H6分子中含有π键的数目为0.1NA
D. 2.8g乙烯和丁烯的混合气体在足量氧气中充分燃烧,转移电子数为1.2NA
【答案】BD
【解析】
【详解】A.标准状况下乙醇不是气体,故不能用气体摩尔体积计算,A项错误;
B.1个氯原子可以形成1个碳氯键,0.1ml与足量光照时完全反应,形成C-Cl键个数为0.1 NA,B项正确;
C.分子式为的烃可能是环烷烃,不含π键,C项错误;
D.2.8g乙烯和2.8g丁烯完全燃烧消耗氧气的量均为0.3ml,则转移电子数均为1.2 NA,D项正确。
故选BD。
12. 下列有关甲苯的实验事实中,与苯环上的甲基有关(或受到影响)的是
A. 甲苯与浓硫酸和浓硝酸的混合物反应生成邻硝基甲苯和对硝基甲苯
B. 甲苯能使酸性高锰酸钾溶液褪色而苯不能
C. 甲苯燃烧产生带浓烟的火焰
D. 1ml甲苯与3mlH2发生加成反应
【答案】AB
【解析】
【详解】A.由于甲基对苯环的影响,使得苯环上与甲基相连碳的邻、对位碳上的氢原子变得活泼,更容易被取代,A符合题意;
B.由于苯环对甲基影响,使甲基易被酸性高酸钾溶液氧化,B符合题意;
C.燃烧产生带浓烟的火焰说明含碳量高,不能说明与苯环上的甲基有关(或受到影响),C不符合题意;
D.苯也能与氢气发生加成反应,故说明甲苯与氢气发生加成反应与苯环上的甲基无关,D不符合题意;
答案选AB。
13. 同分异构现象广泛存在于有机物中,它是有机化合物种类繁多数量巨大的原因之一。下列有关同分异构体数目的叙述错误的是
A. 甲苯苯环上的一个氢原子被含1个溴原子取代,所得产物最多有3种
B. 2,2-二甲基丙烷的一氯代物只有1种
C. 丙烷的一氯代物有2种
D. 萘()的一氯代物有4种
【答案】D
【解析】
【详解】A.甲苯苯环上有3种H原子,则其一溴代物有3种,故甲苯苯环上的一个氢原子被含1个溴原子取代,所得产物最多有3种,A项正确;
B.2,2-二甲基丙烷中含有1种H原子,则其一氯代物只有1种,B项正确;
C.丙烷中有2种H原子,故一氯代物有2种,C项正确;
D.萘中含有2种H原子(),则其一氯代物有2种,D项错误;
答案选D。
14. 部分晶体及分子结构如图所示,下列说法错误的是
A. 晶胞中有8个,配位数是4
B. 金刚石晶体中每个碳原子被6个六元环共用,每个六元环最多有4个碳原子共面
C. 该气态团簇分子的分子式为或
D. 三种物质对应的晶体熔沸点最高的是
【答案】BD
【解析】
【详解】A.晶胞中钙离子数目为,结合晶胞内部的氟离子可知,对应配位数为4,故A正确;
B.在金刚石晶体中,每个碳原子被12个六元环共同占有,由于C采取sp3杂化,故每个六元环最多有4个碳原子共面,故B错误;
C.该团簇分子,含有F和E的数目均为4,故化学式为或,故C正确;
D.金刚石为共价晶体,三种物质对应的晶体熔沸点最高的是金刚石;故D错误;
故答案选BD。
15. 高温下,超氧化钾晶体呈立方体结构,晶体中氧的化合价部分为0价,部分为-2价。如图所示为超氧化钾晶体的一个晶胞,则下列说法正确的是
A. 超氧化钾的化学式为,每个晶胞含有4个和4个
B. 晶体中每个周围有8个,每个周围有8个
C. 晶体中与每个距离最近的有8个
D. 晶体中与每个距离最近的有12个
【答案】AD
【解析】
【详解】A.晶胞中含有K+个数为,含有的个数为,所以超氧化钾的化学式为,A项正确;
B.由顶点K+与棱心的位置可知,每个K+周围有6个,每个周围有6个K+,B项错误;
C.以体心为研究对象,晶体中与每个距离最近的有12个,C项错误;
D.以面心K+为研究对象,与每个K+距离最近的K+有12个,D项正确;
答案选AD。
三、非选择题:本题共5小题,共60分。
16.
(1)图A是由4个碳原子结合成的某种烷烃(氢原子没有画出)。
①写出该有机物的系统命名法的名称___________。
②该有机物的同分异构体的二氯取代物有___________种。
(2)图B的键线式表示维生素A的分子结构。
①该分子的化学式为___________。
②1ml维生素A最多可与___________ml H2发生加成反应。
(3)某物质只含C、H、O三种元素,其分子模型如图C所示,分子中共有12个原子(图中球与球之间的连线代表单键、双键等化学键)。
①该物质的结构简式为___________。
②该物质中所含官能团的名称为___________和___________。
【答案】 ①. 2-甲基丙烷 ②. 6 ③. C20H30O ④. 5 ⑤. CH2=C(CH3)COOH或 ⑥. 碳碳双键 ⑦. 羧基
【解析】
【详解】(1)①是含有4个碳原子的烷烃,结构简式是 ,系统命名是2-甲基丙烷,故填2-甲基丙烷;
②的同分异构体的结构简式是CH3CH2CH2CH3,二氯取代物的结构简式是CHCl2CH2CH2CH3、CH2ClCHClCH2CH3、CH2ClCH2CHClCH3、CH2ClCH2CH2CH2Cl、CH3CCl2CH2CH3、CH3CHClCHClCH3,共6种。(定一移二法),故填6;
(2)①根据图B的键线式,维生素A的分子式是C20H30O,故填C20H30O;
②维生素A的分子中含有5个碳碳双键,所以1ml维生素A最多可与5ml H2发生加成反应,故填5;
(3)①根据C的分子模型,可知C的结构简式是 或CH2=C(CH3)COOH,故填 或CH2=C(CH3)COOH;
②C中所含官能团的名称为碳碳双键和羧基,故填碳碳双键、羧基。
17. 二苯甲烷()有定香能力,用于配制香水。在一定温度下,二苯甲烷可通过苯和氯化苄()在催化下合成。某化学兴趣小组对二苯甲烷的合成进行实验探究。已知:易水解和升华。
Ⅰ.制备
(1)利用上图装置制备时进行操作:
①……;
②向硬质玻璃管中加入Al粉;
③通入;
④加热。
操作①为______,该装置存在一处明显的缺陷是______。
(2)装置中A的作用为______。
Ⅱ.合成二苯甲烷
步骤①:如图向三颈烧瓶中加入39.0mL苯()、46.0mL氯化苄()和适量,控制温度为80℃左右,回流2h;
步骤②:待三颈烧瓶冷却后依次用水、稀碱液、水洗涤、分液,再经操作a、操作b分离出二苯甲烷。
(3)仪器G的名称______。操作b为______。
(4)苯和氯化苄合成二苯甲烷的反应类型______。
(5)若分离所得二苯甲烷的质量为50.4g,则其产率为______(保留两位有效数字)。
【答案】(1) ①. 检验装置气密性 ②. CD间无干燥装置
(2)干燥,控制气体流速,防止装置导管口堵塞
(3) ①. 球形冷凝管 ②. 蒸馏
(4)取代反应 (5)75%
【解析】
【分析】氯气用A中浓硫酸干燥,同时可以控制气体流速,防止装置导管堵塞,然后通入B中与铝反应生成氯化铝,氯化铝易升华,在C中凝华,D吸收氯气,防止污染空气;缺点C和D中缺乏干燥;苯和氯化苄用适量AlCl3做催化剂,控制温度为80℃左右,回流2h生成二苯甲烷。
【小问1详解】
实验前应检查装置的气密性;AlCl3易水解,该装置存在一处明显的缺陷是C和D中缺乏干燥;故答案为:检查装置气密性;CD间无干燥装置;
【小问2详解】
根据分析可知,装置A的作用是干燥氯气,控制气体流速,防止装置导管口堵塞;故答案为:干燥Cl2,控制气体流速,防止装置导管口堵塞。
【小问3详解】
仪器G是球形冷凝管,起到回流冷凝作用;三颈烧瓶冷却后依次用水、稀碱液、水洗涤分液,用氯化钙等干燥剂干燥、蒸馏分离出二苯甲烷;故答案为:球形冷凝管;蒸馏;
【小问4详解】
苯和氯化苄合成二苯甲烷,氯化苄中的氯原子被苯基取代,该反应为取代反应;故答案为:取代反应;
【小问5详解】
苯和氯化苄1:1反应,苯的物质的量为n(苯)==0.45ml,n(氯化苄)==0.4ml,则苯过量,理论上生成二苯甲烷的物质的量为0.4ml,质量为0.4ml×168g/ml=67.2g,则产率为;故答案为:75%。
18. 我国在新材料领域研究的重大突破,为“天宫”空间站的建设提供了坚实的物质基础。“天宫”空间站使用的材料中含有B、C、N、P、Ni、Fe等元素。回答下列问题:
(1)下列不同状态的硼中,失去一个电子需要吸收能量最多的是______(填标号,下同),用光谱仪可捕捉到发射光谱的是______。
A. B.
C. D.
(2)镍能形成多种配合物,其中是无色挥发性液体,是红黄色单斜晶体。
的熔点高于的原因是______。
(3)氮化硼(BN)晶体有多种结构。六方相氮化硼是通常存在的稳定相,与石墨相似,具有层状结构,质地软,可作润滑剂。立方相氮化硼与金刚石相似,是超硬材料,有优异的耐磨性。它们的晶体结构及晶胞如图所示。
①石墨能导电,六方相氮化硼结构与石墨相似却不导电,原因是______。
②立方相氮化硼晶体中“一般共价键”与配位键的数目之比为______。
③立方相氮化硼晶胞边长为a pm,代表阿伏加德罗常数的值,则该晶体的密度为______。
(4)的结构如图所示,写出此配合物的内界阳离子______。
【答案】(1) ①. A ②. CD
(2)为离子晶体,熔化破坏离子键,离子键键能大,故熔沸点高,为分子晶体,熔化破坏分子间作用力,分子间作用力小,故熔沸点小
(3) ①. 六方相氮化硼中氮的电负性大,π电子很大程度上被定域在氮原子周围,不能自由移动,不可以导电 ②. 3:1 ③.
(4)
【解析】
【小问1详解】
硼为5号元素,基态硼原子核外电子排布式为1s22s22p1,B表示基态B原子,D表示激发态B原子,稳定性:B>D,失去一个电子需要吸收能量:B>D;A为基态B+,C为激发态B+,稳定性:A>C,失去一个电子需要吸收能量:A>C;A失去一电子相当于硼元素的第二电离能,B失去一个电子相当于硼元素的第一电离能,第二电离能>第一电离能,故失去一个电需要吸收能量最多的是A。C、D中电子处于激发态,电子跃迁回低能量态时会释放能量,形成发射光谱,故答案为:A,CD;
【小问2详解】
为离子晶体,为分子晶体,离子晶体熔点一般高于分子晶体,所以的熔点高于;
【小问3详解】
①石墨同层中存在大π键,电子可以在大π键中自由移动,所以能导电,六相氮化硼结构与石墨相似,但由于氮的电负性较强,限制了电子的自由移动,所以六方相氮化硼不导电,故答案为:六方相氮化硼中氮的电负性大,π电子很大程度上被定域在氮原子周围,不能自由移动,不可以导电;
②立方相氮化硼晶体中,硼原子有3个价电子,可与氮原子形成3个“一般共价键”,氮原子孤电子对与硼原子形成一个配位键,所以“一般共价键”与配位键的数目之比为为3:1,故答案为:3:1;
③根据均摊法,1个立方氮化硼晶胞中含硼数目为,含氮原子数目为4,则晶体密度==,故答案为:;
【小问4详解】
由图示可知,Fe2+周围有6个水分子与之形成配位键,所以此配合物的内界阳离子为,故答案为:。
19. 晶体按其几何形态的对称程度可分为七类,其中四方晶系是非常重要的一类。
(1)铁和氨在640℃时可发生置换反应,一种产物晶胞结构如图所示,该反应的化学方程式为______。
(2)晶体具有优异的非线性光学性能。分别用○、●表示和,晶体的四方晶胞如图(a)所示,图(b)、图(c)分别显示的是、在晶胞xz面、yz面上的位置:
则晶胞在x轴方向的投影图为______(填标号)。
(3)晶体也属四方晶系,晶胞参数如图所示,晶胞棱边夹角均为90°,该晶胞中有______个分子。以晶胞参数为单位长度建立的坐标系可以表示晶胞中各原子的位置,称为原子的分数坐标,如A点原子的分数坐标为。已知键键长为r pm,则B点原子的分数坐标为______。
(4)普鲁士蓝晶体属立方晶系,晶胞棱长为a pm。铁-氰骨架组成小立方体,Fe粒子在顶点,在棱上,两端均与Fe相连,立方体中心空隙可容纳,如图所示(在图中省略)。
该晶胞的化学式为______。若所有铁粒子为等径小球,则与之间最近距离为______pm。
【答案】(1)
(2)b (3) ①. 2 ②.
(4) ①. ②.
【解析】
【小问1详解】
晶胞中Fe的个数为=4,N的个数为1个,故晶胞所表示的产物化学式为Fe4N,铁和氨发生置换反应得到Fe4N,说明还有一个产物为H2,反应方程式为;
【小问2详解】
晶胞在x轴方向的投影,可将晶胞沿x轴竖起来,看各原子在yz平面上的投影,由晶胞的结构可知,其x轴方向的投影是图b;
【小问3详解】
图中大球的个数为,小球的个数为,根据XeF2的原子个数比知大球是Xe原子,小球是F原子,该晶胞中有2个XeF2分子。由A点坐标知该原子位于晶胞的中心,且每个坐标系的单位长度都记为1,B点在棱的处,其坐标为(0,0,);
【小问4详解】
二价铁位于体心和棱心,则一共有=4个;三价铁位于顶点和面心,一共有=4个,故其比值为1:1;晶胞中有4个钾离子,根据电荷守恒可知,CN-有4+4×2+4×3=24个,故钾离子,铁或亚铁离子,氰根离子之比为1:2:6,故其化学式为:KFe2(CN)6,钾离子位于小立方体的体心,二价铁位于小立方体的顶点,则K+与Fe2+之间最近距离为晶胞体对角线的四分之一,故为pm。
20. 阿司匹林被广泛应用于解热镇痛,合成长效缓释阿司匹林可以减少对肠胃的刺激,减少每天吃药次数,大大方便人们对药物的使用,其合成路线如图所示:
(1)步骤⑧的反应类型是______。
(2)中间体C的结构简式是______,阿司匹林所含官能团的名称______。
(3)写出L→M反应的化学方程式______。
(4)写出与L含有相同官能团的同分异构体的结构简式(不含立体异构)______。
(5)由原料A制备中间体D不采取与直接反应,而是经过①~③的目的是______。
【答案】(1)加成反应
(2) ①. ②. 羧基、酯基
(3)
(4)、
(5)防止生成副产物
【解析】
【分析】A发生取代反应生成B,根据D的结构简式及C的分子式知,B和溴发生取代反应生成C为,C反应生成D;D发生氧化反应生成E,E发生水解反应生成F,F酸化得到G,G发生取代反应生成阿司匹林;乙烯和溴发生加成反应生成J为BrCH2CH2Br,I为CH2=CH2,J发生水解反应生成K,C4H6O2发生加聚反应生成M,根据M的结构简式知,C4H6O2的结构简式为CH2=C(CH3)COOH,阿司匹林、K、M发生酯化反应生成长效缓释阿司匹林。
【小问1详解】
由分析知,步骤⑧是乙烯和溴发生加成反应生成BrCH2CH2Br,反应类型是加成反应;
【小问2详解】
由上述分析可知,中间体C的结构简式是,阿司匹林所含官能团的名称为羧基、酯基;
【小问3详解】
L→M发生的是加聚反应,反应的化学方程式为nCH2=C(CH3)COOH;
【小问4详解】
L为CH2=C(CH3)COOH,与L含有相同官能团的同分异构体中含有碳碳双键和羧基,相当于丙烯分子中的氢原子被羧基取代,所以符合条件的结构简式种类与丙烯中氢原子种类相同,丙烯中含有3种氢原子,所以符合条件的结构简式有3种,去除其本身还有2种,则符合条件的结构简式为CH2=CHCH2COOH、CH3CH=CHCOOH;
【小问5详解】
由原料A制备中间体D不采取与Br2直接反应,而是经过①~③的目的是借助磺酸基占位,防止生成副产物。Na2O
Na
AlF3
AlCl3
Al2O3
BCl3
CO2
SiO2
920℃
97.8℃
1291℃
190℃
2073℃
-107℃
-57℃
1723℃
选项
待提纯物质
杂质
主要操作方法
A
溴苯
苯
加入铁粉和溴,过滤
B
丙烷
丙烯
通入足量,在催化剂作用下充分反应
C
乙烷
乙烯
通入酸性高锰酸钾溶液,洗气
D
苯
液溴
在混合物中加入NaOH溶液,然后分液
河北省保定市清苑中学等校2023-2024学年高二下学期3月月考化学试题(原卷版+解析版): 这是一份河北省保定市清苑中学等校2023-2024学年高二下学期3月月考化学试题(原卷版+解析版),文件包含河北省保定市清苑中学等校2023-2024学年高二下学期3月月考化学试题原卷版docx、河北省保定市清苑中学等校2023-2024学年高二下学期3月月考化学试题解析版docx等2份试卷配套教学资源,其中试卷共24页, 欢迎下载使用。
山东省德州市第一中学2023-2024学年高二下学期3月月考化学试题(含答案): 这是一份山东省德州市第一中学2023-2024学年高二下学期3月月考化学试题(含答案),共11页。试卷主要包含了03,1ml乙醛时,转移的电子数约为,2L 中含有π键的数目约为,8℃等内容,欢迎下载使用。
湖南省永州市第一中学2023-2024学年高二下学期3月月考化学试题(原卷版+解析版): 这是一份湖南省永州市第一中学2023-2024学年高二下学期3月月考化学试题(原卷版+解析版),文件包含精品解析湖南省永州市第一中学2023-2024学年高二下学期3月月考化学试题原卷版docx、精品解析湖南省永州市第一中学2023-2024学年高二下学期3月月考化学试题解析版docx等2份试卷配套教学资源,其中试卷共27页, 欢迎下载使用。

