2024届贵州六校联盟高三下学期高考实用性联考(三)化学试题及答案
展开
这是一份2024届贵州六校联盟高三下学期高考实用性联考(三)化学试题及答案,文件包含2024届贵州六校联盟高三下学期高考实用性联考三化学试题无答案docx、贵州六校-化学含答案pdf等2份试卷配套教学资源,其中试卷共23页, 欢迎下载使用。
注意事项:
1.答题前,考生务必用黑色碳素笔将自己的姓名、准考证号、考场号、座位号在答题卡上填写清楚。
2.每小题选出答案后,用2B铅笔把答题卡上对应题目的答案标号涂黑,如需改动,用橡皮擦干净后,再选涂其他答案标号。在试题卷上作答无效。
3.考试结束后,请将本试卷和答题卡一并交回。满分100分,考试用时75分钟。
以下数据可供解题时参考。
可能用到的相对原子质量:H―1 Li―7 C―12 O―16 P―31 S―32 Fe―56 Cu―64
一、选择题:本题共14小题,每题3分,共42分。在每小题给出的四个选项中,只有一项是符合题目要求的。
1.化学与生活、科学、技术等密切相关。下列说法正确的是( )
A.不插电的暖贴发热原理是化学能转化为电能
B.葡萄酒中添加适量二氧化硫的作用是漂白杀菌
C.免洗洗手液的有效成分中含有活性银离子,能使蛋白质变性
D.纤维是人们生活中的必需品。天然纤维、再生纤维和合成纤维统称为化学纤维
2.下列化学用语表示错误的是( )
A.的VSEPR模型:
B.基态N原子的轨道表示式:
C.的电子式为
D.的名称:3-甲基戊烷
3.设为阿伏加德罗常数的数值。下列叙述正确的是( )
A.1ml晶体中含有共价键数目为
B.标准状况下,33.6L中含有分子的数目为
C.1ml(碳正离子)中含有的电子数为
D.在电解精炼粗铜的过程中,当阴极质量增重32g时转移的电子数为
4.下列离子在指定的分散系中能够大量共存的是( )
A.澄清透明的溶液中:、、、
B.加入铝片能生成的溶液:、、、
C.0.1ml/L草酸溶液中:、、、
D.0.1ml/L NaHS溶液中:、、、
5.用下列实验装置进行有关实验能达到实验目的的是( )
6.黄酮哌酯是一种解痉药,其结构简式如图1所示。下列说法正确的是( )
图1
A.分子式为B.其中含氧官能团有2种
C.1ml该有机物能消耗2ml NaOHD.该分子中C、N、O原子均采用杂化方式
7.X、Y、Z、W为原子序数依次增大的前四周期元素,X的核外有2个未成对电子,且无空轨道;Y是地壳中含量最多的金属元素;Z的外层电子数是最内层电子数的9倍;W的某种核素的质量数为56,中子数为30。下列说法不正确的是( )
A.四种元素电负性最大的是XB.Y和Z的氯化物中熔点较高的是Y
C.X、W、Y第一电离能顺序依次减小D.Y的最高价氧化物对应的水化物具有两性
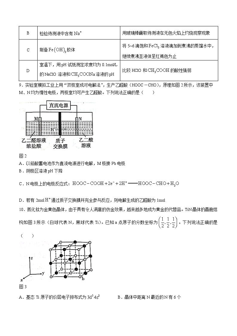
8.下列实验设计可以达到实验目的的是( )
9.实验室模拟工业上用“双极室成对电解法”,生产乙醛酸(HOOC―CHO),原理如图2所示,该装置中M、N均为惰性电极,两极室均可产生乙醛酸。下列说法正确的是( )
图2
A.以铅酸蓄电池作为直流电源进行电解,M极接Pb电极
B.阴极区溶液pH下降
C.N电极上的电极反应式:
D.若有2ml通过质子交换膜并完全参与反应,则电解生成的乙醛酸为1ml
10.氮化钛为金黄色晶体,由于具有令人满意的仿金效果,越来越多地成为黄金的代替品。TiN晶体的晶胞结构如图3所示(白球代表N,黑球代表Ti)。已知a点原子的分数坐标为。下列说法正确的是( )
图3
A.基态Ti原子的价层电子排布式为B.晶体中距离N最近的N有6个
C.该晶胞中含有6个Ti原子和4个N原子D.该晶胞中b点原子的分数坐标为
11.生物质脂肪酸脱羧机理为在温和条件下生产烷烃产品提供了一条可持续的途径,光催化脂肪酸脱羧历程如图4,下列说法错误的是( )
图4
A.光催化脱羧反应不需要高温或有毒试剂,减少了对环境的污染,是一种绿色合成方法
B.脱羧反应为
C.与均可稳定存在
D.烷基自由基在富氢表面发生还原反应
12.硫酸是重要的化工原料,我国工业上一般以黄铁矿为原料来制备硫酸。工业制硫酸涉及下列反应:①;②;③。生产中用浓硫酸代替水吸收,制得焦硫酸(,也可以表示为),将焦硫酸稀释后可制得密度为、质量分数为98%的浓硫酸。下列说法不正确的是( )
A.每生成1ml时,转移5.5ml电子
B.焦硫酸钠()的水溶液呈酸性
C.质量分数为98%的浓,物质的量浓度为18.4ml/L
D.浓硫酸吸收生成焦硫酸的变化是物理变化
13.多晶硅生产工艺流程如图5。下列说法错误的是( )
图5
A.粗硅粉碎的目的是增大接触面积,加快反应速率
B.该流程中可以循环使用的物质是HCl、
C.为提高还原时的转化率,可采取的措施为增大浓度
D.与上述流程中的单质发生化合反应,可以制得,其化学方程式为
14.常温下,向20mLNaB溶液中滴入等浓度的HA溶液,所得溶液中与的关系如图6所示。已知,下列说法错误的是( )
图6
A.
B.与时相比,的值在时更小
C.滴加过程中水的电离程度在减小
D.滴入20mL HA溶液离子浓度存在关系:
二、非选择题:本题共4小题,共58分。
15.(14分)高铁酸钾具有强氧化性,是一种新型、绿色、高效的多功能饮用水处理剂,一种以Mn、Fe及为原料制备高铁酸钾和的流程如图7所示。
图7
回答下列问题:
(1)中Fe的化合价为______。
(2)高铁酸钾溶液中存在反应:,已知该反应的,则该反应在______(填“高温”“低温”或“任意温度”)下能自发进行。
(3)用惰性电极电解酸性溶液可制得,写出电解法制备时的阳极反应式:______。
(4)已知固体B制取的过程中会生成两种盐,写出该反应的化学方程式:______。
(5)可作为新型多功能水处理剂的原因:______。
(6)的晶胞结构示意图如图8所示。其中O围绕Fe和P分别形成正八面体和正四面体空隙,它们通过共顶点、共棱形成空间链状结构。
图8
①下列状态锂中,失去一个电子所需能量最大的是______(填序号)。
ABCD
②该晶胞呈长方体,晶胞边长分别为apm、bpm、cpm,阿伏加德罗常数的值为,该晶体的密度可表示为______。
16.(14分)贵州是国内唯一兼具高海拔、低纬度、寡日照、多云雾适宜种茶制茶条件的茶区,是国内业界公认的高品质绿茶重要产地。茶叶中有两种含量最多的功效成分,一是咖啡因,它易溶于水、乙醇、氯仿,二是茶多酚,是一种天然抗氧化剂(其抗氧化能力是VC的5~10倍),它易溶于水、乙醇、乙酸乙酯,难溶于氯仿。实验室提取茶多酚主要实验步骤如下:
1.准备工作:称取适量干燥的绿茶样品,并将其粉碎成细粉末。
2.提取:称取10g茶叶末,用滤纸包好,按如图9装置进行提取操作。
图9
3.分离:将提取液分别过滤后合并滤液,并将滤液按1∶2的体积比与氯仿混合,并搅拌均匀,再用分液漏斗静止分层。取上层液按1∶2体积比加入乙酸乙酯,混合均匀后搅拌3~5分钟,然后倒入分液漏斗中静置,最后分层,操作2次,合并萃取液,用水浴加热减压蒸馏除去乙酸乙酯。
4.浓缩:趁热将残液移入洁净干燥的蒸发皿,用蒸汽浴继续浓缩至近干
5.结晶:冷却至室温,移入冰箱冷冻干燥,得到白色粉末状的茶多酚粗制品。将粗制品用蒸馏水进行1~2次重结晶,得到茶多酚精品。
回答下列问题:
(1)步骤2中滤纸包好的茶叶末装入______中,圆底烧瓶内加______和适量乙醇,通冷凝水,加热套加热,当乙醇被加热沸腾后,控制加热套温度在90℃。为使恒压漏斗内液面高出茶叶包约0.5cm,并保持约1h,可行的操作方法是______。
(2)步骤3中氯仿的作用是______。
(3)下列关于萃取过程中振摇操作的示意图,正确的是______(填序号)。
ABC
(4)与常压蒸馏相比,减压蒸馏的优点是______。
(5)在酸性介质中,茶多酚能将还原为,与生成的深蓝色配位化合物对特定波长光的吸收程度(用光密度值A表示)与茶多酚在一定浓度范围内成正比。A与茶多酚标准液浓度的关系如图10所示:
注:
茶多酚标准液浓度与A的关系
图10
称取1.25g粗产品,用蒸馏水溶解并定容至1000mL,移取该溶液1.00mL,加过量和酸性溶液,用蒸馏水定容至100mL后,测得溶液光密度值,则产品的纯度是______(以质量分数表示)。
17.(15分)尿素是一种适用于各种土壤和植物的有机态氮肥,是首个由无机物人工合成的有机物。以等为原料合成尿素能回收利用二氧化碳,实现碳的固定。按要求回答下列问题。
(1)1828年,德国化学家维勒使用无机物质氰酸银(AgCNO)与在一定条件下反应制得。
①该反应的化学方程式是______。
②晶体中含有的化学键有______(填序号)。
A.离子键B.共价键C.金属键D.配位键E.氢键
(2)和合成尿素的能量变化如图11所示,写出该反应的热化学方程式:______。
(3)在恒容密闭容器中发生反应:,下列能说明该反应达到平衡状态的是______(填序号)。
图11
A.单位时间内每消耗44g,同时生成18g
B.容器中混合气体平均摩尔质量不变
C.
D.的分压保持不变
(4)在恒容密闭容器中发生反应:,测得的平衡转化率与起始投料比[,分别为1∶1、2∶1、3∶1]和温度关系如图12所示。
图12
(1)曲线a代表的投料比为______;
(2)若℃下,从反应开始至达到M点历时5min,测得M点对应的总压强为140kPa,则0~5min内,分压的平均变化率为______,M点对应条件下的分压平衡常数为______(列出计算式即可)。
18.(15分)氨布洛芬(G)是布洛芬酰胺类衍生物,具有消炎、解热、镇痛作用,氨布洛芬的一种制备方法如图13:
图13
回答下列问题:
(1)A→B的反应类型为______,D的官能团名称为______。
(2)下列关于E的说法正确的是______(填序号)。
a.E比苯甲酸在水中的溶解性更好
b.能发生取代、氧化、加成等反应
c.1ml E与足量的反应产生1ml
d.该分子中有2个手性碳原子
(3)写出F→G的化学方程式:______。
(4)已知H为比A少1个碳原子的A的同系物,则符合条件的H有______种,其中核磁共振氢谱有2组峰且峰面积之比为3∶1的结构简式为______。
(5)根据题中合成路线的信息,写出利用甲苯和甲胺()为原料合成有机中间体甲苯甲酰胺()的合成路线图(无机原料任选)。A
B
C
D
制备少量NaClO
制备溴苯并验证有HBr产生
除中的
提纯高锰酸钾
选项
实验目的
实验设计
A
检验晶体是否已经氧化变质
将少量样品溶于稀中,滴加几滴KSCN溶液,观察溶液是否变红
B
检验待测液中含有
用玻璃棒蘸取待测液在无色火焰上灼烧观察现象
C
制备胶体
将5~6滴饱和溶液滴加到煮沸的蒸馏水中,继续煮沸至液体呈红褐色为止
D
室温下,用pH试纸测定浓度均为0.1ml/L的NaClO溶液和溶液的pH
比较HClO和的酸性强弱
相关试卷
这是一份2024届贵州六校联盟高三下学期高考实用性联考(三)化学试题(无答案),共10页。
这是一份贵州省六校联盟2023-2024学年高三上学期实用性联考(二)模拟预测化学试题(无答案),共7页。试卷主要包含了某物质的结构如图1所示,青蒿素等内容,欢迎下载使用。
这是一份2024贵州省六校联盟高三上学期高考实用性联考卷(一)(8月)化学PDF版含解析,文件包含贵州省六校联盟2024届高三上学期高考实用性联考卷一化学-答案和解析pdf、贵州省六校联盟2024届高三上学期高考实用性联考卷一化学pdf等2份试卷配套教学资源,其中试卷共9页, 欢迎下载使用。

