2023-2024学年甘肃省武威二十六中九年级(下)开学物理试卷(含解析)
展开1.下列现象中,属于用热传递的方式改变物体内能的是( )
A. 公园中的石凳被太阳晒热B. 锯木头时锯条变热
C. 两手互相摩擦时手发热D. 刀具在砂轮上磨得发烫
2.铁的比热容大于铜的比热容。质量相等的铁块和铜块吸收相等的热量,若吸收的热量全部转化为内能,则铁块的( )
A. 温度升高较少B. 末温较低C. 内能增加较少D. 内能较小
3.食糖放在热水中溶解快,这主要是因为温度较高时,食糖( )
A. 分子间的作用力减小B. 分子扩散运动加快
C. 分子间平均距离增大D. 分子总数的减少加快
4.下列过程中,机械能转化为内能的是( )
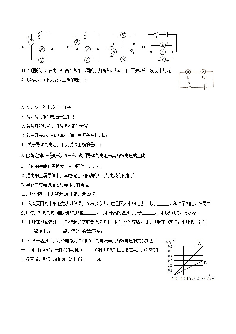
A. 锯木头,经过一段时间后,锯条和木头都发热
B. 锅里的水沸腾时,水蒸气把锅盖顶起
C. 神州号飞船点火后,腾空而起
D. 礼花弹在节日的夜空中绽开
5.如图是汽油机两个冲程的示意图,下列说法正确的是( )
A. 甲是吸气冲程
B. 乙是做功冲程
C. 甲将内能转化为机械能
D. 若该汽油机飞轮转速是3600r/min,则每秒钟燃气做功60次
6.如图甲所示电路,两灯正常发光,电流表A1的示数为0.6A,电流表A2的示数如图乙所示,则( )
A. 两灯是串联连接的B. 流过L1的电流是2.6A
C. 流过L2的电流是2AD. 干路电流是3.2A
7.如图所示,L1和L2是两只相同的小灯泡,a、b是电流表或电压表。闭合开关S后,若两灯都能发光,则
( )
A. a、b均为电流表B. a、b均为电压表
C. a为电流表,b为电压表D. a为电压表,b为电流表
8.甲、乙两个轻质小球互相排斥,若丝绸摩擦过的玻璃棒吸引甲小球,则乙小球( )
A. 带负电B. 带正电
C. 不带电D. 可能带电,可能不带电
9.如图是环境湿度检测电路,R0是电阻箱,R是用石墨烯制成的湿敏电阻,其阻值随湿度增加而增大,闭合开关S( )
A. 湿度增加,电路中电流变大B. 湿度增加,电压表示数变小
C. 减小电源电压可提高检测灵敏度D. 调小R0的阻值可提高检测灵敏度
10.如图所示的四个电路图中,电流表和电压表的接法都正确的是( )
A. B. C. D.
11.如图所示,在电路中两个规格不同的小灯泡L1、L2,闭合开关S后,发现小灯泡L1比L2亮,则下列说法正确的是( )
A. L1、L2中的电流一定相等
B. L1、L2两端的电压一定相等
C. 若L2灯丝烧断,灯L1仍能正常发光
D. 若将开关S接在L1和L2之间,则开关只控制L2
12.关于导体的电阻,下列说法正确的是( )
A. 欧姆定律I=UR变形为R=UI,说明导体的电阻与其两端电压成正比
B. 导体的横截面积越大,其电阻值一定越小
C. 通电的金属导体中,其电荷定向移动的方向与电流方向相反
D. 导体中有电流通过时导体才有电阻
二、填空题:本大题共10小题,共23分。
13.炎炎夏日的中午感觉沙滩很烫,而海水凉爽。这是因为水的比热容比较______,和沙子相比,在同样受热时,相同的时间里吸收的热量______,而水升高的温度比沙子______,因此沙滩烫,海水凉。
14.小球在地面弹跳,小球弹起的高度会逐渐减小,同时小球变热。根据能量守恒定律,小球把一部分______能转化成______能,但总的能量不变。
15.在某一温度下,两个电路元件A和B中的电流与其两端电压的关系如图所示.则由图可知,元件A的电阻为______Ω.将A和B并联后接在电压为2.5V的电源两端,则通过A和B的总电流是______A.
16.当橡胶棒和毛皮摩擦时,橡胶棒带______电,就因为在摩擦过程中橡胶棒______电子,用验电器______(选填“能”或“不能”)直接检验出玻璃棒带何种电。
17.在如图所示的电路中,有三个开关S1、S2、S3,如果仅将开关S3闭合,S1、S2断开,则灯L1、L2______联;如果将开关S1、S2闭合,S3断开,则灯L1、L2______联。如果将开关S1、S2、S3都闭合,电路处于______状态。
18.图甲是小灯泡L和电阻R的电流随电压变化图象,将它们按图乙所示接入电路中,只闭合开关S,小灯泡的实际功率为1W;再闭合开关S1,电流表示数变化了______A,电阻R的阻值为______Ω.
19.如图所示的电路中,甲、乙为两只相同的电压表或电流表。若断开开关S,甲、乙两表示数之比为1:2,则两表均为______表,此时R1与R2 ______联。
20.如图甲所示的电路中,L1两端的电压为U1=3.7V,L2两端的电压如图乙所示,则L2两端的电压U2=______V,电源电压U=______V。
21.如图所示电路,电源电压为6V。当开关S闭合时,规格相同的两盏灯L1和L2串联,且流过L1的电流为1A。则图中②位置处电表应为______表(选填“电流”或“电压”),①位置处电表示数大小为______。
22.有一定值电阻,当其两端的电压为9V时,通过它的电流为0.9A,它的电阻是______Ω;如果它两端的电压为0V,它的电阻是______Ω。
三、作图题:本大题共3小题,共9分。
23.在如图所示电路的“○”里填上适当的电表符号,要求:闭合开关S,两灯均能发光。
24.根据如图所示的实物连线图,画出对应的电路图(要求连线要横平竖直,尽量使电路图简洁美观)。
25.按照电路图连接实物图
四、实验探究题:本大题共2小题,共22分。
26.小明在探究并联电路电流规律的实验中,如图甲是实验的电路图。
(1)在连接电路时发现,刚接好最后一根导线,表的指针就发生了偏转,由此可知在连接电路时,他忘了___。
(2)他先将电流表接A处,闭合开关后,观察到灯L2发光,但灯L1不发光,电流表的示数为零,电路可能存在的故障是:________________。
(3)他在测量B处的电流时,发现电流表的指针偏转如图乙所示,原因是____;在排除故障后,电流表的示数如图丙所示,则电流表的示数为________________A。
(4)在解决了以上问题后,将电流表分别接入A、B、C三点处,闭合开关,测出了一组电流并记录在表格中,立即得出了并联电路的电流规律。请你指出他们实验应改进方法是_________________。
(5)实验结束后,小明又利用器材连接了如图丁所示的电路图,当开关S由断开到闭合时,电流表A2的示数____(选填“变大”“变小”或“不变”)。
27.小红在做“测定小灯泡电阻”的实验,小灯泡的额定电压U额=2.5V。
(1)请你用笔画线代替导线,将如图甲所示的实物电路连接完整(导线不能交叉);
(2)电路连接正确后,闭合开关,发现小灯泡不亮,但电流表和电压表均有示数,接下来他应进行的操作是______。
(3)小红继续进行实验,记录的部分数据如表所示,其中第2次实验时电压表的示数如图乙所示,要测量小灯泡正常工作时的电阻,他应将滑片向______(选填“左”或“右”)移动;第3次实验时电流表的示数如图丙所示,电流表示数为______A,则小灯泡正常发光时的电阻是______Ω(保留1位小数)。
(4)从现有的三组数据中可以看出小灯泡在不同电压下的电阻值有何特点,请写出一句具有概括性的结论:______。
(5)完成上述实验后,小红进一步思考,提出问题:在没有电流表的情况下,能否测量小灯泡的额定功率?他利用一个定值电阻R0设计的电路图如图丁所示。
①调节滑动变阻器滑片使电压表示数为U额;
②接着保持滑片位置不变,将电压表______(选填“A”或“B”)点的接线改接到C点,记录电压表示数为U;
③小灯泡的额定功率为P额= ______(用R0、U额、U等物理量符号表示)。
五、计算题:本大题共2小题,共10分。
28.已知冰的比热容为2.1×103J/(kg⋅℃),冰的熔化热为3.36×105J/kg,水的比热容为4.2×103J/(kg⋅℃)。把质量为10g、温度为0℃的冰和质量为200g、温度为100℃的金属块同时投入质量为100g、温度为20℃的水中,当它们达到热平衡时,它们的共同温度为30℃。若不计热量损失,求金属块的比热容。
29.如图所示,电源电压U保持不变,R1、R2为定值电阻,其中R1=10Ω,当只闭合开关S1时,电流表示数为0.6A,当同时闭合开关S1、S2时,电流表的示数变为1.1A,求:
(1)电源电压U;
(2)通过R2的电流;
(3)R2的阻值。
答案和解析
1.【答案】A
【解析】A、公园中的石凳被太阳晒热,即能量的转移,所以是通过热传递改变内能的,故A正确;
B、锯木头时锯条变热,是做功改变物体内能的,故B错误;
C、两手互相摩擦时手发热,即克服摩擦力作用,所以是做功改变物体的内能,故C错误;
D、刀具在砂轮上磨得发烫,即克服摩擦力作用,所以是做功改变物体的内能,故D错误;
故选:A。
改变物体内能的方法有两种:做功和热传递,做功是能量的转化,热传递是内能的转移。
2.【答案】A
【解析】解:A、质量相同的铁块和铜块,因为铁的比热容大于铜的比热容,吸收相同的热量后,由Q吸=cmΔt可知,铜块的温度升高的多,铁块的温度升高较少,故A正确;
B、由于铁和铜的初温不确定,所以铁块和铜的末温也不确定,故B错误;
CD、铁块和铜块吸收相等的热量,所以铁块和铜块的增加的内能是相同的,因为初始状态不确定,因此无法比较末状态的内能大小,故CD错误。
故选:A。
本题考查了学生对吸热公式Q吸=cmΔt掌握和运用,难度一般。
3.【答案】B
【解析】解:食糖放在水中溶解,属于扩散现象,是分子不停地做无规则运动的结果,温度越高,分子运动地越剧烈,分子扩散运动加快。
故选:B。
扩散现象是分子运动的结果,一切物质的分子都在不停地做无规则运动。运动速度与温度有关。
扩散现象说明了:构成物体的分子在不停地做无规则运动,分子之间有间隙。
4.【答案】A
【解析】解:A、锯木头时,锯条在木头之间摩擦运动,消耗了机械能,锯条和木头发热是获得了内能,故符合题意;
B、水蒸气把锅盖顶起,是气体对外做功,将内能转化为机械能,故不合题意;
C、飞船点火腾空,是燃料的化学能通过燃烧释放出内能,再转化为飞船的动能和重力势能,故不合题意;
D、礼花弹的燃放过程是火药及其他燃料的化学能转化为内能、礼花弹的动能和重力势能、光能的过程,故不合题意。
故选:A。
在分析能量的转化形式时,重点注意是消耗了哪种形式的能量,最终又获得了哪种形式的能量,据此来对各选项中的现象进行逐一的分析判断。
能量的转化在我们生活中可谓无处不在,我们应学会对各种实例进行准确的分析,分析时应重点注意消耗能量和获得能量的判断,这是正确判断的关键。
5.【答案】B
【解析】解:AC.甲图中,两气门关闭,活塞向上运动,为压缩冲程,机械能转化为内能,故AC不符合题意;
B.乙图中,两气门关闭,活塞向下运动,为做功冲程,故B符合题意;
D.一台单缸四冲程汽油机的飞轮转速为3600r/min,说明1min飞轮转3600r,则每秒钟飞轮转60r,因飞轮转2圈对外做功一次做,故每秒钟燃气做功30次,故D不符合题意。
故选:B。
(1)根据活塞的运行方向,再根据气门的关闭情况就可以确定是哪一个冲程;
(2)在做功冲程中是高温高压的燃气对活塞做功,把燃气的内能转化成活塞的机械能;在压缩冲程中是活塞对气体做功,是机械能转化成内能;
(3)在四冲程内燃机的一个工作循环中,完成4个冲程,并对外做功1次,曲轴和飞轮转2圈。
本题主要考查四冲程内燃机的工作过程、能量的转化,其中熟练掌握四冲程内燃机的工作过程是解题的关键。
6.【答案】C
【解析】【分析】
本题考查了电流表的读数和并联电路的电流特点,关键是根据并联电路的特点和指针的位置确定量程。
由电路图可知,两灯泡并联,电流表A1测L1支路的电流,电流表A2测干路电流,根据并联电路的电流特点和电流表指针的位置确定两电流表的量程并根据分度值读出示数,根据并联电路的电流特点求出通过灯L2的电流。
【解答】
A、由电路图可知,两灯泡并联,电流表A1测L1支路的电流,电流表A2测干路电流,故A错误。
B、电流表A1测L1支路的电流,电流表A1的示数为0.6A,则流过L1的电流是0.6A,故B错误;
C、并联电路中干路电流等于各支路电流之和,即干路电流大于任意支路的电流,电流表A2示数应大于A1示数,即A2示数应大0.6A,由图乙所示电流表可知,电流表A2的量程为0~3A,分度值为0.1A,示数I=2.6A,干路电流为2.6A,由于并联电路电流规律:I=I1+I2,故通过灯L2的电流:I2=I−I1=2.6A−0.6A=2A,故C正确;
D、由C的分析可知,干路电流为2.6A,故D错误;
故选C。
7.【答案】C
【解析】解:如果两个灯泡串联,则a应是电压表,而b无论是什么仪表,L2都会被短路,故电路不可能为串联;
那么两个灯泡的连接方式一定为并联,所以为了使灯L1、L2正确发光,a处相当于导线,即电流表;b处不能形成通路,否则会形成电源短路,故b处为电压表。
故选:C。
分两种情况对电路进行分析,即串联电路或并联电路,然后根据电流表与被测用电器串联,并且在电路中相当于导线;电压表与被测用电器并联,在电路中相当于开路分析a、b的类别。
解答本题需要掌握:电压表和电流表的正确使用方法;电压表和电流表的在电路中的作用;本题根据电压表和电流表在电路中的作用进行分析更简单些。
8.【答案】A
【解析】解:丝绸摩擦过的玻璃棒带正电,去靠近甲小球,吸引,故甲带负电,甲、乙两个轻质小球互相排斥,则乙带负电;
故选A.
(1)在实验室中,用毛皮摩擦过的橡胶棒所带的电荷是负电荷;用丝绸摩擦过的玻璃棒所带的电荷是正电荷.
(2)根据电荷间的相互作用规律(同种电荷相互排斥、异种电荷相互吸引)和带电体的性质(能吸引轻小物体)分析.
本题考查了电荷间的相互作用规律和带电体能吸引轻小物体的性质,属于基础题目.
9.【答案】D
【解析】解:由电路图可知,R与R0串联,电压表测R两端的电压;
AB、因湿敏电阻R的阻值随环境湿度的增加而最大,所以,湿度增大时,R的阻值增大,电路中的总电阻增大,由I=UR可知,电路中的电流变小;R的阻值变大,根据串联电路的分压规律可知,其分担的电压变大,电压表示数变大,故A错误、B正确;
C、减小电源电压,在电路中电阻不变的情况下,R分担的电压变小,使得R两端的电压的变化量变小,灵敏度降低,故C错误;
D、调小R0的阻值,根据串联电路的分压规律可知,电阻箱分担的电压变小,R分担的电压变大,电压表示数变化量会变大,可提高检测灵敏度,故D正确。
故选:D。
由电路图可知,R与R0串联,电压表测R两端的电压;
湿度增大时,根据R阻值的变化,分析电路总电阻的变化,根据欧姆定律分析电路中电流的变化,根据串联电路的分压规律分析电压表示数的变化;
要想提高检测灵敏度,需要增大电压表示数的变化量,据此分析。
本题考查了电路的动态分析、欧姆定律的应用、串联电路分压规律的应用,属于基础题。
10.【答案】C
【解析】解:A、电压表的正负接线柱接反了,故A错误;
B、电流表与灯泡并联,电压表与灯泡串联且正负接线柱接反了,故B错误;
C、电流表与灯泡串联,电压表与灯泡并联,且电流都是从正接线柱流入,负接线柱流出,故C正确;
D、电流表与电阻并联,故D错误;
故选:C。
在使用电表过程中,电流表要串联使用,电压表要与测量电路并联,必须使电流从正接线柱流入电表,从负接线柱流出。
此题考查的是电流表、电压表在电路中的正确连接,属于基本技能的考查,只要在平时积极参与实验,解决此题不难。
11.【答案】A
【解析】解:A、由图知,两灯和两电流表串联,因串联电路中电流处处相等,所以通过两灯的电流相等,故A正确;
B、电路中两个规格不同的小灯泡,电阻不同,根据欧姆定律可知L1、L2两端的电压一定不相等,故B错误;
C、由于串联电路中用电器相互影响,则L2灯丝烧断,灯L1不能发光,故C错误。
D、串联电路中的开关控制整个电路中所有用电器,无论开关在什么位置,其作用是不变的,故D错误。
故选:A。
(1)由串联电路的电流特点可知两电流表和通过两灯电流的大小关系;
(2)根据串联电路中用电器相互影响的特点即可判断;
(3)串联电路中,开关在电路中不同的位置时,都能起到控制电路中电流的通断。
本题考查了串联电路特点的应用,还考查了串联电路中开关的作用,关键是知道串联电路中各电路元件相互影响、不能独立工作,属于一道基础题。
12.【答案】C
【解析】解:
AD、电阻大小决定于导体的长度、材料、横截面积和温度,与导体两端的电压、通过的电流无关,故AD错误;
B、电阻大小决定于导体的长度、材料、横截面积和温度,只根据横截面积无法判定电阻的大小,故B错误;
C、通电金属导体定向移动的是电子,电子定向移动的方向与电流方向相反,故C正确。
故选:C。
电阻是导体阻碍电流的性质,其大小决定于导体的长度、材料、横截面积和温度,与导体两端的电压、通过的电流无关;
电荷的定向移动形成电流,规定正电荷定向移动的方向为电流方向,在金属导体中定向移动的是自由电子,自由电子定向移动的方向与电流方向相反。
本题考查了电流的方向、欧姆定律变形公式和并联电路电阻关系的理解,属于基础题目。
13.【答案】大 多 少
【解析】解:水的比热容比较大,吸热能力强,相同质量的水和沙子相比,吸收相同的热量,水升高的温度比沙子少,因此炎炎夏日的中午感觉沙滩很烫,而海水凉爽。
故答案为:大;多;少。
水的比热容较大,相同质量的水和其它物质比较,升高或降低相同的温度,吸收或放出的热量多;吸收或放出相同的热量,水升高或降低的温度少。
本题考查了学生对比热容概念的了解以及用比热容解释生活中的现象,是一道基础题目。
14.【答案】机械 内
【解析】解:小球的弹起的高度逐渐减小,同时小球会变热。根据能量守恒定律可知,小球在运动过程中有一部分机械能转化为内能。
故答案为:机械;内。
能量守恒定律的表述为:能量既不会凭空产生,也不会凭空消失,它只能从一种形式转化为另一种形式,或者从一个物体转移到别的物体;在转化和转移过程中其总量不变。
本题考查能量守恒定律和能量的转化,相对比较简单,属于基础题。
15.【答案】5;0.75
【解析】解:从图象上任选一点,当电压U=1.5V时,电流为I=0.3A,元件A的电阻为R=UI=Ω,当电压U=2V时,通过B的电流为0.2A,元件B的电阻为RB=UI=2V0.2A=10Ω;
将A和B并联后接在电压为2.5V的电源两端时,从图象上可以看出通过A的电流为I1=0.5A,
通过电流B的电流I2=URB=2.5V10Ω=0.25A,
所以通过A和B的总电流是0.5A+0.25A=0.75A.
故答案为:5;0.75.
从图象上选取一点,找到对应的电压和电流,根据欧姆定律求出元件A的电阻,从图象上可以看出将A和B并联后接在电压为2.5V的电源两端时,对应的电流的大小,二者电流之和就是通过A和B的总电流.
本题考查电阻和电流的计算,关键是欧姆定律的应用,难点是根据图象找出有用的数据,这也是本题的重点,在今后的学习中要学会利用图象分析问题.
16.【答案】负 得到 不能
【解析】解:当橡胶棒和毛皮摩擦时,橡胶棒原子核束缚电子本领强,在摩擦过程中橡胶棒得到电子带负电;
用验电器不能直接检验出玻璃棒带何种电。
故答案为:负;得到;不能。
把被毛皮摩擦过的橡胶棒所带的电荷称为负电荷,丝绸摩擦过的玻璃棒所带电荷称为正电荷;
原子核对电子束缚能力强的将得到电子而带负电,原子核对电子束缚能力弱的将失去电子而带正电;
验电器的作用检验物体是否带电。
本题考查了摩擦起电的实质、验电器的作用,属于基础题目。
17.【答案】串 并 短路
【解析】解:当开关S3闭合,S1、S2断开时,电流从电源正极流出,依次流过L1、开关S3、L2回到负极,所以灯L1、L2串联;
当开关S1、S2闭合,S3断开时,电流从电源正极开关分支,一支经过S1、L2,另一支经过L1、S2;然后两支汇合共同回到负极,所以灯L1、L2并联。
当同时闭合S1、S2、S3时,形成了电源短路,这种电路是不允许的。
故答案为:串;并;短路。
(1)串联电路电流只有一条路径,电流依次经过各用电器从正极回到电源负极;并联电路电流有多条路径,分别经过各用电器从电源正极回到负极;
(2)电源短路是指用导线直接将电源两端相连,这种电路是不允许的。
解决此题型的关键是结合串并联电路的特点,根据题目中的开关组合判断电路的连接情况。
18.【答案】0.2 10
【解析】解:(1)当闭合开关S、断开开关S1时,电路为L的简单电路,
由甲图象可知,当灯泡两端的电压UL=2V,通过的电流IL=0.5A,
此时灯泡的实际功率PL=ULIL=2V×0.5A=1W,
则电源的电压U=UL=2V;
(2)当再闭合开关S1时,灯泡与定值电阻R并联,电流表测干路电流,
因为并联电路中各支路两端的电压相等,
所以此时R两端的电压为2V,由图象可知IR=0.2A,
因并联电路中干路电流等于各支路电流之和,
所以干路电流表示数变化了0.2A,
由I=UR可得,电阻R的阻值为R=UIR=2V0.2A=10Ω。
故答案为:0.2;10。
(1)当闭合开关S、断开开关S1时,电路为L的简单电路,由甲图象读出当小灯泡的实际功率为1W时两端的电压(即为电源的电压)和通过的电流;
(2)当再闭合开关S1时,灯泡与定值电阻R并联,电流表测干路电流,根据并联电路的电压特点可知R两端的电压,由甲图象可知此时通过R的电流,根据并联电路的电流特点可知电流表示数的变化量,根据欧姆定律算出电阻R的阻值。
本题考查了并联电路的特点和电功率公式的应用,关键是能从图象中得出小灯泡的实际功率为1W的电压和通过的电流。
19.【答案】电流 并
【解析】解:断开开关S,甲表与R1串联,乙表与R2串联,根据电流表要与被测电路串联,电压表要与被测电路并联可知两表均为电流表,此时R1与R2并联,若甲表和乙表均为电压表,则电路为断路,两表示数均为电源电压,示数之比将为1:1。
故答案为:电流;并。
电流表要与被测电路串联,电压表要与被测电路并联。
本题考查了电流表和电压表的连接和电路的判断,属于电学中的基础内容,难度不大。
20.【答案】2.3 6
【解析】解:如图所示,L1、L2串联,电压表测量L2两端电压,所选量程为0~3V,分度值是0.1V,指针指在2.3V位置,所以示数为U2=2.3V,根据串联电路总电压等于各部分电压之和,则电源电压为U=U1+U2=3.7V+2.3V=6V。
故答案为:2.3;6。
先根据开关的状态分析电路的连接方式,然后根据电压表测量的对象可读出L2两端的电压,根据串联电路的电压规律可计算电源电压。
此题考查了串联电路的电压规律,关键是能够正确地进行分析电路的连接方式以及电压表的测量对象。
21.【答案】电压 6V
【解析】解:当开关S闭合时,L1和L2串联,则电流从正极出发,经开关S、灯泡L2、L1回到负极,其中表①为电压表(并联在L1、L2的两端),测量电源电压,示数为6V;
表②为电压表(并联在L2的两端)。
故答案为:电压;6。
电压表与被测用电器并联,并且在电路中相当于开路;电流表与被测用电器串联,并且在电路中相当于导线;
灯L1和L2串联,电流从电源正极流出,经开关S、电表②、灯泡L2、L1回到负极,据此分析回答。
本题考查了电压表和电流表的正确使用方法,能识别串、并联电路是关键。
22.【答案】10 10
【解析】解:该电阻的阻值为:R=UI=9V0.9A=10Ω,
因为电阻是导体本身的一种性质,与其两端的电压和通过电阻的电流均无关,所以当它两端的电压为0V,它的电阻不变,仍是10Ω。
故答案为:10;10。
已知电阻两端的电压和通过电阻的电流,根据R=UI计算出电阻的阻值;电阻是导体本身的一种性质,与电压、电流无关。
本题主要考查电阻的计算,要掌握欧姆定律的表达式及变形公式,知道电阻是导体本身的一种性质。
23.【答案】解:
根据电路图可知,上面的电表串联在干路中,因此为电流表;下面的电表与灯泡L1并联,因此为电压表。如下图所示:
【解析】根据电流表是串联使用,电压表是并联使用分析。
本题考查了电流表和电压表的使用方法,解题的关键是明白电压表是并联使用,电流表是串联使用。
24.【答案】解:由实物图可知,灯泡L1、L2、滑动变阻器串联,电流从电源正极流出,经开关、滑动变阻器、灯泡L2、L1,回到电源负极,电压表并联在灯泡L1两端,如图所示:
【解析】分析实物图,确定两灯泡、滑动变阻器的连接方式,以及电压表和开关的位置,据此画出电路图。
本题考查根据实物图画电路图,关键是分析实物图中电路的连接,属于基础题目。
25.【答案】解:原电路中,两灯并联,电流表测L1的电流,电流表可选用小量程与L1串联;S控制整个电路,根据电路图连接实物图,如下所示:
【解析】分析电路的连接及开关的作用和电流表测量的电流,根据电路图连接实物图,注意电流从电流表正接线柱流入,从负接线柱流出,各元件顺序与电路图一一对应。
本题考查根据电路图连接实物图,关键是分清电路连接关系,注意各元件顺序与电路图一一对应。
26.【答案】(1)断开开关;
(2)L1断路;
(3)电流表正负接线柱接反了;0.24;
(4)换用不同的灯泡测量多组数据;
(5)变大
【解析】【分析】
本题探究并联电路电流规律,考查注意事项、故障分析、电流表读数、归纳法的运用及并联电路的规律。
(1)连接电路时,开关要断开;
(2)将电流表接A处,闭合开关后,观察到灯L2发光,根据灯L1不发光,电流表的示数为零分析。
(3)注意电流表正负接线柱的接法,根据电流表小量程读数;
(4)用归纳法得出普遍性的结论要满足2个条件:一是样本要有代表性,二是样本数量足够多;
(5)分析电路的连接,由并联电路电流的规律分析。
【解答】
(1)在连接电路时发现,刚接好最后一根导线,表的指针就发生了偏转,由此可知在连接电路时,他忘了断开开关;
(2)将电流表接A处,闭合开关后,观察到灯L2发光,但灯L1不发光,电流表的示数为零,说明L1所在支路断路;
(3)他在测量B处的电流时,发现电流表的指针偏转如图乙所示,即反向偏转,原因是:电流表正负接线柱接反了;在排除故障后,电流表的示数如图丙所示,图中电流表选用小量程,分度值为0.02A,则电流表的示数为0.24A;
(4)只测量了一组数据得出的结论有偶然性,应改进方法是:换用不同的灯泡测量多组数据;
(5)实验结束后,小明又利用器材连接了如图丁所示的电路图,当开关S断开时,电路中只有L1,电流表A2测电路中电流,S闭合时,两灯并联,电流表A2测干路的电路中,因L1的电压和电阻不变,通过其的电流不变,根据并联电路电流的规律并联电路干路电流等于各支路电流之和可知,电流表A2的示数变大。
故答案为:(1)断开开关;(2)L1断路;(3)电流表正负接线柱接反了;0.24;(4)换用不同的灯泡测量多组数据;(5)变大。
27.【答案】移动滑动变阻器的滑片,观察小灯泡是否发光 左 0.48 5.2 灯丝电阻受温度影响,灯丝温度越低,灯丝电阻越小 B U额⋅U−U额R0
【解析】解:(1)电流表、灯泡、滑动变阻器应串联接入电路中;小灯泡的额定电压U额=2.5V,所以电压表选用小量程接入电路中;如图所示:
;
(2)连好电路后,闭合开关,但电流表、电压表均有示数,电路为通路,发现小灯泡不亮,说明电路中的电流过小,接下来应进行的操作是:移动滑动变阻器的滑片,观察小灯泡是否发光;
(3)根据图乙可知,电压表选用的是小量程,分度值为0.1V,示数为1.5V,因为小灯泡的电压小于额定电压,要想让灯泡正常发光,应将滑动变阻器向左移动,滑动变阻器的电阻减小,分压减少,灯泡两端的电压增大,使灯泡正常发光;
由题意知电流表的量程为0−0.6A,分度值为0.02A,示数为0.48A,则灯泡的电阻:R=UI=Ω;
(4)由表格数据可知,灯泡两端的电压越小时,功率越小,温度越低,灯丝的电阻越小,故可得结论:灯丝电阻受温度影响,电压越低,灯丝温度越低,灯丝电阻越小;
(5)调节滑动变阻器滑片使电压表示数为U额,接着保持滑片位置不变,此时灯泡正常发光;
根据电流从电压表正接线柱流入,将电压表B点的接线改接到C点,观察并记录电压表示数U,因为各个电阻的大小和电压大小都不变,灯泡仍然正常发光,根据串联电路的电压规律,定值电阻的电压为:U0=U−U额,
由欧姆定律,通过定值电阻的电流:I0=U0R0=U−U额R0,
根据串联电路的电流规律,通过定值电阻的电流即为小灯泡的额定电流,则小灯泡的额定功率可表示为:
P额=U额I额=U额⋅U−U额R0。
故答案为:(1)见解析;(2)移动滑动变阻器的滑片,观察小灯泡是否发光;(3)左;0.48;5.2;(4)灯丝电阻受温度影响,灯丝温度越低,灯丝电阻越小;(5)B;U额⋅U−U额R0。
(1)电流表、灯泡、滑动变阻器应串联接入电路中;根据灯泡的额定电压分析电压表的连接方式;
(2)连好电路后,闭合开关,但电流表、电压表均有示数,电路为通路,发现小灯泡不亮,说明电路中的电流过小,据此分析;
(3)通过滑动变阻器的分压作用分析滑片的移动方向;读出电流表的示数,根据R=UI计算出电阻值;
(4)分析表中不同电压下灯丝电阻的变化,然后得出结论;
(5)根据电流从电压表正接线柱流入分析判断;因为各电阻的大小和电压大小都不变,根据串联电路的电压规律,求出定值电阻两端的电压,由欧姆定律,求出通过定值电阻的电流即为小灯泡的额定电流,即可求出小灯泡功率的表达式。
本题测量小灯泡的电阻、电功率实验,考查了电路连接、注意事项、故障分析、功率的计算及设计实验方案测功率的能力。
28.【答案】解:当它们达到热平衡时,有Q冰熔化+Q冰水吸+Q水吸=Q金属放,
即m冰λ+m水c水(t−0)+m水c水(t−t初)=c金m金(t金初−t),
代入数据得:10g×3.36×102J/g+10g×4.2J/(g⋅℃)×(30℃−0℃)+100g×4.2J/(g⋅℃)×(30℃−20℃)=c金×200g×(100℃−30℃),
解得:金属块的比热容c金=0.63×103J/(kg⋅℃)。
答:金属块的比热容为0.63×103J/(kg⋅℃)。
【解析】根据Q冰熔化+Q冰水吸+Q水吸=Q金属放,即m冰λ+m水c水(t−0)+m水c水(t−t初)=c金m金(t金初−t)算出金属块的比热容。
本题考查了吸热公式、放热公式的应用,掌握热平衡方程是解题的关键。
29.【答案】解:(1)由电路图可知,当只闭合开关S1时,电路为R1的简单电路,此时R1两端的电压即为电源电压,
根据欧姆定律可得电源电压:U=U1=I1R1=0.6A×10Ω=6V;
(2)当同时闭合开关S1、S2时,R1、R2并联,电流表测干路中的电流,
因并联电路中各支路互不影响,则两开关同时闭合后,通过R1的电流不变,仍为I1=0.6A,
因为并联电路中干路电流等于各支路电流之和,
所以通过R2的电流:I2=I−I1=1.1A−0.6A=0.5A;
(3)并联电路中各支路两端的电压相等,则R2两端的电压为U2=U1=6V,
R2的阻值为:R2=U2I2=6V0.5A=12Ω。
答:(1)电源电压为6V;
(2)通过R2的电流为0.5A;
(3)R2的阻值为12Ω。
【解析】(1)由电路图可知,当只闭合开关S1时,电路为R1的简单电路,已知R1的阻值和电流表的示数,根据欧姆定律求得R1两端的电压即为电源电压;
(2)当同时闭合开关S1、S2时,R1、R2并联,电流表测干路中的电流,根据并联电路的工作特点可知通过R1的电流不变,再根据并联电路的电流规律求出通过R2的电流;
(3)根据并联电路的电压规律可知R2两端的电压,再根据欧姆定律求出R2的阻值。
本题考查了并联电路的特点、欧姆定律的应用,属于常考题。次数
电压U/V
电流I/A
电阻R/Ω
1
0.6
0.28
2
0.36
3
2.5
47,甘肃省武威市凉州区武威第二十六中学2023-2024学年八年级下学期开学物理试题: 这是一份47,甘肃省武威市凉州区武威第二十六中学2023-2024学年八年级下学期开学物理试题,共15页。试卷主要包含了选择题,填空题,作图题,实验探究题,计算题等内容,欢迎下载使用。
242,甘肃省武威九中2023-2024学年九年级下学期开学物理试卷: 这是一份242,甘肃省武威九中2023-2024学年九年级下学期开学物理试卷,共20页。试卷主要包含了选择题,填空题,识图,实验探究题,简答与计算题等内容,欢迎下载使用。
精品解析:甘肃省武威市凉州区武威第二十六中学2023-2024学年八年级下学期开学物理试题: 这是一份精品解析:甘肃省武威市凉州区武威第二十六中学2023-2024学年八年级下学期开学物理试题,文件包含精品解析甘肃省武威市凉州区武威第二十六中学2023-2024学年八年级下学期开学物理试题原卷版docx、精品解析甘肃省武威市凉州区武威第二十六中学2023-2024学年八年级下学期开学物理试题解析版docx等2份试卷配套教学资源,其中试卷共21页, 欢迎下载使用。

