2023-2024学年湖南省岳阳市九年级(上)期末物理试卷(含解析)
展开1.关于分子运动理论和物体内能变化的说法,正确的是( )
A. 某物体内能降低时,其温度一定降低
B. 压在一起的铅块和金块多年后剖开,发现场面互相渗透,这是扩散现象
C. 冬天用热水袋取暖,人体感到暖和,这是用做功的方法,改变物体内能
D. 飞行器返回地面时与空气摩擦生热,这是用热传递方法改变物体内能
2.某款售水机可通过刷卡(闭合“感应”开关)或投币(闭合“投币”开关)接通供水电机取水;光线较暗时“光控”开关自动闭合,提供照明。下列简化电路中符合要求的是( )
A. B.
C. D.
3.课后服务时间,老师和物理兴趣小组同学用一个热敏电阻与其它电学元件组成了如图甲电路。电源电压恒定不变,R1是定值电阻,R是热敏电阻,其阻值R与温度t的关系如图乙所示。开关S闭合,热敏电阻温度升高时,下列说法正确的是( )
A. 电压表V的示数减小B. 电流表A2的示数减小
C. 电流表A2与A1示数之差不变D. 电压表V与电流表A1示数之比增大
4.利用电压表与电流表测电阻的方法叫做“伏安法”,如图所示,“伏安法”测电阻R的电路图应该是( )
A. B.
C. D.
5.如图所示,已知R0=R1=R2=R3=…=Rn=R2011=3Ω,Ra=2Ω。A、B间电压为12V,则通过R0的电流大小是
( )
A. 23AB. 43AC. 1AD. 2A
6.如图1所示,规格相同的容器,装有相同质量的纯净水和油。用相同实际功率的电热器加热,得到如图2所示的温度与加热时间的图线,若液体吸收的热量等于电热器放出的热量,且c水>c油,则( )
A. 加热相同的时间,甲杯中的液体升高的温度大,所以甲杯中的液体吸收的热量多
B. 升高相同的温度,两杯中的液体吸收的热量相同
C. 甲杯中的液体是水
D. 加热相同的时间,两杯中的液体吸收的热量相同
7.灯泡L1、L2上分别标有“6V3W”“6V6W”字样,若将它们串联使用时,不考虑灯丝电阻的变化,保证灯泡不被烧坏,电路两端允许加的最大电压值是( )
A. 6VB. 9VC. 12VD. 18V
8.关于地磁场,下列说法中正确的是( )
A. 磁感线是磁场中真实存在的曲线
B. 地球周围的地磁场的磁感线,是从地磁的S极出发,回到地磁的N极
C. 课桌上水平放置、能自由转动的小磁针静止时,其N极指向地理的南极
D. 指南针是我国古代四大发明之一,它能指南北是因为受到地磁场的作用
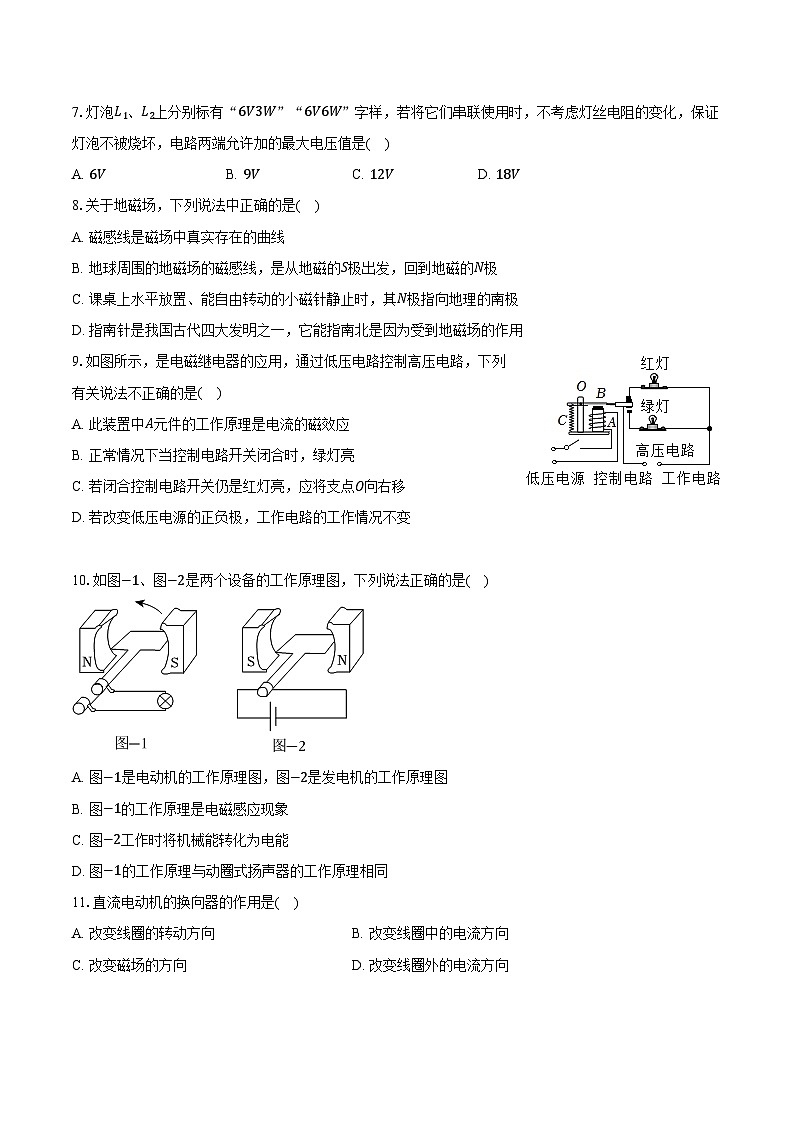
9.如图所示,是电磁继电器的应用,通过低压电路控制高压电路,下列有关说法不正确的是( )
A. 此装置中A元件的工作原理是电流的磁效应
B. 正常情况下当控制电路开关闭合时,绿灯亮
C. 若闭合控制电路开关仍是红灯亮,应将支点O向右移
D. 若改变低压电源的正负极,工作电路的工作情况不变
10.如图−1、图−2是两个设备的工作原理图,下列说法正确的是( )
A. 图−1是电动机的工作原理图,图−2是发电机的工作原理图
B. 图−1的工作原理是电磁感应现象
C. 图−2工作时将机械能转化为电能
D. 图−1的工作原理与动圈式扬声器的工作原理相同
11.直流电动机的换向器的作用是( )
A. 改变线圈的转动方向B. 改变线圈中的电流方向
C. 改变磁场的方向D. 改变线圈外的电流方向
二、非选择题
12.“页岩气”是蕴藏在岩层中的天然气,被誉为未来能源的“明星”。页岩气属于______(填“可再生”或“不可再生”)能源。页岩气的热值为3.2×107J/m3,完全燃烧0.1m3页岩气可放出______J的热量。
13.新材料被誉为制造业的“基石”,由硬原子形成的石墨烯片层卷成的无缝中空的管体,单壁管的直径一般在1−10nm之间的新材料位于碳基新材料“金字塔”的顶端,由此可知,该材料是______(选填“半导体”“超导体”或“纳米”)材料;另一种新材料石墨烯也逐渐广泛应用,可以制造触摸屏,手指触动时手机屏幕亮起,在电路中触摸屏相当于______(选填“电源”“开关”“用电器”或“导线”)。
14.如图是小明家电能表的表盘,其读数是______kW⋅ℎ。小明将家中其他用电器关闭,只让干衣机单独工作,观察到6min内电能表指示灯闪烁了160次,干衣机在这6min内消耗的电能为______kW⋅ℎ。
15.丹麦物理学家______通过物理实验发现通电导体周围存在磁场,是世界上第一个发现电与磁之间有联系的人;我国宋代学者______最早发现了地磁场的南北极与地理的南北极不完全重合。
16.我国已成为世界上高铁发展最快,技术最全的国家。在节能技术上,高铁动车组采用了再生制动方式:动车到站前先停止供电,由于______动车会继续向前运行,电机线圈随车轮转动并在磁场中切割磁感线产生感应电流,将______能转化为电能,自动输入电网。当动车速度减至90km/ℎ以下时才进行机械刹车。
17.在图中,根据小磁针静止时指向,标出通电螺线管的N、S极、线圈中的电流方向及电源的正、负极.
18.箱子表面上有A、B、C三个接线柱,其内部有一个电源,一个电阻,还有部分导线.小梦用如图乙的小灯泡对其内部连接情况进行了研究,记录情况如下表.请你在图甲中画出内部接线的电路图.
19.如图所示,是探究影响导体电阻大小因素的实验电路,下表给出了可供选择的几种导体,分别用A、B、C、D四个字母代表。
问:
(1)实验中,通过观察电流表的示数可以判断导体电阻的大小,运用了______法。通过选用______导体(填导体代号)进行实验,可探究电阻的大小与长度的关系。
(2)分别将A和C两导体接入电路进行实验,发现接入C导体时,电流表的示数比接入A导体时更大,说明导体的电阻与导体的______有关。
(3)若把A、B两导体首尾相连后,再接入电路M、N两端,会发现电流表的示数比只接A或B时变得更小,说明两导体串联后的电阻将______(选填“变大”“变小”或“不变”)。
(4)在输电工程中,通常选用铜芯线、铝芯线作为输电线,而不选择铁芯线,是因为导体的电阻还与导体的______有关。
20.在“测量额定电压为2.5V小灯泡的电功率”实验中,电源是三节新干电池。电路如图甲所示。
(1)闭合开关前,滑动变阻器的滑片应置于______(选填“a”或“b”)端。
(2)闭合开关,移动滑片,当小灯泡正常发光时,电流表的示数为0.28A,小灯泡的额定功率为______W。
此时变阻器的电阻约为______Ω(保留整数)。
(3)完成上述实验后,某小组设计了如图乙所示的电路,用原来的电源和电压表测量原小灯泡的额定功率。方案如下:
①把定值电阻R0接入电路,调节滑动变阻器使小灯泡正常发光;
②保持滑片位置不变,将电压表改接在R0两端,读出电压表示数;
③算出小灯泡的额定功率。
现有阻值为5Ω、10Ω、20Ω的定值电阻,为了能测出小灯泡的额定功率,结合题中的数据分析,定值电阻R0应选______Ω。
21.甲、乙两地相距100km,在甲、乙两地之间沿直线架设了两条用同种材料制成的粗细均匀的输电线,投入使用前,需要对输电线进行测试。技术人员在甲地用电源、电压表和电流表接成如图所示电路进行测试,当在乙地输电线两端接入阻值为10Ω的电阻时(图中未画出),电压表示数为5.0V,电流表示数为0.10A;保持电源电压不变,技术人员在某处将输电线设置成短路(图中未画出),再次测试时,电流表示数为0.25A。求:
(1)甲、乙两地间每条输电线的电阻值;
(2)短路位置离甲地的距离。
22.某视频展示台配套使用的投影幕是依靠电动机来控制升降的,小明用如图所示的电路进行模拟研究,电路中直流电动机的线圈电阻为2Ω,R0为阻值是10Ω的定值电阻,电源电压保持12V不变,闭合开关S,当电动机正常工作时,匀速提升重为0.4N的物体,此时电压表示数为6V.求:
(1)电动机正常工作时,通过它的电流是多大?
(2)电动机正常工作2s所消耗的电能是多少?
(3)若电动机正常工作时,有5%的机械能用来提升物体,物体在2s内上升的高度是多少?
答案和解析
1.【答案】B
【解析】解:A.某物体内能降低时,其温度可能降低也可能不变,例如:晶体的凝固过程中,放出热量,其内能减小,但温度保持不变。故A错误;
B.一切物质的分子都在永不停息的做无规则运动,压在一起的金片和铅片,金分子和铅分子也在不停的做无规则运动,彼此渗入。此现象是扩散现象。故B正确;
C.冬天用热水袋取暖,人体感到暖和,是能量的传递,不是能量的转化,属于热传递的方法改变内能。故C错误;
D.行器返回地面时与空气摩擦生热,这是用做功的方法改变物体内能,故D错误。
故选B。
(1)物体内能的变化与温度、质量和体积有关;
(2)不同物质相互接触时彼此进入对方的现象叫扩散;
(3)做功和热传递都可以改变物体的内能。
关于内能的概念,历年来都是学生考试的一个难点。考点非常多,包括影响内能大小的因素都有哪些,区别内能、温度与热量这三者的概念,掌握内能与温度的关系,了解改变内能的方式等等。
2.【答案】B
【解析】由题知,售水机既可以通过刷卡闭合“感应开关”,也可以通过投币闭合“投币开关”,来接通供水电机取水,这说明刷卡和投币互不影响,故感应开关和投币开关应是并联的,然后与电动机串联;
光线较暗时“光控开关”自动闭合,接通灯泡提供照明,这说明灯泡能独立工作,故灯泡与电动机是并联的;结合图示可知,只有B符合题意,ACD不符合题意。
根据题意可知,刷卡和投币都可以使电动机工作;光控开关控制照明灯。
(1)开关控制用电器时开关和用电器是串联的,用电器和用电器之间是并联的。
(2)根据实际需要学会设计串联电路和并联电路。
3.【答案】C
【解析】根据图示可知,两个电阻并联,电压表测量电源电压,电流表A1测量通过R的电流,电流表A2测量干路中的电流;
A、由于电源电压不变,所以电压表示数不变,故A错误;
B、开关S闭合,热敏电阻温度升高时,根据图乙可知,R的阻值变小,根据欧姆定律可知,通过R的电流变大,电流表A1示数变大;并联电路各支路互不影响,所以通过R1的电流不变;根据并联电路的电流规律可知,干路中的电流变大,电流表A2的示数变大,故B错误;
C、根据并联电路的电流规律可知,电流表A2与A1示数之差为通过R1的电流,所以电流表A2与A1示数之差不变,故C错误;
D、电压表V与电流表A1示数之比就是R的阻值,电压表V与电流表A1示数之比变小,故D错误。
故选:C。
根据图示可知,两个电阻并联,电压表测量电源电压,电流表A1测量通过R的电流,电流表A2测量干路中的电流;
根据图乙分析热敏电阻温度升高时热敏电阻阻值的变化,根据欧姆定律分析通过R电流的变化;根据并联电路的特点、并联电路的电流规律分析两个电流表示数的变化;根据电源电压分析电压表示数的变化;根据并联电路的电流规律分析电流表A2与A1示数之差的变化;根据电压表示数、电流表A1示数的变化分析两者之比的变化。
本题考查了电路的动态分析、欧姆定律的应用、并联电路的特点、并联电路电流的规律,难度不大。
4.【答案】A
【解析】解:伏安法测灯泡电阻,电源、滑动变阻器、灯泡、电流表、开关组成串联电路,电压表并联在待测灯泡两端,电路图如图所示:
故选:A。
(1)伏安法测电阻的原理是欧姆定律;
(2)伏安法测电阻,电源、开关、滑动变阻器、电流表、待测电阻组成串联电路,电压表并联在待测电阻两端,据此作出电路图。
本题考查了利用伏安法测电阻的电路设计,知道伏安法测电阻的原理是正确作出电路图的前提与基础,本题考查的内容是常考内容一定要理解、掌握。
5.【答案】B
【解析】解:由题知:Ra=2Ω,R 0=R 1=R 2=…=R n=R 2011=3Ω。
3个Ra串联后再与R2011并联的等效电阻为:R并1=3Ω×3×2Ω3Ω+3×2Ω=2Ω=Ra。
同理可得:3个Ra串联后再与R2011并联的等效电阻为R并2=2Ω=Ra。
依此类推,整个电路的总电阻为:R总=3Ra=3×2Ω=6Ω。
电流的总电流:I=UR=12V6Ω=2A。
根据并联电路分流得:通过R0的电流为:
I0=3RaR0+3Ra×I=3×2Ω3Ω+3×2Ω×I=23I=23×2A=43A。
故选:B。
根据电路图可知,3个Ra串联后再与R2011并联的等效电阻为:R并1=2Ω=Ra。3个Ra串联后再与R2011并联的等效电阻R并2=2Ω=Ra,依此类推,整个电路总阻R总=3Ra=6Ω。再利用欧姆定律算出总电流,再根据并联分流,推出通过R0的电流大小。
本题考查的内容较多,会计算串、并联的电阻,熟练应用并联分流的知识,掌握欧姆定律计算,是一道综合性较强的习题。
6.【答案】D
【解析】解:AD.相同的电加热器,加热相同的时间,放出的热量相同,若液体吸收的热量等于电加热器放出的热量,则纯净水和油吸收的热量相同,故A错误、D正确;
B.升高相同的温度,加热时间不同,两杯液体吸收的热量不相同,故B错误;
C.甲杯液体和乙杯液体吸收的热量相同,由图2可知,甲杯液体升高的温度多,由c=QmΔt可知,甲杯液体的比热容小,已知c水>c油,所以甲杯液体是油,乙杯液体是水,故C错误。
故选:D。
(1)相同的电加热器,加热相同的时间,放出的热量相同;
(2)根据Q吸=cmΔt可知,质量相同,升高温度相同、比热容不同,吸收的热量不同;
(3)根据c=QmΔt分析;
本题考查比热容的概念、热量公式的掌握和运用,本题需要注意是利用的相同加热器加热,在相同的时间产生的热量相同。
7.【答案】B
【解析】解:由P=UI可得,两灯泡的额定电流分别为:
I1额=P1额U1额=3W6V=0.5A,I2额=P2额U2额=6W6V=1A,
由I=UR可得,两灯泡的电阻分别为:
R1=U1额I1额=6V0.5A=12Ω,R2=U2额I2额=6V1A=6Ω;
两只灯泡串联使用时,由于串联电路中各处的电流相等,所以,为了使电路安全使用,电路中的最大电流I=I1额=0.5A,
根据欧姆定律和串联电路中总电阻等于各分电阻之和可得:
电路两端允许加的最大电压:U=I(R1+R2)=0.5A×(12Ω+6Ω)=9V。
故选:B。
知道两灯泡的额定电压和额定功率,根据P=UI求出额定电流,再根据欧姆定律求出电阻;两只灯泡串联使用时,为了使电路安全使用,串联电路的最大电流只能取两个额定电流中最小的一个,根据电阻的串联和欧姆定律求出电路两端允许加的最大电压。
本题考查了串联电路的特点和欧姆定律以及电功率公式的灵活应用,关键是知道串联时允许通过的最大电流为两个额定电流里面最小的一个。
8.【答案】D
【解析】解:A、磁感线不是磁场中真实存在的曲线,故A错误;
B、地球周围的地磁场的磁感线是从地磁N极出发回到地磁S极,故B错误;
C、课桌上水平放置、能自由转动的小磁针静止时N极指向地理北极,故C错误;
D、指南针是我国古代四大发明之一,它能指南北是因为受到地磁场的作用,故D正确。
故选:D。
(1)磁场是真实存在的,磁感线不存在。
(2)地磁场的磁感线是从地磁N极出发回到地磁S极。
(3)课桌上水平放置、能自由转动的小磁针静止时N极指向地理北极。
(4)指南针指示南北是因为受地磁场的作用。
本题考查的是地磁场和磁感线;关键是知道磁场是客观存在的,而磁感线是为了研究磁场而假想出来的几何曲线。
9.【答案】C
【解析】解:A、电磁继电器的核心部件是电磁铁,电磁铁通电时有磁性,断电时无磁性,运用的是电流的磁效应,故A正确;
B、正常情况下当控制电路开关闭合时,电磁铁具有磁性,吸下衔铁,使得绿灯和电动机的电路接通,绿灯亮、电动机工作,故B正确;
C、若闭合控制电路开关仍是红灯亮,这说明弹簧的拉力与拉力的力臂的乘积大于吸合力与吸合力与其力臂的乘积,要使衔铁被吸下,应在弹簧拉力不变的情况下,应该减小弹簧拉力的力臂,所以支点应该向左移动,故C错误;
D、若改变低压电源的正负极,由于电磁铁磁性的大小与电流的方向无关,所以工作电路的工作情况不变,故D正确。
故选C。
(1)通电导线的周围存在磁场,这就是电流的磁效应;
(2)电磁铁通电后具有磁性,能吸引衔铁,根据电路的连接方式分析用电器的工作情况;
(3)若闭合控制电路开关仍是红灯亮,这说明弹簧的拉力与拉力的力臂的乘积大于吸合力与吸合力与其力臂的乘积,根据杠杆的平衡条件分析支点的移动方向;
(4)电磁铁磁性的大小与电流的方向无关。
此题主要考查了电磁继电器的工作原理。解决此类题目的关键是了解电磁继电器的构造,并搞清各部分的作用,同时要搞清控制电路和工作电路。
10.【答案】B
【解析】解:
AB、图−1中线圈转动时,线圈会做切割磁感线运动,线圈中产生感应电流,这是电磁感应现象,是发电机的工作原理图,此过程中机械能转化为电能,故A错误、B正确;
CD、图−2中通电线圈在磁场中发生转动,是电动机的原理图,将电能转化为机械能;动圈式扬声器是把电信号转换成声信号的一种装置,它的原理是通电线圈在磁场中受力而运动,与电动机相同,故CD错误。
故选:B。
(1)发电机原理图描述了线圈给外界的用电器供电,其原理是电磁感应现象;电动机原理图描述了电源给线圈供电,其原理是通电导体在磁场中受力运动;
(2)动圈式扬声器是把电信号转换成声信号的一种装置,它的原理是通电线圈在磁场中受力而运动,由此带动纸盆振动发出声音。
物理学是以观察和实验为主的实验学科,很多的物理知识都来源于实验,在学习中应重视实验的学习,要牢记一些重要实验装置图。
11.【答案】B
【解析】解:换向器的作用是:当线圈刚转过平衡位置时自动改变线圈中的电流方向,从而改变线圈的受力方向,使线圈持续转动,故B正确。
故选:B。
为了使线圈能够持续转动,在制作直流电动机时安装了换向器,当线圈转过平衡位置时自动改变线圈中电流的方向,从而改变线圈的受力方向。
此题主要考查的是学生对换向器作用的了解和掌握,基础性题目。
12.【答案】不可再生 3.2×106
【解析】解:(1)页岩气不能在短期内再生,属于不可再生能源;
(2)完全燃烧0.1m3页岩气可放出的热量:
Q放=Vq=0.1m3×3.2×107J/m3=3.2×106J。
故答案为:不可再生;3.2×106。
(1)根据煤、石油和天然气属于化石燃料,是不可再生能源解答;
(2)知道页岩气的体积和热值,利用燃料完全燃烧公式Q放=mq求出这些页岩气完全燃烧放出的热量。
本题考查了能源的分类,燃料释放热量的计算,是一道较为简单的应用题。
13.【答案】纳米 开关
【解析】解:硬原子形成的石墨烯片层卷成的无缝中空的管体,单壁管的直径一般在1−10nm之间,即单壁管的直径达到纳米量级,由此可知,该材料是纳米材料;
石墨烯触摸屏,手指触动时手机屏幕亮起,说明能够控制电路的通断,所以在电路中触摸屏相当于开关。
故答案为:纳米;开关。
(1)纳米材料是指材料的几何尺寸达到纳米量级,并且具有特殊性能的材料;
(2)电路是由提供电能的电源、消耗电能的用电器、控制电路通断的开关和输送电能的导线四部分组成,缺少或不完整都会影响电路的正常工作。
本题考查了纳米材料和电路的组成,属于基础知识考查。
14.【答案】619.5 0.1
【解析】解:(1)电能表的最后一位是小数、单位是kW⋅ℎ,由图知,电能表的示数为619.5kW⋅ℎ;
(2)6min内电能表指示灯闪烁了160次,此时干衣机消耗的电能:
W=1601600kW⋅ℎ=0.1kW⋅ℎ。
故答案为:619.5;0.1。
(1)电能表的读数:最后一位是小数、单位是kW⋅ℎ;
(2)1600imp/(kW⋅ℎ)表示电路中用电器每消耗1kW⋅ℎ的电能,电能表指示灯闪烁1600次,据此可求指示灯闪烁160次时干衣机消耗的电能。
本题考查了电能表的读数方法、消耗电能的计算,明确电能表相关参数的意义是关键。
15.【答案】奥斯特 沈括
【解析】解:(1)世界上第一个发现电与磁之间联系的人是丹麦物理学家奥斯特;
(2)在北宋学者沈括的《梦溪笔谈》中,记载了磁针所指方向不完全指南北这一事实,故他是世界上最早发现这一事实的人。
故答案为:奥斯特;沈括。
(1)奥斯特发现了电流的磁效应。
(2)沈括是世界上第一个指出指南针不完全指南北的人,记载于《梦溪笔谈》中。
本题考查的是有关电磁学的识记内容,属于基础题。
16.【答案】惯性 机械
【解析】解:
停止供电后,列车仍能前进是因为高速行驶的列车具有惯性,会保持原来的运动速度继续前进;
电机线圈转动中由于切割磁感线而在线圈中产生了感应电流,将列车的机械能(动能)转化为了电能。
故答案为:惯性;机械。
(1)一切物体均有惯性,惯性是指物体具有的能保持原来的运动状态的性质;
(2)当闭合回路中的部分导体切割磁感线时,会在闭合回路中产生感应电流,即将机械能转化为电能。
本题为结合物理情景考查物理知识的题型,该题型为常见题型,其特点为考查面较广但一般难度不大。
17.【答案】
【解析】【分析】
此题主要考查了磁极间的相互作用、安培定则的运用,利用这两方面的知识将电源极性、电流方向、螺线管方向、小磁针方向联系在一起。
根据小磁针静止时的指向,可确定螺线管的极性,再根据安培定则可判断电流的方向,再根据电流的方向可判断电源的正负极。
【解答】
电磁针N极所指的一端为螺线管的S极,则通过安培定则可知电流是从左侧流向右侧的,因此,电源的左侧为正极,如图所示:
故答案为:如上图所示。
18.【答案】解:由表格信息可知,
当灯泡接在AB之间时灯泡不亮,说明两点间无电源;
当灯泡接在AC之间时灯泡正常发光,说明两点之间有电源、无电阻;
当灯泡接在BC之间时灯光发暗,说明灯泡与电阻串联在电源上,则AB之间有电阻,且BC之间不可能有导线即断路、否则灯泡不发光;
根据以上分析可知,电源为与AC之间,电阻位于AB之间,BC之间断路,如下图所示:
【解析】灯泡发光说明两点之间必有电源,灯泡正常发光说明灯泡直接与电源连接,灯泡发光较暗说明灯泡与电阻串联在电源上,灯泡不亮说明两点间无电源据此分析表格中的信息得出内部接线的电路图.
本题考查了电路图的设计,关键是分析出电路中各用电器的连接情况,这是难点也是重点.
19.【答案】转换 A、B 横截面积 变大 材料
【解析】解:(1)实验中,通过观察电流表的示数可以判断导体的电阻的大小,运用了转换法;
探究电阻的大小与长度的关系,根据控制变量法,要控制导体的材料和横截面积一定,而导体的长度不同,故选取A、B导体进行实验;
(2)选取A、C导体进行实验时,导体的材料、长度相同,横截面积不同,发现接入C导体时,电流表的示数比接入A导体时更大,说明导体的电阻与导体的横截面积有关;
(3)若把A、B两导体首尾相连后再接入电路M、N两端,两导体串联后的电阻值等于AB两导体的电阻之和,即电阻变大,所以电路中的电流变小,电流表示数变小;
(4)通常选择铜芯线、铝芯线作为输电线,而不选择铁芯线,主要应用了铜、铝的导电性好,这是因为导体的电阻还与导体的材料有关。
故答案为:(1)转换法;A、B;(2)横截面积;(3)变大;(4)材料。
(1)电流表串联在电路中,电源电压一定,导体电阻越大,电路电流越小,导体电阻越小,电路电流越大,可以通过电流表示数大小判断导体电阻大小;
(2)影响导体电阻大小的因素:导体的材料、长度和横截面积,在研究电阻与其中某个因素的关系时,要采用控制变量法的思想,要研究导体的电阻大小与一个量之间的关系,需要保持其它量不变;
(3)串联电路的电阻关系:R串=R1+R2;
(4)导线用铜作为内芯,是因为铜的导电性能好。
探究影响电阻大小的因素采用了控制变量法的思想,电阻大小的变化是通过电流表的示数变化体现的,这里采用了转换法的思想。
20.【答案】a 0.7 7 5
【解析】解:(1)由图知,滑片右下端电阻丝接入电路,所以将滑动变阻器的滑片P置于a端阻值最大处,其目的是为了保护电路;
(2)灯泡两端电压为2.5V时,电流表的示数为0.28A,灯泡的额定功率:P额=UI=2.5V×0.28A=0.7W;
此时滑动变阻器的阻值为R滑=U滑I=4.5V−≈7Ω;
(3)电源为3节新干电池组成,电源电压为4.5V,灯泡正常发光时电流为I=0.28A,
由串联电路的电压特点可知,定值电阻和滑动变阻器两端的总电压:U′=U−U额=4.5V−2.5V=2V,
由欧姆定律可知,定值电阻和滑动变阻器的总电阻:R′=U′I=2V0.28A≈7.14Ω<10Ω,
因此定值电阻R0应选5Ω,此时定值电阻R0两端的电压:U0=IR0=0.28A×5Ω=1.4V,故R0=5Ω能满足测量要求。
故答案为:(1)a;(2)0.7;7;(3)5。
(1)为了保护电路,闭合开关前,应将滑动变阻器的滑片P移到阻值最大处;
(2)根据P=UI可求出灯泡的额定功率,利用欧姆定律求得小灯泡的电阻,进一步结合串联电路的电压关系及欧姆定律求得此时滑动变阻器的阻值;
(3)根据串联电路特点和欧姆定律计算定值电阻和滑动变阻器总的电阻,进而确定定值电阻R0的规格。
本题是测灯泡功率的实验,考查了实验操作、电功率计算以及器材的选择等,综合性强。
21.【答案】解:(1)第一次测试时,电路中电压为:U1=5.0V,电流为I1=0.10A,由欧姆定律,电路的电阻为:
R=U1I1=Ω;设每条输电线的电阻为R0,在乙地输电线两端接阻值为R′=10Ω,根据电阻的串联,则有2R0+R′=R,故R0=R−R′2=50Ω−10Ω2=20Ω;
(2)某处将输电线线设置成短路,U1=5.0V,电流为I2=0.25A再次测试时,由欧姆定律,
R′=U1I2=Ω;
短路位置与甲地之间每条输电线的电阻为:
R′0=20Ω2=10Ω;
甲、乙两地相距为L1=100km,设短路位置离甲地的距离为L2,则短路位置离甲地的距离为:
L2=10Ω20Ω×100km=50km。
答:(1)甲、乙两地间每条输电线的电阻值为20Ω;
(2)短路位置离甲地的距离为50km。
【解析】(1)第一次测试时,已知电路中电压为和电流,由欧姆定律求出电路的电阻;根据电阻的串联得出甲、乙两地间每条输电线的电阻值;
(2)某处将输电线线设置成短路,已知电路的电压和电流,由欧姆定律得出电路的电阻,从而得出短路位置与甲地之间每条输电线的电阻;根据已知条件求出短路位置离甲地的距离。
本题考查串联电路的规律及欧姆定律的运用,关键是明确电路的总电阻与每条输电线的电阻值的关系。
22.【答案】解:
由图知,电阻R0和电动机串联,电压表测量电动机两端的电压,
(1)根据串联电路电压的规律可得,R0两端的电压:U0=U−UM=12V−6V=6V;
因串联电路电流处处相等,则电动机正常工作时,通过它的电流:
I=U0R0=6V10Ω=0.6A;
(2)电动机正常工作2s所消耗的电能:
W=UMIt=6V×0.6A×2s=7.2J;
(3)电动机正常工作时产生的热量:
Q=I2RMt=(0.6A)2×2Ω×2s=1.44J,
电能转化为的机械能:
W机械能=W−Q=7.2J−1.44J=5.76J;
由题意可知,提升物体做的功:
W有用=ηW机械能=5%×5.76J=0.288J,
由W=Gℎ可得,物体在2s内上升的高度:
ℎ=W有用G=。
答:(1)电动机正常工作时,通过它的电流是0.6A;
(2)电动机正常工作2s所消耗的电能是7.2J;
(3)若电动机正常工作时,有5%的机械能用来提升物体,物体在2s内上升的高度是0.72m。
【解析】(1)根据串联电路电压的规律求出电阻R0两端的电压,利用欧姆定律求出电流;
(2)根据W=UIt算出电动机正常工作2s所消耗的电能;
(3)利用Q=I2Rt求电动机正常工作时产生的热量,进而求出电动机正常工作时转化成的机械能;而电动机正常工作时,有5%的机械能用来提升物体,可求提升物体做的功,再利用W=Gℎ算出上升的高度。
本题综合考查了欧姆定律、焦耳定律、电功公式和功的公式的应用,能求出提升物体做的功是关键。 M和A接通
M和B接通
N接C,灯正常发光
N接C,灯光发暗
N接B,灯不亮
N接A,灯不亮
导体代号
长度(m)
横截面积(mm2)
材料
A
0.6
0.4
镍铬合金
B
1.0
0.4
镍铬合金
C
0.6
0.6
镍铬合金
D
0.6
0.6
锰
2023-2024学年湖南省永州市九年级(上)期末物理试卷(含解析): 这是一份2023-2024学年湖南省永州市九年级(上)期末物理试卷(含解析),共19页。试卷主要包含了单选题,填空题,作图题,实验探究题,计算题等内容,欢迎下载使用。
2023-2024学年湖南省衡阳市九年级(上)期末物理试卷(含解析): 这是一份2023-2024学年湖南省衡阳市九年级(上)期末物理试卷(含解析),共21页。试卷主要包含了单选题,多选题,填空题,作图题,实验探究题,计算题等内容,欢迎下载使用。
2022-2023学年湖南省岳阳市岳阳县九年级(上)期末物理试卷(含详细答案解析): 这是一份2022-2023学年湖南省岳阳市岳阳县九年级(上)期末物理试卷(含详细答案解析),共20页。试卷主要包含了单选题,填空题,作图题,实验探究题,计算题等内容,欢迎下载使用。

