统考版2024高考地理二轮专题复习第三部分考前抢分专练专题十四选择题技能专练技法一利用地理规律
展开【技法应用】
选择题(在每小题给出的四个选项中,只有一项是符合题目要求的)
[2023·广东省深圳市第二次调研]西拉木伦河发源于大兴安岭西侧的内蒙古高原。下图是西拉木伦河上游河谷的景观照片,该处河谷近处段呈东西向延伸,一侧坡面植被茂密,另一侧坡面植被稀少。据此完成1~2题。
1.与植被稀少一侧坡面相比,另一侧坡面植被茂密主要是因为( )
A.河谷北坡光照充足
B.夏季风迎风坡降水较多
C.河谷南坡蒸发较弱
D.冬季风背风坡气温较高
2.照片拍摄时间是( )
A.夏半年上午 B.夏半年下午
C.冬半年上午 D.冬半年下午
[2023·四川达州市模拟]如图是张先生5月1日在我国某地旅游时,拍摄的日出景观照片。据此完成3~4题。
3.上图中所示景观最可能出现在( )
A.贵州 B.山东
C.西藏 D.新疆
4.该地再一次日出于同一位置的时间可能是( )
A.2月11日 B.6月10日
C.8月10日 D.10月1日
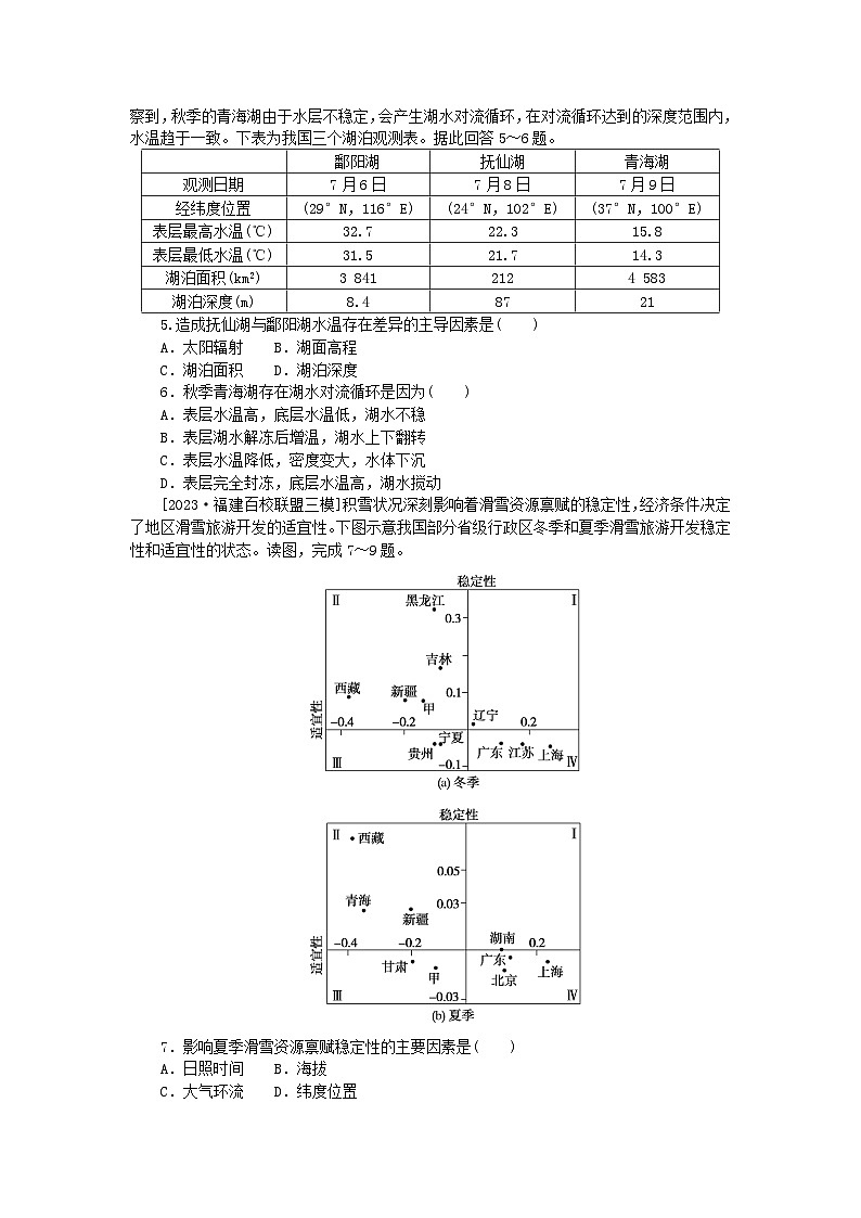
某科研小组对湖泊进行考察时,发现我国不同地区的湖泊表层水温存在明显差异;并观察到,秋季的青海湖由于水层不稳定,会产生湖水对流循环,在对流循环达到的深度范围内,水温趋于一致。下表为我国三个湖泊观测表。据此回答5~6题。
5.造成抚仙湖与鄱阳湖水温存在差异的主导因素是( )
A.太阳辐射 B.湖面高程
C.湖泊面积 D.湖泊深度
6.秋季青海湖存在湖水对流循环是因为( )
A.表层水温高,底层水温低,湖水不稳
B.表层湖水解冻后增温,湖水上下翻转
C.表层水温降低,密度变大,水体下沉
D.表层完全封冻,底层水温高,湖水搅动
[2023·福建百校联盟三模]积雪状况深刻影响着滑雪资源禀赋的稳定性,经济条件决定了地区滑雪旅游开发的适宜性。下图示意我国部分省级行政区冬季和夏季滑雪旅游开发稳定性和适宜性的状态。读图,完成7~9题。
7.影响夏季滑雪资源禀赋稳定性的主要因素是( )
A.日照时间 B.海拔
C.大气环流 D.纬度位置
8.最适合打造室内滑雪场的是图中的( )
A.象限Ⅰ B.象限Ⅱ
C.象限Ⅲ D.象限Ⅳ
9.甲省级行政区最有可能是( )
A.内蒙古 B.天津
C.广西 D.山东
[2023·山东日照市模拟]气候干湿变化对植被生长状况的影响,日益被地理学研究重视。NDVI指数能够较好地反映植被覆盖情况和生长状况,SPEI指数能够较为准确地评估区域干湿变化特征。如图示意秦岭垂直自然带和2000~2018年秦岭南北坡NDVI与SPEI相关系数随海拔变化情况(系数越大,相关性越强。人类活动对植被的干扰影响系数的变化)。据此完成10~11题。
10.秦岭地区对干湿变化最敏感的植被类型是( )
A.阔叶林 B.针阔叶混交林
C.针叶林 D.灌丛、草甸
11.秦岭地区未受人类活动干扰时,植被对干湿变化的敏感程度( )
A.南坡山麓大于北坡
B.北坡山麓大于南坡
C.南坡山顶大于北坡
D.北坡山顶大于南坡
[2023·辽宁大连市一模]地质工作者在流经青藏高原东部的澜沧江某干流河段附近发现一处古河道(图a),古河道上存在一处堆积物高地,主要由棱角状碎石及砂土构成。为研究古河道的演化过程,工作者在达德沟口附近某处(海拔3 244 m)开挖人工剖面(图b)。河流中沉积物的粒径大小受水动力制约,水动力减弱沉积物为黏土。据此完成12~14题。
12.堆积物高地中的碎石及砂土主要来源于( )
A.古河道 B.澜沧江
C.达德沟 D.软流层
13.推断该剖面形成过程中大致经历了( )
A.1~2次洪水 B.2~3次洪水
C.3~4次洪水 D.1~2次干旱
14.以下地理事象形成的先后顺序是( )
①河流改道 ②高地初步形成 ③弯曲河道形成 ④河湖相沉积交替出现
A.②③④① B.①②④③
C.②④①③ D.③②④①
我国东南沿海地区某山位于亚热带,受海洋和复杂地形的影响,自然条件优越,生物多样性丰富,垂直地带性明显,是我国东南沿海典型的山地森林生态系统。下图为该山主峰北坡物种数随海拔高度的变化。读图,完成15~16题。
15.该山北坡随海拔的升高落叶物种数比较平稳,这说明落叶物种( )
A.对地形坡向适应性强
B.对气候环境适应性强
C.受自然灾害干扰较小
D.受人类活动干扰较小
16.该山海拔750~850 m附近的常绿物种数较少的自然原因可能是( )
A.地形坡度较大 B.水热条件较差
C.光照严重不足 D.山谷风力强劲
[2023·河南名校青桐鸣联考]大瓦遮河是元江的一级支流,由西南至东北汇入元江。该流域位于横断山区,流域内有31个自然村,是以稻作生产为核心的人类聚居点。该流域乡村聚落的海拔差异显著。表1为村落数与海拔关系统计表,表2为村落数与坡度关系统计表。据此完成17~18题。
表1
表2
17.大瓦遮河流域海拔1 000米以下聚落较少,可能的原因是( )
A.山坡陡峻,水土流失
B.森林茂密,难以开发
C.气候干热,水田较少
D.地形闭塞,交通不便
18.分布于1 420~2 000米的聚落,一般选址在( )
A.山间小溪汇入的洼地
B.距离梯田较近的山顶
C.山地与平原的过渡带
D.排水良好的缓斜山坡
技法一 利用地理规律
1~2.解析:第1题,大兴安岭西侧的内蒙古高原降水较少,气候较为干旱,影响植被生长的主要限制因素是水分。河谷北坡光照充足,蒸发旺盛,土壤水分较少,植被稀疏;河谷南坡,蒸发较弱,土壤水分条件好,植被茂密;当地受夏季风影响;冬季风主要影响冬季,当地植被生长主要在夏季。第2题,河谷为东西走向,植被稀疏的一侧为北坡,植被茂密的一侧为南坡,植被茂密说明此时为夏半年,结合地物阴影区及实地景观图,此时地物阴影区位于小山脊线东北方向,说明此时应该是夏季,太阳位于西南,应为下午,即夏半年下午,B正确。
答案:1.C 2.B
3~4.解析:第3题,读图可知,图示区域地形崎岖,多峰林,为典型的喀斯特地貌,选项中贵州位于我国云贵高原地区,喀斯特地貌广布,故选A。第4题,同一地区日出同一位置,太阳直射点所在纬线应相同,日期应关于夏至日或者冬至日对称,该日为5月1日,距离夏至日51天,则夏至日后的51天,太阳直射点与5月1日相同,日出方位相同,故选C。
答案:3.A 4.C
5~6.解析:第5题,不同湖泊之间的温度差异主要受海拔和纬度的影响,根据表格可知,抚仙湖纬度低,但温度低,最可能是由海拔高导致,故答案为B。第6题,注意材料指出时间为秋季,秋季气温降低,表层水温下降,密度大,而底层水温降温慢,密度小,由于温度差异影响密度,从而影响水体的对流,使得水体下沉,故答案为C。
答案:5.B 6.C
7~9.解析:第7题,由图可知,夏季滑雪资源禀赋稳定性总体偏低,但西藏、青海、新疆资源禀赋稳定性较好,因为此地位于青藏高原及其周边地区,海拔高,气温低,仍然有一定的积雪条件。因此影响夏季滑雪资源禀赋稳定性的主要因素是海拔。日照时间、大气环流、纬度位置等因素对夏季滑雪资源禀赋稳定性影响较小。第8题,由图可知,象限Ⅳ积雪条件差,缺乏建设高品质自然滑雪场的基础,但上海、广州等省市经济条件好,适合打造室内滑雪场。象限Ⅰ、Ⅱ、Ⅲ自然积雪条件较好,可以打造室外滑雪场。第9题,由图可知,甲所在地冬季积雪资源禀赋较好,夏季禀赋较差,而经济条件始终较差,内蒙古高原部分山区冬季积雪条件较好,夏季消融,经济发展水平较低;山东、天津经济条件好;广西纬度低,在冬季也难以有较好的积雪禀赋。
答案:7.B 8.D 9.A
10~11.解析:第10题,从图中可看出,海拔700~1 300 m左右南北坡的相关系数都比较大,根据材料中描述“系数越大,相关性越强”,说明该处植被对干湿变化最敏感,结合植被分布图可知,该处的植被主要是以阔叶林为主,A正确。第11题,山顶地带南北坡水热差异小,排除C、D。山麓地带,南坡水热条件好,植被对干湿变化的敏感度较小,北坡山麓水热条件较差,植被对干湿变化的敏感度较高,B正确。故选B。
答案:10.A 11.B
12~14.解析:第12题,由于古河道上存在一处堆积物高地,主要由棱角状碎石及砂土构成,因此可以判断出堆积物高地中的碎石以及沙土磨圆度相对较差,说明其不是来源于河流,因为河流的沉积物磨圆度很好;软流层为岩浆,软流层不是堆积物高地中的碎石及砂土主要来源。由于达德沟海拔较高,所以达德沟的固体碎屑物可能会移动到古河道上进行堆积,因此堆积物高地中的碎石及砂土主要来源于达德沟。第13题,当出现洪水时,水量较大,流速较快,因此洪水会带来大量的砾石,砾石在地层沉积会产生河流相砾石,所以河流相砾石的数目能够代表洪水次数,而由图可知,该剖面有2~3个河流相砾石层,因此该剖面形成过程中大致经历了2~3次洪水。第14题,图中古河道为弯曲的,因此可以判断出弯曲河道先形成,弯曲河道形成后导致高地初步的形成,由于高地的初步形成,河湖相沉积交替出现,并且最终河流发生改道,形成现如今的澜沧江干流,所以形成的先后顺序是③②④①。
答案:12.C 13.B 14.D
15~16.解析:第15题,通常随海拔高度的升高,温度、水分等气候条件变化较大,生物也随之发生强烈的变化。读图可知,该山北坡随海拔的升高落叶物种数变化较小,相对比较平稳,说明落叶物种对气候环境产生了适应性,即对气候环境适应性较强,B正确。与坡向、自然灾害和人类活动关系不大,A、C、D错误。故选B。第16题,读图可知,该山北坡在海拔800 m附近常绿物种数较少,这可能是该海拔地带地形坡度较陡,常绿物种难以立足生长,因此,此海拔附近常绿物种数较少,A正确。水热条件、光照不可能比更高海拔的差,所以B、C错。山谷风力强劲也不可能仅影响750~850 m,D错。故选A。
答案:15.B 16.A
17~18.解析:第17题,由材料“流域内有31个自然村,是以稻作生产为核心的人类聚居点”可知,大瓦遮河流域聚落数量的多少取决于可开垦的稻田多少,大瓦遮河河谷为西南季风背风坡,盛行干热风,气候干热,水田面积小,限制聚落的形成与发展。相对于海拔1 000米以下区域,海拔1 000米以上的区域山坡更为陡峻,交通更为闭塞,开发难度更大。第18题,由表2可知,坡度在11°~20°的地带聚落数量最多,这是因为在地势缓斜的山坡地带,因排水良好,建筑条件好,成为聚落的良好区位。坡度小的洼地因海拔较低,不利于排水,聚落稀少;距离梯田较近的山顶处坡度大,地势陡峻,建筑投资大,难度大;山地与平原的过渡带易受到泥石流、滑坡等地质灾害的威胁,聚落也较少。
答案:17.C 18.D
鄱阳湖
抚仙湖
青海湖
观测日期
7月6日
7月8日
7月9日
经纬度位置
(29°N,116°E)
(24°N,102°E)
(37°N,100°E)
表层最高水温(℃)
32.7
22.3
15.8
表层最低水温(℃)
31.5
21.7
14.3
湖泊面积(km2)
3 841
212
4 583
湖泊深度(m)
8.4
87
21
海拔(米)
<800
800~1 000
1 000~1 420
1420~2 000
>2 000
小计
村落数(个)
0
5
3
23
0
31
坡度(°)
0~10
11~20
21~30
31~40
>40
小计
村落数(个)
6
15
9
1
0
31
统考版2024高考地理二轮专题复习第三部分考前抢分专练专题十四选择题技能专练选择题专项特训一: 这是一份统考版2024高考地理二轮专题复习第三部分考前抢分专练专题十四选择题技能专练选择题专项特训一,共6页。
统考版2024高考地理二轮专题复习第三部分考前抢分专练专题十四选择题技能专练技法五利用图表信息: 这是一份统考版2024高考地理二轮专题复习第三部分考前抢分专练专题十四选择题技能专练技法五利用图表信息,共6页。
统考版2024高考地理二轮专题复习第三部分考前抢分专练专题十四选择题技能专练技法四利用区域特征: 这是一份统考版2024高考地理二轮专题复习第三部分考前抢分专练专题十四选择题技能专练技法四利用区域特征,共6页。

