甘肃省武威第五中学2023-2024学年九上物理期末调研模拟试题含答案
展开学校_______ 年级_______ 姓名_______
考生请注意:
1.答题前请将考场、试室号、座位号、考生号、姓名写在试卷密封线内,不得在试卷上作任何标记。
2.第一部分选择题每小题选出答案后,需将答案写在试卷指定的括号内,第二部分非选择题答案写在试卷题目指定的位置上。
3.考生必须保证答题卡的整洁。考试结束后,请将本试卷和答题卡一并交回。
一、选择题(每题1分,共30题,30分)
1.如图甲所示电路的电源电压为3V,小灯泡的额定电压为2.5V,图乙是小灯泡的I--U图像.闭合开关S后,下列判断正确的是
A.滑动变阻器的滑片P向左滑动时,灯泡变暗
B.电流表示数为0.4A时,灯泡的电阻是25Ω
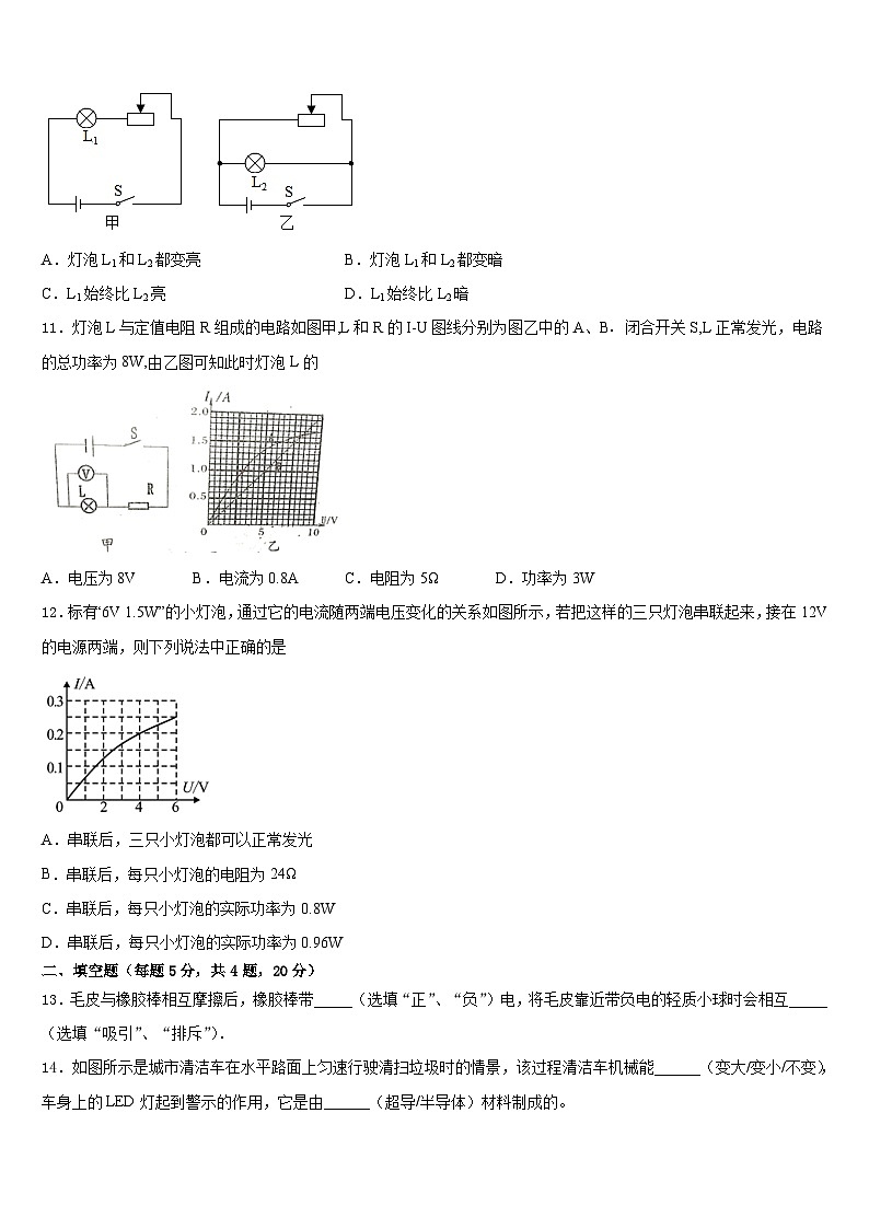
C.电压表示数为2.5V时,小灯泡的功率是1.25W
D.小灯泡正常发光时,滑动变阻器的电功率是0.25W
2.10个小灯泡串联在一起,已知电源正极处的电流是100mA,则通过每个小灯泡的电流是( )
A.0.1mAB.10mAC.0.1AD.1000mA
3.如图所示,L1和L2是两只相同的小灯泡,a、b是电流表或电压表。闭合开关S后,若两灯都能发光,则( )
A.a、b均为电流表
B.a、b均为电压表
C.a为电流表,b为电压表
D.a为电压表,b为电流表
4.李丽周末和家人乘车去游玩,某一时刻她看到汽车转速表显示的转速为1800r/min,她向爸爸了解到汽车发动机为四冲程发动机,则此时汽车在1s内完成了
A.60个冲程,做了15次功B.60个冲程,做了60次功
C.120个冲程,做了30次功D.30个冲程,做了30次功
5.下列家用电器中,利用电流热效应工作的是( )
A.鼓风机B.电风扇C.电视机D.电饭锅
6.四个悬挂着的通草小球,相互作用情况如图所示,如果球带正电,那么球( )
A.一定带正电B.可能带正电C.一定带负电D.可能带负电
7.下列景象中,能说明分子在永不停息地运动的是( )
A.初春,柳絮飞扬B.盛夏,荷花飘香
C.深秋,落叶飘零D.寒冬,大雾弥漫
8.我们日常生活中离不开电,下列有关安全用电的说法中正确的是
A.家庭电路的开关,接在零线或火线上都可以
B.放风筝时,应远离高压输电线
C.空气开关跳闸后,应立即合上
D.有人触电要先用手拉开
9.如图所示,在探究“串联电路电压的关系”时,闭合开关S后,电压表V1的示数是2.5V,V2的示数是3.8V,则电压表V3的示数是
A.1.3VB.2.5VC.3.8VD.6.3V
10.如图所示,甲乙两个电路的电源电压相等且保持不变,两个灯泡的规格相同.闭合开关后,当滑动变阻器的滑片都从中点向右滑动的过程中,关于灯泡亮度的说法,正确的是( )
A.灯泡L1和L2都变亮B.灯泡L1和L2都变暗
C.L1始终比L2亮D.L1始终比L2暗
11.灯泡L与定值电阻R组成的电路如图甲,L和R的I-U图线分别为图乙中的A、B.闭合开关S,L正常发光,电路的总功率为8W,由乙图可知此时灯泡L的
A.电压为8VB.电流为0.8AC.电阻为5ΩD.功率为3W
12.标有“6V 1.5W”的小灯泡,通过它的电流随两端电压变化的关系如图所示,若把这样的三只灯泡串联起来,接在12V的电源两端,则下列说法中正确的是
A.串联后,三只小灯泡都可以正常发光
B.串联后,每只小灯泡的电阻为24Ω
C.串联后,每只小灯泡的实际功率为0.8W
D.串联后,每只小灯泡的实际功率为0.96W
二、填空题(每题5分,共4题,20分)
13.毛皮与橡胶棒相互摩擦后,橡胶棒带_____(选填“正”、“负”)电,将毛皮靠近带负电的轻质小球时会相互_____(选填“吸引”、“排斥”).
14.如图所示是城市清洁车在水平路面上匀速行驶清扫垃圾时的情景,该过程清洁车机械能______(变大/变小/不变),车身上的LED灯起到警示的作用,它是由______(超导/半导体)材料制成的。
15.有两个电阻,R1=4Ω,R2=6Ω,如果把它们并联接入电路中,它们的等效电阻是_______Ω,它们消耗的电功率之比P1∶P2=_______。
16.家庭电路中的同一个插排上连接了多个大功率用电器。用电器所接电压是______V;在日常生活中,不宜同时使用这些用电器,防止电流过大,因电流的_______效应而引发火灾。
三、实验题(共12分)
17.(4分)(1)利用如图甲所示电路测电阻,电流表、电压表的示数如图乙所示,则两表的示数分别为__A、__V,通过计算可知待测电阻为__Ω;
(2)某实验小组利用图所示电路探究并联电路电流的规律,电阻R1、R2的阻值分别为5Ω、10Ω;
①闭合开关,电流表A1无示数、其他电流表均有示数,则电路故障可能是__;
②排除故障后,闭合开关,多次调节滑动变阻器的滑片,记录电流表的示数,数据见表格。
分析数据可得出结论:并联电路的干路电流等于__;并联电路中支路电阻越大,则支路电流__。
完成实验后,小组内有同学质疑以上探究结论,为了使结论更具普遍性,可进一步采取的措施是__。(填一种即可)
18.(4分)小芳用“伏安法”测量小灯泡的额定功率。实验仪器如图所示;(小灯泡的额定电压是3.8V)
(1)用笔画线代替导线,将图中器材连成电路_______;
(2)一位同学连接完电路闭合开关时,发现灯泡特别亮,便立即移动滑动变阻器的滑片位置,但灯泡亮度不变,这说明_______;
(3)在该实验中,若电源电压为6V恒定,实验时发现电压表的0~15V的量程挡坏了,而0-3V量程挡完好,实验所用的其他器材也都完好,在不更换实验器材的条件下,你能否想出一个巧妙的方法测出小灯泡的额定功率,请在方框中画出实验电路图:用该电路图连接好新的电路后,闭合开关,调节滑动变阻器,使电压表示数达到_______,记录_______的值,算出小灯泡的额定功率。
19.(4分)如图所示,在探究“通电螺线管外部磁场”的实验中:
(1)甲图中小明改变通电螺线管中的电流方向,发现小磁针指向转动180°,南北极发生了对调,由此可知:通电螺线管外部的磁场方向与螺线管中________方向有关;
(2)小明继续探究,并按图乙连接电路,他先将开关S接a,观察电流表的示数及吸引大头针的数目;再将开关S从a换到b,调节变阻器的滑片P,再次观察电流表的示数及吸引大头针的数目,此时调节滑动变阻器是为了控制两次实验的________不变,来探究通电螺线管磁性强弱与________关系。
四、作图题(共16分)
20.(8分)在图甲空缺处画上电源或电压表的电路符号,使开关闭合后,两灯组成串联电路;
21.(8分)如图甲的实验电路图,灯泡的电阻约为10Ω,请你根据电路图用笔画线代替导线,将图乙中未完成的电路连接好,要求:电流表、电压表选择合适的量程,导线不能交叉。
(____)
五、计算题(共22分)
22.(10分)孝顺的小凯用自己积攒的零花钱给奶奶买了一个电热按摩足浴盆,如图所示。其内部由加热系统和按摩系统两部分组成,加热系统的加热电阻额定电压为220V,额定功率为1100W。求:
(1)加热电阻的阻值;
(2)当实际电压是198V时,加热电阻工作的实际功率;
(3)足浴盆按摩系统中电动机工作电压是12V(按摩系统将交流电压转换为12V),线圈电阻为1.8Ω,电动机的按摩效率为40%,求电动机线圈的工作电流。
23.(12分)某品牌电热取暖器的工作原理如图所示,它设计有两种基本工作状态,分别是高温制热档和低温保温档,其虚线框内为该取暖器的发热主体,已知R1=60.5Ω,R2=2139.5Ω(忽略温度对电阻的影响)。求:
(1)开关S处于什么状态时,取暖器处于高温制热工作状态?它的功率是多大?
(2)该取暖器低温保温时,电路中的电流是多大?20min产生的热量是多少?
(3)如果要将低温保温档的功率提升18W,请通过计算提出如何改进?
参考答案
一、选择题(每题1分,共30题,30分)
1、D
2、C
3、C
4、A
5、D
6、D
7、B
8、B
9、D
10、D
11、D
12、C
二、填空题(每题5分,共4题,20分)
13、负 吸引
14、变大 半导体
15、2.4 3∶2
16、220 热
三、实验题(共12分)
17、0.24 2.4 10 电阻R1断路 各支路电流之和 越小 调节滑动变阻器,获得多组数据进行比较
18、 滑动变阻器上面两个接线柱连入了电路中 2.2V 电流表
19、电流 电流(或电流大小) 线圈匝数(或匝数)
四、作图题(共16分)
20、
21、
五、计算题(共22分)
22、 (1);(2);(3)
23、(1)闭合状态。800W;(2)0.1A;26400J;(3)将R2换成阻值为1149.5Ω的电阻即可。
通过R1的I1/A
通过R2的I2/A
干路电流I/A
R1、R2并联
0.20
0.10
0.30
R1、R2并联
0.28
0.14
0.42
R1、R2并联
0.36
0.18
0.54
……
甘肃省武威市第五中学2023-2024学年九上物理期末达标测试试题含答案: 这是一份甘肃省武威市第五中学2023-2024学年九上物理期末达标测试试题含答案,共8页。试卷主要包含了下列有关热和能的说法中正确的是,下列物体中,全是导体的一组是等内容,欢迎下载使用。
甘肃省临泽县2023-2024学年九上物理期末调研模拟试题含答案: 这是一份甘肃省临泽县2023-2024学年九上物理期末调研模拟试题含答案,共9页。试卷主要包含了答题时请按要求用笔,下列说法正确的是等内容,欢迎下载使用。
甘肃省会宁县2023-2024学年九上物理期末调研模拟试题含答案: 这是一份甘肃省会宁县2023-2024学年九上物理期末调研模拟试题含答案,共9页。试卷主要包含了下列说法中正确的是,如图所示是某教师自制的教具等内容,欢迎下载使用。

