四川省雅安市名校2023-2024学年九上物理期末综合测试模拟试题含答案
展开学校_______ 年级_______ 姓名_______
注意事项
1.考生要认真填写考场号和座位序号。
2.试题所有答案必须填涂或书写在答题卡上,在试卷上作答无效。第一部分必须用2B 铅笔作答;第二部分必须用黑色字迹的签字笔作答。
3.考试结束后,考生须将试卷和答题卡放在桌面上,待监考员收回。
一、选择题(每题1.5分,共30题,45分)
1.下列实例中,力对物体没有做功的是( )
A.起重机吊起重物B.马拉车,车未动
C.跳水运动员从跳台跳下D.举重运动员,将杠铃举起
2.现在一般标准住宅户内配电系统都使用了空气开关、漏电保护器、三线插座等设备,有一配电系统如图所示.其中各个设备的特征是( )
A.电能表上可以直接读出应该交的电费
B.空气开关的作用与保险丝作用完全相同
C.三线插座正中间的插孔应该接三脚插头的最长那只脚
D.漏电保护器用于当灯泡的灯丝烧断时,将电流导入大地
3.有关试电笔的使用,下列说法中正确的是( )
A.正确使用试电笔时一定没有电流流过人体
B.正确使用试电笔可以辨别家庭电路中的地线与零线
C.正确使用试电笔接触火线时,氖管会发光
D.试电笔与手接触的部分必须都是绝缘体
4.如图所示,电路中的两只电压表的规格完全相同,均有两个量程(0~3V,0~15V).闭合开关,两只电压表的指针偏转角度相同,则电阻R1与R2的比值为( )
A.1:5B.5:1C.1:4D.4:1
5.如图所示,两个透明容器中密闭着等量的空气,A、B两U形管内的液面相平,电阻丝的电阻R1=R2=R1.小明用图示装置进行实验,探究电流通过导体时产生的热量Q跟什么因素有关.下列说法正确的是
A.此实验在探究电热Q与电阻R是否有关
B.通过R1的电流和通过R2的电流大小相等
C.电阻R1两端的电压和R2两端的电压相等
D.通电后,A管的液面将会比B管的液面高
6.关于温度、热量和内能的说法中正确的是( )
A.温度高的物体内能一定大B.物体内能减少,一定放出了热量
C.物体吸收热的,内能增加,温度可能不变D.物体温度越高,含有的热量越多
7.下列数据中与实际相符的是( )
A.重庆夏天的室外温度为60℃
B.人体的电阻约为10Ω
C.人体的安全电压不高于36V
D.正常工作的家用电冰箱的电流约为10A
8.如图所示的电路,闭合开关,观察发现灯泡L1亮、L2不亮.调节变阻器滑片P,灯泡L1的亮度发生变化,但灯泡L2始终不亮.出现这一现象的原因可能是( )
A.灯泡L2灯丝断了
B.滑动变阻器短路了
C.灯泡L2短路了
D.滑动变阻器接触不良
9.如所示,电源电压保持不变,R0为定值电阻,闭合开关,当滑动变阻器的滑片在某两点间移动时,电流表的示数变化范围为 0.4A~1.2A之间,电压表的示数变化范围为2V~6V之间。则定值电阻R0的阻值及电源电压分别为
A.5Ω 8VB.5Ω 10V
C.10Ω 8VD.10Ω 8V
10.在家庭电路中,下列符合安全用电原则的做法是( )
A.在发现有人触电时,要及时伸手将他拉开
B.在做清洁时,可以用湿抹布擦灯泡和开关
C.控制灯泡的开关必须安装在火线上
D.所有用电器的外壳工作时都要与大地相连
11.如图所示的家庭电路中,有两个器件连接错误,它们是( )
A.闸刀开关和带开关的灯泡
B.带开关的灯泡和带熔丝的二线插座
C.带开关的灯泡和三线插座
D.闸刀开关和三线插座
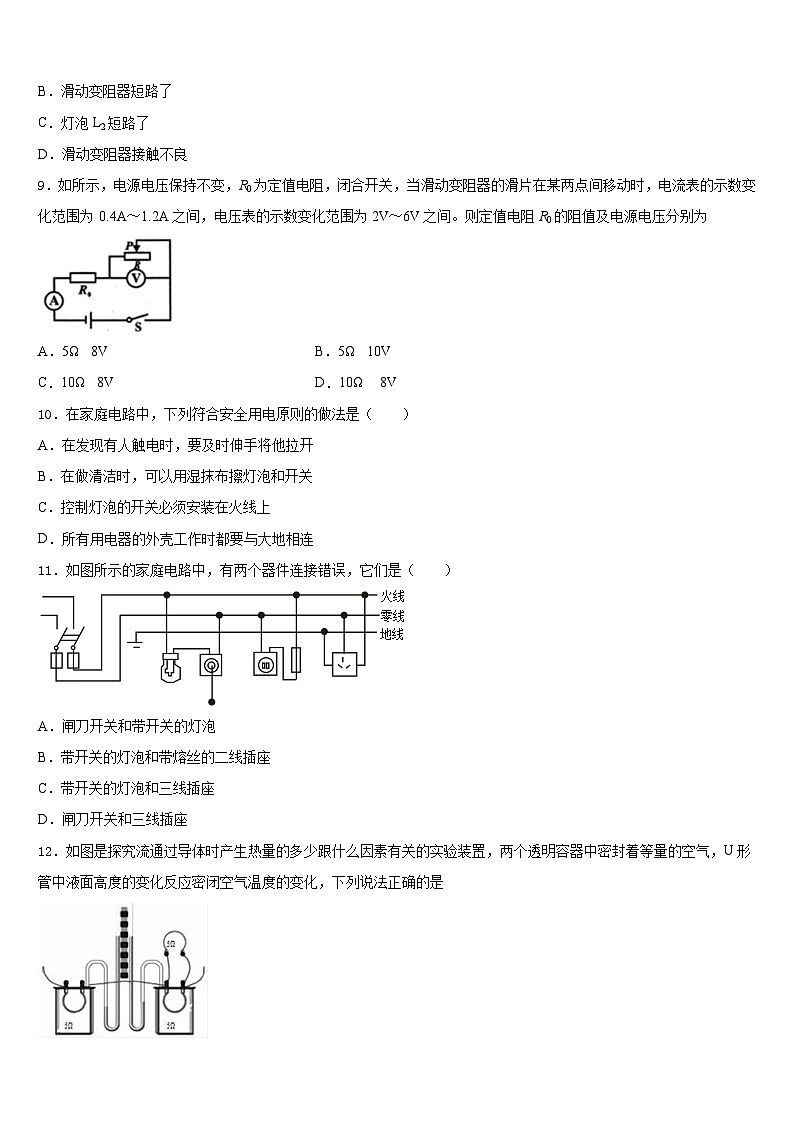
12.如图是探究流通过导体时产生热量的多少跟什么因素有关的实验装置,两个透明容器中密封着等量的空气,U形管中液面高度的变化反应密闭空气温度的变化,下列说法正确的是
A.该实验装置是为了探究电流产生的热量与电阻大小的关系
B.通电一段时间后,右侧U型管内液面高度差比左侧大
C.该实验装置是为了探究电流产生的热量与电流大小的关系
D.该实验装置是利用U型管中液体的热胀冷缩来反映电阻丝放出热量的多少
13.玻璃棒与丝绸摩擦后,玻璃棒带正电荷,这是因为摩擦使玻璃棒( )
A.得到一些电子B.失去一些电子
C.得到一些质子D.失去一些质子
14.小明在探究“物质的放热能力与哪些因素有关”时,分别用质量均为2kg的水和甲液体进行对比实验,并用图象对实验数据进行了处理,绘制出温度--时间关系图像如图所示。由此判断甲物质10min放出的热量为(甲和水在相同时间内放出的热量相等)( )
A.4.2×105JB.2.52×105J
C.5.04×105JD.条件不足,无法计算
15.一只电炉的电阻丝和一台电动机线圈的电阻相同,将它们串联在电路中,电动机正常运转,下列说法正确的是
①相同时间电炉和电动机产生的热量相等;
②相同时间电炉产生的热量大于电动机产生的热量;
③电动机的功率等于电炉的功率;
④电动机的功率大于电炉的功率
A.①③B.①④
C.②③D.②④
16.下列事例中不是利用水的比热容大的特性的是( )
A.夏天.在地上洒水会感到凉快
B.北方楼房内的“暖气”用水作为介质
C.海边昼夜温差变化比沙漠中小
D.生物体内水的比例高,有助于调节自身的温度
17.一块冰在熔化成水的过程中,若不计冰的升华和水的蒸发,下列说法正确的是( )
A.冰的温度升高B.冰的内能增加
C.水的内能增加D.冰水混合物的内能增加
18.下列现象中,能说明分子在不停地做无规则运动的是
A.大雪纷飞B.桂花飘香C.灰尘飞舞D.烟花绽放
19.如图所示,电路元件及导线连接均完好,闭合开关、,则( )
A.不能发光,能发光B.能发光,不能发光
C.、都能发光D.、都不能发光
20.下列有关电能的说法错误的是( )
A.电风扇使电能转化为机械能B.1 J比1 kW·h大得多
C.千瓦时也叫“度”D.各种电气设备、电子仪器的使用都离不开电能
21.某同学家里电灯均正常工作,当他把“”的台灯插头插入插座后,闭合台灯开关,室内电灯全部熄灭,总开关跳闸,发生这种现象原因可能是( )
A.台灯开关处有短路
B.插座处有短路
C.台灯灯座处有短路
D.台灯插头处有短路
22.下图中,符合安全用电原则的是( )
A.甲图建筑物上的避雷针B.乙图同一插座上同时使用几个大功率用电器
C.丙图电视天线与电线接触D.丁图白炽灯的安装
23.如图所示的实验或机器均改变了物体的内能,其中改变内能方法相同的是( )
A.A B CB.B A DC.B C DD.A C D
24.关于温度、热量和内能,下列说法正确的是
A.0℃的冰块没有内能
B.温度高的物体含有的热量多
C.物体温度降低,一定放出了热量
D.物体温度升高,内能一定增加
25.下列做法中不能提高滑轮组机械效率的是
A.增加物体提升的高度B.使用轻质动滑轮
C.增加物体的质量D.在轴上加润滑油
26.同学们在做分组实验,器材是两只灯泡、一个开关、一个电源。组成电路后,发现这个开关都可以同时控制两只灯泡,则这两个灯泡的连接方式是( )
A.串联B.并联
C.串联、并联都有可能D.串联、并联都不是
27.如图的电路中,电路元件及连接均完好,电源电压恒为6V,小灯泡L1、L2和L3各自正常工作时流过的电流均为0.5A,下列说法正确的是( )
A.开关S1和S2断开,电压表的示数为6V,再闭合S2,电压表示数变小
B.开关S1和S2断开,电流表A1测L2的电流,再闭合S2,A1仍测L2的电流
C.先闭合开关S2,再闭合开关S1,电流表A1示数不变,A2示数变大
D.开关S1和S2闭合,有电流流过的灯泡恰好都正常发光,电流表A1的示数为1.5A
28.如图是某同学设计的模拟调光灯电路。闭合开关后,未移动回形针之前,发现灯泡不发光,产生这一现象的原因不可能是( )
A.铅笔芯被短路B.灯泡被短路
C.铅笔芯的阻值太大D.电源电压太低
29.如图所示是小明家庭的部分电路,下列说法正确的是( )
A.若保险丝熔断,则一定是短路引起的
B.若保险丝熔断,可以用铜丝替换
C.灯泡与开关的连接符合安全用电原则
D.两孔插座的连接符合安全用电原则
30.随着人们生活水平的提高,汽车走进千家万户,下列关于小汽车的知识说法正确的是( )
A.用甘油做发动机的冷却剂
B.单缸四冲程内燃机的一个工作循环中有两次能量的转化
C.精心保养可使发电机的效率达到100%
D.排出的尾气对环境没有任何污染
二、填空题(每空1分,共10题,20分)
31.人们常用水给汽车发动机降温,这是因为水的_____较大,在相同条件下水能带走较多的热量,这个过程是通过_____的方式使水的温度升高.
32.太阳能属于______(选填“一次”或“二次”)能源,利用太阳能的方式主要有两种,一种是用集热器加热,如某台太阳能集热器在天气晴好时,一天可以吸收5.2×107J的热量,这相当于完全燃烧_____m3的煤气释放的热量;另一种是用太阳能电池将太阳能转化为____.(煤气的热值为4.0×107J/m3)
33.家用电能表如图所示,家中同时工作的用电器的总功率不能超过_________W;当家庭电路中只有电风扇工作时,电能表铝盘在6min内转过了10转,这个电风扇消耗的电能是__________J。
34.如图所示,用吊车将棱长为1 m的正方体花岗岩从距水面1 m高的A处沿竖直方向匀速放入水中.在整个过程中,钢缆拉力大小与下落高度的关系如图乙所示.花岗岩浸没在水中时受到的浮力等于_____ N;花岗岩石下落到图甲B处(h0=2 m)时下表面受到水的压强等于________ Pa(g取10 N/kg,水密度为1.0×103 kg/m3,计算结果用科学记数法表示).
35.白天,太阳能热水器中水的温度升高.水的内能_____(选填“减少”、“不变”或“增加”),这是通过_____的方法改变了它的内能.
36.图甲是小灯泡L和电阻R的电流随电压变化图象,将它们按图乙所示接入电路中,只闭合开关S,小灯泡的实际功率为1W,再闭合开关S1,电流表示数变化了________A,电阻R的阻值为_______Ω。
37. “端午深情,粽叶飘香”,其中“粽叶飘香”说明分子在_______;煮粽子时是通过_______方式增大粽子内能的.
38.要使一根铜丝温度升高,采取的措施可分两类:一类是______; 另一类是___________。
39.我国于2016年发射“神舟十一号”载人飞船和“天宫二号”空间实验室,“长征五号”和“长征七号”运载火箭也进行了首飞.火箭发射时,在发射台下有一个大水池,让高温的火焰喷到水中,通过______的方式使水的内能增大,迅速汽化,火箭升空过程中,燃料燃烧产生的______能转化为火箭的______能.
40.红外线电暖器中有一个自动断电的安全装置,如图所示,当红外线电暖器倾倒时,它________电路;直立时,它________电路.(填“断开”或“闭合”)
三、实验题(每空1分,共2题,15分)
41.如下图所示是“探究电流的大小与哪些因素有关”的实验电路图。
(1)连接电路前,开关必须_____;
(2)实验开始时,滑动变阻器的作用是_____。在探究通过导体的电流与导体两端电压关系时,应保持定值电阻_____不变,此时滑动变阻器的作用是_____;
(3)在探究通过导体的电流与导体电阻关系时,得到实验数据记录如下表,根据表中的实验数据,在图丙中画出电流随电阻变化的图像;
(________)
(4)分析表中数据及图像可得出结论:_____。
42.在“测定小灯泡的电功率”的实验中,选用如图甲所示的器材,其中电源电压为6V,小灯泡额定电压为2. 5V(灯丝电阻约为12Ω)。
(1)为完成实验,请你用笔画线代替导线,将图甲的电路补充完整;
(________)
(2)连接电路时,闭合开关前应将图甲中所示的滑动变阻器的滑片滑到最_________端(选填:“左”或“右”);
(3)闭合开关,移动滑片发现电压表的示数如图乙所示,其读数是_________V;为了测量小灯泡的额定功率,应将滑动变阻器的滑片向_________端移动(选填:“左”或“右”);
(4)通过小灯泡的电流随它两端电压变化的关系如图丙所示。分析图像可知:
①该小灯泡正常发光时的电阻是_________Ω,额定功率为_________W。
②小灯泡灯丝的电阻是变化的,主要是受_________变化的影响。
四、计算题(每题10分,共2题,20分)
43.现代居家生活中,水族箱已成为室内装饰的一个亮点,某品牌水族箱(如图)的玻璃容器内盛有50L水,内置一根“220V 100W”的自动温控棒,冬天养热带鱼时,水族箱内水的温度要求控制在26℃~28℃之间(温控棒在水温低于26℃是开始工作,水温达到28℃时自动断开)
(1)求水族箱中水的质量
(2)在某次温控中,温控棒正常工作了87.5min,求该次温控棒的温控效率(水的比热容为4.2×103J/(kg·℃))
(3)若用电高峰时,家庭电路的实际电压仅为217.8V,求此时温控棒的工作电流(温控棒阻值不变)
44.如图甲为一个超声波加湿器,图乙为其内部温度监测装置的简化电路图,利用湿敏电阻R可实验对环境温度(RH)精确测量。已知电源电压为24V,定值电阻R0的阻值为120Ω,电流表的量程为0~100mA,电压表的量程为0~15V,湿敏电阻R的阻值随温度RH变化的关系图像如图丙所示。则在电路安全工作的前提下。求:
(1)加湿器单独工作时,标有3000r/kW·h的电能表转盘转了750转,此过程中加湿器消耗的电能;
(2)环境温度RH为70%时通过电流表的电流;
(3)该装置能够测量的温度(RH)范围。
参考答案
一、选择题(每题1.5分,共30题,45分)
1、B
2、C
3、C
4、D
5、D
6、C
7、C
8、C
9、A
10、C
11、C
12、D
13、B
14、B
15、B
16、A
17、D
18、B
19、B
20、B
21、C
22、A
23、C
24、D
25、A
26、C
27、B
28、A
29、C
30、B
二、填空题(每空1分,共10题,20分)
31、比热容 热传递
32、一次 1.3 电能.
33、4400
34、1×104 3×104
35、增加、热传递
36、0.2 10
37、不停做无规则运动 热传递
38、做功 热传递
39、热传递 内 机械
40、断开 闭合
三、实验题(每空1分,共2题,15分)
41、断开 保护电路 阻值 改变定值电阻两端电压 导体两端的电压一定时,通过导体的电流与导体的电阻成反比
42、 左 2.2 右 12.5 0.5 温度
四、计算题(每题10分,共2题,20分)
43、(1)50kg (2)80% (3)0.45A
44、 (1) 0.25kW·h;(2) 0.08A;(3) 40%~80%。
实验序号
1
2
3
4
电流R/Ω
5
10
15
20
电流I/A
0.6
0.3
0.2
0.15
四川省雅安市雨城区雅安中学2023-2024学年九上物理期末监测模拟试题含答案: 这是一份四川省雅安市雨城区雅安中学2023-2024学年九上物理期末监测模拟试题含答案,共8页。试卷主要包含了答题时请按要求用笔,下列物体中属于绝缘体是等内容,欢迎下载使用。
四川省开江县2023-2024学年九上物理期末综合测试模拟试题含答案: 这是一份四川省开江县2023-2024学年九上物理期末综合测试模拟试题含答案,共14页。试卷主要包含了考生要认真填写考场号和座位序号,电冰箱的压缩机等内容,欢迎下载使用。
四川省成都树德中学2023-2024学年九上物理期末综合测试模拟试题含答案: 这是一份四川省成都树德中学2023-2024学年九上物理期末综合测试模拟试题含答案,共9页。试卷主要包含了古语道等内容,欢迎下载使用。

