2023-2024学年江苏省盐城市阜宁县九年级物理第一学期期末复习检测试题含答案
展开这是一份2023-2024学年江苏省盐城市阜宁县九年级物理第一学期期末复习检测试题含答案,共13页。试卷主要包含了关于图所示电路的判断,正确的是,如图所示电路中,电源电压不变等内容,欢迎下载使用。
学校_______ 年级_______ 姓名_______
请考生注意:
1.请用2B铅笔将选择题答案涂填在答题纸相应位置上,请用0.5毫米及以上黑色字迹的钢笔或签字笔将主观题的答案写在答题纸相应的答题区内。写在试题卷、草稿纸上均无效。
2.答题前,认真阅读答题纸上的《注意事项》,按规定答题。
一、选择题(每题1.5分,共30题,45分)
1.小敏同学在做电学实验时按照如图所示的电路将电学器材连接,她使用的电流表量程为 0~0.6A,电压表的量程为 0~3V,电源两端的电压为 6V 且保持不变,电阻 R 的阻值为 10Ω,允许消耗的最大电功率为 0.9W;滑动变阻器 R0 的最大阻值为 20Ω,允许通过的最大电流为 0.5A;将开关 S 闭合后,要保证电路中各个元件正常工作,以下说法正确的是( )
A.通过电阻 R 的电流最大值为 0.4A
B.滑动变阻器接入电路的最小值为 5Ω
C.电压表示数最大的变化量为 1V
D.电路的最大总功率为 3W
2.汽车上设置了“安全带指示灯”,提醒驾驶员系好安全带。当安全带系好时,相当于闭合电键,指示灯不亮;安全带未系好时,相当于断开电键,指示灯发光。如图中符合上述要求的电路图是
A.B.
C.D.
3.用经毛皮摩擦过的橡胶棒接触一个验电器的金属球时,发现金属箔先合拢后张开,这表明验电器原来
A.带正电B.带负电
C.不带电D.以上三者均有可能
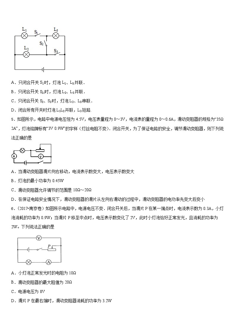
4.关于图所示电路的判断,正确的是
A.只闭合开关S1时,灯泡L1、L3并联.
B.只闭合开关S2,时,灯泡L2、L3并联.
C.只闭合开关S2、S3时,灯泡L2、L3串联.
D.闭合所有开关时灯泡L1L2并联,L3短路.
5.如图所示,电路中电源电压恒为4.5V,电压表量程为0~3V,电流表的量程为0~0.6A,滑动变阻器的规格为“35Ω 2A”,灯泡铭牌标有“3V 0.9W”的字样(灯丝电阻不变).闭合开关,为了保证电路的安全,调节滑动变阻器,则下列说法正确的是
A.当滑动变阻器滑片向右移动,电流表示数变大,电压表示数变大
B.灯泡的最小功率为0.45W
C.滑动变阻器允许调节的范围是10Ω~20Ω
D.在保证电路安全情况下,滑动变阻器的滑片从左向右滑动的过程中,滑动变阻器的电功率先变大后变小
6.(2017•南京卷)如图所示电路中,电源电压不变.闭合开关后,当滑片P在某一端点时,电流表示数为0.3A,小灯泡消耗的功率为0.9W;当滑片P移至中点时,电压表示数变化了2V,此时小灯泡恰好正常发光,且消耗的功率为2W。下列说法正确的是
A.小灯泡正常发光时的电阻为10Ω
B.滑动变阻器的最大阻值为20Ω
C.电源电压为8V
D.滑片P在最右端时,滑动变阻器消耗的功率为3.2W
7.水做为发动机良好的冷却剂是因为水具有较大的( )
A.热值B.比热容C.密度D.电阻
8.甲、乙两只灯泡,其I–U关系图象如下图所示,现将甲、乙两灯串联在电路中,当甲灯两端电压为2 V时,则
A.电源电压为6 V
B.乙灯的电阻为5 Ω
C.甲灯10 s内电流做功为12 J
D.甲、乙两灯总功率为2 W
9.中国的“快舟”应急空间飞行器是由固体燃料运载火箭和快速反应卫星载荷组成的星箭一体化组合体,于2019年8月31日顺利升空.火箭所用的固体燃料具有( )
A.较大的热值B.较高的熔点C.较大的比热容D.较大的密度
10.关于温度、热量和内能,下列说法正确的是
A.热量总是从内能大的物体传递给内能小的物体B.物体温度升高,一定吸收了热量
C.物体吸收热量,温度不一定升高D.盛夏,地面温度升高,地面含有的热量增多
11.下列关于图中所示光学现象的描述或解释正确的是
A.图甲中,小孔成的是倒立的虚像
B.图乙中,人配戴的凹透镜可以矫正近视眼
C.图丙中,白光通过三棱镜要分解成红、橙、黄、绿、蓝、灰、紫七色光
D.图丁中,漫反射的光线杂乱无章不遵循光的反射定律
12.2016年3月3日,物理学家杰拉德•杰克逊和史蒂芬•霍维试图就反物质湮灭释放巨大的能量来制造宇宙飞船的推进器。反物质是由反粒子构成的,反质子、正电子都属于反粒子,它们分别与质子、电子的质量、电量相等,但电性相反。那么,根据你的理解,如图关于反氢原子的结构示意图,正确的是
A.B.C.D.
13.东海温泉是江苏省著名的旅游景点,其中露天温泉是人们特别喜爱的一种休闲方式,下列对于冬季露天温泉的一些描述中正确的是( )
A.温泉泳池上方的大量“白气”是汽化形成的
B.雪花飘落到池水中立刻消失,这是升华现象
C.人从温泉池中出来时觉得冷是因为皮肤表面的水蒸发吸热导致的
D.泳池边的树枝上有大量“白霜”是水蒸气凝固形成的
14.下图是小亮设计的家庭电路图,下列选项中正确的是
A.电路中丙灯和丁灯是串联的
B.丁灯的安装及开关的连接是正确的
C.两孔插座和三孔插座的连接都是正确的
D.用试电笔正确接触M和N点时,试电笔的氖管均不发光
15.关于教室内的电灯、开关、饮水机之间的连接方式,下列说法正确的是( )
A.用一个开关控制的六盏灯之间是串联的
B.各盏灯与饮水机之间是并联的
C.被不同开关控制的各盏灯之间是串联的
D.开关与被控制的灯之间是并联的
16.如图所示是研究电流通过导体产生的热量与哪些因素有关的实验,下列分析正确的是
A.甲实验通电一段时间后,左侧容器内空气吸收的热量更多
B.乙实验通电一段时间后,左侧 U 形管中液面的高度差比右侧的大
C.乙实验是为了研究电流产生的热量与电阻的关系
D.乙实验右边密闭容器与左边密闭容器中的电阻丝产生热量之比为 4:1
17.如图所示的电路,电源电压恒定不变,闭合开关S,将滑动变阻器的滑片P向左移动的过程中,下列说法正确的是(忽略灯泡电阻的变化)( )
A.电流表示数变大B.电压表示数变大
C.电压表和电流表示数的比值变小D.电压表和电流表的示数都变小
18.高层建筑的墙体中有三根绞在一起的电线,可以用如图乙所示的“测量仪”把它们区分开.小华将A、B连在一起时,小明将“测量仪”连接在X、Z两端,灯泡发光;小华将B、C连在一起时,小明将“测量仪”连在X、Y两端,灯泡发光.则( )
A.A和Y是同一根电线,B和Z是同一根电线
B.B和Z是同一根电线,C和Y是同一根电线
C.A和Y是同一根电线,B和X是同一根电线
D.B和X是同一根电线,C和Y是同一根电线
19.随着生活水平的提高,人们外出旅游住宿宾馆司空见惯.如图为某宾馆房间取电装置,房卡插入槽中后,房间内的电灯、电视、空调等用电器才能工作,房卡的作用相当于房间电路的( )
A.总开关B.电源C.用电器D.电能表
20.下列有关比热容的说法正确的是( ).
A.比热容大的物体吸热多B.吸热多的物体比热容大
C.比热容大的物质吸热能力强D.比热容大的物体温度升高得多
21.通常情况下,属于导体材料的一组是
A.铜和玻璃B.银和陶瓷
C.铁和橡胶D.铝和盐水
22.如图所示,电源电压恒为6V,电流表的量程为“0~0.6A”,电压表的量程为“0~3V”。灯泡上标有“2.5V 1.25W”(不考虑灯丝电阻变化),滑动变阻器R的规格为“15Ω 1A”。闭合开关,在保证电路安全的情况下,在移动滑片的过程中,下列说法正确的是( )
A.电压表的示数为2.5V时电流表的示数为0.6A
B.滑动变阻器接入电路的最小阻值为5Ω
C.灯泡消耗的最小电功率为0.45W
D.电路消耗的最大电功率为2W
23.我市城区运营的公交车后门两个扶杆上均装有一个有色按钮(如下图),每一个按钮相当于一个开关。当乘客按下任一按钮,驾驶台上的指示灯亮(或扬声器发声),提醒司机有人下车。下列电路图能实现上述目标的是( )
A.B.
C.D.
24.如图为九年级同学立定跳远比赛时经历起跳、最高点、落地三个位置的示意图,则该同学从最高点至落地过程中重力所做的功最接近( )
A.50JB.100JC.300JD.900J
25.家庭电路中,某用电器正常工作15min消耗电能0.3kW•h,该用电器可能是下列的哪一个( )
A.洗衣机B.电视机C.空调D.白炽灯
26.如图甲所示的电路中,电源电压恒定,灯泡L的电阻随温度变化而变化,R0为定值电阻,滑动变阻器Rx的规格为 “20Ω 2.5A”闭合开关S,电压表V1的示数为U1,电压表V2的示数为U2,移动滑动变阻器的滑片P从A端至B端,U2与U1的关系如图乙所示当滑片P滑到B端时,灯L恰好正常发光。下列结果中正确的是( )
①电路中最小电流为1A
②定值电阻R0的阻值为6Ω
③灯L正常发光时的电阻为12Ω
④灯L的额定功率为48W
A.只有①正确B.只有②③正确
C.只有①③正确D.①②③④都正确
27.如题图所示,电源电压保持不变,闭合开关S,灯不亮,电压表有示数,电流表无示数,则电路的故障情况可能是( )
A.灯L断路B.灯L短路
C.电阻R断路D.电阻R短路
28.下列过程中属于电能转化为机械能的是
A.风力发电B.给蓄电池充电C.太阳能发电D.冲击钻打孔
29.如图的电路中,电路元件及连接均完好,电源电压恒为6V,小灯泡L1、L2和L3各自正常工作时流过的电流均为0.5A,下列说法正确的是( )
A.开关S1和S2断开,电压表的示数为6V,再闭合S2,电压表示数变小
B.开关S1和S2断开,电流表A1测L2的电流,再闭合S2,A1仍测L2的电流
C.先闭合开关S2,再闭合开关S1,电流表A1示数不变,A2示数变大
D.开关S1和S2闭合,有电流流过的灯泡恰好都正常发光,电流表A1的示数为1.5A
30.如图所示,当滑片P向下滑的过程中,电流表和电压表的变化情况是( )
A.电流表的读数变大,电压表的读数变大
B.电流表的读数变大,电压表的读数变小
C.电流表的读数变小,电压表的读数变大
D.电流表的读数变小,电压表的读数变小
二、填空题(每空1分,共10题,20分)
31.当今社会,汽车是人们广泛使用的交通工具,也包含丰富的物理知识:用水作为汽车发动机的冷却剂,这是因为水的____________较大,水能从发动机吸收大量的热,使得发动机能保持正常工作;发动机内燃油燃烧产生的内能通过曲轴、连杆转化为汽车行驶的____________能。
32.用同一热源给一定质量的水加热,其温度与时间的关系如题图中图线a 所示,若其它条件不变,(l)仅增加水的质量;(2)仅增大液面大气压强;(3)既增加水的质量,同时减小液面大气压强则二种情况中,温度与时间的关系图线分别对应 、 和 (选填图中“a ”、“b”、“c”或’' d ' ' )
33.如图所示,闭合开关后,灯泡L1和L2是______(选填“串联”或者“并联”)的,电压表V1,V2和V3的示数分别为U1 ,U2和U3,则三个电表示数之间存在的关系是__________。
34.如图所示,在电磁铁的正上方用弹簧挂一条形磁铁。当开关闭合后,条形磁铁与电磁铁的相互作用为_____(填“吸引”或“排斥”),当滑片P从a端到b端的滑动过程中弹簧的长度会变_____(填“长”或“短”)。
35.夏天常用的电热驱蚊器是利用电流的______效应工作的,与电灯、电风扇等其它家用电器是______联在电路里的,其发热元件正常工作时的电阻为8800Ω,接在家庭照明电路中,正常工作100s产生的热量是______J。
36.用两节新干电池给电阻为10Ω的小灯泡供电,通过灯泡的电流是________A,如果该灯泡允许通过的最大电流为0.5A,加在该灯泡上的电压可达________V;开关断开后,该小灯泡的电阻为________Ω.
37.家庭电路中电灯、电视机、电冰箱等用电器之间是__联的,这些用电器一起工作的越多,电路的总功率__(选填“越大”或“越小”).
38.滑动变阻器是通过改变接入电路中电阻丝的_____来改变接入电路电阻。某滑动变阻器的铭牌上标有“50Ω lA”字样,则加在该滑动变阻器两端的电压不能超过_____V。
39.普通汽车的动力机械是内燃机。做功冲程里,内能转化为______能,压缩冲程里,______能转化为______能。
40.有两个电阻:R1=30Ω,R2=40Ω,若将它们串联在电路中,则在相同时间内消耗的电能之比W1:W2=_____;若将它们并联在电中各,则在相同时间内产生的热量之比Q1:Q2=______.
三、实验题(每空1分,共2题,15分)
41.如图甲,在探究“不同物质吸热能力”的实验中:
(1)在两个相同的烧杯中加入初温相同、__________相同的水和煤油(ρ水﹥ρ煤油)。选用相同电加热器的目的是:使水和煤油在相同时间内__________;
(2)水和煤油温度随时间变化的图像如图乙所示,根据图像可判断出b物质是__________;__________吸热能力强;
(3)本实验采用的物理研究方法是__________ 法。
42.小华为了探究物体动能的大小与质量、速度的关系,设计了如图甲、乙所示的实验。
实验甲:质量相同的两个小球,沿同一光滑弧形轨道分别从A处和B处开始向下运动,然后与放在水平面上的木块相碰,木块在水平面上移动一段距离后静止,如图甲所示。
实验乙:质量不同的两个小球,沿同一光滑弧形轨道分别从A处开始向下运动,然后与放在水平面上的木块相碰,木块在水平面上移动一段距离后静止,如图乙所示。
(1)本实验中是通过比较__________来反映动能的大小,小球的动能是由______________能转化而来的;
(2)要探究小球动能的大小与质量的关系,应选用__________图(甲/乙);
(3)甲实验可以得出的结论是_______________________________;
(4)若在实验中,由于木板较短,木块碰后滑出木板,在不改变原有器材的情况下,如何保证碰后木块能始终在木板上滑行?方法是__________________________。
四、计算题(每题10分,共2题,20分)
43.在家用电器调查活动中,小亮让电热水器单独工作2min,测得家中如图所示的电能表转盘转了70r,电热水器中50L的水升温1℃。求:
(1)这个电热水器的实际功率;
(2)该热水器的加热效率;
(3)若用酒精作为燃料,在不计能量损失的情况下,使相同质量的水升高相同的温度,需燃烧多少千克的酒精?(c水=4.2×103J/(kg·℃);酒精的热值q=3.0×107J/kg)
44.如图所示电路,闭合开关S后,两灯都正常发光,两电表指针都有偏转,示数稳定。已知电源电压为9V,灯L1的电阻为15Ω,灯L2的电阻为12Ω,试分析甲、乙两电表分别是什么电表,它们的示数是多少?
参考答案
一、选择题(每题1.5分,共30题,45分)
1、C
2、B
3、A
4、D
5、D
6、B
7、B
8、D
9、A
10、C
11、B
12、B
13、C
14、B
15、B
16、B
17、B
18、D
19、A
20、C
21、D
22、C
23、B
24、C
25、C
26、A
27、A
28、D
29、B
30、B
二、填空题(每空1分,共10题,20分)
31、比热容 机械
32、c b d
33、串联 U3 =U1 +U2
34、排斥 短
35、热 并 550
36、0.3 5 10
37、并 越大
38、长度 50
39、机械 机械 内
40、3:44:3
三、实验题(每空1分,共2题,15分)
41、质量 吸收相同的热量 煤油 水 控制变量法
42、木块移动的距离 重力势 乙 物体的质量相等时,物体的速度越大,动能越大 适当降低小球释放的高度
四、计算题(每题10分,共2题,20分)
43、(1)2100W;(2)83.3%;(3)0.007kg。
44、甲电表只能是安培表,乙电表是伏特表。0.6A;9V
相关试卷
这是一份2023-2024学年江苏省盐城市阜宁县九年级(上)期末物理试卷(含解析),共28页。试卷主要包含了单选题,填空题,作图题,实验探究题,计算题,综合题等内容,欢迎下载使用。
这是一份江苏省盐城市阜宁县2023-2024学年九年级物理第一学期期末调研模拟试题含答案,共13页。试卷主要包含了下列说法中正确的是,电动机可以带动水泵抽水等内容,欢迎下载使用。
这是一份2023-2024学年江苏省盐城市阜宁县九年级物理第一学期期末复习检测试题含答案,共13页。试卷主要包含了关于图所示电路的判断,正确的是,如图所示电路中,电源电压不变等内容,欢迎下载使用。

