广东省广州市第二中学2020-2021学年高二(下)期中物理试题
展开2021.4.27
本试卷共6页,18小题,满分为100分。考试用时90分钟。
注意事项:
1.答卷前,考生务必用2B铅笔在“考生号”处填涂考生号。用黑色字迹的钢笔或签字笔将自己的姓名和考生号、座位号填写在答题卡上。
2.选择题每小题选出答案后,用2B铅笔把答题卡上对应题目选项的答案信息点涂黑;如需改动,用橡皮擦干净后,再选涂其它答案,答案不能答在试卷上。
3.考生必须保持答题卡的整洁。考试结束后,将试卷和答题卡一并交回。
一、单项选择题(共8题,每题3分,共24分.每题只有一个正确答案。)
1. 广州二中高中部有不少电子设备,其中没有应用了电磁感应原理的是( )
A. 教职工洗手间的红外感应水龙头
B. 图书馆书籍的电子感应标签
C. 教工宿舍铁门电子感应钥匙
D. 教工宿舍使用的电磁炉
【答案】A
2. 两分子间的斥力与引力的合力F与分子间距离r的关系如图中曲线所示,曲线与r轴交点的横坐标为。相距很远的两分子在分子力作用下,由静止开始相互接近。若两分子相距无穷远时分子势能为零,下列说法正确的是( )
A. 阶段,F做正功,分子动能和分子势能均增大
B. 在阶段,分子势能先增大后减小
C. 在时,分子势能为零,动能最大
D. 在时,分子引力和分子斥力大小相等
【答案】D
3. 单匝矩形线圈在匀强磁场中匀速转动时产生交流电,穿过线圈的磁通量变化如图所示,则下列说法正确的是( )
A. 时刻线圈电动势最大
B. 时刻线圈处在中性面位置
C. 线圈电动势峰值为
D. 若线圈匝数变为原来的2倍,则感应电流也变为原来的2倍
【答案】C
4. 如图所示的电路中,A1和A2是完全相同的灯泡,线圈L的电阻可以忽略,下列说法中正确的是( )
A. 合上开关S接通电路时,A1和A2始终一样亮
B. 合上开关S接通电路时,A2先亮,A1后亮,最后一样亮
C. 断开开关S时,A2立即熄灭,A1过一会儿才熄灭
D. 断开开关S时,A1和A2都要过一会儿才熄灭,且通过两灯的电流方向都与原电流方向相同
【答案】B
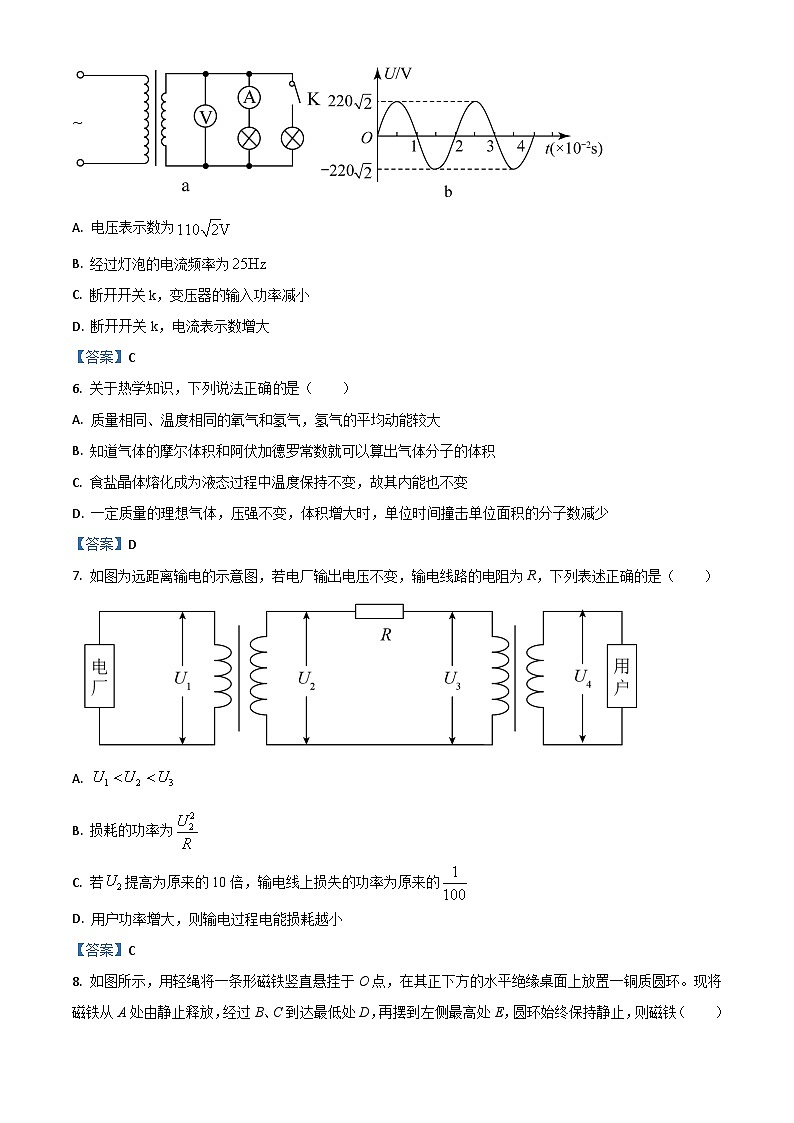
5. 如图a,理想变压器原、副线圈的匝数比为2:1,与副线圈相连的两个灯泡完全相同、电表都为理想电表。原线圈接上如图b 所示的正弦交流电,闭合开关,电路正常工作,下列说法正确的是( )
A. 电压表示数为
B. 经过灯泡的电流频率为
C. 断开开关k,变压器的输入功率减小
D. 断开开关k,电流表示数增大
【答案】C
6. 关于热学知识,下列说法正确是( )
A. 质量相同、温度相同的氧气和氢气,氢气的平均动能较大
B. 知道气体的摩尔体积和阿伏加德罗常数就可以算出气体分子的体积
C. 食盐晶体熔化成为液态过程中温度保持不变,故其内能也不变
D. 一定质量的理想气体,压强不变,体积增大时,单位时间撞击单位面积的分子数减少
【答案】D
7. 如图为远距离输电的示意图,若电厂输出电压不变,输电线路的电阻为R,下列表述正确的是( )
A.
B. 损耗的功率为
C. 若提高为原来的10倍,输电线上损失的功率为原来的
D. 用户功率增大,则输电过程电能损耗越小
【答案】C
8. 如图所示,用轻绳将一条形磁铁竖直悬挂于O点,在其正下方的水平绝缘桌面上放置一铜质圆环。现将磁铁从A处由静止释放,经过B、C到达最低处D,再摆到左侧最高处E,圆环始终保持静止,则磁铁( )
A. 从B到C的过程中,圆环中产生逆时针方向的电流(从上往下看)
B. 从A到D和从D到E的过程中,圆环受到摩擦力方向相同
C. 摆到D处时,圆环给桌面的压力小于圆环受到的重力
D. A、E两点等高
【答案】B
二、多项选择题(共5题,每题6分,共30分有多个正确答案,部分正确得3分)
9. 关于热学知识,下列说法正确的是( )
A. 液体表面张力的方向与液面垂直并指向液体内部
B. 晶体都具有各向异性和固定熔点的特性
C. 在绝对湿度一定的情况下,气温降低时,相对湿度将增大
D. 无风雾霾中的(粒径小于或等于2.5微米的颗粒物)的运动属于布朗运动
【答案】CD
10. 如图,理想变压器两端接正弦交流电源u,电源电压不变。开关S闭合,四个相同的灯泡均能正常发光,灯泡规格为“,”。设灯泡均不会发生故障,以下说法正确的是( )
A. 原副线圈的匝数比为1:2
B. 电源电压的有效值为
C. 若开关断开,灯泡将变暗
D. 仅增大副线圈匝数,灯泡将变亮
【答案】BCD
11. 图甲为手机无线充电实物图。当我们把手机放在图中“圆盘”上时,只要给圆盘接上电源,就可以给手机充电了。如图乙所示,“圆盘”内部有一个发射线圈,给发射线圈接入电源,就能在手机内部的接收线圈中产生合适的电压给手机电池充电,从而实现无线充电。下列说法正确的是( )
A. 发射线圈接入直流电源,接收线圈将产生恒定电流
B. 发射线圈接入均匀变化的电源,接收线圈将产生大小恒定的电流
C. 发射线圈电流变化越大,接收线圈中感应电动势越大
D. 发射线圈的电流变化率越大,接收线圈中感应电动势越大
【答案】BD
12. 如图所示,匀强磁场垂直纸面向里,磁感应强度的大小为B,宽度为a。一直角三角形导线框(边的长度为a)从图示位置向右匀速穿过磁场区域,以逆时针方向为电流的正方向,安培力向左为正方向,则选项中感应电流i、线框受到的安培力F与线框移动的距离x的关系图像正确的是( )
A. B. C. D.
【答案】AC
13. 某研学小组设计了一个辅助列车进站时快速刹车的方案。如图所示,在站台轨道下方埋一励磁线圈,通电后形成竖直方向的磁场(可视为匀强磁场)。在车身下方固定一矩形线框,利用线框进入磁场时所受的安培力,辅助列车快速刹车。已知列车的总质量为m,车身长为s,线框的短边和分别安装在车头和车尾,长度均为L(L小于匀强磁场的宽度),整个线框的电阻为R。站台轨道上匀强磁场区域足够长(大于车长s),车头进入磁场瞬间的速度为,假设列车停止前所受铁轨及空气阻力的合力恒为f。已知磁感应强度的大小为B,车尾进入磁场瞬间,列车恰好停止。从车头刚进入磁场到列车停止过程中,下列说法正确的是( )
A. 可以求出车头刚进入磁场时的加速度
B. 可以求出此过程流过线圈的电荷量
C. 无法求出车头刚进入磁场到停止所用的时间
D. 列车减少的动能全部转化为线圈的焦耳热
【答案】AB
三、填空题(共8分)
14. 如图,导热性良好的气缸竖直固定,开口向上,用轻质活塞封闭一段理想气体,活塞可无摩擦上下滑动,活塞稳定后处在图甲的A位置,此时缸内压强为,温度为。现在活塞上轻放一个质量为m的小物体,重新稳定后活塞处于图乙中的B位置,此时缸内气体压强为,温度为;接着用电热丝缓慢加热气体,活塞刚好到达C位置时,缸内压强为,温度为。已知大气压强不变.则______,______(填“>、“<”或“=”)
【答案】 (1). < (2). = (3). = (4). <
15. 如图,粗细均匀的绝热U型玻璃管,右侧玻璃管连通着一细玻璃管,阀门关闭,忽略细玻璃管的体积.封闭空气柱长为,左右两管内的水银面高度差为。已知大气压强为,封闭气体初始温度为。现对封闭气体采取两种做法:
(1)若缓慢加热封闭气体,直到左右两管水银面等高时,停止加热,此时封闭气体的温度为__________;
(2)若打开阀门,直到左右两管水银液面等高,关闭阀门,此时玻璃管内气体的质量是原来气体质量的__________倍。
【答案】 (1). 或202℃ (2). 或1.58或1.583)
四、计算题(共38分,要有适当的解答过程,只写最终结果不给分)
16. 近年来我们国家倡导节能减排,促进绿色环保,作为一名公民也要从身边力所能及的小事做起,少开车多骑自行车.一般设计自行车内胎的压强不能高于1.8atm否则易爆胎,另外自行车长时间骑行,会使内胎温度比外界高5℃,所以夏天充气压强要低点.一辆自行车内胎压强,降到1.1atm,在27℃的室温下用200mL的微型打气简给内胎充气,外界大气压强视为1.0atm,内胎容积3000mL,充气过程视为温度不变、内胎容积不变,则:
(i)将内胎气压充到1.5atm,需要用微型打气简打多少次?
(ii)在室温下充气到1.75atm,能在外界40℃高温下长时间骑行吗?
【答案】(i) 6 (ii)不能
17. 小明同学设计了一个“电磁天平”,如图所示,等臂天平的左臂为挂盘,右臂挂有矩形线圈,线圈没有电流时,两臂平衡。线圈的水平边长,竖直边长,匝数为匝,总电阻。线圈的下边处于匀强磁场内,磁感应强度,方向垂直线圈平面向里。在线圈上部另加垂直纸面的匀强磁场,且磁感应强度B随时间均匀增大,磁场区域宽度。当挂盘中放质量为的物体时,天平平衡,重力加速度取,求:
(1)请判断磁场B的方向及磁感应强度的变化率;
(2)若挂盘重物的重量增大,为保持两侧平衡,请你写出一种可行的方案。
【答案】(1)垂直纸面向外,;(2)可以适当增大或者适当增大B的变化率
18. 如图所示,固定金属圆环内存在匀强磁场,方向垂直圆环向下,在外力作用下金属棒可绕着圆心O匀速转动.从圆心和圆环边缘用细导线连接足够长的两平行金属导轨,导轨与水平面夹角为30°,空间存在垂直导轨平面向下的匀强磁场。将金属棒垂直导轨轻轻放上,金属棒处于静止状态。已知圆环内和导轨平面的磁场大小均为,圆环半径和金属棒长均为,导轨宽度和金属棒长度均为,金属棒质量为,与导轨之间的动摩擦因数为,棒电阻为,棒电阻为,其余电阻不计,,,重力加速度g取。求:
(1)若棒以逆时针匀速转动,则流过棒的电流方向和棒两端的电压;
(2)要使金属棒与导轨保持相对静止,则棒转动的角速度应满足什么条件?
(3)若棒以顺时针匀速转动,当棒匀速时,棒的位移为,求:
①棒匀速的速度大小及此时棒所受外力的功率;
②从静止到匀速,安培力对棒做的功。
【答案】(1)电流方向由b流向a,4V;(2)顺时针转动时,,逆时针转动时,;(3)① ,;②
广东省广州市番禺中学2022-2023学年高二下学期期中考物理试题: 这是一份广东省广州市番禺中学2022-2023学年高二下学期期中考物理试题,共14页。
精品解析:广东省广州市广州中学高二下学期期中物理试题: 这是一份精品解析:广东省广州市广州中学高二下学期期中物理试题,文件包含精品解析广东省广州市广州中学高二下学期期中物理试题解析版docx、精品解析广东省广州市广州中学高二下学期期中物理试题原卷版docx等2份试卷配套教学资源,其中试卷共27页, 欢迎下载使用。
2020-2021学年广东省广州市第六中学高二下学期期中物理试题含解析: 这是一份2020-2021学年广东省广州市第六中学高二下学期期中物理试题含解析,共27页。试卷主要包含了选择题,实验题,计算题等内容,欢迎下载使用。

