2023-2024学年四川省射洪市物理九年级第一学期期末统考试题含答案
展开
这是一份2023-2024学年四川省射洪市物理九年级第一学期期末统考试题含答案,共9页。试卷主要包含了考生必须保证答题卡的整洁,下列做法符合安全用电常识的是,下列说法中错误的是等内容,欢迎下载使用。
学校_______ 年级_______ 姓名_______
考生请注意:
1.答题前请将考场、试室号、座位号、考生号、姓名写在试卷密封线内,不得在试卷上作任何标记。
2.第一部分选择题每小题选出答案后,需将答案写在试卷指定的括号内,第二部分非选择题答案写在试卷题目指定的位置上。
3.考生必须保证答题卡的整洁。考试结束后,请将本试卷和答题卡一并交回。
一、选择题(每题1分,共30题,30分)
1.下列家用电器中,将电能转化为机械能的是
A.电视机B.电灯C.电风扇D.电熨斗
2.关于电流的形成,下列说法正确的是 ( )
A.电荷的运动就能形成电流
B.电子的定向移动不能形成电流
C.只有正电荷定向移动才能形成电流
D.正、负电荷的定向移动都能形成电流
3.目前许多城市的居民使用天然气为燃料。关于天燃气,下列说法正确的是( )
A.是一次能源,是可再生能源
B.是一次能源,是不可再生能源
C.是二次能源,是可再生能源
D.是二次能源,是不可再生能源
4.如图所示,对四幅图的分析正确的是
A.图甲所示的实验说明通电导线周围的磁感线是真实存在的
B.图乙所示的实验现象是电动机的工作原理
C.图丙所示的动圈式话筒是利用电磁感应原理工作的
D.图丁所示的动圈式扬声器的能量转化是将动能转化为电能
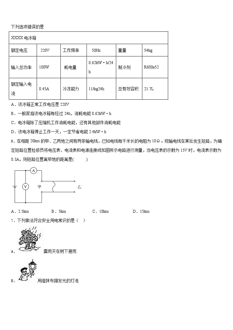
5.电冰箱在设计电路时,当冷冻室温度高于设定温度时,压缩机会以输入总功率正常工作,当冷冻室温度低于设定温度时,则压缩机停止运作,一般家庭每12h压缩机工作2.5h.如表格所示是某小型号电冰箱的铭牌,根据铭牌内容,则下列选项错误的是
A.该冰箱正常工作电压是220V
B.一般家庭该电冰箱每经过24h,消耗电能0.62kW·h
C.电冰箱除了压缩机工作消耗电能,还有其他部件消耗电能
D.该电冰箱停止工作一天,一定节省电能2.4kW·h
6.在相距20km的甲、乙两地之间有两条输电线,已知电线每千米长的电阻为10。现输电线在某处发生短路,为确定短路位置检修员将电压表、电流表和电源连接成如图所示电路进行测量,当电压表的示数为15V时,电流表示数为0.3A,则短路位置离甲地的距离是( )
A.2.5kmB.5kmC.10kmD.15km
7.下列做法符合安全用电常识的是( )
A.雷雨天在树下避雨
B.用湿抹布擦发光的灯泡
C.多个用电器同时工作
D.将冰箱的金属外壳接地
8.教室里,一个开关控制两盏电灯,若一盏灯出现断路,不影响另一盏灯的工作 在图所示的四个电路中,正确反映电路连接关系的是( )
A.B.C.D.
9.下列说法中错误的是
A.磁体周围存在磁场
B.发电机是根据电磁感应现象制成的
C.磁浮列车能够悬浮是利用了电磁力间的相互作用
D.电动机转动过程中将机械能转化为电能
10.如图所示的电路中,闭合电键S后,当滑动变阻器的滑片P由右向左动时,各表的示数变化是( )
A.V表的示数变大,A1表的示数不变,A2表的示数变小
B.V表的示数不变,A1表的示数变大,A2表的示数变大
C.V表的示数变大,A1表的示数变大,A2表的示数变大
D.V表的示数不变,A1表的示数不变,A2表的示数变小
11.如图所示,当滑动变阻器滑片P向右移动时,下列判断正确的是( )
A.电压表的示数不变,电流表A1的示数变大,A2的示数变小
B.电压表的示数不变,电流表A1的示数不变,A2 的示数变大
C.电压表的示数与A1的示数的比值变大,A2的示数变小
D.电压表的示数与A1的示数的比值不变,A2 的示数变小
12.指南针是我国四大发明之一,下列说法正确的是
A.指南针折断后只有一个磁极B.指南针是一个磁体
C.指南针能够吸引铜、铝等物质D.指南针不会受到附近铁块的影响
二、填空题(每题5分,共4题,20分)
13.如图所示,在学校运动会的开幕式上,同学们表演了“威风锣鼓”节目,震耳欲聋的鼓声激起了运动员比赛的热情。鼓声是由鼓面的_________________产生的;“震耳欲聋”说明鼓声的______________(选填“音调高”或“响度大”)。
14.某电能表表盘上标有“3000r/kW•h”,小华同学用该电能表和手表来测算某电灯的电功率,发现转盘转15转用了3min,则这只电灯的电功率是___W.
15.如图所示,有两个瓶子,其中一个瓶子是空气,另一个瓶子装着密度更大的红棕色二氧化氮气体,使这两个瓶子口相对,之间用一块玻璃板隔开,抽掉玻璃板后,我们看到的现象是两个瓶子内的气体会混合在一起,最后颜色变得_____(均匀/不均匀),这个现象叫_____,在实验开始前,______________(A/B)瓶子里装的是二氧化氮气体,这样可以避免受__________________的影响.
16.如图所示是小明同学在家中拍到的一张电能表照片,电能表是测量______(选填“电功”或“电功率”)的仪表。仔细观察照片,此电能表从开始使用到现在,小明家一共耗电______。
三、实验题(共12分)
17.(4分)在研究“导体电流与电阻关系”的实验中,同学们利用了阻值分别为5Ω、10Ω、15Ω的定值电阻和变阻器进行了探究,变阻器规格是“10Ω 1A”,电源电压4.5V并保持不变.
(1)用笔画线代替导线,将图甲中电路连接完整(请用签字笔在答题卡上连线).
(________)
(2)闭合开关前,电流表指针如图乙所示,对电流表的操作应该是_____.
(3)正确连线后,闭合开关时发现,无论怎样移动滑片电流表指针几乎不动,电压表指针向右偏转且超过满刻度,原因可能是电阻R出现_____现象.
(4)排除故障后,先接入15Ω的电阻,调节滑片时电压表示数为3V,观察到电流表示数为0.2A;用10Ω电阻代替15Ω电阻接入电路,应将滑片向_____端(选填“左”或“右”)移动,才能使电压表示数保持3V,并记录下电流表示数为0.3A;用5Ω电阻代替10Ω电阻接入电路,正确操作,电流表示数为0.6A.
(5)分析三次的实验数据,可得出电流与电阻的关系是_____.
(6)王强同学继续探究:他用了30Ω的定值电阻代替原来的电阻实验,发现无论怎样移动滑片都不能满足电压表示数为3V,原因是滑动变阻器阻值太小;要使电压表示数保持3V,要求变阻器的最大阻值最少为_____Ω.
18.(4分)在研究“水果电池的电压与那些因素有关”的实验中(如图所示)
(1)小丽作出如下猜想:
猜想一:水果电池电压与水果种类有关
猜想二:水果电池电压与两电极间距离有关
猜想三:水果电池电压与两电极插入水果的深度有关
为了验证上述猜想是否正确,小丽设计了如下实验和记录的表格。
①为验证猜想一,应做编号为_____和____的实验;
②为验证猜想二,应做编号为_____和____的实验;
③为验证猜想三,应做编号为____和___的实验。
(2)小丽又提出猜想四:水果电池电压与水果大小有关。她将菠萝依次切去一部分来做实验,并将数据记录如下
该实验说明:_________
(3)以上探究方法在初中物理中经常用到,以下探究活动中不采用此方法的是(______)
A.探究电流与电压、电阻的关系 B.探究决定导体电阻大小的因素
C.探究串并联总电阻 D.探究动能大小与什么因素有关
19.(4分)在探究“电流通过导体产生的热量与什么因素有关”的实验中。
(1)如图所示,将电阻丝(已知)放入三个相同的烧瓶中,装入质量______________(选填“相等”或“不相等”)的煤油,橡皮塞上插人细玻璃管后塞住烧瓶口;
(2)实验中通过观察__________________来比较电阻丝放热的多少,这种科学探究方法是____________法;
(3)为了探究“电流通过导体产生的热量与电阻的关系”,应断开开关____________、闭合开关__________,在相同时间内,对比甲,乙两个烧瓶中的实验现象,可得出结论;在通电时间和____________一定时, 导体的电阻越大,产生的热量越多;
(4)探究“电流产生热量的多少与电流的关系”时,闭合开关在相同时间内,对比_____________两个烧瓶中的现象。
四、作图题(共16分)
20.(8分)请把图中的三孔插座连入家庭用电电路。
(____)
21.(8分)请在虚线框内画出与实物图对应的电路图.
(____)
五、计算题(共22分)
22.(10分)安全、清洁、方便的太阳能越来越受到人们的重视和广泛利用。如图所示,一太阳能热水器内装有体积为200L,温度为20℃的水,在阳光照射一段时间后,水温升高到80"C。(c水=4.2×103J/(kg.℃)
(1)水吸收的太阳能是多少?
(2)这些热量相当于完全燃烧多少kg的干木柴?
(3)若这些热量由干木柴完全燃烧来获得,且放出的热量有70%被水吸收,求干木柴的质量是多少?[q干木柴=1.2×107J/kg]。
23.(12分)如图所示,定值电阻R2的阻值为12Ω,小灯泡L标有“6V 3W”字样(不考虑灯丝电阻变化),电源电压不变。当开关S、S1、S2都闭合时,小灯泡L恰好正常发光,此时电流表的示数为0.6A.求:
(1)电源电压;
(2)定值电阻R1的阻值;
(3)当开关S闭合,开关S1、S2断开时,通电10s小灯泡L消耗的电能。
参考答案
一、选择题(每题1分,共30题,30分)
1、C
2、D
3、B
4、C
5、D
6、A
7、D
8、A
9、D
10、D
11、D
12、B
二、填空题(每题5分,共4题,20分)
13、振动 响度大
14、100
15、均匀 扩散 B 重力
16、电功 3274.8kW·h
三、实验题(共12分)
17、 调零 断路 左 电压一定时,通过导体的电流与导体电阻成反比 15
18、3 4 1 3 2 3 水果电池电压与水果大小无关 C
19、相等 细玻璃管中煤油液柱上升的高度 转换 S2 S1 通过的电流 乙、丙
四、作图题(共16分)
20、
21、
五、计算题(共22分)
22、(1)5.04×107J;(2)4.2kg;(3)6kg
23、 (1)6V;(2)60Ω;(3)7.5J。
XXXX电冰箱
额定电压
220V
工作频率
50Hz
重量
54kg
输入总功率
100W
耗电量
0.62kW·h/24h
制冷剂
R600a52
额定输入电流
0.45A
冷冻能力
11/kg24h
总有效容积
21.7L
实验编号
水果种类
深度(cm)
两极间距离(cm)
电压
1
菠萝
3
4
2
2
2
3
3
2
4
梨
3
2
5
3
1
菠萝的大小/个
1
3/4
1/2
1/4
测得的电压/V
0.27
0.28
0.26
0.28
相关试卷
这是一份四川省巴中市2023-2024学年物理九年级第一学期期末统考模拟试题含答案,共16页。试卷主要包含了下列物体中属于绝缘体的是等内容,欢迎下载使用。
这是一份2023-2024学年四川省南充市四校联考九年级物理第一学期期末统考试题含答案,共9页。试卷主要包含了下列说法正确的是等内容,欢迎下载使用。
这是一份2023-2024学年四川省射洪市物理九上期末预测试题含答案,共13页。试卷主要包含了考生必须保证答题卡的整洁,下列关于电学知识说法正确的是等内容,欢迎下载使用。

