2023-2024学年河南省获嘉县化学九年级第一学期期末综合测试模拟试题含答案
展开
这是一份2023-2024学年河南省获嘉县化学九年级第一学期期末综合测试模拟试题含答案,共8页。试卷主要包含了答题时请按要求用笔等内容,欢迎下载使用。
学校_______ 年级_______ 姓名_______
注意事项:
1.答题前,考生先将自己的姓名、准考证号码填写清楚,将条形码准确粘贴在条形码区域内。
2.答题时请按要求用笔。
3.请按照题号顺序在答题卡各题目的答题区域内作答,超出答题区域书写的答案无效;在草稿纸、试卷上答题无效。
4.作图可先使用铅笔画出,确定后必须用黑色字迹的签字笔描黑。
5.保持卡面清洁,不要折暴、不要弄破、弄皱,不准使用涂改液、修正带、刮纸刀。
一、单选题(本题包括12个小题,每小题3分,共36分.每小题只有一个选项符合题意)
1.化学作为一门独立的学科后,提高了对物质研究的速度和水平,独立的理论基础是( )
A.元素周期律的发现
B.原子论和分子学说的创立
C.质量守恒定律的发现
D.空气成分的发现
2.鉴别下列物质所用的方法,错误的是
A.区别铁粉和木炭粉-----------用磁铁吸引
B.区别硬水与软水-----------分别加入肥皂水振荡
C.区别黄金和黄铜(铜锌合金) -----------观察颜色
D.区别硝酸铵固体和氢氧化钠固体-----------加水溶解
3.下列有关“化学之最”的叙述中,不正确的是( )
A.金刚石是自然界最硬的物质B.人体中含量最多的物质是Ca
C.H2O是相对分子质量最小的氧化物D.铝是地壳中含量最多的金属元素
4.下列实验操作正确的是( )
①量取液体②称量固体③气密性检查④检验氧气⑤收集氢气⑥过滤
A.①⑤B.③④C.②⑥D.④⑤
5.关系图中“—”两端的物质能发生化学反应,“→”表示物质的转化方向。下列说法错误的是( )
A.反应①放出热量
B.反应②所得溶液可呈中性
C.反应③可得 NaOH
D.不能将图中稀盐酸换为稀 H2SO4
6.在“宏观-微观-符号”之间建立联系是化学学科特有的思维方式。对下列图示信息的分析不正确的是
A.硅单质是制造芯片的重要材料,图①是硅原子的结构示意图
B.图②对应的元素属于金属元素
C.图②④对应元素组成的化合物是由分子构成的
D.若图③中x的值为8,则其粒子符号为O2-
7.将石油加热炼制,不可能得到的产品是( )
A.煤焦油B.润滑油C.柴油D.煤油
8.归纳整理是学习化学的重要方法,下列知识归纳存在错误的是 ( )
A.不饱和溶液不一定是稀溶液
B.硝酸铵溶于水后溶液温度会降低
C.用汽油洗去衣服上的油污是乳化现象
D.从200mL 20%的硫酸铜溶液中取出10mL,取出溶液的溶质质量分数为20%
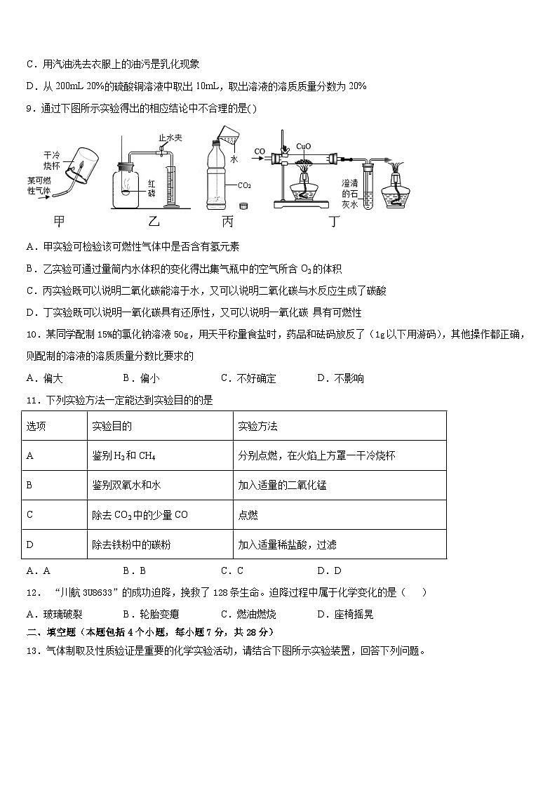
9.通过下图所示实验得出的相应结论中不合理的是( )
A.甲实验可检验该可燃性气体中是否含有氢元素
B.乙实验可通过量筒内水体积的变化得出集气瓶中的空气所含O2的体积
C.丙实验既可以说明二氧化碳能溶于水,又可以说明二氧化碳与水反应生成了碳酸
D.丁实验既可以说明一氧化碳具有还原性,又可以说明一氧化碳 具有可燃性
10.某同学配制15%的氯化钠溶液50g,用天平称量食盐时,药品和砝码放反了(1g以下用游码),其他操作都正确,则配制的溶液的溶质质量分数比要求的
A.偏大B.偏小C.不好确定D.不影响
11.下列实验方法一定能达到实验目的的是
A.AB.BC.CD.D
12. “川航3U8633”的成功迫降,挽救了128条生命。迫降过程中属于化学变化的是( )
A.玻璃破裂B.轮胎变瘪C.燃油燃烧D.座椅摇晃
二、填空题(本题包括4个小题,每小题7分,共28分)
13.气体制取及性质验证是重要的化学实验活动,请结合下图所示实验装置,回答下列问题。
(1)用氯酸钾制氧气反应的化学方程式是_____ 选用的发生装置是_____(选填序号),用E装置瓶口向上收集氧气时,应由_____端通入(填a或b)。
(2)用B装置制取氧气。若过氧化氢和二氧化锰反应过于剧烈,在导管口不能使带火星的木条复燃,可能的原因是_____。
(3)实验室用B装置制取二氧化碳进行了如下实验研究:
①若要研究盐酸浓度大小对反应的影响,可选择实验甲与_____对照(选填实验编号)。
②除酸的浓度外,上述实验研究的另一个影响反应的因素是_____。
③研究发现酸浓度越大,反应速度越快,与甲比较,对丁分析正确的是_____(填编号)。
A 反应更为剧烈 B 更适合实验室制取二氧化碳 C 产生二氧化碳的质量更大
(4)用C装置制取气体时,块状固体放在多孔隔板上,可以使反应随时发生和停止,C装置不适用于下列哪种气体的制取:_____(填编号)。
A 锌和稀硫酸制氢气 B 大理石与稀盐酸制二氧化碳 C 过氧化氢和二氧化锰制氧气
(5)要测量收集氢气的体积,应该把发生装置C与_____连接。
14.实验是学习化学的一种重要途径。同学们实验室中用加热高锰酸钾制取氧气,并将反应后的混合物进行分离回收。实验操作如图所示。
Ⅰ.制取氧气
(1)若用一种暗紫色固体制取O2,发生反应的化学方程式为_________________________。发生装置应选择上述装置_________(填标号)。
(2)欲收集干燥的O2,装置合理的连接顺序为:发生装置→C→_____________(填装置标号),浓硫酸的作用是________________,连接装置时,发生装置的出气口应与装置C中__________(填“a”或“b”)端相连。
Ⅱ.将反应后的混合物进行分离回收。实验操作如图所示(锰酸钾溶于水,MnO2难溶于水)。
(3)图A操作中玻璃棒的作用是_________________;图B操作中的一处明显错误是__________。
(4)C操作中,当看到________________时,停止加热。
15.在实验室里,可选择下列图示装置制取某些气体,请回答下列问题。
(1)写出制取二氧化碳的化学反应原理:_______________。所选用装置代码组合_____________。
(2)验满二氧化碳的方法是____________。
(3)若只是从B实验装置的适用条件来看,还可用它其生成的气体的化学方程式___________。
(4)根据装置的选用条件再写出一个可用图A所示装置产生气体的化学方程式____________。
16.图是实验室制取气体的发生装置和收集装置示意图,请回答问题。
(1)写出实验仪器a的名称_____。
(2)若实验室制取一瓶比较干燥的氧气,应选用_____(填序号)装置。若检验所收集的气体是氧气,方法是_____,证明此气体是氧气。写出一个符合题意的制取氧气的化学方程式_____。
(3)实验室制取二氧化碳的化学方程式为_____。选用_____(填序号)制取一瓶二氧化碳,验满方法是:_____,证明已收集满二氧化碳
(4)用②装置制取气体时,对反应物状态和反应条件的要求分别是_____。
三、实验题(本题包括2个小题,每小题7分,共14分)
17.α﹣丙氨酸是组成人体蛋白质的氨基酸之一,其分子结构如图所示。
(注:“”表示氮原子;“”表示碳原子;“”表示氧原子;“”表示氢原子,“﹣”表示原子之间相互连接)。
计算:
(1)α﹣丙氨酸中含有_____种元素,其中碳、氧2种元素质量比为_____;
(2)其相对分子质量是_____。890克α﹣丙氨酸中氮元素的质量_____克。
18.学校化学兴趣小组同学为测定野外采集到的石灰石中碳酸钙的质量分数。称取10.0g 的石灰石样品,把 100g 稀盐酸分 5 次加入样品中(假设杂质不反应也不溶解),得实验数据如下
请计算:
(1)表中 x 的数值是________;
(2)这种石灰石样品中碳酸钙的质量分数是________;
(3)这些样品完全反应共产生气体的质量是多少_________?(写出规范的计算过程)
四、计算题(本题包括2个小题,共22分)
19.(10分)根据如图甲、乙两种物质的溶解度曲线回答相关问题:
(1)在_____℃时,甲、乙的溶解度相同。
(2)t2℃时若将75g甲的饱和溶液稀释成10%,需加水的质量为_____。
(3)将t2℃时,甲、乙两种物质的饱和溶液降温至t1℃(其他条件不变),所得溶液的溶质质量分数的关系是甲_____(填“>”、“<”或“=”)乙。
20.(12分)在我国北方有一个盐碱湖,当地居民“夏日晒盐,冬天捞碱”.你能说明它的原理吗______?
参考答案
一、单选题(本题包括12个小题,每小题3分,共36分.每小题只有一个选项符合题意)
1、B
2、C
3、B
4、B
5、D
6、C
7、A
8、C
9、C
10、B
11、B
12、C
二、填空题(本题包括4个小题,每小题7分,共28分)
13、2KClO32KCl+3O2↑ A b 产生了大量的水蒸汽(或产生了大量的白雾,使带火星的木条温度达不到着火点) 乙 反应物的接触面积 A C DF
14、2KMnO4K2MnO4+MnO2+O2↑ A F 吸收水蒸气 a 搅拌,加速溶解 漏斗的下端管口没有紧靠烧杯的内壁 大量固体
15、CaCO3+2HCl=CaCl2+H2O+CO2↑ BD 将带火星的木条伸到集气瓶口,观察是否熄灭 2H2O22H2O+O2↑ 2KClO32KCl+3O2↑
16、长颈漏斗 ①③ 将带火星的木条伸入集气瓶内,若木条复燃 ②③ 将燃烧的木条放在集气瓶口,若木条熄灭 装置适用固体与液体反应,不需要加热
三、实验题(本题包括2个小题,每小题7分,共14分)
17、(1)四;9:8;(2)89;140
18、(1)5.0(2)80%(3)3.52
四、计算题(本题包括2个小题,共22分)
19、t1 175g =
20、 “夏天晒盐”的原理是食盐的溶解度受温度变化的影响不大,夏天气温高,水分蒸发快,食盐易结晶析出;“冬天捞碱”的原理是纯碱的溶解度受温度变化的影响较大,冬天气温低,纯碱易结晶析出。
选项
实验目的
实验方法
A
鉴别H2和CH4
分别点燃,在火焰上方罩一干冷烧杯
B
鉴别双氧水和水
加入适量的二氧化锰
C
除去CO2中的少量CO
点燃
D
除去铁粉中的碳粉
加入适量稀盐酸,过滤
实验编号
甲
乙
丙
丁
药品
大理石
mg;块状
mg;块状
mg;粉末
mg;粉末
酸(过量)
wg;稀盐酸
wg; 浓盐酸
wg;稀盐酸
wg; 浓盐酸
滴加次数
第一次
第二次
第三次
第四次
第五次
稀盐酸的用量/g
20
20
20
20
20
剩余固体质量/g
7.5
x
2.5
2.0
2.0
相关试卷
这是一份河南省郑州市第八中学2023-2024学年九年级化学第一学期期末综合测试模拟试题含答案,共9页。试卷主要包含了下列有关金属材料的叙述错误的是,新药帕拉米韦,氖元素的相对原子质量是,根据化学方程式不能获取的信息是等内容,欢迎下载使用。
这是一份河南省宝丰市2023-2024学年九上化学期末综合测试模拟试题含答案,共8页。试卷主要包含了下列叙述正确的是,某反应的化学方程式为,下列说法中错误的是,下列过程中,只发生物理变化的是等内容,欢迎下载使用。
这是一份2023-2024学年湖南省化学九年级第一学期期末综合测试模拟试题含答案,共8页。试卷主要包含了考生要认真填写考场号和座位序号, “天然益力,焕发生命力,下列对一些事实的解释错误的是,下列关于金属的说法正确的是等内容,欢迎下载使用。

