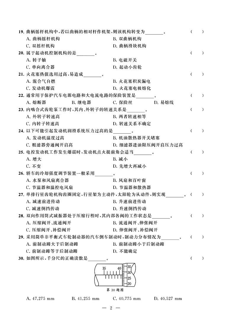
2023年度江苏省职教高考一轮复习系统性一模考试汽车试卷
展开2023年度江苏省职教高考一轮复习系统性一模考试财会试卷: 这是一份2023年度江苏省职教高考一轮复习系统性一模考试财会试卷,文件包含财会试卷pdf、财会答案pdf等2份试卷配套教学资源,其中试卷共24页, 欢迎下载使用。
2023年度江苏省职教高考一轮复习系统性一模考试烹饪试卷: 这是一份2023年度江苏省职教高考一轮复习系统性一模考试烹饪试卷,文件包含烹饪试卷pdf、烹饪答案pdf等2份试卷配套教学资源,其中试卷共13页, 欢迎下载使用。
2023年度江苏省职教高考一轮复习系统性一模考试农业试卷: 这是一份2023年度江苏省职教高考一轮复习系统性一模考试农业试卷,文件包含农业试卷pdf、农业答案pdf等2份试卷配套教学资源,其中试卷共19页, 欢迎下载使用。

