2022年上海市徐汇区中考二模物理试卷(word版无答案)
展开
这是一份2022年上海市徐汇区中考二模物理试卷(word版无答案),共10页。试卷主要包含了1 小时,耗电 度,2×103 焦/]等内容,欢迎下载使用。
综合测试自评样本
(考试时间 120 分钟满分 135 分)2022.4
物 理 部 分
一、选择题(本大题共 6 题,每题 2 分,共 12 分。每题只有一个正确选项)
在太阳系中,太阳属于
A.恒星B.行星C.卫星D. 彗 星
一般成人的正常体温约为
A.30℃B.33℃C.37℃D.42℃
声纹锁能区分不同的人发出的声音,主要是依据声音的
A.响度B.音调C.音色D.振幅
用铅、铜、铁、铝制成质量相等的实心球 体积最大的是
A.铅球B.铜球C.铁球D.铝球
质量相同的甲、乙两物体分别在竖直拉力作用下,竖直向上做匀速直线运动,它们的 s-t
图像如图 1(a)(b)所示,若甲、乙两物体的速度分别为 所受的拉力分别为
则
A.V甲 > V乙,F甲一定大于F乙
B.V甲 > V乙,F甲一定等于F乙
C.v甲 > V乙,F甲可能等于F乙
D.V甲 = V乙,F甲可能等于F乙
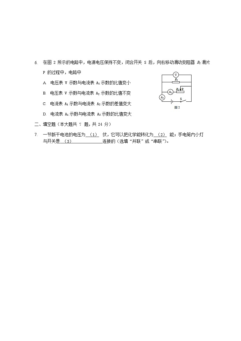
在图 2 所示的电路中,电源电压保持不变,闭合开关 S 后,向右移动滑动变阻器 R2 滑片
P 的过程中,电路中
电压表 V 示数与电流表 A1 示数的比值变小
电压表 V 示数与电流表 A2 示数的比值不变
电流表 A1 示数与电流表 A2 示数的差值变大
电流表 A1 示数与电流表 A2 示数的比值变大
二、填空题(本大题共 7 题,共 24 分)
一节新干电池的电压为 (1)伏,它可以把化学能转化为 (2) 能;手电筒内小灯与开关是 (3)连接的(选填“并联”或“串联”)。
测量工具通常是依据物理原理制成或工作的:如图 3(a)所示的体温计是根据液体的 (4)原理制成的;如图 3(b)所示,U 形管压强计是根据 (5)原理制成的;如图 3(c) 所示,液体密度计竖直浮在液体中,其刻度值从上向下逐渐变大,是由于密度计所受重力大小一定,当液体密度越大,依据 (6)原理,其排开的液体体积就越小。
(a)(b)(c)
图 3图 4
抹香鲸号称鲸中“潜水冠军”,能下潜两千多米的深海,若不考虑海水密度的变化,从图 4 所示位置由海面开始减速下潜至 1000 米过程中,其动能 (7) ,惯性 (8) ,所受浮力(9) (选填“变大”“先变大后不变”“不变”“变小”或“先变小后不变”)。
如图 5 所示,分别装有冰和水的塑料袋底部均发生形变,这是因为冰和水都受到竖直方向的 (10) 力和塑料袋对它们的支持力作用,所以塑料袋底部受到 (11) 力从而产生压强;用手指挤压装有水的塑料袋侧壁,放手后塑料袋恢复原状,这是因为液体具
有 (12) ,所以对塑料袋侧壁也产生压强。图 5
我国第一艘航空母舰“辽宁号”正常行驶的功率约为 1.5×108 瓦,在一次测试过程中,
“辽宁号”以该功率在海面上 5 分钟内匀速直线行驶了 4500 米,此过程中“辽宁号”的行驶速度为 (13) 米/秒,牵引力所做的功为 (14) 焦,航空母舰在海水中受到的阻力为 (15) 牛。
图 6 为小汇设计的可调亮度小灯电路图,电源电压保持不变。闭
合开关 S,移动滑动变阻器 R 的滑片 P 过程中,小灯 L 突然熄
灭。若电路中只有一处故障,且只发生在小灯 L 或变阻器 R 处。
现仅有一只完好的小灯 L′,没有测量电表。
①为确定故障,小汇将完好的小灯 L′并联接入 ab 两点间,观察到小灯 L′不发光,则电路中可能存在的故障是 (16)。
②请写出进一步确定故障的操作方法、观察到的现象及对应的故障。 (17)
图 7(a)(b)所示是家用微波炉及其铭牌。小徐对微波加热食物的原理感到好奇,查阅资料后得知:(a)水分子会发生振动,振动的固有频率为 2450MHz(1 MHz=106 赫兹),若受到频率相同或相近的波激发,水分子的热运动会加剧;(b)微波的振动频率为 300 MHz ~300000 MHz,可以穿过玻璃、陶瓷、塑料等绝缘材料,但遇到金属就会发生反射。
(a)图 7
(b)
①该微波炉正常工作 0.1 小时,耗电 (18)度。
②结合所学知识及上述信息,简述微波加热食物的原理: (19)。
③若要加热牛奶到 60C 左右,应将牛奶倒入 (20)中,再放入微波炉加热。
A.耐高温的玻璃杯B.耐高温的不锈钢杯
C.耐热温度 50 C 的一次性纸杯
三、作图题(本大题共 2 题,共 4 分)
在图 8 中,根据给出的反射光线 OB 画出入射光线 AO,并标出入射角的大小。
根据图 9 中两个磁极间的磁感线方向,标出磁极的名称,并标出小磁针 N 极。
法线
(
)
()
O
图 8
四、综合题(本大题共 5 题,共 30 分) 第 16~18 题作答需写出解答过程。
质量为 4 千克的水温度升高 5C,求水吸收的热量 Q 吸。
[c水 =4.2×103 焦/(千克·℃)]
如图 10 所示,甲、乙为两端开口的长玻璃管,横截面积分别为 S甲、S乙,现将两管下端 用轻薄塑料片托住,插入水中深度为 0.2 米,塑料片未脱落。
①求水对轻薄塑料片的压强 p水。
②若向甲管中缓缓倒入一定量的酒精,求塑料片恰好脱落时酒精的深度 h酒。
③若向甲、乙管中缓缓倒入体积相同的 A、B 两种液体,发现塑料片恰好脱落,求这两种液体的密度之比 ρA: ρB。
甲乙
S 甲S 乙
图 10
0.2 米塑料片
如图 11(a)所示是某小组同学设计显示汽车油量的装置图,机械部分由杠杆、浮球、油箱构成,电路部分由电源、保护电阻 R1、变阻器 R2、电流表和导线构成。电源电压保持不变,杠杆一端连接浮球,另一端连接变阻器滑片 P,当油箱内油量增多时,浮球上升, 滑片向下偏转。现将油量显示、变阻器 R2 连入电路中的阻值、电流表示数记录在表中。
油量显示
E(空)
1/4
1/2
3/4
F(满)
变阻器 R2(欧)
110
90
70
50
30
电流表示数(安
) 0.30
0.48
0.60
(a)
图 11
(b)
(c)
① 若油箱内剩余油量为满油量的 3/4 时,变阻器 R2 连入电路中的阻值为 50 欧,求变阻器
两端的电压 U2。
②求显示 1/2 油量时,电流表的示数 I;并如图 13(b)所示,在图 13(c) 电流表相应刻度线的上方标注“F(满)”
③ 若某位同学设计的装置也是如图 13(a)所示,却总是油量未满时显示“F(满)”,根
据表格数据和相关信息可知:该同学设计的装置在油量未满时,变阻器 R2 连入电路中的阻值为 30 欧,所以显示“F(满)”,因此建议他 (2) 浮球的质量(选填“增加” 或“减少”),使滑片 P (1) 偏转一些(选填“向上”或“向下”),这样变阻器 R2 连入电路中的阻值将大于 30 欧,就不会显示“F(满)”了。
19.小慧做“测定小灯泡的电功率”实验,现有电源(电压保持不变)、电流表、电压表、开关和待测小灯(标有“3.8V”字样)各一个,滑动变阻器 A、B 两个(A 标有“5 欧2 安”,B 标有“10 欧 1 安”字样),以及导线若干。她选择一个变阻器进行实验,将数据和现象记录在表一中,其中序号 2 中电压表示数如图 12
所示。完成两次测量后,发现无法判断小灯是否正常发光, 因此她调整了电表位置后,按正确步骤进行操作,实验数据和现象记录在表二中。
表一表二
实验
序号
电压
(伏)
电流
(安)
小灯
亮度
1
4.5
0.32
明亮
2
(3)
0.28
略暗
实验
序号
电压
(伏)
电流
(安)
小灯
亮度
3
2.2
0.30
较亮
4
1.5
0.32
明亮
①图 12 中电压表示数为 (3) 伏,小慧选用的变阻器是 (4) (选填“A”或“B”)。
②调整电表位置前,无法判断小灯是否正常发光的原因是 (5) 。
③根据实验相关信息,求出小灯额定功率 P 额。 (6) (需写出计算过程)。
20.小佳用“自制简易照相机模型”研究照相机成像原理。如图 13(a)所示,该模型由两
个纸筒 M、N 组成,M 正好套在 N 的外面, 并能进行抽拉。在纸筒 M 的一端贴上半透明纸,凸透镜固定在纸筒 N 的一端。
半透明纸纸筒M纸筒N凸透镜
图 13(a)
小佳同学将此模型和发光体(物高 H=4 厘米)固定在光具座上进行了三组实验,如
图 13(b)所示,实验步骤和操作均正确,并将每次实验测得的物距 u、像距 v、成像情况
等分别记录在表格中。
f =10 厘米,物高 H = 4 厘米
实验
序号
物距 u
(厘米)
像距 v
(厘米)
像高 h
(厘米)
1
30.0
15.0
2.0
2
35.0
14.0
1.6
3
50.0
12.5
1.0
①小佳实验中 (7) 到 (8) 的距离为像距。(均选填“凸透镜”“发光物”或“半透明纸”)
②分析比较实验序号 1~3 中的像距 v 和像高 h 随物距 u 的变化情况,可得出的初步结论是: 同一简易照相机成倒立缩小实像时, (9) 。
③小佳用简易照相机模型对着黑板上 15 厘米高的发光体观察,发现半透明纸上成像不完整。结合上述实验信息和数据,写出让半透明纸上成像完整的做法及理由。 (10)
相关试卷
这是一份2023年上海市徐汇区中考二模物理试卷含详解,共11页。试卷主要包含了选择题,填空题,作图题,综合题等内容,欢迎下载使用。
这是一份上海市徐汇区2023年中考物理二模试卷【含答案】,共8页。试卷主要包含了单选题,填空题,综合题,作图题,计算题,实验题等内容,欢迎下载使用。
这是一份2022年上海市徐汇区6月线下中考二模物理试卷(原卷版+解析版),文件包含2022年上海市徐汇区6月线下中考二模物理试卷解析版docx、2022年上海市徐汇区6月线下中考二模物理试卷原卷版docx等2份试卷配套教学资源,其中试卷共18页, 欢迎下载使用。

