高中化学人教版 (2019)必修 第一册第一节 铁及其化合物复习练习题
展开一、单选题
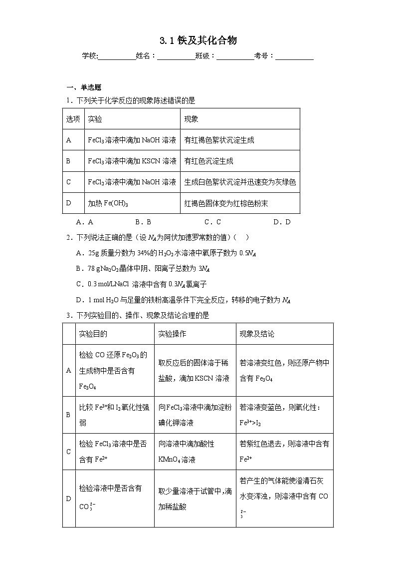
1.下列关于化学反应的现象陈述错误的是
A.AB.BC.CD.D
2.下列说法正确的是(设NA为阿伏加德罗常数的值)( )
A.25g质量分数为34%的H2O2水溶液中氧原子数为0.5NA
B.78 g Na2O2晶体中阴、阳离子总数为3NA
C.0.3 ml/LNaCl溶液中含有0.3NA氯离子
D.1 ml H2O与足量的铁粉高温条件下完全反应,转移的电子数为NA
3.下列实验目的、操作、现象及结论合理的是
A.AB.BC.CD.D
4.室温下,下列各组离子在指定溶液中能大量共存的是
A.无色透明的溶液中:、Fe3+、Cl-、SCN-
B.0.1ml·L-1BaCl2溶液中:K+、Na+、OH-、
C.能使酚酞变红的溶液中:Cu2+、Na+、CH3COO-、
D.pH=13的溶液中:、、K+、
5.下列叙述正确的是
①与都能和水反应生成碱,它们都是碱性氧化物
②作葡萄酒的保鲜剂,是因为具有氧化性
③溶液可用于刻蚀铜制电路板
④可用明矾对自来水进行杀菌消毒
⑤、、水溶液均能导电,它们都是电解质
⑥俗称小苏打,可用于治疗胃酸过多
⑦工业生产玻璃、水泥和陶瓷,均需用石灰石作原料
⑧呈红棕色,可用作涂料
A.都正确B.②③④⑤C.③⑥⑧D.④⑤⑥
6.下列有关物质的性质与用途具有对应关系的是
A.氨水具有碱性,可用于去除烟气中的
B.难溶于水,可用于治疗胃酸过多
C.浓硝酸具有酸性,可用于钝化铁、铝
D.溶液显酸性,可用于蚀刻印刷电路板
7.化学与生产、生活及社会发展密切相关。下列说法错误的是
A.往饱和食盐水中加入金属钠可产生白色沉淀
B.用酸性高锰酸钾溶液检验FeSO4溶液是否完全变质
C.因为NaH2PO2是正盐,所以H3PO2是一元酸
D.“血液透析”和“静电除尘”利用了胶体相同的性质
8.向H2O2溶液中加入适量稀硫酸酸化的硫酸亚铁溶液,依次观察到如下现象:①反应刚开始,仅有少量气泡产生;②反应片刻后,有大量气泡产生;③试管底部最终出现红褐色沉淀。下列判断正确的是
A.①中仅发生一个反应B.Fe3+能催化H2O2的分解
C.反应过程中溶液酸性不变D.FeSO4与等物质的量的H2O2恰好反应
9.下列说法正确的是
A.和都属于两性氧化物B.悬浊液和乳浊液的分散质均为液态
C.和中的金属都呈现两种价态D.葡萄糖溶液和淀粉溶液都具有丁达尔效应
10.下列物质转化在给定的条件能实现的是
A.MgOMgCl2(ag)无水MgCl2
B.Al2O3NaAlO2(ag)AlCl3
C.FeFeCl2FeCl3
D.CuNO2NO
二、填空题
11.水泥是重要的建筑材料。水泥熟料的主要成分为CaO、SiO2,并含有一定量的铁、铝和镁等金属的氧化物。实验室测定水泥样品中钙含量的过程如图所示:
回答下列问题:
(1)在分解水泥样品过程中,以盐酸为溶剂,氯化铵为助溶剂,还需加入几滴硝酸。加入硝酸的目的是 ,还可使用 代替硝酸。
(2)沉淀A的主要成分是 ,其不溶于强酸但可与一种弱酸反应,该反应的化学方程式为 。
12.Fe、Cl是中学化学常见的元素。回答下列问题:
(1)①实验室在制备Fe(OH)2时必须隔绝空气,否则发生的现象是 。反应化学方程式为 。
②向Fe(OH)3胶体中逐滴滴入过量的盐酸,会出现一系列变化:先出现 原因: ;随后 , 原因(用离子方程式表示) 。
③要证明某溶液中不含Fe3+而可能含有Fe2+,进行如下实验操作时的最佳顺序为 。
a.加入足量氯水
b.加入足量KMnO4溶液
c.加入少量KSCN溶液
A.ac B.cb C.ca D.abc
(2)饮用水质量是关系人类健康的重要问题。
①氯气是最早用于饮用水消毒的物质,其消毒作用主要是氯气溶于水后生成了次氯酸,该反应的离子方程式为: 。
②写出工业上制取漂白粉的化学反应方程式: 。
③ClO2是一种广谱型的消毒剂,将逐渐取代Cl2成为生产自来水的消毒剂。工业上ClO2常用NaClO3和Na2SO3溶液混合并加H2SO4酸化后反应制得,反应中NaClO3和Na2SO3的物质的量之比为 。
13.完成下列化学方程式
(1)过氧化钠与二氧化碳反应
(2)工业制漂白粉
(3)氧化铝溶于氢氧化钠
(4)氢氧化亚铁在空气中被氧化
(5)铁与水蒸气高温下反应
14.(1)在Fe2(SO4)3溶液中滴入NaHSO3溶液,溶液中n()增大,则还原产物是 。
(2)写出检验上述反应中Fe2(SO4)3是否耗完的方法: 。
15.氢氧化铁和氢氧化亚铁的比较
16.Ⅰ.有下列物质:①氢氧化钠固体 ②铜丝 ③氯化氢气体 ④稀硫酸 ⑤二氧化碳气体 ⑥氨水 ⑦碳酸钠粉末 ⑧蔗糖晶体 ⑨熔融氯化钠 ⑩CuSO4•5H2O晶体.请用序号填空:
(1)上述状态下可导电的是: ;
(2)属于电解质的是 ;
(3)属于非电解质的是 。
Ⅱ.从下列各组反应对比中,判断哪种粒子的氧化性最强,哪种粒子还原性最强。
(4)铁钉浸入CuSO4溶液后,表面会附有红色物质;铜丝浸入AgNO3溶液后,表面会附有银白色物质。则在Cu、Fe、Ag中, 的还原性最强;在Cu2+、Fe2+、Ag+中, 的氧化性最强;
(5)铁钉在氯气中被锈蚀为棕褐色物质(FeCl3),而在盐酸中生成淡绿色溶液(FeCl2)。则在氯气分子(Cl2)、Cl-、H+中, 具有氧化性, 的氧化性最强。
17.补齐物质与其用途的连线,并回答问题。
(1)补齐上图连线 。
(2)上述的用途,利用了它的 (填“物理”或“化学”)性质。
(3)可以去除某些有机溶剂中的水分,用化学方程式解释其原因: 。
18.写出下列反应的化学方程式。
(1)Na2O2与CO2反应: 。
(2)将氯气与通入冷的消石灰中反应制漂白粉: 。
(3)将铜粉溶解在浓FeCl3溶液中: 。
(4)向FeCl3溶液中滴加氨水: 。
19.将铁粉、铜粉、FeCl3溶液、FeCl2溶液、CuCl2溶液混合于烧杯中充分反应,试判断下列情况下烧杯中存在的金属离子和单质。
(1)若铁粉有剩余,则烧杯中不可能有 ;
(2)若CuCl2、FeCl3有剩余,则烧杯中一定有 ;一定没有 ;
(3)若FeCl3有剩余,则烧杯中一定没有 ;
20.利用“价类二维图”可以从不同角度研究含铁物质的性质及其转化关系,图中甲~戊均含铁元素。回答下列问题:
(1)Na2FeO4是一种新型饮用水消毒剂。工业上常用NaClO、Fe(NO3)3、NaOH制备:3ClO-+2Fe3++10OH-=2FeO+3Cl-+5H2O,该反应中氧化剂与还原剂的物质的量之比为 。
(2)打印机使用的墨粉中含有Fe3O4,下列关于Fe3O4的说法正确的是 (填标号)。
A.有磁性,是FeO与Fe2O3的混合物
B.属于两性氧化物,与酸、碱都能反应
C.Fe3O4与稀盐酸反应生成Fe2+与Fe3+物质的量之比为1:2
D.Fe与水蒸气在高温下反应能生成Fe3O4
(3)维生素C易溶于水,可将Fe3+转化为Fe2+被人体吸收。为检验转化产物Fe2+,设计如下实验:取适量Fe2(SO4)3溶液置于试管中,加入过量维生素C片振荡溶解后,滴加酸性高锰酸钾溶液,紫色褪去。该设计方案能否检验Fe2+并说明理由 。
(4)丁与烧碱溶液反应可生成乙,在空气中放置一段时间后乙转化为丙。乙转化为丙的现象为 ,发生反应的化学方程式为 。
(5)若用丁溶液经一系列反应来制备Fe2O3。不考虑过程损失,若100mL丁溶液最终制得1.6gFe2O3,变质前丁溶液的物质的量浓度为 。
三、实验探究题
21.甲、乙两同学欲制取纯净的Fe(OH)2 ,根据如图所示的装置进行实验。A管中是Fe+H2SO4, B管中是NaOH溶液,请回答下列问题。
(1)同学甲:先夹紧止水夹a,使A管开始反应,在B管中观察到的现象是 。
(2)同学乙:打开a,使A管中反应一段时间再 夹紧止水夹a,实验中在B管中观察到的现象是 ,B中发生反应的离子方程式为
(3)同学乙打开a的目的 ; (填甲或乙)同学可成功。
22.冬天使用的热敷袋里面有铁粉、氯化钠、碳粉,利用铁被氧化放出的热量取暖。某同学拆开一袋后取里面的固体粉末进行实验:
①将粉末投入盛有足量稀盐酸的烧杯中,观察到有大量气泡产生,底部有黑色粉末。则发生反应的离子方程式为 。
②为分离出反应后的溶液,可将上述烧杯中混合物进行 操作,该操作需要的玻璃仪器为 。
③在②得到的溶液中通入氯气,发生如下离子反应:2Fe2++Cl2=2Fe3++2Cl─;在该离子方程式中,当有ag氧化产物生成时,需通入标准状况下的氯气体积为 L(用含a的代数式表示)。
④该同学将少量铜片投入制得的含FeCl3的溶液中,发现铜片慢慢溶解消失,溶液由黄色变为青绿色。则发生反应的离子方程式为 。
23.磁铁矿的主要成分是。某同学设计实验证明磁铁矿石中存在+2、+3价的铁元素。
(1)步骤一:取少量磁铁矿石,粉碎后加入过量的试剂A可选用_____。
A.氨水B.氢氧化钠溶液C.盐酸D.硫酸
(2)步骤二:验证:。取溶解后的无色液体少许,加入少量 ,若观察到溶液变为血红色,则证明有。
(3)步骤三:验证:。取溶解后的无色液体少许,加入少量 ,若观察到 ,则证明有。
选项
实验
现象
A
FeCl3溶液中滴加NaOH溶液
有红褐色絮状沉淀生成
B
FeCl3溶液中滴加KSCN溶液
有红色沉淀生成
C
FeCl2溶液中滴加NaOH溶液
生成白色絮状沉淀并迅速变为灰绿色
D
加热Fe(OH)3
红褐色固体变为红棕色粉末
实验目的
实验操作
现象及结论
A
检验CO还原Fe2O3的生成物中是否含有Fe3O4
取反应后的固体溶于稀盐酸,滴加KSCN溶液
若溶液变红色,则还原产物中含有Fe3O4
B
比较Fe3+和I2氧化性强弱
向FeCl3溶液中滴加淀粉碘化钾溶液
若溶液变蓝色,则氧化性:Fe3+>I2
C
检验FeCl3溶液中是否含有Fe2+
向溶液中滴加酸性KMnO4溶液
若紫红色退去,则溶液中含有Fe2+
D
检验溶液中是否含有CO
取少量溶液于试管中,滴加稀盐酸
若产生的气体能使澄清石灰水变浑浊,则溶液中含有CO
化学式
Fe(OH)2
Fe(OH)3
色态
色固体
色固体
与盐酸反应
受热分解
制法
可溶性亚铁盐与碱溶液反应:
可溶性铁盐与碱溶液反应:
二者的关系
在空气中,能够非常迅速地被氧气氧化成,现象是 ,最后变成 ,化学方程式为
用途
物质
A.去除某些有机溶剂中的水分————————————
a.
B.84消毒液的有效成分
b.
C.厨房中的食用碱
c.
D.打印机墨粉中的磁性成分
d.
参考答案:
1.B
【详解】A.FeCl3溶液中滴加NaOH溶液,溶液中的Fe3+与OH-反应生成氢氧化铁沉淀,颜色为红褐色,A项描述正确;
B.FeCl3溶液中滴加KSCN溶液,溶液中的Fe3+与SCN-反应生成络合物Fe(SCN)3,该络合物可溶于水呈血红色,因此无沉淀生成,B项描述不正确;
C.FeCl2溶液中滴加NaOH溶液,溶液中的Fe2+与OH-反应生成氢氧化亚铁沉淀,由于氢氧化亚铁容易被空气中的氧气氧化,因此,氧化过程中,白色的氢氧化亚铁沉淀迅速变灰绿色,最后变成红褐色的氢氧化铁,C项描述正确;
D.Fe的氢氧化物易失水生成Fe的氧化物,因此加热Fe(OH)3时红褐色固体变为红棕色粉末(Fe2O3),D项描述正确;
故答案选B。
2.B
【详解】A.25g质量分数为34%的H2O2水溶液中含有H2O2的物质的量n(H2O2)==0.25 ml,其中含有O原子的数目是0.25 ml ×2×NA/ml=0.5NA,同时溶剂H2O中也含有O原子,因此其中含有的O原子数目大于0.5NA,A错误;
B.Na2O2中含有2个Na+、1个,78 g Na2O2的物质的量是1 ml,则其中含有的阴、阳离子总数为3NA,B正确;
C.只有溶液浓度,缺少溶液体积,不能计算微粒数目,C错误;
D.H2O与铁粉高温条件下完全反应产生Fe3O4、H2,反应方程式为:3Fe+4H2O(g) Fe3O4+4H2,每有4 ml H2O反应,转移8 ml电子,则当1 ml H2O与足量的铁粉高温条件下完全反应,转移的电子数目为2NA,D错误;
故合理选项是B。
3.B
【详解】A.Fe2O3和Fe3O4中均含有三价铁,与盐酸反应后均得到Fe3+而KSCN溶液主要用于检验Fe3+,所以溶液变血红色只能说明还原产物中含有三价铁,有可能是剩余的Fe2O3,A不符合题意;
B.向FeCl3溶液中滴加淀粉碘化钾溶液后溶液变蓝色,说明I-被氧化成I2,氧化剂为Fe3+,利用氧化还原反应的规律,得出Fe3+的氧化性强于I2,故B符合题意;
C.在酸性条件下高锰酸钾与氯离子发生反应:2MnO+10Cl-+16H+=2Mn2++5Cl2↑+8H2O,氯离子也能高锰酸钾溶液褪色,则紫红色退去,不能说明溶液中含有Fe2+,故C不符合题意;
D.取少量溶液于试管中,滴加稀盐酸,若产生的气体能使澄清石灰水变浑浊,则溶液中含有CO,也可能含有HCO或SO或HSO,故D不符合题意;
故选B。
4.B
【详解】A.Fe3+在溶液中显黄色,且Fe3+和SCN-能结合成Fe(SCN)3,A项错误;
B.0.1ml·L-1BaCl2溶液中:K+、Na+、OH-、均能大量存在且互不反应,B项正确;
C.能使酚酞变红的溶液呈碱性,Cu2+不能大量存在于碱性溶液中,C项错误;
D.pH=13的溶液呈碱性,不能大量存在,D项错误;
答案选B。
5.C
【详解】①与都能和水反应生成碱,是过氧化物;故①错误;
②作葡萄酒的保鲜剂,是利用的还原性,可抗氧化,故②错误;
③溶液与铜可发生,可用于刻蚀铜制电路板,故③正确;
④可用明矾对自来水进行除杂,不能杀菌消毒,故④错误;
⑤和的水溶液能导电是因为溶于水发生了反应生成的和,属于非电解质,故⑤错误;
⑥俗称小苏打,可用于中和胃酸中HCl,故⑥正确;
⑦陶瓷的原料为粘土,没有石灰石,故⑦错误;
⑧呈红棕色,可用作涂料,说法正确,故⑧正确;
所以③⑥⑧正确,故答案选C。
6.A
【详解】A.氨水显碱性,二氧化硫为酸性气体,两者可发生反应,所以氨水可以用来除去二氧化硫,A正确;
B.氢氧化铝为弱碱,可以中和胃酸,能用于治疗胃酸过多,不是因为难溶于水,B错误;
C.浓硝酸具有强氧化性,在常温下可使铝和铁的表面生成致密的氧化膜,产生钝化现象,不是因为硝酸的酸性,C错误;
D.氯化铁溶液具有氧化性,可以将铜氧化生成铜离子,不是因为酸性,D错误;
故选A。
7.D
【详解】A.钠与饱和食盐水中的水反应,导致溶剂水的质量减少形成过饱和溶液,会有氯化钠析出,产生白色沉淀,故A正确;
B.亚铁离子具有还原性,可以与酸性高锰酸钾溶液发生氧化还原反应,使溶液褪色,铁离子不能与酸性高锰酸钾溶液反应,则用酸性高锰酸钾溶液可以检验硫酸亚铁是否全部变质,故B正确;
C.由NaH2PO2是正盐可知,H2PO2-不电离出H+,H3PO2是一元酸,故C正确;
D.“血液透析”类似于胶体的渗析原理,是利用半透膜,通过扩散、对流体内各种有害以及多余的代谢废物和过多的电解质移出体外,达到净化血液的目的;“静电除尘”是电泳现象,即带电的胶体颗粒在电场中定向运动,尘土颗粒一般带负电,在电场中向正极移动,最后会在正极富集,达到除尘效果,则“血液透析”和“静电除尘”利用了胶体的不同性质,故D错误;
故选D。
8.B
【详解】过氧化氢具有强氧化性,将亚铁离子氧化为铁离子,反应的离子方程式:2Fe2++H2O2+2H+=2Fe3++2H2O;过氧化氢在铁离子作催化剂条件下分解生成水与氧气,反应方程式为:2H2O2=2H2O+O2↑,起始反应即①中使c(H+)降低,使Fe3++3H2OFe(OH)3+3H+平衡正向移动,当水解出的Fe(OH)3较多时就聚集为沉淀;
A.①中发生双氧水分解和双氧水与亚铁离子的氧化还原反应,存在两个反应,故A错误;
B.②反应片刻后,有大量气泡产生,说明反应生成的铁离子起到催化剂的作用,故B正确;
C.根据方程式2Fe2++H2O2+2H+=2Fe3++2H2O可知反应消耗氢离子,酸性减弱,pH不断增大,故C错误;
D.由2Fe2++H2O2+2H+=2Fe3++2H2O可知,FeSO4与H2O2按照物质的量比2:1参加反应,故D错误。
故选:B。
9.C
【详解】A.MgO是碱性氧化物,A错误;
B.悬浊液的分散质是固体小颗粒,B错误;
C.可表示为FeO·Fe2O3,Fe元素化合价为+2、+3价;可表示为2PbO·PbO2,Pb元素化合价为+2、+4价;因此二者中的金属都呈现两种价态,C正确;
D.葡萄糖分子是小分子,葡萄糖溶液中溶质分子直径小于1nm,所以葡萄糖溶液不能产生丁达尔效应,D错误;
故合理选项是C。
10.B
【详解】试题分析:A.MgO与盐酸发生反应:MgO+2HCl=MgCl2+H2O,MgCl2是强酸弱碱盐,在溶液中Mg2+发生水解反应,产生Mg(OH)2和HCl,当加热时HCl挥发,因此加热溶液最后得到的是Mg(OH)2,不是无水MgCl2,错误;B.B.Al2O3是两性氧化物,可以与碱NaOH发生反应:Al2O3+2NaOH=2NaAlO2+2H2O,向所得NaAlO2溶液中加入过量的盐酸,发生反应:NaAlO2+4HCl= AlCl3+2H2O,正确;C.Fe与Cl2发生反应产生FeCl3,不能实现后边的转化关系,错误;D.Cu与稀硝酸发生反应产生NO气体,错误。
考点:考查金属元素的单质及化合物的性质和相互转化关系的知识。
11. 将样品中可能存在的Fe2+氧化为Fe3+ H2O2 SiO2(或H2SiO3) SiO2+4HF===SiF4↑+2H2O(或H2SiO3+4HF===SiF4↑+3H2O)
【详解】(1)由题意知,水泥样品中含有铁、铝和镁等金属的氧化物,后面操作有加入氨水调节pH=4~5,目的是除去Al元素和Fe元素,而在此pH范围内,Fe元素只有转化为Fe3+才能完全生成沉淀,因此加入硝酸的目的是将样品中可能存在的Fe2+氧化为Fe3+;由于双氧水的还原产物是水,所以还可以使用双氧水等其他氧化剂代替硝酸。
(2)水泥样品中的SiO2、CaO及铁、铝、镁等金属的氧化物,只有SiO2(或反应生成的H2SiO3)不溶于盐酸,所以沉淀A的主要成分是SiO2(或H2SiO3)。SiO2(或H2SiO3)不与强酸反应,但可溶于氢氟酸中,反应的化学方程式为SiO2+4HF=SiF4↑+2H2O(或H2SiO3+4HF=SiF4↑+3H2O)。
12.(1) 生成的白色絮状沉淀迅速变成灰绿色,过一段时间后沉淀变为红褐色 4Fe(OH)2+O2+2H2O=4Fe(OH)3 红褐色沉淀 盐酸使Fe(OH)3胶体聚沉 红褐色沉淀溶解 Fe(OH)3+3H+=Fe3++3H2O C
(2) Cl2+H2O⇌HClO+H++Cl- 2Cl2+2Ca(OH)2=Ca(ClO)2+CaCl2+2H2O 2:1
【解析】(1)
①氢氧化亚铁易被空气中的氧气氧化为红褐色氢氧化铁,发生的现象是白色沉淀迅速变成灰绿色,过一段时间后沉淀变为红褐色,反应化学方程式为4Fe(OH)2+O2+2H2O=4Fe(OH)3;
②电解质盐酸电离出的Cl-使Fe(OH)3胶体发生聚沉,生成红褐色沉淀;氢氧化铁胶体聚沉后会产生氢氧化铁沉淀,继续加入硫酸,会发生酸碱中和反应,红褐色沉淀溶解,生成氯化铁和水,此反应的离子方程式是Fe(OH)3+3H+═Fe3++3H2O;
③要证明某溶液中不含Fe3+而可能含有Fe2+,进行如下实验操作时的最佳顺序为先加入KSCN溶液不变色,再加入足量氯水变红色,故答案为:C;
(2)
①氯气溶于水后生成了次氯酸和盐酸,氯气、水、次氯酸在离子反应中保留化学式,则离子反应为Cl2+H2O⇌HClO+H++Cl-,故答案为:Cl2+H2O⇌HClO+H++Cl-;②氯气通入石灰乳中反应生成氯化钙、次氯酸钙、水,该反应为2Cl2+2Ca(OH)2=Ca(ClO)2+CaCl2+2H2O,故答案为:2Cl2+2Ca(OH)2=Ca(ClO)2+CaCl2+2H2O;
③根据题意知,酸性条件下,NaClO3和Na2SO3发生氧化还原生成ClO2和Na2SO4,同时生成水,该反应中Cl元素化合价由+5价变为+4价、S元素化合价由+4价变为+6价,其转移电子数为2,根据转移电子相等配平方程式为H2SO4+2NaClO3+Na2SO3=2Na2SO4+2ClO2+H2O,所以该反应中NaClO3和Na2SO3的物质的量之比为2:1,故答案为:2:1。
13. 2Na2O2+2 CO2=2Na2CO3+O2 2Cl2+2Ca(OH)2=CaCl2+Ca(ClO)2+2H2O Al2O3+2NaOH=2NaAlO2+H2O 4Fe(OH)2+O2+2H2O=4Fe(OH)3 3Fe+4H2O(g)Fe3O4+4H2
【详解】(1)过氧化钠与二氧化碳反应生成碳酸钠和氧气,方程式为:2Na2O2+2 CO2=2Na2CO3+O2;
(2)工业上将氯气通入石灰乳制取漂白粉,方程式为:2Cl2+2Ca(OH)2=CaCl2+Ca(ClO)2+2H2O,
(3)氧化铝溶于氢氧化钠反应方程式为:Al2O3+2NaOH=2NaAlO2+H2O;
(4)氢氧化亚铁、氧气、水反应生成氢氧化铁,方程式为:4Fe(OH)2+O2+2H2O=4Fe(OH)3;
(5)铁与水蒸气在高温下的反应方程式为:3Fe+4H2O(g)Fe3O4+4H2。
【点睛】书写工业制漂白粉的离子方程式时要注意,由于用的是石灰乳,所以Ca(OH)2不拆成离子。
14. FeSO4 取少量反应后的溶液与洁净的试管中,滴加两滴KSCN溶液,看是否变红,若不变红说明Fe2(SO4)3耗完
【详解】(1)在Fe2(SO4)3溶液中滴入NaHSO3溶液,溶液中n()增大,S元素化合价由反应前NaHSO3中的+4价变为反应后中的+6价,化合价升高,失去电子被氧化,则Fe2(SO4)3具有氧化,Fe2(SO4)3将得到电子被还原产生FeSO4,故还原产物是FeSO4;
(2)若Fe2(SO4)3在反应中已经被耗完,则溶液中就不会含有Fe3+,则检验上述反应中Fe2(SO4)3是否耗完的方法是:取少量反应后的溶液与洁净的试管中,滴加两滴KSCN溶液,看是否变红,若不变红色,说明Fe2(SO4)3已经耗完。
15. 白 红褐 Fe(OH)2+2H+=Fe2++2H2O Fe(OH)3+3H+=Fe3++3H2O 2Fe(OH)3Fe2O3+3H2O Fe2++2OH-=Fe(OH)2↓ Fe3++3OH-=Fe(OH)3↓ 白色絮状沉淀迅速变成灰绿色 红褐色 4Fe(OH)2+O2+2H2O=4Fe(OH)3
【详解】Fe(OH)2是白色固体,而Fe(OH)3是红褐色固体;
Fe(OH)2是难溶性碱,能够与盐酸发生复分解反应产生FeCl2、H2O,反应的离子方程式为:Fe(OH)2+2H+=Fe2++2H2O;
Fe(OH)3也是难溶性碱,能够与盐酸发生复分解反应产生FeCl3、H2O,反应的离子方程式为:Fe(OH)3+3H+=Fe3++3H2O;
Fe(OH)3不稳定,在空气中加热发生分解反应产生Fe2O3、H2O,反应的化学方程式为:2Fe(OH)3Fe2O3+3H2O;
可溶性亚铁盐与碱溶液混合发生复分解反应,产生Fe(OH)2沉淀、金属氯化物,反应的离子方程式为:Fe2++2OH-=Fe(OH)2↓;
可溶性铁盐与碱溶液混合发生复分解反应,产生Fe(OH)3沉淀、金属氯化物,反应的离子方程式为:Fe3++3OH-=Fe(OH)3↓;
Fe(OH)2具有强的还原性,在空气中会迅速被空气中的氧气氧化产生红褐色Fe(OH)3,因此看到现象是:产生的白色絮状沉淀迅速变成灰绿色,最后变为红褐色;根据原子守恒、电子守恒,可得反应的化学方程式为:4Fe(OH)2+O2+2H2O=4Fe(OH)3。
16. ②④⑥⑨ ①③⑦⑨⑩ ⑤⑧ Fe Ag+ Cl2 、H+ Cl2
【分析】Ⅰ.氢氧化钠固体、氯化氢气体、碳酸钠粉末、CuSO4•5H2O晶体不能导电,但它们溶于水或熔融状态下可导电,属于电解质;铜丝、稀硫酸,氨水、熔融氯化钠可以导电,但铜是单质、氨水是混合物,它们既不是电解质,也不是非电解质;二氧化碳气体和蔗糖熔化状态下不能导电,溶于水时蔗糖溶液也不导电,所以蔗糖是非电解质,二氧化碳的水溶液虽然能导电,但由于在溶液中发生电离的是二氧化碳与水反应生成的碳酸,二氧化碳并未发生电离,故二氧化碳是非电解质;
Ⅱ.(4)铁置换出Cu,Cu置换出Ag,氧化还原反应中还原剂的还原性大于还原产物的还原性,氧化剂的氧化性大于氧化产物分析;
(5)氯气、氢离子都具有氧化性,可与铁反应分别生成氯化铁、氯化亚铁,氯气氧化性较强,以此解答该题。
【详解】Ⅰ.(1)能导电的物质有金属、电解质溶液或熔融液,即含有自由移动离子的物质.符合条件的有②④⑥⑨;
(2)电解质是在水溶液或熔融状态下能导电的化合物,符合条件的有①③⑦⑨⑩;
(3)非电解质是在水溶液和熔融状态下均不能导电的化合物,符合条件的有⑤⑧;
Ⅱ.(4)铁钉浸入CuSO4溶液后,表面会附有红色物质;铜丝浸入AgNO3溶液后,表面会附有银白色物质,则铁置换出Cu,Cu置换出Ag,所以还原剂Fe>Cu>Ag,故还原性最强的是Fe;Cu2+、Fe2+、Ag+中氧化性强弱为Ag+>Cu2+>Fe2+,氧化性最强的是Ag+;
(5)铁为变价金属,与强氧化剂反应生成铁离子,也氧化性较弱的氧化剂反应生成亚铁离子,Cl2 、H+都具有氧化性,可与铁反应分别生成氯化铁、氯化亚铁,Cl2氧化性较强。
【点睛】电解质是指在水溶液中或熔融状态下能导电的化合物,例如酸、碱、盐、活泼金属氧化物等,凡在上述情况下不能导电的化合物叫非电解质,例如非金属氧化物、一些氢化物和一些有机物如蔗糖和酒精等;特别注意能导电的不一定是电解质,且非电解质的水溶液也可能导电,如CO2的水溶液导电,是因为生成碳酸的缘故;另外电解质和非电解质都是化合物,既要排除单质又要排除混合物。
17.(1)B-d、C-b、D-c
(2)化学
(3)2Na+2H2O=2NaOH+H2↑
【详解】(1)钠能与水反应而不能与有机溶剂反应,可用Na来去除某些有机溶剂中的水分,84消毒液的有效成分为NaClO,厨房食用碱为纯碱,其成分为Na2CO3,Fe3O4具有磁性,能够吸引铁粉,可用作打印机墨粉中的磁性成分,故连线如下:B-d、C-b、D-c,故答案为:B-d、C-b、D-c;
(2)由于具有强氧化性,能够使蛋白质发生变性,从而用于杀菌消毒,即84消毒液是利用了它的化学性质,故答案为:化学;
(3)钠能与水反应而不能与有机溶剂反应,可用Na来去除某些有机溶剂中的水分,钠与水反应化学方程式为:2Na+2H2O=2NaOH+H2↑,故答案为:2Na+2H2O=2NaOH+H2↑。
18. 2Na2O2+2CO2=2Na2CO3+O2 2Ca(OH)2+2Cl2=CaCl2+Ca(ClO)2+2H2O Cu+2FeCl3=2FeCl2+CuCl2 FeCl3+3NH3·H2O=Fe(OH)3↓+3NH4Cl
【详解】(1)Na2O2与CO2发生歧化反应,反应方程式为2Na2O2+2CO2=2Na2CO3+O2,故答案为:2Na2O2+2CO2=2Na2CO3+O2;
(2)消石灰为氢氧化钙,漂白粉的成分为次氯酸钙和氯化钙,低温下氯气与氢氧化钙发生歧化反应,反应的方程式为2Ca(OH)2+2Cl2=CaCl2+Ca(ClO)2+2H2O,故答案为:2Ca(OH)2+2Cl2=CaCl2+Ca(ClO)2+2H2O;
(3)铜有还原性,氯化铁有氧化性,二者发生氧化还原反应的方程式为Cu+2FeCl3=2FeCl2+CuCl2,故答案为:Cu+2FeCl3=2FeCl2+CuCl2;
(4)氨水为弱碱性,可以与氯化铁发生复分解反应生成红褐色的氢氧化铁沉淀,其方程式为FeCl3+3NH3·H2O=Fe(OH)3↓+3NH4Cl,故答案为:FeCl3+3NH3·H2O=Fe(OH)3↓+3NH4Cl。
19.(1)Fe3+、Cu2+
(2) Fe2+ Fe、Cu
(3)Fe、Cu
【详解】(1)铁粉,即为单质铁既会与三价铁反应,也会与可溶性的二价铜反应,所以当溶液中有铁粉剩余的时候,说明三价铁离子与二价铜离子一定反应完全了,则溶液中不可能存在的离子是:Fe3+、Cu2+;
(2)氯化铜与氯化铁有剩余,说明二者未与铁粉反应完全,那么我们可以知道,铁粉一定是不存在了,二价铁离子一定是存在的,而铜粉会与三价铁离子反应,所以此刻铜粉一定没有剩余,铜离子和三价铁和铁粉以及铜粉反应的时候生成二价铁,故答案为:Fe2+;Fe、Cu;
(3)铁粉与铜粉都会与三价铁离子反应,当三价铁离子有剩余时,溶液中一定是没有铜粉与铁粉的,因为如果有的话,铜粉铁粉一定会与三价铁离子反应,故答案为:Fe、Cu。
20.(1)3:2
(2)CD
(3)不能,过量维生素C会使酸性高锰酸钾溶液褪色,无法说明一定有Fe2+生成
(4) 现象为白色沉淀迅速变成灰绿色,最终变成红褐色 4Fe(OH)2+O2+2H2O=4Fe(OH)3
(5)0.2ml•L-1
【详解】(1)反应中,氧化剂为次氯酸钠,氯元素由+1价降低到-1价,铁为还原剂,化合价由+3变为+6,根据电子守恒可知,该反应中氧化剂与还原剂的物质的量之比为3:2;
(2)A.Fe3O4有磁性,组成固定,是一种纯净物,不是FeO与Fe2O3的混合物,A错误;
B.其能和酸反应生成两种盐和水,不与碱反应,不属于两性氧化物,B错误;
C.Fe3O4中二价铁、三价铁之比为1:2,与稀盐酸发生复分解反应生成Fe2+与Fe3+物质的量之比为1:2,C正确;
D.Fe与水蒸气在高温下反应能生成Fe3O4和氢气,D正确;
故选CD;
(3)维生素C易溶于水,可将转化为被人体吸收,说明维生素C具有还原性;亚铁离子也具有强的还原性,亚铁离子、过量的维生素C均能被酸性高锰酸钾溶液氧化,导致高锰酸钾溶液褪色,干扰了亚铁离子的检验,此实验方案设计不严密;
(4)丁为亚铁盐与烧碱溶液反应可生成乙氢氧化亚铁,在空气中放置一段时间后乙氢氧化亚铁和空气中氧气、水反应转化为丙氢氧化铁,4Fe(OH)2+O2+2H2O=4Fe(OH)3;乙转化为丙的现象为白色沉淀迅速变成灰绿色,最终变成红褐色;
(5)的物质的量为=0.01ml,铁元素的物质的量n(Fe)=0.02ml;根据铁元素守恒规律,变质前n(FeCl2)= n(Fe)=0.02ml,则100mL该溶液中,c(FeCl2)= =0.2ml/L。
21. 生成灰白色沉淀迅速变成灰绿色,最后变成红褐色 有白色沉淀生成 Fe2++2OH-=Fe(OH)2↓ 使A管中产生的气体通入B管中赶走空气 乙
【分析】由于Fe(OH)2 易被空气中的氧气氧化,白色沉淀会变成灰绿色,最后变成红褐色,所以制备它关键是隔绝氧气。可以先利用生成的氢气把B中空气排出,然后再使FeSO4和NaOH反应,这样制得的白色的Fe(OH)2可以保持比较长的时间。
【详解】(1)先夹紧止水夹a,使A管开始反应,产生的氢气将反应液(FeSO4)压入试管B,FeSO4与NaOH溶液反应得到Fe(OH)2白色沉淀,但系统中氧气的存在会将其氧化,生成灰白色沉淀迅速变成灰绿色,最后变成红褐色
(2)打开a,使A管中反应一段时间,产生的氢气密度小,会进入试管B中,将系统中的氧气排出,再夹紧止水夹a,产生的氢气将反应液(FeSO4)压入试管B,FeSO4与NaOH溶液反应得到Fe(OH)2白色沉淀,并且可稳定存在。
(3)很明显,乙同学的制法可成功达到实验目的。
22. Fe+2H+=Fe2++H2↑ 过滤 玻璃棒、烧杯及漏斗 0.2a Cu+2Fe3+=Cu2++2Fe2+
【详解】试题分析:①将粉末投入盛有足量稀盐酸的烧杯中,铁溶解于稀盐酸,产生大量气泡,发生反应的离子方程式为Fe+2H+=Fe2++H2↑;
②反应后的溶液中有不溶于水的碳,可将上述烧杯中混合物进行过滤操作进行分离,操作过程需要的玻璃仪器为玻璃棒、烧杯及漏斗;
③已知离子反应:2Fe2++Cl2=2Fe3++2Cl─;ag氧化产物Fe3+的物质的量为ag÷56g/ml=a/56ml,氯气在标准状况下的体积为a/56ml×1/2×22.4L/ml=0.2aL;
④铜片溶解于FeCl3的溶液中,反应的离子方程式为Cu+2Fe3+=Cu2++2Fe2+。
23.(1)D
(2)KSCN溶液
(3) 酸性高锰酸钾溶液 酸性高锰酸钾褪色
【分析】证明磁铁矿石中存在+2、+3价的铁元素,将磁铁矿用酸溶解后,检验Fe2+和Fe3+即可证明,实验室用KSCN溶液检验Fe3+,Fe2+具有还原性,加入酸性高锰酸钾,若酸性高锰酸钾褪色,说明含有Fe2+。
【详解】(1)氨水和氢氧化钠能与Fe2+、Fe3+反应生成沉淀,不能用于溶解磁铁矿石,检验Fe2+需加入高锰酸钾,若加入稀盐酸,Cl-也能被酸性高锰酸钾氧化,干扰Fe2+的检验,因此用硫酸溶解磁铁矿石,即试剂A为硫酸,故答案为:D;
(2)实验室通常用KSCN溶液检验Fe3+,KSCN溶液遇Fe3+变为血红色,因此取溶解后的液体少许,加入少量KSCN溶液,若观察到溶液变为血红色,则证明有Fe3+;
(3)Fe2+具有还原性,能使酸性高锰酸钾褪色,因此取溶解后的液体少许,加入少量酸性高锰酸钾溶液,若观察到酸性高锰酸钾褪色,则证明有Fe2+。
【点睛】铁氰化钾遇发生反应生成深蓝色沉淀,是特征反应,常用于检验,而氯离子不干扰此反应,所以,配套的另一组答案为:(1)CD(3) 铁氰化钾、深蓝色沉淀。
高中化学人教版 (2019)必修 第一册第三章 铁 金属材料第一节 铁及其化合物课时训练: 这是一份高中化学人教版 (2019)必修 第一册第三章 铁 金属材料第一节 铁及其化合物课时训练,共7页。试卷主要包含了1 铁及其化合物 同步练习题,80 g,200ml,质量m=0等内容,欢迎下载使用。
高中化学第三章 铁 金属材料第一节 铁及其化合物同步测试题: 这是一份高中化学第三章 铁 金属材料第一节 铁及其化合物同步测试题,共7页。试卷主要包含了1 铁及其化合物 同步练习题,0 %,故答案为等内容,欢迎下载使用。
高中化学人教版 (2019)必修 第一册第一节 铁及其化合物课时作业: 这是一份高中化学人教版 (2019)必修 第一册第一节 铁及其化合物课时作业,共9页。试卷主要包含了1 铁及其化合物 同步练习题等内容,欢迎下载使用。

