所属成套资源:备战2024年中考物理重难点突破一轮课件+讲义与试卷解析
2024年中考物理大一轮复习:近三年各地物理真题解析05 压强da
展开
这是一份2024年中考物理大一轮复习:近三年各地物理真题解析05 压强da,共17页。试卷主要包含了单选题,填空题,计算题等内容,欢迎下载使用。
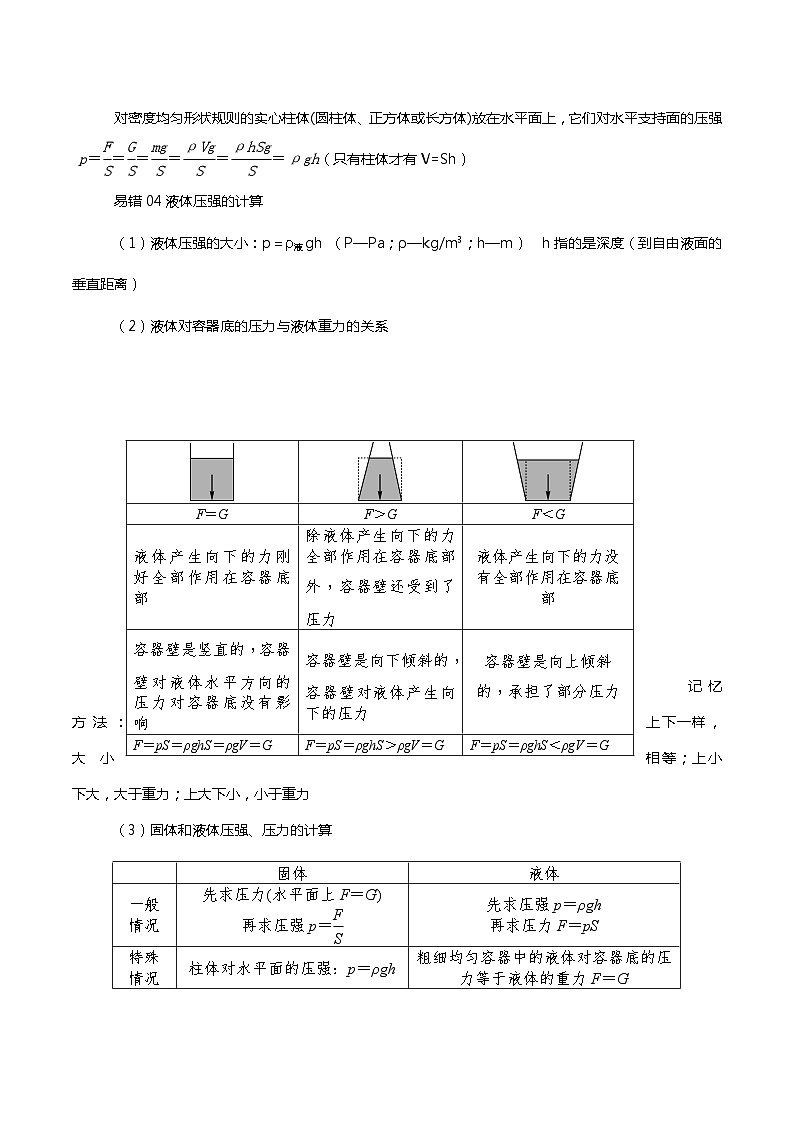
查补易混易错05 压强压强和液体压强是第九章压强的重点内容,在力学部分中占据非常重要的地位,同时也是中考的常考内容。主要知识点有压力和压强的基本概念、固体压强的计算、液体压强大小分析和液体压强常规计算。是学生学习力学内容较难的部分,在中考试卷中占据较大比例。所以,对压强的复习是学生应重视和掌握的内容。考生需要掌握的内容有对压力和压强的正确理解、压强的应用、固体和液体压强的计算,对之后解决压强和浮力的综合应用奠定基础。中考五星高频考点,难度中等偏上,在全国各地中考试卷中多次考查。考查的内容(1)压强的应用:常见的是增大或减小压强的例子;(2)固体压强的计算;(3)液体压强的分析和计算;(4)压强和浮力的综合应用。中考主要题型有选择题、填空题和计算题。选择题以考查压强的概念居多,填空题以简单计算居多,综合计算以压轴题居多。易错01压力和重力的区别力性质产生原因方向作用点压力(F)弹力物体间接触且挤压垂直于接触面在被压物体受力面上重力(G)引力由于地球吸引竖直向下物体的重心 独立静止在水平面上的物体对水平面压力的大小等于物体重力的大小易错02对受力面积的理解(1)受力面积S是两物体的实际接触面积,不一定是受力物体的表面积;(2)特别注意题目中出现单脚、单个轮胎、一条履带等与地面的接触面积时,在计算受力面积要乘以个数;(3)受力面积S的单位是m2,计算出的压强单位才是Pa。易错03固体压强计算公式的另一种表达式对密度均匀形状规则的实心柱体(圆柱体、正方体或长方体)放在水平面上,它们对水平支持面的压强 p======ρgh(只有柱体才有V=Sh)易错04液体压强的计算(1)液体压强的大小:p=ρ液gh (P—Pa;ρ—kg/m3;h—m) h指的是深度(到自由液面的垂直距离)(2)液体对容器底的压力与液体重力的关系F=GF>GF<G液体产生向下的力刚好全部作用在容器底部除液体产生向下的力全部作用在容器底部外,容器壁还受到了压力液体产生向下的力没有全部作用在容器底部容器壁是竖直的,容器壁对液体水平方向的压力对容器底没有影响容器壁是向下倾斜的,容器壁对液体产生向下的压力容器壁是向上倾斜的,承担了部分压力F=pS=ρghS=ρgV=GF=pS=ρghS>ρgV=GF=pS=ρghS<ρgV=G 记忆方法:上下一样,大小相等;上小下大,大于重力;上大下小,小于重力(3)固体和液体压强、压力的计算 固体液体一般情况先求压力(水平面上F=G)再求压强p=先求压强p=ρgh再求压力F=pS特殊情况柱体对水平面的压强:p=ρgh粗细均匀容器中的液体对容器底的压力等于液体的重力F=G 一、单选题1.(2022·贵州安顺·中考真题)如图所示,将一个密闭的圆柱形空筒放在装有水的深桶中,用手慢慢把它竖直压入水中(水未溢出)。在空筒完全进入水中之前,空筒每下降相同距离,下列说法正确的是( )A.桶底受到水的压强的增加量不变B.桶底受到水的压强的增加量变大C.空筒底部受到水的压强的增加量不变D.空筒底部受到水的压强的增加量变小【答案】D【详解】在空筒完全进入水中之前,空筒下降时,水面会随之升高,由于桶的横截面积下小上大,空筒每下降相同距离,水面上升的高度变化量将变小,随着桶的横截面积的变大,筒浸入水中深度的增加量也变小,根据Δp=ρgΔh可知,桶底受到水的压强增加量和空筒底部受到水的压强增加量均会变小,故ABC错误,D正确。故选D。2.(2023·北京朝阳·统考一模)骆驼的体重比马大不了一倍,而它的脚掌面积是马蹄的三倍,这为它在沙漠行走提供了有利条件。如图所示,站立在水平地面上的骆驼和马,下列说法正确的是( ) A.骆驼对地面的压力就是它受到的重力B.马对地面的压力小于它受到的重力C.骆驼对地面的压强小于马对地面的压强D.骆驼对地面的压力的作用效果大于马对地面的压力的作用效果【答案】C【详解】AB.骆驼和马对地面的压力大小等于受到的重力,而两力的施力物体不同,不是同一个力,故AB错误;C.骆驼的体重比马大不了一倍,而它的脚掌面积是马蹄的三倍,骆驼对地面的压力与马对地面的压力都等于自身的重力,由得,骆驼对地面的压强小于马对地面的压强,而压力的作用效果用压强来表示,则骆驼对地面的压力的作用效果小于马对地面的压力的作用效果,故C正确,D错误。故选C。3.(2023·北京丰台·统考一模)1648年,法国科学家帕斯卡做了一个著名的实验,如图所示。在一个密闭的木桶内装满水,从桶盖上面插进一根细长的管子。他在楼房的阳台上向细管中倒水。结果只用了几杯水,就把桶撑裂了。g取10N/kg,下列说法正确的是( )A.木桶被撑裂是由于桶内水的重力增大造成的B.细管的横截面积较小,倒入几杯水后深度变化很大,水对桶压强增大很多C.桶底受到的水的压力等于桶和细管内水的重力之和D.桶高0.6m,当细管内水深3.4m时,水对桶底的压强是6000Pa【答案】B【详解】A.木桶被撑裂是由于桶内水的压强增大造成的,故A错误;B.液体压强与液体深度和液体的密度有关,液体的密度不变,深度越深,压强越大,细管的横截面积较小,由V=Sh可知,倒入几杯水后深度变化很大,水对桶的压强增大很多,故B正确;C.根据F=pS=ρghS可知,桶底受到的水的压力等于以桶底为面积竖直向上到液面这部分水的重力,故C错误;D.水的深度h=3.4m+0.6m=4m水对桶底的压强p=ρgh=1.0×103kg/m3×10N/kg×4m=4×104Pa故D错误。故选B。4.(2022·贵州铜仁·统考中考真题)如图所示,一密闭容器放在桌面上,如图(a)所示,此时液体对容器底的压力为F1,容器对桌面的压强为p1,将容器倒立放置,此时没体对容器底的压力为F2,容器对桌面的压强为p2,如图(b)所示。则下列说法正确的是( )A.F1=F2,p1=p2 B.F1>F2,p1<p2C.F1>F2,p1>p2 D.F1<F2,p1<p2【答案】B【详解】AC.容器质量相同,水质量相同,则总重力相等,因为在水平面上压力等于重力,所以容器对桌面的压力相等,根据知,倒置受力面积减小,压强增大,即p1<p2故AC错误;BD.正立时,液体对容器底的压力F1=p1S1=ρgh1S1>G倒置时,液体对容器底的压力F2=p2S2=ρgh2S2<G所以F1>F2,故D错误,B正确。故选B。5.(2023·上海徐汇·统考二模)如图所示,水平面上的圆柱形容器中分别盛有甲、乙两种液体,甲、乙液体对容器底部的压强p甲>p乙。现在两容器中分别放入质量为m1和m2的两个物体,两物体均漂浮在液面上且液体不溢出,甲、乙液体对容器底部的压强变为pʹ甲、pʹ乙,则( )A.若m1=m2,pʹ甲可能小于pʹ乙 B.若m1=m2,pʹ甲可能等于pʹ乙C.若m1>m2,pʹ甲一定大于pʹ乙 D.若m1>m2,pʹ甲一定等于pʹ乙【答案】C【详解】AB.由图可知,甲容器底面积小于乙容器底面积,即S甲<S乙,分别放入质量为m1和m2的两个物体,两物体均漂浮在液面上且液体不溢出,则容器底部增大的压力等于物体受到的浮力,若m1=m2,根据平衡法,两物体受到的浮力相同;根据压强公式可知因为甲、乙液体对容器底部的压强p甲>p乙,可得故AB错误;CD.若m1>m2,根据平衡法,两物体受到的浮力F浮甲>F浮乙;又因为S甲<S乙,根据压强公式可知因为甲、乙液体对容器底部的压强p甲>p乙,可得故C正确,D错误。故选C。6.(2023·上海嘉定·统考二模)如图所示,底面积不同的轻质圆柱形容器甲、乙置于水平桌面上,内部分别盛有密度为ρ甲和ρ乙的两种液体,液体中距离容器底部等高的A、B两点处的压强相等。则关于两液体的密度ρ甲和ρ乙及容器甲、乙对水平桌面的压强p甲和p乙的大小关系,正确的是( )A.ρ甲>ρ乙,p甲<p乙 B.ρ甲>ρ乙,p甲>p乙C.ρ甲=ρ乙,p甲<p乙 D.ρ甲=ρ乙,p甲>p乙【答案】B【详解】由题意可得,液面距离A、B两点的高度关系为 由可得由于容器是轻质容器,其重力可得忽略不计,容器对桌面的压强就等于液体对容器底部的压强,由液体压强公式可得结合上述分析可得 所以 故选B。二、填空题7.(2023·四川成都·校考模拟预测)如图所示,普氏野马属于国家重点保护动物。我国动物保护组织成员曾发现普氏野马饮水时(四蹄着地)在沙地上留下的一些足迹,深度达1.2cm。通过实验测得要使该沙地达到相同的深度,压强为,并由此估算出,一匹成年普氏野马的质量约为360kg。成年普氏野马对水平地面的压力约为________N,它的一个蹄印的面积大约为________m2。【答案】 3600;0.01【详解】[1]成年普氏野马对水平地面的压力[2]由可得,受力面积它的一个蹄印的面积8.(2022·四川巴中·中考真题)如图,质量相等的实心均匀正方体A和B平放在水平地面上(ρA>ρB),它们对地面的压强分别为pA和pB,则pA___________pB。现竖直切去左半部分(如图中虚线所示),剩余部分对地面的压强分别为pA′和pB′,则pA′___________pB′,pA′___________pA。(均选填“>”“<”或“=”) 【答案】 >; > ; =【详解】[1]由于AB两物体质量相等且,根据,可知A物体体积小于B物体,故A物体的边长小于B物体的边长,A物体的底面积小于B物体。再根据压强公式可知,压力相同,受力面积越小压强越大,故。[2][3]根据均匀柱体压强公式可知,竖着切去左半部分后,AB物体对平面的压强不变,即故。9.(2022·广西梧州·统考中考真题)如图所示,所受重力为50N、底面积为250cm2的长方体A放在水平面上;一薄壁圆柱形容器B也置于水平面上,该容器足够高,底面积为100cm2,内盛有4kg的水。若将一质地均匀的物体C分别放在长方体A的上面和浸没在容器B的水中时,长方体A对水平面的压强变化量和水对容器B底部的压强变化量相等。则未放上物体C前,长方体A对水平面的压强为 ___________Pa,物体C的密度为 ___________kg/m3。(g取10N/kg,ρ水=1.0×103kg/m3)【答案】 2000;2.5×103【详解】[1]由 知道,未放上物体C前,长方体A对水平面的压强为[2]设物体C的质量为m,则长方体A对地面压强的增加量水对容器B底部压强增加量由于,则所以,物体的密度10.(2023·广西南宁·统考一模)两个质量分布均匀的正方体A、B放在水平地面上,A、B对地面的压强之比为2︰3,将A沿水平方向切去高为L的部分,把切去部分叠放在B上,B对地面的压强为pB,A剩余部分对地面的压强为pA,pA、pB与L的变化关系如图所示,则切除之前A的边长为___________cm,B的密度为___________kg/m3。 【答案】10;3×103【详解】[1]由“将A沿水平方向切去高为L的部分,把切去部分叠放在B上”可知,A剩余部分对地的压强减小,B对地的压强增大,由图可知,下面的图线反映了pA与L的变化关系,上面的图线反映了pB与L的变化关系;由图中A的图线可知,当切去部分的高度为10cm时,A剩余部分对地面的压强为0,即此时A全部被切去,因此A的边长为10cm。 [2]由图可知,未切前B的压强为6×103Pa,A、B对地面的压强之比为2︰3,即未切前A的压强为A的底面积为SA=10cm×10cm=100cm2=0.01m2则A的重力等于压力,即GA=FA=pASA=4×103Pa×0.01m2=40N由图可知,当把A全部放在B上后增加的压强为Δp=7×103Pa-6×103Pa=1×103Pa则B的底面积为即B的边长为0.2m。A的密度为因为切除前A、B对地面的压强之比为2︰3,可得即B的密度为11.(2023·辽宁鞍山·统考模拟预测)小明放学回家,看见在面积为1m2的水平桌面上放着一个盛有水的平底玻璃杯。如图所示,经测量发现,玻璃杯和水总重6N,已知杯中的水深h是15cm,杯的底面积是0.002m2,水平桌面受到玻璃杯的压强为 ______Pa,水对杯底的压力为 ______N。将一质量为90g,体积为100cm3的实心小球放入水中,小球静止时所受的浮力为 ______N。【答案】3000;3 ;0.9【详解】[1]桌面受到的压力F=G=6N桌面受到的压强[2]杯底受到水的压强p′=ρgh=1.0×103kg/m3×10N/kg×0.15m=1500Pa由可得,杯底受到水的压力F′=p′S=1500Pa×0.002m2=3N[3]将实心小球浸没在水中V排=V=100cm3=1×10-4m3实心小球浸没时受到的浮力F浮=ρ水gV排=1×103kg/m3×10N/kg×1×10-4m3=1N实心小球的重力G=mg=0.09kg×10N/kg=0.9N因为F浮>G,所以实心小球将上浮,静止时处于漂浮状态,则小球静止时所受的浮力为F浮′=G=0.9N 三、计算题12.(2022·山东淄博·统考中考真题)我国生产的无人机世界领先,种类繁多,应用广泛。如图所示是一架已经装载上10kg防疫物资的无人机,若该无人机自身质量为30kg,它有4条支撑腿,每条支撑腿与地面的接触面积为25cm2.(g取10N/kg)请解答下列问题:(1)防疫物资所受的重力;(2)图中静止在水平地面上的无人机对地面的压强(旋翼未转动);(3)起飞后,无人机在30s内匀速竖直上升60m,此过程中无人机对防疫物资做功的功率。【答案】(1)100N;(2)4×104Pa;(3)200W【详解】解:(1)由 知道,防疫物资的重力G物资=m物资g=10kg×10N/kg=100N(2)由 知道,无人机的重力G无人机=m无人机g=30kg×10N/kg=300N在水平地面上静止的无人机对地面的压力F=G物资+G无人机=100N+300N=400N总受力面积S=4×25cm2=100cm2=1×10-2m2则无人机对地面的压强(3)无人机对防疫物资做的功W=G物资h=100N×60m=6×103J则此过程中无人机对防疫物资做功的功率答:(1)防疫物资所受的重力为100N;(2)图中静止在水平地面上的无人机对地面的压强为4×104Pa;(3)此过程中无人机对防疫物资做功的功率为200W。13.(2023·重庆潼南·统考一模)如图所示,质量为500g的薄壁容器放在水平地面上,容器底面积为80cm2,内装1.5kg的水,求:(1)水对容器底部的压强;(2)水对容器底部的压力;(3)容器对水平地面的压强。【答案】(1)1×103Pa;(2)8N;(3)2.5×103Pa【详解】解:(1)由图可知水的深度为h=10cm=0.1m水对容器底部的压强p=ρ水gh=1.0×103kg/m3×10N/kg×0.1m=1×103Pa(2)水对容器底部的压力为F=pS=1×103Pa×80×10﹣4m2=8N(3)水的重力G水=m水g=1.5kg×10N/kg=15N容器的重力为G容=m容g=500×10﹣3kg×10N/kg=5N容器对水平地面的压力F′=G总+G容=15N+5N=20N容器对水平地面的压强答:(1)水对容器底部的压强为1×103Pa;(2)水对容器底部的压力为8N;(3)容器对水平地面的压强为2.5×103Pa。
相关试卷
这是一份2024年中考物理大一轮复习:近三年各地物理真题解析10 电与磁da,共12页。试卷主要包含了单选题,填空题等内容,欢迎下载使用。
这是一份2024年中考物理大一轮复习:近三年各地物理真题解析09 电功率da,共19页。试卷主要包含了6×106J,5W,7A,通过L2的电流为0,5V 0,25J;25Ω等内容,欢迎下载使用。
这是一份2024年中考物理大一轮复习:近三年各地物理真题解析08 电压da,共14页。试卷主要包含了单选题,填空题,实验题等内容,欢迎下载使用。

